Этот документ содержит информацию об адаптерах фирмы Фитон, их фотографии, таблицы соединений и схемы подключений. Для получения информации об интересующем Вас адаптере щелкните на его названии в одном из списков, представленных ниже.
Названия адаптеров, используемых в параллельных программаторах (программаторы ChipProg, ChipProg-2, ChipProg+, ChipProg-40, ChipProg-48, ChipProg-G4), начинаются с префикса "AE-" или "M-" (например, AE-P44-i51, AE-ISP-U1).
Названия адаптеров, используемых в последовательных программаторах (программатор ChipProg-ISP), начинаются с префикса "AS-" (например, AS-ISP-Cable, AS-ISP-MSP430).
Список адаптеров по категориям:Универсальные (1-в-1) адаптеры
Алфавитный список адаптеров:
| Адаптер | Описание | Аналоги |
| AE-B24-25XX | DIP40/BGA24 специализированный адаптер для FLASH памяти 25 серии. |   |
DIP40/BGA48 специализированный адаптер для FLASH памяти. |   | |
DIP40/BGA48 специализированный адаптер для FLASH памяти. |   | |
DIP40/BGA48 специализированный адаптер для FLASH памяти. |   | |
DIP40/BGA48 специализированный адаптер для FLASH памяти. |   | |
DIP40/BGA48 специализированный адаптер для FLASH памяти. |   | |
DIP40/BGA48 специализированный адаптер для FLASH памяти. |   | |
DIP32/BGA48 специализированный адаптер для FLASH памяти. |   | |
DIP48/BGA48 специализированный адаптер для FLASH памяти. |   | |
DIP48/BGA48 специализированный адаптер для FLASH памяти. |   | |
DIP48/BGA48 специализированный адаптер для FLASH памяти. |   | |
DIP48/BGA48 специализированный адаптер для FLASH памяти. |   | |
DIP40/BGA55 специализированный адаптер для NAND FLASH памяти. |   | |
DIP40/BGA55 специализированный адаптер для NAND FLASH памяти. |   | |
DIP40/BGA56 специализированный адаптер для FLASH памяти. |   | |
DIP40/BGA64 специализированный адаптер для FLASH памяти. |   | |
DIP40/BGA64 специализированный адаптер для FLASH памяти. |   | |
DIP40/BGA64 специализированный адаптер для FLASH памяти. |   | |
DIP40/BGA64 специализированный адаптер для FLASH памяти. |   | |
DIP40/BGA64 специализированный адаптер для FLASH памяти. |   | |
DIP40/BGA64 специализированный адаптер для FLASH памяти. |   | |
DIP40/BGA64 специализированный адаптер для FLASH памяти. |   | |
DIP40/BGA64 специализированный адаптер для FLASH памяти. |   | |
DIP40/BGA64 специализированный адаптер для FLASH памяти. |   | |
DIP40/BGA64 специализированный адаптер для FLASH памяти. |   | |
DIP40/BGA84 специализированный адаптер для FLASH памяти. |   | |
DIP40/BGA84 специализированный адаптер для FLASH памяти. |   | |
DIP40/BGA88 специализированный адаптер для FLASH памяти. |   | |
DIP32/DIP28 специализированный адаптер для EPROM/FLASH памяти. |   | |
DIP40/DIP48 специализированный адаптер для EPROM/FLASH памяти. |   | |
DIP40/DIP48 специализированный адаптер для EPROM/FLASH памяти. |   | |
DIP28/BH20 специализированный адаптер для программирования микроконтроллеров ARM/Cortex в устройстве пользователя. |   | |
DIP28/BH16 специализированный адаптер для программирования микроконтроллеров семейства MSP430 в устройстве пользователя с помощью JTAG интерфейса. |   | |
DIP28/BH16 специализированный адаптер для программирования микроконтроллеров фирмы NEC в устройстве пользователя. |   | |
DIP28/BH10 специализированный адаптер для программирования микроконтроллеров семейства ST7 и ST8 в устройстве пользователя. |   | |
DIP28/BH10 универсальный адаптер для программирования микрокосхем в устройстве пользователя. |   | |
DIP28/BH10 универсальный адаптер для программирования микрокосхем в устройстве пользователя. |   | |
DIP40/M42 специализированный адаптер для микросхемы памяти 1636PP1 фирмы Milandr . |   | |
DIP32/M42 специализированный адаптер для микросхемы памяти 1638PP1 фирмы Angstrem. |   | |
DIP40/QFP44 specialized adapter for Microchip PIC devices. |   | |
DIP40/M48 специализированный адаптер для микросхемы памяти 1636PP2 фирмы Milandr . |   | |
DIP40/M88 специализированный адаптер для микроконтроллера 1874BE76T фирмы НИИЭТ. |   | |
DIP40/M88 специализированный адаптер для микроконтроллера 1874BE86T фирмы НИИЭТ. |   | |
DIP28/MLF28 специализированный адаптер для микроконтроллеров PIC фирмы Microchip в MLF/QFN корпусах. | Emulation Technology: AS028-28-02ML-6 | |
DIP20/PLCC20 universal adapter with open top socket. | Logical Systems: PA20-20-1PD3 | |
DIP20/PLCC20 universal adapter with clam shell socket. | Logical Systems: PA20-20-1PZ3 | |
DIP28/PLCC28 universal adapter with open top socket. | Logical Systems: PA28-28 | |
DIP28/PLCC28 universal adapter with clam shell socket. | Logical Systems: PA28-28(Z) | |
DIP28/PLCC32 specialized adapter for EPROM/FLASH with open top socket. | Logical Systems: PA32-28 | |
DIP28/PLCC32 specialized adapter for EPROM/FLASH with clam shell socket. | Logical Systems: PA32-28Z | |
DIP32/PLCC32 specialized adapter for EPROM/FLASH with open top socket. |   | |
DIP32/PLCC32 specialized adapter for EPROM/FLASH with clam shell socket. |   | |
DIP32/PLCC32 specialized adapter for EPROM/FLASH with open top socket. |   | |
DIP32/PLCC32 specialized adapter for EPROM/FLASH with clam shell socket. |   | |
DIP32/PLCC32 universal adapter with open top socket. | Logical Systems: PA32-32 | |
DIP32/PLCC32 universal adapter with clam shell socket. | Logical Systems: PA32-32Z | |
DIP40/PLCC44 specialized adapter for EPROM/FLASH with open top socket. | Logical Systems: PA280-44 | |
DIP40/PLCC44 specialized adapter for EPROM/FLASH with clam shell socket. | Logical Systems: PA280-44Z | |
DIP40/PLCC44 specialized adapter for Altera EPMxxx devices with open top socket. |   | |
DIP40/PLCC44 specialized adapter for Altera EPMxxx devices with clam shell socket. |   | |
DIP20/PLCC44 specialized adapter for Atmel AT17xxx devices with open top socket. |   | |
DIP20/PLCC44 specialized adapter for Atmel AT17xxx devices with clam shell socket. |   | |
DIP20/PLCC44 specialized adapter for Atmel AT17xxx devices with open top socket. |   | |
DIP20/PLCC44 specialized adapter for Atmel AT17xxx devices with clam shell socket. |   | |
DIP40/PLCC44 specialized adapter for Atmel AVR devices with open top socket. | Logical Systems: PA44-40-30-PD | |
DIP40/PLCC44 specialized adapter for Atmel AVR devices with clam shellsocket. |   | |
DIP40/PLCC44 specialized adapter for Atmel ATF1500 devices with open top socket. |   | |
DIP40/PLCC44 specialized adapter for Atmel ATF1500 devices with clam shell socket. |   | |
DIP40/PLCC44 specialized adapter for Atmel ATF2500 devices with open top socket. |   | |
DIP40/PLCC44 specialized adapter for Atmel ATF2500 devices with clam shell socket. |   | |
DIP40/PLCC44 specialized adapter with open top socket. |   | |
DIP40/PLCC44 specialized adapter with clam shell socket. |   | |
DIP40/PLCC44 specialized adapter. |   | |
DIP40/PLCC44 specialized adapter for 8051 family microcontrollers with open top socket. |   | |
DIP40/PLCC44 specialized adapter for 8051 family microcontrollers with clam shell socket. |   | |
DIP40/PLCC44 specialized adapter for Philips/NXP microcontrollers with open top socket. |   | |
DIP40/PLCC44 specialized adapter for Philips/NXP microcontrollers with clam shell socket. |   | |
DIP28/PLCC44 specialized adapter for Philips/NXP microcontrollers with open top socket. |   | |
DIP28/PLCC44 specialized adapter for Philips/NXP microcontrollers with clam shell socket. |   | |
DIP40/PLCC44 specialized adapter PLD devices with open top socket. |   | |
DIP40/PLCC44 specialized adapter PLD devices with clam shell socket. |   | |
DIP40/PLCC44 specialized adapter with open top socket. | Logical Systems: PA51CC-PD | |
DIP40/PLCC44 specialized adapter with clam shell socket. |   | |
DIP40/PLCC44 specialized adapter with open top socket. |   | |
DIP40/PLCC44 specialized adapter with clam shell socket. |   | |
DIP40/PLCC44 specialized adapter with open top socket. |   | |
DIP40/PLCC44 specialized adapter with clam shell socket. |   | |
DIP40/PLCC44 specialized adapter for Nuvoton/Winbond microcontrollers with open top socket. |   | |
DIP40/PLCC44 specialized adapter for Nuvoton/Winbond microcontrollers with open top socket. |   | |
DIP40/PLCC44 specialized adapter for Nuvoton/Winbond microcontrollers with clam shell socket. |   | |
DIP40/PLCC44 specialized adapter for Nuvoton/Winbond microcontrollers with clam shell socket. |   | |
DIP20/PLCC44 specialized adapter for Xilinx devices with open top socket. |   | |
DIP20/PLCC44 specialized adapter for Xilinx devices with open top socket. |   | |
DIP40/PLCC44 specialized adapter for microcontrollers with open top socket. | Logical Systems: PA51-44 | |
DIP40/PLCC44 specialized adapter for microcontrollers with clam shell socket. | Logical Systems: PA51-44Z | |
DIP40/PLCC44 specialized adapter for Microchip microcontrollers with open top socket. | Logical Systems: PA44-40-P64 | |
DIP40/PLCC44 specialized adapter for Microchip microcontrollers with clam shell socket. |   | |
DIP40/PLCC44 specialized adapter for Microchip microcontrollers with open top socket. | Logical Systems: PA17C42-PD | |
DIP40/PLCC44 specialized adapter for Microchip microcontrollers with clam shell socket. |   | |
DIP44/PLCC44 universal adapter with open top socket. | Logical Systems: PA44-PD | |
DIP44/PLCC44 universal adapter with clam shell socket. | Logical Systems: PA44-PDZ | |
DIP40/PLCC52 specialized adapter for Motorola/Freescale microcontrollers with open top socket. |   | |
DIP40/PLCC52 specialized adapter for Motorola/Freescale microcontrollers with clam shell socket. |   | |
DIP40/PLCC52 specialized adapter for Atmel microcontrollers with open top socket. |   | |
DIP40/PLCC52 specialized adapter for Atmel microcontrollers with clam shell socket. |   | |
DIP40/PLCC52 specialized adapter for Atmel microcontrollers with open top socket. |   | |
DIP40/PLCC52 specialized adapter for Atmel microcontrollers with clam shell socket. |   | |
DIP40/PLCC52 specialized adapter for Atmel microcontrollers with open top socket. |   | |
DIP40/PLCC52 specialized adapter for Atmel microcontrollers with clam shell socket. |   | |
DIP40/PLCC52 specialized adapter for Dallas/Maxim microcontrollers with open top socket. | Logical Systems: PA530-52 | |
DIP40/PLCC52 specialized adapter for Dallas/Maxim microcontrollers with clam shell socket. |   | |
DIP40/PLCC52 specialized adapter for Intel microcontrollers with open top socket, |   | |
DIP40/PLCC52 specialized adapter for Intel microcontrollers with clam shell socket, |   | |
DIP40/PLCC68 specialized adapter for Altera EPMxxx devices with open top socket. |   | |
DIP40/PLCC68 specialized adapter for Altera EPMxxx devices with open top socket. |   | |
DIP40/PLCC68 specialized adapter for Atmel microcontrollers with open top socket. |   | |
DIP40/PLCC68 specialized adapter for Atmel microcontrollers with clam shell socket. |   | |
DIP40/PLCC68 specialized adapter with open top socket. |   | |
DIP40/PLCC68 specialized adapter with clam shell socket. |   | |
DIP40/PLCC68 specialized adapter for Nuvoton/Winbond microcontrollers with open top socket. |   | |
DIP40/PLCC68 specialized adapter for Nuvoton/Winbond microcontrollers with clam shell socket. |   | |
DIP40/PLCC68 specialized adapter for Intel microcontrollers with open top socket. |   | |
DIP40/PLCC68 specialized adapter for Intel microcontrollers with clam shell socket. |   | |
DIP40/PLCC68 specialized adapter for Intel microcontrollers with open top socket. |   | |
DIP40/PLCC68 specialized adapter for Intel microcontrollers with clam shell socket. |   | |
DIP40/PLCC68 specialized adapter for Intel microcontrollers with oprn top socket. |   | |
DIP40/PLCC68 specialized adapter for Intel microcontrollers with clam shell socket. |   | |
DIP40/PLCC68 specialized adapter for Intel microcontrollers with open top socket. |   | |
DIP40/PLCC68 specialized adapter for Intel microcontrollers with clam shell socket. |   | |
DIP40/PLCC68 specialized adapter for Intel microcontrollers with open top socket. |   | |
DIP40/PLCC68 specialized adapter for Intel microcontrollers with clam shell socket. |   | |
DIP40/PLCC68 specialized adapter for Microchip PIC microcontrollers with open top socket. |   | |
DIP40/PLCC68 specialized adapter for Microchip PIC microcontrollers with open top socket. |   | |
DIP40/PLCC68 specialized adapter for Microchip PIC microcontrollers with clam shell socket. |   | |
DIP40/PLCC68 specialized adapter for Microchip PIC microcontrollers with clam shell socket. |   | |
DIP40/PLCC68 specialized adapter for Philips/NXP microcontrollers with open top socket. | Logical Systems: PA552-68 | |
DIP40/PLCC68 specialized adapter for Philips/NXP microcontrollers with clam shell socket. |   | |
DIP40/PLCC84 specialized adapter for Altera EPMxxx devices with open top socket. |   | |
DIP40/PLCC84 specialized adapter for Altera EPMxxx devices with clam shell socket. |   | |
DIP40/PLCC84 specialized adapter for Altera EPMxxx devices with open top socket. |   | |
DIP40/PLCC84 specialized adapter for Altera EPMxxx devices with clam shell socket. |   | |
DIP40/PLCC84 specialized adapter for Intel devices with open top socket. |   | |
DIP40/PLCC84 specialized adapter for Intel devices with clam shell socket. |   | |
DIP40/PLCC84 specialized adapter for Intel devices with open top socket. |   | |
DIP40/PLCC84 specialized adapter for Intel devices with clam shell socket. |   | |
DIP40/PLCC84 specialized adapter for Microchip PIC devices with open top socket. |   | |
DIP40/PLCC84 specialized adapter for Microchip PIC devices with clam shell socket. |   | |
DIP8/PR35 специализированный адаптер для микросхем фирмы Dallas. |   | |
DIP40/QFP100 специализированный адаптер для микросхем фирмы Altera. |   | |
DIP40/QFP100 специализированный адаптер для микросхем фирмы Altera. |   | |
DIP40/QFP100 специализированный адаптер для микроконтроллеров семейства AVR фирмы Atmel. |   | |
DIP40/QFP100 специализированный адаптер для микроконтроллеров фирмы Cypress. Размеры корпуса: 14.0 x 14.0 x 1.0 мм, (корпус с выводами -16.0 x 16.0 мм), 0.5 мм шаг. |   | |
DIP40/QFP100 специализированный адаптер для микроконтроллеров семейства EFM32 фирмы Energy Micro. Размеры корпуса: 14.0 x 14.0 x 1.0 мм, (корпус с выводами -16.0 x 16.0 мм), 0.5 мм шаг. |   | |
DIP40/QFP100 специализированный адаптер для микросхем фирмы Hitachi. |   | |
DIP40/QFP100 специализированный адаптер для микроконтроллеров MC9S12xxx фирмы Motorola/Freescale.Размеры корпуса: 14.0 x 14.0 x 1.0 мм, (корпус с выводами -16.0 x 16.0 мм), 0.5 мм шаг. |   | |
DIP42/QFP100 специализированный адаптер для микроконтроллеров MC9S12xxx фирмы Motorola/Freescale.Размеры корпуса: 14.0 x 14.0 x 1.0 мм, (корпус с выводами -16.0 x 16.0 мм), 0.5 мм шаг. |   | |
DIP28/QFP100 специализированный адаптер для микроконтроллеров фирмы TI/Luminary. Размеры корпуса: 14.0 x 14.0 x 1.0 мм, (корпус с выводами -16.0 x 16.0 мм), 0.5 мм шаг. |   | |
DIP40/QFP100 специализированный адаптер для микроконтроллеров фирмы NXP/Phlips. Размеры корпуса: 14.0 x 14.0 x 1.0 мм, (корпус с выводами -16.0 x 16.0 мм), 0.5 мм шаг. |   | |
DIP40/QFP100 специализированный адаптер для микроконтроллеров фирмы NXP/Phlips. Размеры корпуса: 14.0 x 14.0 x 1.0 мм, (корпус с выводами -16.0 x 16.0 мм), 0.5 мм шаг. |   | |
DIP40/QFP100 специализированный адаптер для микросхем фирмы Altera. |   | |
DIP40/QFP100 специализированный адаптер для микроконтроллеров фирмы Fujitsu. Размеры корпуса: 14.0 x 14.0 x 1.0 мм, (корпус с выводами -16.0 x 16.0 мм), 0.5 мм шаг. |   | |
DIP40/QFP100 специализированный адаптер для микроконтроллеров фирмы TI. Размеры корпуса: 14.0 x 14.0 x 1.0 мм, (корпус с выводами -16.0 x 16.0 мм), 0.5 мм шаг. |   | |
DIP40/QFP100 специализированный адаптер для микроконтроллеров фирмы NEC. Размеры корпуса: 14.0 x 14.0 x 1.0 мм, (корпус с выводами -16.0 x 16.0 мм), 0.5 мм шаг. |   | |
DIP40/QFP100 специализированный адаптер для микроконтроллеров фирмы Cypress. Размеры корпуса: 14.0 x 14.0 x 1.0 мм, (корпус с выводами -16.0 x 16.0 мм), 0.5 мм шаг. |   | |
DIP40/QFP100 специализированный адаптер для микроконтроллеров фирмы Sensory. Размеры корпуса: 14.0 x 14.0 x 1.0 мм, (корпус с выводами -16.0 x 16.0 мм), 0.5 мм шаг. |   | |
DIP40/QFP100 специализированный адаптер для микроконтроллеров фирмы Atmel. Размеры корпуса: 14.0 x 14.0 x 1.0 мм, (корпус с выводами -16.0 x 16.0 мм), 0.5 мм шаг. |   | |
DIP40/QFP100 специализированный адаптер для микроконтроллеров фирмы Atmel. Размеры корпуса: 14.0 x 14.0 x 1.0 мм, (корпус с выводами -16.0 x 16.0 мм), 0.5 мм шаг. |   | |
DIP40/QFP100 specialized adapter for Silabs/Cygnal microcontrollers. |   | |
DIP28/QFP100 specialized adapter for STMicroelectronics devices. |   | |
DIP40/QFP100 специализированный адаптер для микроконтроллеров семейства STM32 фирмы STMicro. Размеры корпуса: 14.0 x 14.0 x 1.0 мм, (корпус с выводами -16.0 x 16.0 мм), 0.5 мм шаг. |   | |
DIP40/QFP100 специализированный адаптер для микроконтроллеров фирмы Nuvoton/Winbond. Размеры корпуса: 14.0 x 20.0 x 2.75 мм, (корпус с выводами -117.4 x 23.4 мм), 0.65 мм шаг. |   | |
DIP40/QFP100 specialized adapter for Xilinx devices. |   | |
DIP40/QFP100 специализированный адаптер для микроконтроллеров фирмы Atmel. Размеры корпуса: 14.0 x 14.0 x 1.0 мм, (корпус с выводами -16.0 x 16.0 мм), 0.5 мм шаг. |   | |
DIP40/QFP100 специализированный адаптер для микроконтроллеров PIC фирмы Microchip. Размеры корпуса: 14.0 x 14.0 x 1.0 мм, (корпус с выводами -16.0 x 16.0 мм), 0.5 мм шаг. |   | |
DIP40/QFP100 специализированный адаптер для микроконтроллеров PIC фирмы Microchip. Размеры корпуса: 12.0 x 12.0 x 1.4 мм, (корпус с выводами -14.0 x 14.0 мм), 0.4 мм шаг. |   | |
DIP40/QFP100 специализированный адаптер для микроконтроллеров фирмы Renesas (Mitsubishi). Размеры корпуса: 14.0 x 14.0 x 1.4 мм, (корпус с выводами -16.0 x 16.0 мм), 0.5 мм шаг. |   | |
DIP40/QFP100 специализированный адаптер для микроконтроллеров фирмы Renesas (Mitsubishi). Размеры корпуса: 14.0 x 20.0 x 2.8 мм, (корпус с выводами -16.8 x 22.8 мм), 0.65 мм шаг. |   | |
DIP40/QFP112 специализированный адаптер для микроконтроллеров фирмы Motorola/Freescale MC9S12xxx . Размеры корпуса: 20.0 x 20.0 x 1.6 мм, (корпус с выводами -22.0 x 22.0 мм), 0.65 мм шаг. |   | |
DIP40/QFP144 специализированный адаптер для микроконтроллеров фирмы Altera. Размеры корпуса: 20.0 x 20.0 x 1.4 мм, (корпус с выводами -22.0 x 22.0 мм), 0.5 мм шаг. |   | |
DIP40/QFP144 специализированный адаптер для микроконтроллеров фирмы Motorola/Freescale MC9S12xxx . Размеры корпуса: 20.0 x 20.0 x 1.4 мм, (корпус с выводами -22.0 x 22.0 мм), 0.5 мм шаг. |   | |
DIP40/QFP144 специализированный адаптер для микроконтроллеров фирмы NXP/Philips . Размеры корпуса: 20.0 x 20.0 x 1.4 мм, (корпус с выводами -22.0 x 22.0 мм), 0.5 мм шаг. |   | |
DIP40/QFP144 специализированный адаптер для микроконтроллеров фирмы NXP/Philips . Размеры корпуса: 20.0 x 20.0 x 1.4 мм, (корпус с выводами -22.0 x 22.0 мм), 0.5 мм шаг. |   | |
DIP40/QFP144 специализированный адаптер для микроконтроллеров фирмы Altera. Размеры корпуса: 20.0 x 20.0 x 1.4 мм, (корпус с выводами -22.0 x 22.0 мм), 0.5 мм шаг. |   | |
DIP40/QFP144 специализированный адаптер для микроконтроллеров фирмы NEC. Размеры корпуса: 20.0 x 20.0 x 1.4 мм, (корпус с выводами -22.0 x 22.0 мм), 0.5 мм шаг. |   | |
DIP40/QFP144 специализированный адаптер для микроконтроллеров фирмы Atmel. Размеры корпуса: 20.0 x 20.0 x 1.4 мм, (корпус с выводами -22.0 x 22.0 мм), 0.5 мм шаг. |   | |
DIP40/QFP144 специализированный адаптер для микроконтроллеров семейства STM32 фирмы STMicro. Размеры корпуса: 20.0 x 20.0 x 1.4 мм, (корпус с выводами -22.0 x 22.0 мм), 0.5 мм шаг. |   | |
DIP40/QFP176 специализированный адаптер для микроконтроллеров фирмы SST. Размеры корпуса: 20.0 x 20.0 x 1.5 мм, (корпус с выводами -22.0 x 22.0 мм), 0.4 мм шаг. |   | |
DIP28/QFP32 специализированный адаптер для микроконтроллеров фирмы Atmel. Размеры корпуса: 7.0 x 7.0 x 1.2 мм, (корпус с выводами -9.0 x 9.0 мм), 0.8 мм шаг. | Logical Systems: PA32Q1498-28D6-20 | |
DIP32/QFP32 специализированный адаптер для микроконтроллеров семейства STM8 фирмы STMicro. Размеры корпуса: 7.0 x 7.0 x 1.2 мм, (корпус с выводами -9.0 x 9.0 мм), 0.8 мм шаг. |   | |
DIP32/QFP32 специализированный адаптер для микроконтроллеров семейства STM8 фирмы STMicro. Размеры корпуса: 7.0 x 7.0 x 1.2 мм, (корпус с выводами -9.0 x 9.0 мм), 0.8 мм шаг. |   | |
DIP40/QFP32 специализированный адаптер для микроконтроллеров фирмы Semtech/Xemics. Размеры корпуса: 7.0 x 7.0 x 1.2 мм, (корпус с выводами -9.0 x 9.0 мм), 0.8 мм шаг. |   | |
DIP32/QFP32 универсальный адаптер. Размеры корпуса: 7.0 x 7.0 x 1.2 мм, (корпус с выводами -9.0 x 9.0 мм), 0.8 мм шаг. |   | |
DIP40/QFP44 специализированный адаптер для микросхем фирмы Alteral. Размеры корпуса: 10.0 x 10.0 мм, 0.8 мм шаг. |   | |
DIP40/QFP44 специализированный адаптер для микросхем фирмы Atmel. Размеры корпуса: 10.0 x 10.0 мм, 0.8 мм шаг. |   | |
DIP40/QFP44 специализированный адаптер для микросхем фирмы Atmel. Размеры корпуса: 10.0 x 10.0 мм, 0.8 мм шаг. |   | |
DIP40/QFP44 специализированный адаптер для микросхем семейства AVR фирмы Atmel. Размеры корпуса: 10.0 x 10.0 мм, 0.8 мм шаг. |   | |
DIP40/QFP44 специализированный адаптер для микросхем фирмы Atmel. Размеры корпуса: 10.0 x 10.0 мм, 0.8 мм шаг. |   | |
DIP40/QFP44 специализированный адаптер для микросхем семейства 8051 фирмы Atmel. Размеры корпуса: 10.0 x 10.0 мм, 0.8 мм шаг. |   | |
DIP40/QFP44 специализированный адаптер для микросхем фирмы NXP/Philips. Размеры корпуса: 10.0 x 10.0 мм, 0.8 мм шаг. |   | |
DIP40/QFP44 специализированный адаптер для микросхем PIC фирмы Microchip. Размеры корпуса: 10.0 x 10.0 мм, 0.8 мм шаг. |   | |
DIP40/QFP44 специализированный адаптер для микросхем PIC фирмы Microchip. Размеры корпуса: 10.0 x 10.0 мм, 0.8 мм шаг. |   | |
DIP40/QFP44 специализированный адаптер для микроконтроллеров фирмы Cypress. Размеры корпуса: 10.0 x 10.0 мм, 0.8 мм шаг. |   | |
DIP40/QFP44 специализированный адаптер для микросхем STM8 фирмы STMicro. Размеры корпуса: 10.0 x 10.0 мм, 0.8 мм шаг. |   | |
DIP40/QFP44 специализированный адаптер для микроконтроллеров фирмы Nuvoton/Winbond. Размеры корпуса: 10.0 x 10.0 мм, 0.8 мм шаг. |   | |
DIP40/QFP44 специализированный адаптер для микросхем фирмы Xilinx. Размеры корпуса: 10.0 x 10.0 мм, 0.8 мм шаг. |   | |
DIP40/QFP44 специализированный адаптер для микросхем фирмы Xilinx. Размеры корпуса: 10.0 x 10.0 мм, 0.8 мм шаг. |   | |
DIP40/QFP44 специализированный адаптер для микросхем фирмы Semtech/Xemics. Размеры корпуса: 10.0 x 10.0 мм, 0.8 мм шаг. |   | |
DIP40/QFP48 специализированный адаптер для микроконтроллеров фирмы Atmel. Размеры корпуса: 7.0 x 7.0 x 1.5 мм, (с выводами - 9.0 x 9.0), 0.5 мм шаг. |   | |
DIP40/QFP44 специализированный адаптер для микросхем PIC фирмы Microchip. Размеры корпуса: 10.0 x 10.0 мм, 0.8 мм шаг. |   | |
DIP40/QFP44 специализированный адаптер для микросхем PIC фирмы Microchip. Размеры корпуса: 10.0 x 10.0 мм, 0.8 мм шаг. |   | |
DIP44/QFP44 универсальный адаптер . Размеры корпуса: 10.0 x 10.0 мм, 0.8 мм шаг. |   | |
DIP40/QFP48 специализированный адаптер для микроконтроллеров фирмы Fujitsu. Размеры корпуса: 7.0 x 7.0 x 1.5 мм, (с выводами - 9.0 x 9.0), 0.5 мм шаг. |   | |
DIP48/QFP48 специализированный адаптер для микроконтроллеров фирмы Motorola/Freescale. Размеры корпуса: 7.0 x 7.0 x 1.5 мм, (с выводами - 9.0 x 9.0), 0.5 мм шаг. |   | |
DIP28/QFP48 специализированный адаптер для микроконтроллеров фирмы TI/Luminary. Размеры корпуса: 7.0 x 7.0 x 1.5 мм, (с выводами - 9.0 x 9.0), 0.5 мм шаг. |   | |
DIP40/QFP48 специализированный адаптер для микроконтроллеров фирмы Atmel. Размеры корпуса: 7.0 x 7.0 x 1.5 мм, (с выводами - 9.0 x 9.0), 0.5 мм шаг. |   | |
DIP40/QFP48 специализированный адаптер для микроконтроллеров фирмы STMicro. Размеры корпуса: 7.0 x 7.0 x 1.5 мм, (с выводами - 9.0 x 9.0), 0.5 мм шаг. |   | |
DIP40/QFP48 специализированный адаптер для микроконтроллеров фирмы STMicro. Размеры корпуса: 7.0 x 7.0 x 1.5 мм, (с выводами - 9.0 x 9.0), 0.5 мм шаг. |   | |
DIP40/QFP48 специализированный адаптер для микроконтроллеров фирмы STMicro. Размеры корпуса: 7.0 x 7.0 x 1.5 мм, (с выводами - 9.0 x 9.0), 0.5 мм шаг. |   | |
DIP40/QFP48 специализированный адаптер для микроконтроллеров фирмы Nuvoton/Winbond. Размеры корпуса: 7.0 x 7.0 x 1.5 мм, (с выводами - 9.0 x 9.0), 0.5 мм шаг. |   | |
DIP40/QFP48 специализированный адаптер для микроконтроллеров фирмы Nuvoton/Winbond. Размеры корпуса: 7.0 x 7.0 x 1.5 мм, (с выводами - 9.0 x 9.0), 0.5 мм шаг. |   | |
DIP40/QFP48 специализированный адаптер для микроконтроллеров фирмы Nuvoton/Winbond. Размеры корпуса: 7.0 x 7.0 x 1.5 мм, (с выводами - 9.0 x 9.0), 0.5 мм шаг. |   | |
DIP40/QFP48 специализированный адаптер для микроконтроллеров фирмы Nuvoton/Winbond. Размеры корпуса: 7.0 x 7.0 x 1.5 мм, (с выводами - 9.0 x 9.0), 0.5 мм шаг. |   | |
DIP40/QFP48 специализированный адаптер для микроконтроллеров фирмы Infineon. Размеры корпуса: 7.0 x 7.0 x 1.5 мм, (с выводами - 9.0 x 9.0), 0.5 мм шаг. |   | |
DIP40/QFP48 специализированный адаптер для микроконтроллеров семейства 8051. Размеры корпуса: 7.0 x 7.0 x 1.5 мм, (с выводами - 9.0 x 9.0), 0.5 мм шаг. |   | |
DIP48/QFP48 универсальный адаптер. Размеры корпуса: 7.0 x 7.0 x 1.5 мм, (с выводами - 9.0 x 9.0), 0.5 мм шаг. |   | |
DIP40/QFP52 специализированный адаптер для микроконтроллеров фирмы Motorola/Freescale. Размеры корпуса: 10.0 x 10.0 x 1.7 мм, (с выводами - 12.0 x 12.0), 0.65 мм шаг. |   | |
DIP28/QFP52 specialized adapter for STMicroelectronics microcontrollers. |   | |
DIP28/QFP52 specialized adapter for STMicroelectronics microcontrollers. |   | |
DIP28/QFP52 specialized adapter for STMicroelectronics microcontrollers. |   | |
DIP40/QFP64 специализированный адаптер для микроконтроллеров AVR фирмы Atmel. Размеры корпуса: 14.0 x 14.0 x 1.2 мм, (с выводами - 16.0 x 16.0), 0.8 мм шаг. |   | |
DIP40/QFP64 специализированный адаптер для микроконтроллеров фирмы Fujitsu. Размеры корпуса: 12.0 x 12.0 x 1.7 мм, (с выводами - 14.0 x 14.0), 0.65 мм шаг. |   | |
DIP40/QFP64 специализированный адаптер для микроконтроллеров фирмы Fujitsu. Размеры корпуса: 10.0 x 10.0 x 1.7 мм, (с выводами - 12.0 x 12.0), 0.5 мм шаг. |   | |
DIP40/QFP64 специализированный адаптер для микроконтроллеров фирмы Hitachi. Размеры корпуса: 10.0 x 10.0 x 1.1 мм, (с выводами - 12.0 x 12.0), 0.5 мм шаг. |   | |
DIP40/QFP64 специализированный адаптер для микроконтроллеров фирмы Motorola/Freescale. Размеры корпуса: 10.0 x 10.0 x 1.1 мм, (с выводами - 12.0 x 12.0), 0.5 мм шаг. |   | |
DIP40/QFP64 специализированный адаптер для микроконтроллеров фирмы Motorola/Freescale. Размеры корпуса: 14.0 x 14.0 x 1.2 мм, (с выводами - 16.0 x 16.0), 0.8 мм шаг. |   | |
DIP40/QFP64 специализированный адаптер для микроконтроллеров фирмы Motorola/Freescale. Размеры корпуса: 14.0 x 14.0 x 1.2 мм, (с выводами - 16.0 x 16.0), 0.8 мм шаг. |   | |
DIP40/QFP64 специализированный адаптер для микроконтроллеров фирмы Motorola/Freescale. Размеры корпуса: 10.0 x 10.0 x 1.1 мм, (с выводами - 12.0 x 12.0), 0.5 мм шаг. |   | |
DIP40/QFP64 специализированный адаптер для микроконтроллеров фирмы Motorola/Freescale. Размеры корпуса: 14.0 x 14.0 x 2.4 мм, (с выводами - 17.0 x 17.0), 0.8 мм шаг. |   | |
DIP40/QFP64 специализированный адаптер для микроконтроллеров фирмы Motorola/Freescale. Размеры корпуса: 10.0 x 10.0 x 1.1 мм, (с выводами - 12.0 x 12.0), 0.5 мм шаг. |   | |
DIP40/QFP64 специализированный адаптер для микроконтроллеров фирмы TI/Luminary. Размеры корпуса: 10.0 x 10.0 x 1.1 мм, (с выводами - 12.0 x 12.0), 0.5 мм шаг. |   | |
DIP40/QFP64 специализированный адаптер для микроконтроллеров фирмы NXP/Philips. Размеры корпуса: 10.0 x 10.0 x 1.1 мм, (с выводами - 12.0 x 12.0), 0.5 мм шаг. |   | |
DIP40/QFP64 специализированный адаптер для микроконтроллеров фирмы Maxim. Размеры корпуса: 10.0 x 10.0 x 1.1 мм, (с выводами - 12.0 x 12.0), 0.5 мм шаг. |   | |
DIP40/QFP64 специализированный адаптер для микроконтроллеров фирмы TI. Размеры корпуса: 10.0 x 10.0 x 1.1 мм, (с выводами - 12.0 x 12.0), 0.5 мм шаг. |   | |
DIP40/QFP64 специализированный адаптер для микроконтроллеров фирмы NEC. Размеры корпуса: 10.0 x 10.0 x 1.1 мм, (с выводами - 12.0 x 12.0), 0.5 мм шаг. |   | |
DIP40/QFP64 специализированный адаптер для микроконтроллеров фирмы NEC. Размеры корпуса: 14.0 x 14.0 x 1.2 мм, (с выводами - 16.0 x 16.0), 0.8 мм шаг. |   | |
DIP40/QFP64 специализированный адаптер для микроконтроллеров фирмы NEC. Размеры корпуса: 12.0x12.0, 0.65 мм шаг. |   | |
DIP40/QFP64 специализированный адаптер для микроконтроллеров фирмы NEC. Размеры корпуса: 7.0x 7.0, 0.4 мм шаг. |   | |
DIP40/QFP64 специализированный адаптер для PIC микроконтроллеров фирмы Microchip. Размеры корпуса: 10.0 x 10.0 x 1.1 мм, (с выводами - 12.0 x 12.0), 0.5 мм шаг. |   | |
DIP40/QFP64 специализированный адаптер для PIC микроконтроллеров фирмы Microchip. Размеры корпуса: 14.0 x 14.0 x 1.2 мм, (с выводами - 16.0 x 16.0), 0.8 мм шаг. |   | |
DIP40/QFP64 специализированный адаптер для микроконтроллеров фирмы Atmel. Размеры корпуса: 10.0 x 10.0 x 1.1 мм, (с выводами - 12.0 x 12.0), 0.5 мм шаг. |   | |
DIP40/QFP64 specialized adapter for Silabs/Cygnal microcontrollers. |   | |
DIP28/QFP64 specialized adapter for STMicroelectronics microcontrollers. |   | |
DIP40/QFP64 специализированный адаптер для микроконтроллеров фирмы STM. Размеры корпуса: 10.0 x 10.0 x 1.1 мм, (с выводами - 12.0 x 12.0), 0.5 мм шаг. |   | |
DIP40/QFP64 специализированный адаптер для микроконтроллеров фирмы STM. Размеры корпуса: 14.0 x 14.0 x 1.2 мм, (с выводами - 16.0 x 16.0), 0.8 мм шаг. |   | |
DIP40/QFP64 специализированный адаптер для микроконтроллеров фирмы STM. Размеры корпуса: 10.0 x 10.0 x 1.1 мм, (с выводами - 12.0 x 12.0), 0.5 мм шаг. |   | |
DIP40/QFP64 специализированный адаптер для микроконтроллеров фирмы STM. Размеры корпуса: 10.0 x 10.0 x 1.1 мм, (с выводами - 12.0 x 12.0), 0.5 мм шаг. |   | |
DIP40/QFP64 специализированный адаптер для микроконтроллеров фирмы STM. Размеры корпуса: 10.0 x 10.0 x 1.1 мм, (с выводами - 12.0 x 12.0), 0.5 мм шаг. |   | |
DIP40/QFP64 специализированный адаптер для микроконтроллеров фирмы STM. Размеры корпуса: 14.0 x 14.0 x 1.2 мм, (с выводами - 16.0 x 16.0), 0.8 мм шаг. |   | |
DIP40/QFP64 специализированный адаптер для микроконтроллеров фирмы Atmel. Размеры корпуса: 10.0 x 10.0 x 1.1 мм, (с выводами - 12.0 x 12.0), 0.5 мм шаг. |   | |
DIP40/QFP64 специализированный адаптер для микроконтроллеров фирмы Atmel. Размеры корпуса: 10.0 x 10.0 x 1.1 мм, (с выводами - 12.0 x 12.0), 0.5 мм шаг. |   | |
DIP40/QFP64 специализированный адаптер для микроконтроллеров фирмы Infineon. Размеры корпуса: 10.0 x 10.0 x 1.1 мм, (с выводами - 12.0 x 12.0), 0.5 мм шаг. |   | |
DIP40/QFP64 специализированный адаптер для микроконтроллеров фирмы Semtech/Xemics. Размеры корпуса: 10.0 x 10.0 x 1.1 мм, (с выводами - 12.0 x 12.0), 0.5 мм шаг. |   | |
DIP40/QFP64 специализированный адаптер для микроконтроллеров AVR фирмы Atmel. Размеры корпуса: 14.0 x 14.0 x 1.2 мм, (с выводами - 16.0 x 16.0), 0.8 мм шаг. |   | |
DIP40/QFP64 специализированный адаптер для PIC микроконтроллеров фирмы Microchip. Размеры корпуса: 10.0 x 10.0 x 1.1 мм, (с выводами - 12.0 x 12.0), 0.5 мм шаг. |   | |
DIP40/QFP64 специализированный адаптер для PIC микроконтроллеров фирмы Microchip. Размеры корпуса: 10.0 x 10.0 x 1.1 мм, (с выводами - 12.0 x 12.0), 0.5 мм шаг. |   | |
DIP40/QFP64 специализированный адаптер для PIC микроконтроллеров фирмы Microchip. Размеры корпуса: 10.0 x 10.0 x 1.1 мм, (с выводами - 12.0 x 12.0), 0.5 мм шаг. |   | |
DIP40/QFP64 специализированный адаптер для микроконтроллеров фирмы Philips/NXP. Размеры корпуса: 10.0 x 10.0 x 1.1 мм, (с выводами - 12.0 x 12.0), 0.5 мм шаг. |   | |
DIP40/QFP80 специализированный адаптер для 32-bit Flash памяти. |   | |
DIP40/QFP80 специализированный адаптер для микроконтроллеров фирмы Motorola/Freescale. Размеры корпуса: 12.0 x 12.0 x 1.1 мм, (с выводами - 14.0 x 14.0), 0.5 мм шаг. |   | |
DIP48/QFP80 специализированный адаптер для микроконтроллеров фирмы Motorola/Freescale. Размеры корпуса: 14.0 x 14.0 x 1.2 мм, (с выводами - 16.0 x 16.0), 0.65 мм шаг. |   | |
DIP48/QFP80 специализированный адаптер для микроконтроллеров фирмы Motorola/Freescale. Размеры корпуса: 14.0 x 14.0 x 2.3 мм, (с выводами - 17.0 x 17.0), 0.65 мм шаг. |   | |
DIP40/QFP80 специализированный адаптер для микроконтроллеров фирмы NXP/Phlips. Размеры корпуса: 12.0 x 12.0 x 1.1 мм, (корпус с выводами -14.0 x 14.0 мм), 0.5 мм шаг. |   | |
DIP40/QFP80 специализированный адаптер для микроконтроллеров фирмы TI. Размеры корпуса: 12.0 x 12.0 x 1.1 мм, (с выводами - 14.0 x 14.0), 0.5 мм шаг. |   | |
DIP40/QFP80 специализированный адаптер для микроконтроллеров PIC фирмы Microchip. Размеры корпуса: 12.0 x 12.0 x 1.1 мм, (с выводами - 14.0 x 14.0), 0.5 мм шаг. |   | |
DIP40/QFP80 специализированный адаптер для микроконтроллеров PIC фирмы Microchip. Размеры корпуса: 14.0 x 14.0 x 1.2 мм, (с выводами - 16.0 x 16.0), 0.65 мм шаг. |   | |
DIP40/QFP80 специализированный адаптер для микроконтроллеров PIC фирмы Microchip. Размеры корпуса: 12.0 x 12.0 x 1.1 мм, (с выводами - 14.0 x 14.0), 0.5 мм шаг. |   | |
DIP40/QFP80 специализированный адаптер для микроконтроллеров PIC фирмы Microchip. Размеры корпуса: 14.0 x 14.0 x 1.2 мм, (с выводами - 16.0 x 16.0), 0.65 мм шаг. |   | |
DIP28/QFP80 specialized adapter for STMicroelectronics microcontrollers. |   | |
DIP28/QFP80 specialized adapter for STMicroelectronics microcontrollers. |   | |
DIP40/QFP80 специализированный адаптер для микроконтроллеров фирмы STM. Размеры корпуса: 14.0 x 14.0 x 1.6 мм, (с выводами - 16.0 x 16.0), 0.65 мм шаг. |   | |
DIP40/QFP80 специализированный адаптер для микроконтроллеров фирмы STM. Размеры корпуса: 14.0 x 14.0 x 1.6 мм, (с выводами - 16.0 x 16.0), 0.65 мм шаг. |   | |
DIP40/QFP80 специализированный адаптер для микроконтроллеров фирмы STM. Размеры корпуса: 14.0 x 14.0 x 1.6 мм, (с выводами - 16.0 x 16.0), 0.65 мм шаг. |   | |
DIP40/QFP80 специализированный адаптер для микроконтроллеров фирмы Atmel. Размеры корпуса: 14.0 x 14.0 x 1.2 мм, (с выводами - 16.0 x 16.0), 0.65 мм шаг. |   | |
DIP40/QFP80 специализированный адаптер для микроконтроллеров PIC фирмы Microchip. Размеры корпуса: 12.0 x 12.0 x 1.1 мм, (с выводами - 14.0 x 14.0), 0.5 мм шаг. |   | |
DIP40/QFP80 специализированный адаптер для микроконтроллеров PIC фирмы Microchip. Размеры корпуса: 12.0 x 12.0 x 1.1 мм, (с выводами - 14.0 x 14.0), 0.5 мм шаг. |   | |
DIP14/QFN16 специализированный адаптер для микроконтроллеров фирмы Microchip. Размеры корпуса: 4.0 x 4.0 x 0.9 мм, 0.65 мм шаг. |   | |
DIP16/QFN16 универсальный адаптер. Размеры корпуса: 4.0 x 4.0 x 0.9 мм, 0.65 мм шаг. |   | |
DIP8/QFN20 специализированный адаптер для микроконтроллеров фирмы Atmel. Размеры корпуса: 4.0 x 4.0 x 0.9 мм, 0.5 мм шаг. |   | |
DIP20/QFN20 специализированный адаптер для микроконтроллеров фирмы Atmel. Размеры корпуса: 4.0 x 4.0 x 0.9 мм, 0.5 мм шаг. |   | |
DIP20/QFN20 специализированный адаптер для микроконтроллеров фирмы Microchip. Размеры корпуса: 4.0 x 4.0 x 0.9 мм, 0.5 мм шаг. |   | |
DIP20/QFN20 универсальный адаптер. Размеры корпуса: 4.0 x 4.0 x 0.9 мм, 0.5 мм шаг. |   | |
DIP24/QFN24 универсальный адаптер. Размеры корпуса: 4.0 x 4.0 x 0.9 мм, 0.5 мм шаг. |   | |
DIP28/QFN28 специализированный адаптер для микроконтроллеров фирмы Atmel. Размеры корпуса: 4.0 x 4.0 мм, 0.45 мм шаг. |   | |
DIP28/QFN28 специализированный адаптер для микроконтроллеров фирмы Microchip. Размеры корпуса: 6.0 x 6.0 x 0.9 мм, 0.65 мм шаг. |   | |
DIP28/QFN28 универсальный адаптер. Размеры корпуса: 6.0 x 6.0 x 0.9 мм, 0.65 мм шаг. |   | |
DIP28/QFN32 специализированный адаптер для микроконтроллеров фирмы Atmel. Размеры корпуса: 5.0 x 5.0 x 1.0 мм, 0.5 мм шаг. | Emulation Technology: AS-32-28-01ML-3 | |
DIP32/QFN32 специализированный адаптер для микроконтроллеров фирмы Atmel. Размеры корпуса: 7.0 x 7.0 x 1.0 мм, 0.65 мм шаг. |   | |
DIP20/QFN32 специализированный адаптер для микроконтроллеров фирмы Atmel. Размеры корпуса: 5.0 x 5.0 x 1.0 мм, 0.5 мм шаг. |   | |
DIP24/QFN32 специализированный адаптер для микроконтроллеров фирмы Atmel. Размеры корпуса: 7.0 x 7.0 x 1.0 мм, 0.65 мм шаг. |   | |
DIP32/QFN32 специализированный адаптер для микроконтроллеров фирмы STMicro. Размеры корпуса: 5.0 x 5.0 x 1.0 мм, 0.5 мм шаг. |   | |
DIP32/QFN32 специализированный адаптер для микроконтроллеров фирмы STMicro. Размеры корпуса: 5.0 x 5.0 x 1.0 мм, 0.5 мм шаг. |   | |
DIP32/QFN32 универсальный адаптер. Размеры корпуса: 7.0 x 7.0 x 1.0 мм, 0.65 мм шаг. |   | |
DIP32/QFN32 универсальный адаптер. Размеры корпуса: 5.0 x 5.0 x 0.8-0.9 мм, 0.5 мм шаг. |   | |
DIP40/QFN40 универсальный адаптер. Размеры корпуса: 6.0 x 6.0 x 0.75 мм, 0.5 мм шаг. |   | |
DIP40/QFN44 специализированный адаптер для AVR микроконтроллеров фирмы Atmel. Размеры корпуса: 7.0 x 7.0 x 1.0 мм, 0.5 мм шаг. |   | |
DIP40/QFN44 специализированный адаптер для AVR микроконтроллеров фирмы Atmel. Размеры корпуса: 7.0 x 7.0 x 1.0 мм, 0.5 мм шаг. |   | |
DIP40/QFN44 специализированный адаптер для AVR микроконтроллеров фирмы Atmel. Размеры корпуса: 7.0 x 7.0 x 0.9 мм, 0.5 мм шаг. |   | |
DIP40/QFN44 специализированный адаптер для микроконтроллеров фирмы Microchip. Размеры корпуса: 8.0 x 8.0 x 0.9 мм, 0.65 мм шаг. |   | |
DIP40/QFN44 специализированный адаптер для микроконтроллеров фирмы Microchip. Размеры корпуса: 8.0 x 8.0 x 0.9 мм, 0.65 мм шаг. |   | |
DIP40/QFN44 специализированный адаптер для микроконтроллеров фирмы Microchip. Размеры корпуса: 8.0 x 8.0 x 0.9 мм, 0.65 мм шаг. |   | |
DIP40/QFN48 специализированный адаптер для микроконтроллеров Cypress POSC1. Размеры корпуса: 7.0 x 7.0 x 1.0 мм, 0.5 мм шаг. |   | |
DIP40/QFN48 специализированный адаптер для микроконтроллеров фирмы Atmel. . Размеры корпуса: 7.0 x 7.0 x 1.0 мм, 0.5 мм шаг. |   | |
DIP40/QFN48 специализированный адаптер для микроконтроллеров фирмы STMicro. . Размеры корпуса: 7.0 x 7.0 x 1.0 мм, 0.5 мм шаг. |   | |
DIP40/QFN48 специализированный адаптер для микроконтроллеров фирмы STMicro. . Размеры корпуса: 7.0 x 7.0 x 1.0 мм, 0.5 мм шаг. |   | |
DIP40/QFN48 специализированный адаптер для микроконтроллеров фирмы STMicro. . Размеры корпуса: 7.0 x 7.0 x 1.0 мм, 0.5 мм шаг. |   | |
DIP40/QFN48 специализированный адаптер для микроконтроллеров фирмы STMicro. . Размеры корпуса: 7.0 x 7.0 x 1.0 мм, 0.5 мм шаг. |   | |
DIP48/QFN48 универсальный адаптер. Размеры корпуса: 7.0 x 7.0 x 1.0 мм, 0.5 мм шаг. |   | |
DIP40/QFN64 специализированный адаптер для микроконтроллеров фирмы Atmel. Размеры корпуса: 9.0 x 9.0 x 0.9 мм, 0.5 мм шаг. |   | |
DIP40/QFN64 специализированный адаптер для микроконтроллеров фирмы Atmel. Размеры корпуса: 9.0 x 9.0 x 0.9 мм, 0.5 мм шаг. |   | |
DIP40/QFN64 специализированный адаптер для микроконтроллеров фирмы Energy Micro. . Размеры корпуса: 9.0 x 9.0 x 1.0 мм, 0.5 мм шаг. |   | |
DIP40/QFN64 специализированный адаптер для микроконтроллеров фирмы TI. Размеры корпуса: 9.0 x 9.0 x 0.9 мм, 0.5 мм шаг. |   | |
DIP40/QFN64 специализированный адаптер для микроконтроллеров фирмы Atmel. Размеры корпуса: 9.0 x 9.0 x 0.9 мм, 0.5 мм шаг. |   | |
DIP40/QFN64 специализированный адаптер для микроконтроллеров фирмы Atmel. Размеры корпуса: 9.0 x 9.0 x 0.9 мм, 0.5 мм шаг. |   | |
DIP40/QFN68 специализированный адаптер для микроконтроллеров фирмы Cypress. Размеры корпуса: 8.0 x 8.0 x 0.9 мм, 0.4 мм шаг. |   | |
DIP28/SOIC28 специализированный адаптер для микросхем памяти серии 25xxx. Размеры корпуса: ширина - 7.65 мм (300mil), 1.27мм шаг. |   | |
DIP28/SOIC28 универсальный адаптер. Размеры корпуса микросхемы: ширина - 7.65 мм (300mil), 1.27мм шаг. | Logical Systems: PA28SO1-08-3 | |
DIP20/SOIC20 специализированный адаптер для микросхем памяти серии 25xxx. Размеры корпуса: ширина - 5.3 мм (208mil), 1.27мм шаг. |   | |
DIP28/SOIC20 specialized adapter for STMicroelectronics STM8 family. |   | |
DIP20/SOIC20 универсальный адаптер. Размеры корпуса микросхемы: ширина - 5.3 мм (208mil), 1.27мм шаг. |   | |
DIP28/SOIC28 универсальный адаптер. Размеры корпуса микросхемы: ширина - 8.7 мм (330mil), 1.27мм шаг. | Logical Systems: PA28SO1-06-3 | |
DIP32/SOIC32 универсальный адаптер. Размеры корпуса микросхемы: ширина - 7.5 мм (300mil), 1.27мм шаг. |   | |
DIP16/SOIC16 специализированный адаптер для микросхем памяти серии 25xxx. Размеры корпуса: ширина - 5.3 мм (208mil), 1.27мм шаг. |   | |
DIP16/SOIC16 специализированный адаптер для микросхем памяти серии 45xxx. Размеры корпуса: ширина - 5.3 мм (208mil), 1.27мм шаг. |   | |
DIP16/SOIC16 специализированный адаптер для микросхем памяти серии 25xxx. Размеры корпуса: ширина - 3.9 мм (150mil), 1.27мм шаг. |   | |
DIP16/SOIC16 специализированный адаптер для микросхем памяти серии 45xxx. Размеры корпуса: ширина - 3.9 мм (150mil), 1.27мм шаг. |   | |
DIP16/SOIC16 специализированный адаптер для микросхем памяти серии 25xxx. Размеры корпуса: ширина - 4.4 мм (173mil), 1.27мм шаг. |   | |
DIP16/SOIC16 специализированный адаптер для микросхем памяти серии 45xxx. Размеры корпуса: ширина - 4.4 мм (173mil), 1.27мм шаг. |   | |
DIP16/SOIC16 универсальный адаптер. Размеры корпуса микросхемы: ширина - 5.3 мм (208mil), 1.27мм шаг. | Logical Systems: PA16SO1-2006-3 | |
DIP16/SOIC16 универсальный адаптер. Размеры корпуса микросхемы: ширина - 3.9 мм (150mil), 1.27мм шаг. | Logical Systems: PA16S01-03-03 | |
DIP16/SOIC16 универсальный адаптер. Размеры корпуса микросхемы: ширина - 4.4 мм (173mil), 1.27мм шаг. |   | |
DIP28/SDIP42 specialized adapter. |   | |
DIP42/SDIP42 universal shrink DIP adapter. |   | |
DIP40/SDIP56 specialized adapter. |   | |
DIP40/SDIP56 specialized adapter for Motorola/Freescale microcontrollers. |   | |
DIP28/SDIP56 specialized adapter for STMicroelectronics microcontrollers. |   | |
DIP40/SO44 specialized adapter for FLASH memory. |   | |
DIP44/SO44 universal adapter. | Logical Systems: PA44S01-OT | |
DIP8/SOT-23-6 specialized adapter for 24XXX serial FLASH. |   | |
DIP8/SOT-23-6 specialized adapter for 93XXX serial FLASH. |   | |
DIP8/SOT-23-6 specialized adapter for Microchip PIC. |   | |
DIP6/SOT-23-6 universal adapter. |   | |
DIP28/TSSOP20 specialized adapter for STMicroelectronics STM8 family. |   | |
DIP18/SSOP20 specialized adapter for Microchip PIC. | Logical Systems: PA20SS-BP54 | |
DIP28/SSOP28 specialized adapter for Microchip PIC. | Logical Systems: PA28SS-P55 | |
DIP28/SSOP28 universal adapter. | Logical Systems: PA28SS-OT-3 | |
DIP28/SSOP28 universal adapter. | Logical Systems: PA28TSS-OT-3 | |
DIP28/SSOP28 universal adapter. |   | |
DIP30/SSOP30 universal adapter. |   | |
DIP38/SSOP38 universal adapter. |   | |
DIP8/SSOP8 universal adapter. |   | |
DIP40/SSOP48 adapter for microcontrollers Cypress PSoC1. |   | |
DIP48/SSOP48 universal adapter. |   | |
DIP40/SSOP56 specialized adapter for FLASH memory. |   | |
DIP40/SSOP56 specialized adapter for FLASH memory. |   | |
DIP40/SSOP56 specialized adapter for FLASH memory. |   | |
DIP40/SSOP56 specialized adapter for FLASH memory. |   | |
DIP40/QFP44 specialized adapter for Atmel AVR devices. |   | |
DIP40/QFP44 specialized adapter for Atmel devices. |   | |
DIP40/QFP44 specialized adapter for microcontrollers. | Logical Systems: PA51-QD-03 | |
DIP40/QFP44 specialized adapter for microcontrollers. |   | |
DIP40/QFP44 specialized adapter for Microchip PIC devices. | Logical Systems: PA16C64-QD-03 | |
DIP40/QFP44 specialized adapter for Microchip PIC devices. | Logical Systems: PA1742-QD-03 | |
DIP28/TSOP28 specialized adapter for Flash memory. | Logical Systems: PA28TSOP3 | |
DIP28/TSOP28 specialized adapter for Atmel AT45xx devices. |   | |
DIP32/TSOP32 specialized adapter for Flash memory. | Logical Systems: PA32TS14-OT | |
DIP32/TSOP32 specialized adapter. |   | |
DIP32/TSOP32 specialized adapter for Flash memory. | Logical Systems: PA32TS20-OT | |
DIP40/TSOP40 universal adapter. |   | |
DIP40/TSOP40 specialized adapter. |   | |
DIP40/TSOP40 specialized adapter. |   | |
DIP40/TSOP40 universal adapter. | Logical Systems: PA40TS20-1OT | |
DIP40/TSOP40 specialized adapter. |   | |
DIP40/TSOP40 specialized adapter. |   | |
DIP40/TSOP40 specialized adapter. |   | |
DIP40/TSOP-II-44 specialized adapter. |   | |
DIP40/TSOP48 specialized adapter. |   | |
DIP40/TSOP48 specialized adapter. |   | |
DIP40/TSOP48 specialized adapter. |   | |
DIP40/TSOP48 specialized adapter. |   | |
DIP40/TSOP48 specialized adapter. |   | |
DIP40/TSOP48 specialized adapter for NAND Flash devices. |   | |
DIP40/TSOP48 specialized adapter for NAND Flash devices. |   | |
DIP48/TSOP48 universal adapter. | Logical Systems: PA48TS20-1OT | |
DIP40/TSOP56 specialized adapter for FLASH memory. |   | |
DIP40/TSOP56 specialized adapter for FLASH memory. |   | |
DIP40/TSOP56 specialized adapter for FLASH memory. |   | |
DIP40/TSOP56 specialized adapter for FLASH memory. |   | |
DIP40/TSOP56 specialized adapter for FLASH memory. |   | |
DIP16/SOIC16 универсальный адаптер. Размеры корпуса микросхемы: ширина - 3.76 mm, 1.27мм шаг. |   | |
DIP8/WS8 specialized adapter for 25xx serial EEPROM, FLASH memory. |   | |
DIP8/WS8 specialized adapter for 25xx serial EEPROM, FLASH memory. |   | |
DIP8/WS8 specialized adapter for 25xx serial EEPROM, FLASH memory. |   | |
DIP8/WS8 specialized adapter for 25xx serial EEPROM, FLASH memory. |   | |
DIP8/WS8 specialized adapter for Atmel AT45xx Data Flash memory. |   | |
DIP8/WS8 specialized adapter for Atmel AT45xx Data Flash memory. |   | |
DIP8/WSON8 universal adapter. |   | |
DIP8/WSON8 universal adapter. |   | |
DIP8/WSON8 universal adapter. |   | |
DIP8/WSON8 universal adapter. |   | |
ChipProg-ISP BH14/BH20 specialized adapter for in system programming of ARM microcontrollers . |   | |
Standard ISP cable for ChipProg-ISP programmer. |   | |
ChipProg-ISP BH14/BH10 specialized adapter for in system programming of Altera EPM300A PLD family . |   | |
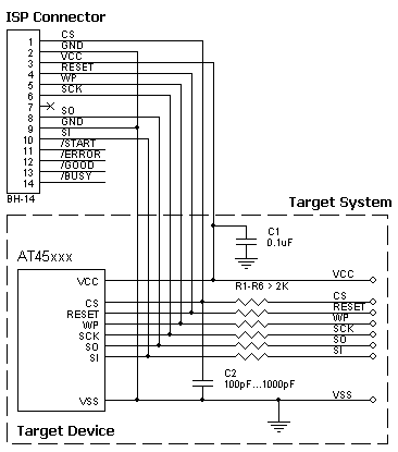
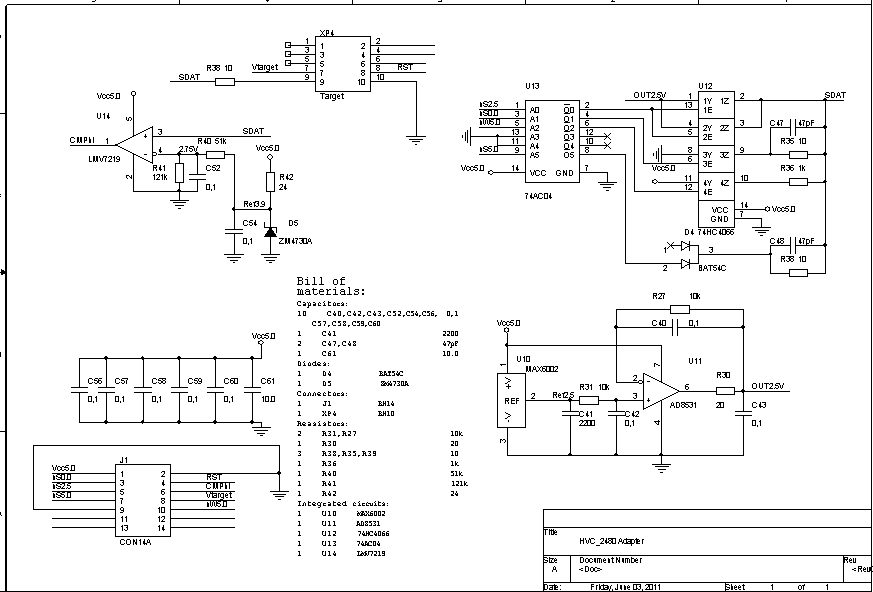
ChipProg-ISP BH14/BH10 specialized adapter for in system programming of Micronas HVC 2480. |   | |
ChipProg-ISP BH14/BH14 specialized adapter for in system programming of Motorola/Freescale microcontrollers |   | |
ChipProg-ISP BH14/BH14 specialized adapter for in system programming of TI MSP430 microcontrollers in JTAG and SBW modes. |   | |
ChipProg-ISP BH14/BH16 specialized adapter for in system programming of NEC microcontrollers . |   | |
ChipProg-ISP BH14/BH10 specialized adapter for in system programming of STMicroelectronic ST7 microcontroller family . |   | |
COP8-PGMA адаптеры поставляются фирмой National Semiconductor www.national.com. |   | |
COP8-PGMA адаптеры поставляются фирмой National Semiconductor www.national.com. |   | |
COP8-PGMA адаптеры поставляются фирмой National Semiconductor www.national.com. |   | |
COP8-PGMA адаптеры поставляются фирмой National Semiconductor www.national.com. |   | |
COP8-PGMA адаптеры поставляются фирмой National Semiconductor www.national.com. |   | |
COP8-PGMA адаптеры поставляются фирмой National Semiconductor www.national.com. |   | |
COP8-PGMA адаптеры поставляются фирмой National Semiconductor www.national.com. |   | |
COP8-PGMA адаптеры поставляются фирмой National Semiconductor www.national.com. |   | |
DIP40/PLCC44 specialized adapter for Xilinx devices with open top socket. |   | |
DIP40/PLCC84 specialized adapter for Xilinx devices with open top socket. |   | |
. |   | |
DIP40/M48 specialized adapter |   | |
DIP40/M88 specialized adapter for NIIET 1874BE86T microcontroller. |   | |
DIP40/M88 specialized adapter for NIIET 1874BE76T microcontroller. |   | |
. |   | |
. |   | |
. |   |
| Адаптер | Описание | Аналоги |
DIP20/PLCC20 universal adapter with open top socket. | Logical Systems: PA20-20-1PD3 | |
DIP20/PLCC20 universal adapter with clam shell socket. | Logical Systems: PA20-20-1PZ3 | |
DIP28/PLCC28 universal adapter with open top socket. | Logical Systems: PA28-28 | |
DIP28/PLCC28 universal adapter with clam shell socket. | Logical Systems: PA28-28(Z) | |
DIP32/PLCC32 universal adapter with open top socket. | Logical Systems: PA32-32 | |
DIP32/PLCC32 universal adapter with clam shell socket. | Logical Systems: PA32-32Z | |
DIP44/PLCC44 universal adapter with open top socket. | Logical Systems: PA44-PD | |
DIP44/PLCC44 universal adapter with clam shell socket. | Logical Systems: PA44-PDZ | |
DIP32/QFP32 универсальный адаптер. Размеры корпуса: 7.0 x 7.0 x 1.2 мм, (корпус с выводами -9.0 x 9.0 мм), 0.8 мм шаг. |   | |
DIP44/QFP44 универсальный адаптер . Размеры корпуса: 10.0 x 10.0 мм, 0.8 мм шаг. |   | |
DIP48/QFP48 универсальный адаптер. Размеры корпуса: 7.0 x 7.0 x 1.5 мм, (с выводами - 9.0 x 9.0), 0.5 мм шаг. |   | |
DIP16/QFN16 универсальный адаптер. Размеры корпуса: 4.0 x 4.0 x 0.9 мм, 0.65 мм шаг. |   | |
DIP20/QFN20 универсальный адаптер. Размеры корпуса: 4.0 x 4.0 x 0.9 мм, 0.5 мм шаг. |   | |
DIP24/QFN24 универсальный адаптер. Размеры корпуса: 4.0 x 4.0 x 0.9 мм, 0.5 мм шаг. |   | |
DIP28/QFN28 универсальный адаптер. Размеры корпуса: 6.0 x 6.0 x 0.9 мм, 0.65 мм шаг. |   | |
DIP32/QFN32 универсальный адаптер. Размеры корпуса: 7.0 x 7.0 x 1.0 мм, 0.65 мм шаг. |   | |
DIP32/QFN32 универсальный адаптер. Размеры корпуса: 5.0 x 5.0 x 0.8-0.9 мм, 0.5 мм шаг. |   | |
DIP40/QFN40 универсальный адаптер. Размеры корпуса: 6.0 x 6.0 x 0.75 мм, 0.5 мм шаг. |   | |
DIP48/QFN48 универсальный адаптер. Размеры корпуса: 7.0 x 7.0 x 1.0 мм, 0.5 мм шаг. |   | |
DIP28/SOIC28 универсальный адаптер. Размеры корпуса микросхемы: ширина - 7.65 мм (300mil), 1.27мм шаг. | Logical Systems: PA28SO1-08-3 | |
DIP20/SOIC20 универсальный адаптер. Размеры корпуса микросхемы: ширина - 5.3 мм (208mil), 1.27мм шаг. |   | |
DIP28/SOIC28 универсальный адаптер. Размеры корпуса микросхемы: ширина - 8.7 мм (330mil), 1.27мм шаг. | Logical Systems: PA28SO1-06-3 | |
DIP32/SOIC32 универсальный адаптер. Размеры корпуса микросхемы: ширина - 7.5 мм (300mil), 1.27мм шаг. |   | |
DIP16/SOIC16 универсальный адаптер. Размеры корпуса микросхемы: ширина - 5.3 мм (208mil), 1.27мм шаг. | Logical Systems: PA16SO1-2006-3 | |
DIP16/SOIC16 универсальный адаптер. Размеры корпуса микросхемы: ширина - 3.9 мм (150mil), 1.27мм шаг. | Logical Systems: PA16S01-03-03 | |
DIP16/SOIC16 универсальный адаптер. Размеры корпуса микросхемы: ширина - 4.4 мм (173mil), 1.27мм шаг. |   | |
DIP42/SDIP42 universal shrink DIP adapter. |   | |
DIP44/SO44 universal adapter. | Logical Systems: PA44S01-OT | |
DIP6/SOT-23-6 universal adapter. |   | |
DIP28/SSOP28 universal adapter. | Logical Systems: PA28TSS-OT-3 | |
DIP28/SSOP28 universal adapter. |   | |
DIP30/SSOP30 universal adapter. |   | |
DIP38/SSOP38 universal adapter. |   | |
DIP8/SSOP8 universal adapter. |   | |
DIP48/SSOP48 universal adapter. |   | |
DIP40/TSOP40 universal adapter. |   | |
DIP40/TSOP40 universal adapter. | Logical Systems: PA40TS20-1OT | |
DIP48/TSOP48 universal adapter. | Logical Systems: PA48TS20-1OT | |
DIP16/SOIC16 универсальный адаптер. Размеры корпуса микросхемы: ширина - 3.76 mm, 1.27мм шаг. |   | |
DIP8/WSON8 universal adapter. |   | |
DIP8/WSON8 universal adapter. |   | |
DIP8/WSON8 universal adapter. |   | |
DIP8/WSON8 universal adapter. |   | |
Standard ISP cable for ChipProg-ISP programmer. |   |
| Адаптер | Описание | Аналоги |
| AE-B24-25XX | DIP40/BGA24 специализированный адаптер для FLASH памяти 25 серии. |   |
DIP40/BGA48 специализированный адаптер для FLASH памяти. |   | |
DIP40/BGA48 специализированный адаптер для FLASH памяти. |   | |
DIP40/BGA48 специализированный адаптер для FLASH памяти. |   | |
DIP40/BGA48 специализированный адаптер для FLASH памяти. |   | |
DIP40/BGA48 специализированный адаптер для FLASH памяти. |   | |
DIP40/BGA48 специализированный адаптер для FLASH памяти. |   | |
DIP32/BGA48 специализированный адаптер для FLASH памяти. |   | |
DIP48/BGA48 специализированный адаптер для FLASH памяти. |   | |
DIP48/BGA48 специализированный адаптер для FLASH памяти. |   | |
DIP48/BGA48 специализированный адаптер для FLASH памяти. |   | |
DIP48/BGA48 специализированный адаптер для FLASH памяти. |   | |
DIP40/BGA55 специализированный адаптер для NAND FLASH памяти. |   | |
DIP40/BGA55 специализированный адаптер для NAND FLASH памяти. |   | |
DIP40/BGA56 специализированный адаптер для FLASH памяти. |   | |
DIP40/BGA64 специализированный адаптер для FLASH памяти. |   | |
DIP40/BGA64 специализированный адаптер для FLASH памяти. |   | |
DIP40/BGA64 специализированный адаптер для FLASH памяти. |   | |
DIP40/BGA64 специализированный адаптер для FLASH памяти. |   | |
DIP40/BGA64 специализированный адаптер для FLASH памяти. |   | |
DIP40/BGA64 специализированный адаптер для FLASH памяти. |   | |
DIP40/BGA64 специализированный адаптер для FLASH памяти. |   | |
DIP40/BGA64 специализированный адаптер для FLASH памяти. |   | |
DIP40/BGA64 специализированный адаптер для FLASH памяти. |   | |
DIP40/BGA64 специализированный адаптер для FLASH памяти. |   | |
DIP40/BGA84 специализированный адаптер для FLASH памяти. |   | |
DIP40/BGA84 специализированный адаптер для FLASH памяти. |   | |
DIP40/BGA88 специализированный адаптер для FLASH памяти. |   | |
DIP32/DIP28 специализированный адаптер для EPROM/FLASH памяти. |   | |
DIP40/DIP48 специализированный адаптер для EPROM/FLASH памяти. |   | |
DIP40/DIP48 специализированный адаптер для EPROM/FLASH памяти. |   | |
DIP28/BH20 специализированный адаптер для программирования микроконтроллеров ARM/Cortex в устройстве пользователя. |   | |
DIP28/BH16 специализированный адаптер для программирования микроконтроллеров семейства MSP430 в устройстве пользователя с помощью JTAG интерфейса. |   | |
DIP28/BH16 специализированный адаптер для программирования микроконтроллеров фирмы NEC в устройстве пользователя. |   | |
DIP28/BH10 специализированный адаптер для программирования микроконтроллеров семейства ST7 и ST8 в устройстве пользователя. |   | |
DIP28/BH10 универсальный адаптер для программирования микрокосхем в устройстве пользователя. |   | |
DIP28/BH10 универсальный адаптер для программирования микрокосхем в устройстве пользователя. |   | |
DIP40/M42 специализированный адаптер для микросхемы памяти 1636PP1 фирмы Milandr . |   | |
DIP32/M42 специализированный адаптер для микросхемы памяти 1638PP1 фирмы Angstrem. |   | |
DIP40/QFP44 specialized adapter for Microchip PIC devices. |   | |
DIP40/M48 специализированный адаптер для микросхемы памяти 1636PP2 фирмы Milandr . |   | |
DIP40/M88 специализированный адаптер для микроконтроллера 1874BE76T фирмы НИИЭТ. |   | |
DIP40/M88 специализированный адаптер для микроконтроллера 1874BE86T фирмы НИИЭТ. |   | |
DIP28/MLF28 специализированный адаптер для микроконтроллеров PIC фирмы Microchip в MLF/QFN корпусах. | Emulation Technology: AS028-28-02ML-6 | |
DIP28/PLCC32 specialized adapter for EPROM/FLASH with open top socket. | Logical Systems: PA32-28 | |
DIP28/PLCC32 specialized adapter for EPROM/FLASH with clam shell socket. | Logical Systems: PA32-28Z | |
DIP32/PLCC32 specialized adapter for EPROM/FLASH with open top socket. |   | |
DIP32/PLCC32 specialized adapter for EPROM/FLASH with clam shell socket. |   | |
DIP32/PLCC32 specialized adapter for EPROM/FLASH with open top socket. |   | |
DIP32/PLCC32 specialized adapter for EPROM/FLASH with clam shell socket. |   | |
DIP40/PLCC44 specialized adapter for EPROM/FLASH with open top socket. | Logical Systems: PA280-44 | |
DIP40/PLCC44 specialized adapter for EPROM/FLASH with clam shell socket. | Logical Systems: PA280-44Z | |
DIP40/PLCC44 specialized adapter for Altera EPMxxx devices with open top socket. |   | |
DIP40/PLCC44 specialized adapter for Altera EPMxxx devices with clam shell socket. |   | |
DIP20/PLCC44 specialized adapter for Atmel AT17xxx devices with open top socket. |   | |
DIP20/PLCC44 specialized adapter for Atmel AT17xxx devices with clam shell socket. |   | |
DIP20/PLCC44 specialized adapter for Atmel AT17xxx devices with open top socket. |   | |
DIP20/PLCC44 specialized adapter for Atmel AT17xxx devices with clam shell socket. |   | |
DIP40/PLCC44 specialized adapter for Atmel AVR devices with open top socket. | Logical Systems: PA44-40-30-PD | |
DIP40/PLCC44 specialized adapter for Atmel AVR devices with clam shellsocket. |   | |
DIP40/PLCC44 specialized adapter for Atmel ATF1500 devices with open top socket. |   | |
DIP40/PLCC44 specialized adapter for Atmel ATF2500 devices with open top socket. |   | |
DIP40/PLCC44 specialized adapter for Atmel ATF2500 devices with clam shell socket. |   | |
DIP40/PLCC44 specialized adapter with open top socket. |   | |
DIP40/PLCC44 specialized adapter with clam shell socket. |   | |
DIP40/PLCC44 specialized adapter for 8051 family microcontrollers with open top socket. |   | |
DIP40/PLCC44 specialized adapter for 8051 family microcontrollers with clam shell socket. |   | |
DIP40/PLCC44 specialized adapter for Philips/NXP microcontrollers with open top socket. |   | |
DIP40/PLCC44 specialized adapter for Philips/NXP microcontrollers with clam shell socket. |   | |
DIP28/PLCC44 specialized adapter for Philips/NXP microcontrollers with open top socket. |   | |
DIP28/PLCC44 specialized adapter for Philips/NXP microcontrollers with clam shell socket. |   | |
DIP40/PLCC44 specialized adapter PLD devices with open top socket. |   | |
DIP40/PLCC44 specialized adapter PLD devices with clam shell socket. |   | |
DIP40/PLCC44 specialized adapter with open top socket. | Logical Systems: PA51CC-PD | |
DIP40/PLCC44 specialized adapter with clam shell socket. |   | |
DIP40/PLCC44 specialized adapter with open top socket. |   | |
DIP40/PLCC44 specialized adapter with clam shell socket. |   | |
DIP40/PLCC44 specialized adapter with open top socket. |   | |
DIP40/PLCC44 specialized adapter with clam shell socket. |   | |
DIP40/PLCC44 specialized adapter for Nuvoton/Winbond microcontrollers with open top socket. |   | |
DIP40/PLCC44 specialized adapter for Nuvoton/Winbond microcontrollers with open top socket. |   | |
DIP40/PLCC44 specialized adapter for Nuvoton/Winbond microcontrollers with clam shell socket. |   | |
DIP40/PLCC44 specialized adapter for Nuvoton/Winbond microcontrollers with clam shell socket. |   | |
DIP20/PLCC44 specialized adapter for Xilinx devices with open top socket. |   | |
DIP20/PLCC44 specialized adapter for Xilinx devices with open top socket. |   | |
DIP40/PLCC44 specialized adapter for microcontrollers with open top socket. | Logical Systems: PA51-44 | |
DIP40/PLCC44 specialized adapter for microcontrollers with clam shell socket. | Logical Systems: PA51-44Z | |
DIP40/PLCC44 specialized adapter for Microchip microcontrollers with open top socket. | Logical Systems: PA44-40-P64 | |
DIP40/PLCC44 specialized adapter for Microchip microcontrollers with clam shell socket. |   | |
DIP40/PLCC44 specialized adapter for Microchip microcontrollers with open top socket. | Logical Systems: PA17C42-PD | |
DIP40/PLCC44 specialized adapter for Microchip microcontrollers with clam shell socket. |   | |
DIP40/PLCC52 specialized adapter for Motorola/Freescale microcontrollers with open top socket. |   | |
DIP40/PLCC52 specialized adapter for Motorola/Freescale microcontrollers with clam shell socket. |   | |
DIP40/PLCC52 specialized adapter for Atmel microcontrollers with open top socket. |   | |
DIP40/PLCC52 specialized adapter for Atmel microcontrollers with clam shell socket. |   | |
DIP40/PLCC52 specialized adapter for Atmel microcontrollers with open top socket. |   | |
DIP40/PLCC52 specialized adapter for Atmel microcontrollers with clam shell socket. |   | |
DIP40/PLCC52 specialized adapter for Atmel microcontrollers with open top socket. |   | |
DIP40/PLCC52 specialized adapter for Atmel microcontrollers with clam shell socket. |   | |
DIP40/PLCC52 specialized adapter for Dallas/Maxim microcontrollers with open top socket. | Logical Systems: PA530-52 | |
DIP40/PLCC52 specialized adapter for Dallas/Maxim microcontrollers with clam shell socket. |   | |
DIP40/PLCC52 specialized adapter for Intel microcontrollers with open top socket, |   | |
DIP40/PLCC52 specialized adapter for Intel microcontrollers with clam shell socket, |   | |
DIP40/PLCC68 specialized adapter for Atmel microcontrollers with open top socket. |   | |
DIP40/PLCC68 specialized adapter for Atmel microcontrollers with clam shell socket. |   | |
DIP40/PLCC68 specialized adapter with open top socket. |   | |
DIP40/PLCC68 specialized adapter with clam shell socket. |   | |
DIP40/PLCC68 specialized adapter for Nuvoton/Winbond microcontrollers with open top socket. |   | |
DIP40/PLCC68 specialized adapter for Nuvoton/Winbond microcontrollers with clam shell socket. |   | |
DIP40/PLCC68 specialized adapter for Intel microcontrollers with open top socket. |   | |
DIP40/PLCC68 specialized adapter for Intel microcontrollers with clam shell socket. |   | |
DIP40/PLCC68 specialized adapter for Intel microcontrollers with open top socket. |   | |
DIP40/PLCC68 specialized adapter for Intel microcontrollers with clam shell socket. |   | |
DIP40/PLCC68 specialized adapter for Intel microcontrollers with oprn top socket. |   | |
DIP40/PLCC68 specialized adapter for Intel microcontrollers with clam shell socket. |   | |
DIP40/PLCC68 specialized adapter for Intel microcontrollers with open top socket. |   | |
DIP40/PLCC68 specialized adapter for Intel microcontrollers with clam shell socket. |   | |
DIP40/PLCC68 specialized adapter for Intel microcontrollers with open top socket. |   | |
DIP40/PLCC68 specialized adapter for Intel microcontrollers with clam shell socket. |   | |
DIP40/PLCC68 specialized adapter for Microchip PIC microcontrollers with open top socket. |   | |
DIP40/PLCC68 specialized adapter for Microchip PIC microcontrollers with open top socket. |   | |
DIP40/PLCC68 specialized adapter for Microchip PIC microcontrollers with clam shell socket. |   | |
DIP40/PLCC68 specialized adapter for Microchip PIC microcontrollers with clam shell socket. |   | |
DIP40/PLCC68 specialized adapter for Philips/NXP microcontrollers with open top socket. | Logical Systems: PA552-68 | |
DIP40/PLCC68 specialized adapter for Philips/NXP microcontrollers with clam shell socket. |   | |
DIP40/PLCC84 specialized adapter for Altera EPMxxx devices with open top socket. |   | |
DIP40/PLCC84 specialized adapter for Altera EPMxxx devices with clam shell socket. |   | |
DIP40/PLCC84 specialized adapter for Altera EPMxxx devices with open top socket. |   | |
DIP40/PLCC84 specialized adapter for Altera EPMxxx devices with clam shell socket. |   | |
DIP40/PLCC84 specialized adapter for Intel devices with open top socket. |   | |
DIP40/PLCC84 specialized adapter for Intel devices with clam shell socket. |   | |
DIP40/PLCC84 specialized adapter for Intel devices with open top socket. |   | |
DIP40/PLCC84 specialized adapter for Intel devices with clam shell socket. |   | |
DIP40/PLCC84 specialized adapter for Microchip PIC devices with open top socket. |   | |
DIP40/PLCC84 specialized adapter for Microchip PIC devices with clam shell socket. |   | |
DIP40/QFP100 специализированный адаптер для микросхем фирмы Altera. |   | |
DIP40/QFP100 специализированный адаптер для микроконтроллеров семейства AVR фирмы Atmel. |   | |
DIP40/QFP100 специализированный адаптер для микроконтроллеров фирмы Cypress. Размеры корпуса: 14.0 x 14.0 x 1.0 мм, (корпус с выводами -16.0 x 16.0 мм), 0.5 мм шаг. |   | |
DIP40/QFP100 специализированный адаптер для микроконтроллеров семейства EFM32 фирмы Energy Micro. Размеры корпуса: 14.0 x 14.0 x 1.0 мм, (корпус с выводами -16.0 x 16.0 мм), 0.5 мм шаг. |   | |
DIP40/QFP100 специализированный адаптер для микроконтроллеров MC9S12xxx фирмы Motorola/Freescale.Размеры корпуса: 14.0 x 14.0 x 1.0 мм, (корпус с выводами -16.0 x 16.0 мм), 0.5 мм шаг. |   | |
DIP42/QFP100 специализированный адаптер для микроконтроллеров MC9S12xxx фирмы Motorola/Freescale.Размеры корпуса: 14.0 x 14.0 x 1.0 мм, (корпус с выводами -16.0 x 16.0 мм), 0.5 мм шаг. |   | |
DIP28/QFP100 специализированный адаптер для микроконтроллеров фирмы TI/Luminary. Размеры корпуса: 14.0 x 14.0 x 1.0 мм, (корпус с выводами -16.0 x 16.0 мм), 0.5 мм шаг. |   | |
DIP40/QFP100 специализированный адаптер для микроконтроллеров фирмы NXP/Phlips. Размеры корпуса: 14.0 x 14.0 x 1.0 мм, (корпус с выводами -16.0 x 16.0 мм), 0.5 мм шаг. |   | |
DIP40/QFP100 специализированный адаптер для микроконтроллеров фирмы NXP/Phlips. Размеры корпуса: 14.0 x 14.0 x 1.0 мм, (корпус с выводами -16.0 x 16.0 мм), 0.5 мм шаг. |   | |
DIP40/QFP100 специализированный адаптер для микросхем фирмы Altera. |   | |
DIP40/QFP100 специализированный адаптер для микроконтроллеров фирмы Fujitsu. Размеры корпуса: 14.0 x 14.0 x 1.0 мм, (корпус с выводами -16.0 x 16.0 мм), 0.5 мм шаг. |   | |
DIP40/QFP100 специализированный адаптер для микроконтроллеров фирмы TI. Размеры корпуса: 14.0 x 14.0 x 1.0 мм, (корпус с выводами -16.0 x 16.0 мм), 0.5 мм шаг. |   | |
DIP40/QFP100 специализированный адаптер для микроконтроллеров фирмы NEC. Размеры корпуса: 14.0 x 14.0 x 1.0 мм, (корпус с выводами -16.0 x 16.0 мм), 0.5 мм шаг. |   | |
DIP40/QFP100 специализированный адаптер для микроконтроллеров фирмы Cypress. Размеры корпуса: 14.0 x 14.0 x 1.0 мм, (корпус с выводами -16.0 x 16.0 мм), 0.5 мм шаг. |   | |
DIP40/QFP100 специализированный адаптер для микроконтроллеров фирмы Sensory. Размеры корпуса: 14.0 x 14.0 x 1.0 мм, (корпус с выводами -16.0 x 16.0 мм), 0.5 мм шаг. |   | |
DIP40/QFP100 специализированный адаптер для микроконтроллеров фирмы Atmel. Размеры корпуса: 14.0 x 14.0 x 1.0 мм, (корпус с выводами -16.0 x 16.0 мм), 0.5 мм шаг. |   | |
DIP40/QFP100 специализированный адаптер для микроконтроллеров фирмы Atmel. Размеры корпуса: 14.0 x 14.0 x 1.0 мм, (корпус с выводами -16.0 x 16.0 мм), 0.5 мм шаг. |   | |
DIP40/QFP100 specialized adapter for Silabs/Cygnal microcontrollers. |   | |
DIP40/QFP100 специализированный адаптер для микроконтроллеров семейства STM32 фирмы STMicro. Размеры корпуса: 14.0 x 14.0 x 1.0 мм, (корпус с выводами -16.0 x 16.0 мм), 0.5 мм шаг. |   | |
DIP40/QFP100 специализированный адаптер для микроконтроллеров фирмы Nuvoton/Winbond. Размеры корпуса: 14.0 x 20.0 x 2.75 мм, (корпус с выводами -117.4 x 23.4 мм), 0.65 мм шаг. |   | |
DIP40/QFP100 специализированный адаптер для микроконтроллеров фирмы Atmel. Размеры корпуса: 14.0 x 14.0 x 1.0 мм, (корпус с выводами -16.0 x 16.0 мм), 0.5 мм шаг. |   | |
DIP40/QFP100 специализированный адаптер для микроконтроллеров PIC фирмы Microchip. Размеры корпуса: 14.0 x 14.0 x 1.0 мм, (корпус с выводами -16.0 x 16.0 мм), 0.5 мм шаг. |   | |
DIP40/QFP100 специализированный адаптер для микроконтроллеров PIC фирмы Microchip. Размеры корпуса: 12.0 x 12.0 x 1.4 мм, (корпус с выводами -14.0 x 14.0 мм), 0.4 мм шаг. |   | |
DIP40/QFP100 специализированный адаптер для микроконтроллеров фирмы Renesas (Mitsubishi). Размеры корпуса: 14.0 x 14.0 x 1.4 мм, (корпус с выводами -16.0 x 16.0 мм), 0.5 мм шаг. |   | |
DIP40/QFP100 специализированный адаптер для микроконтроллеров фирмы Renesas (Mitsubishi). Размеры корпуса: 14.0 x 20.0 x 2.8 мм, (корпус с выводами -16.8 x 22.8 мм), 0.65 мм шаг. |   | |
DIP40/QFP112 специализированный адаптер для микроконтроллеров фирмы Motorola/Freescale MC9S12xxx . Размеры корпуса: 20.0 x 20.0 x 1.6 мм, (корпус с выводами -22.0 x 22.0 мм), 0.65 мм шаг. |   | |
DIP40/QFP144 специализированный адаптер для микроконтроллеров фирмы Altera. Размеры корпуса: 20.0 x 20.0 x 1.4 мм, (корпус с выводами -22.0 x 22.0 мм), 0.5 мм шаг. |   | |
DIP40/QFP144 специализированный адаптер для микроконтроллеров фирмы Motorola/Freescale MC9S12xxx . Размеры корпуса: 20.0 x 20.0 x 1.4 мм, (корпус с выводами -22.0 x 22.0 мм), 0.5 мм шаг. |   | |
DIP40/QFP144 специализированный адаптер для микроконтроллеров фирмы NXP/Philips . Размеры корпуса: 20.0 x 20.0 x 1.4 мм, (корпус с выводами -22.0 x 22.0 мм), 0.5 мм шаг. |   | |
DIP40/QFP144 специализированный адаптер для микроконтроллеров фирмы NXP/Philips . Размеры корпуса: 20.0 x 20.0 x 1.4 мм, (корпус с выводами -22.0 x 22.0 мм), 0.5 мм шаг. |   | |
DIP40/QFP144 специализированный адаптер для микроконтроллеров фирмы Altera. Размеры корпуса: 20.0 x 20.0 x 1.4 мм, (корпус с выводами -22.0 x 22.0 мм), 0.5 мм шаг. |   | |
DIP40/QFP144 специализированный адаптер для микроконтроллеров фирмы NEC. Размеры корпуса: 20.0 x 20.0 x 1.4 мм, (корпус с выводами -22.0 x 22.0 мм), 0.5 мм шаг. |   | |
DIP40/QFP144 специализированный адаптер для микроконтроллеров семейства STM32 фирмы STMicro. Размеры корпуса: 20.0 x 20.0 x 1.4 мм, (корпус с выводами -22.0 x 22.0 мм), 0.5 мм шаг. |   | |
DIP40/QFP176 специализированный адаптер для микроконтроллеров фирмы SST. Размеры корпуса: 20.0 x 20.0 x 1.5 мм, (корпус с выводами -22.0 x 22.0 мм), 0.4 мм шаг. |   | |
DIP28/QFP32 специализированный адаптер для микроконтроллеров фирмы Atmel. Размеры корпуса: 7.0 x 7.0 x 1.2 мм, (корпус с выводами -9.0 x 9.0 мм), 0.8 мм шаг. | Logical Systems: PA32Q1498-28D6-20 | |
DIP32/QFP32 специализированный адаптер для микроконтроллеров семейства STM8 фирмы STMicro. Размеры корпуса: 7.0 x 7.0 x 1.2 мм, (корпус с выводами -9.0 x 9.0 мм), 0.8 мм шаг. |   | |
DIP32/QFP32 специализированный адаптер для микроконтроллеров семейства STM8 фирмы STMicro. Размеры корпуса: 7.0 x 7.0 x 1.2 мм, (корпус с выводами -9.0 x 9.0 мм), 0.8 мм шаг. |   | |
DIP40/QFP32 специализированный адаптер для микроконтроллеров фирмы Semtech/Xemics. Размеры корпуса: 7.0 x 7.0 x 1.2 мм, (корпус с выводами -9.0 x 9.0 мм), 0.8 мм шаг. |   | |
DIP40/QFP44 специализированный адаптер для микросхем фирмы Alteral. Размеры корпуса: 10.0 x 10.0 мм, 0.8 мм шаг. |   | |
DIP40/QFP44 специализированный адаптер для микросхем фирмы Atmel. Размеры корпуса: 10.0 x 10.0 мм, 0.8 мм шаг. |   | |
DIP40/QFP44 специализированный адаптер для микросхем фирмы Atmel. Размеры корпуса: 10.0 x 10.0 мм, 0.8 мм шаг. |   | |
DIP40/QFP44 специализированный адаптер для микросхем семейства AVR фирмы Atmel. Размеры корпуса: 10.0 x 10.0 мм, 0.8 мм шаг. |   | |
DIP40/QFP44 специализированный адаптер для микросхем семейства 8051 фирмы Atmel. Размеры корпуса: 10.0 x 10.0 мм, 0.8 мм шаг. |   | |
DIP40/QFP44 специализированный адаптер для микросхем фирмы NXP/Philips. Размеры корпуса: 10.0 x 10.0 мм, 0.8 мм шаг. |   | |
DIP40/QFP44 специализированный адаптер для микросхем PIC фирмы Microchip. Размеры корпуса: 10.0 x 10.0 мм, 0.8 мм шаг. |   | |
DIP40/QFP44 специализированный адаптер для микросхем PIC фирмы Microchip. Размеры корпуса: 10.0 x 10.0 мм, 0.8 мм шаг. |   | |
DIP40/QFP44 специализированный адаптер для микроконтроллеров фирмы Cypress. Размеры корпуса: 10.0 x 10.0 мм, 0.8 мм шаг. |   | |
DIP40/QFP44 специализированный адаптер для микросхем STM8 фирмы STMicro. Размеры корпуса: 10.0 x 10.0 мм, 0.8 мм шаг. |   | |
DIP40/QFP44 специализированный адаптер для микроконтроллеров фирмы Nuvoton/Winbond. Размеры корпуса: 10.0 x 10.0 мм, 0.8 мм шаг. |   | |
DIP40/QFP44 специализированный адаптер для микросхем фирмы Xilinx. Размеры корпуса: 10.0 x 10.0 мм, 0.8 мм шаг. |   | |
DIP40/QFP44 специализированный адаптер для микросхем фирмы Semtech/Xemics. Размеры корпуса: 10.0 x 10.0 мм, 0.8 мм шаг. |   | |
DIP40/QFP48 специализированный адаптер для микроконтроллеров фирмы Atmel. Размеры корпуса: 7.0 x 7.0 x 1.5 мм, (с выводами - 9.0 x 9.0), 0.5 мм шаг. |   | |
DIP40/QFP44 специализированный адаптер для микросхем PIC фирмы Microchip. Размеры корпуса: 10.0 x 10.0 мм, 0.8 мм шаг. |   | |
DIP40/QFP44 специализированный адаптер для микросхем PIC фирмы Microchip. Размеры корпуса: 10.0 x 10.0 мм, 0.8 мм шаг. |   | |
DIP40/QFP48 специализированный адаптер для микроконтроллеров фирмы Fujitsu. Размеры корпуса: 7.0 x 7.0 x 1.5 мм, (с выводами - 9.0 x 9.0), 0.5 мм шаг. |   | |
DIP48/QFP48 специализированный адаптер для микроконтроллеров фирмы Motorola/Freescale. Размеры корпуса: 7.0 x 7.0 x 1.5 мм, (с выводами - 9.0 x 9.0), 0.5 мм шаг. |   | |
DIP28/QFP48 специализированный адаптер для микроконтроллеров фирмы TI/Luminary. Размеры корпуса: 7.0 x 7.0 x 1.5 мм, (с выводами - 9.0 x 9.0), 0.5 мм шаг. |   | |
DIP40/QFP48 специализированный адаптер для микроконтроллеров фирмы Atmel. Размеры корпуса: 7.0 x 7.0 x 1.5 мм, (с выводами - 9.0 x 9.0), 0.5 мм шаг. |   | |
DIP40/QFP48 специализированный адаптер для микроконтроллеров фирмы STMicro. Размеры корпуса: 7.0 x 7.0 x 1.5 мм, (с выводами - 9.0 x 9.0), 0.5 мм шаг. |   | |
DIP40/QFP48 специализированный адаптер для микроконтроллеров фирмы STMicro. Размеры корпуса: 7.0 x 7.0 x 1.5 мм, (с выводами - 9.0 x 9.0), 0.5 мм шаг. |   | |
DIP40/QFP48 специализированный адаптер для микроконтроллеров фирмы STMicro. Размеры корпуса: 7.0 x 7.0 x 1.5 мм, (с выводами - 9.0 x 9.0), 0.5 мм шаг. |   | |
DIP40/QFP48 специализированный адаптер для микроконтроллеров фирмы Nuvoton/Winbond. Размеры корпуса: 7.0 x 7.0 x 1.5 мм, (с выводами - 9.0 x 9.0), 0.5 мм шаг. |   | |
DIP40/QFP48 специализированный адаптер для микроконтроллеров фирмы Nuvoton/Winbond. Размеры корпуса: 7.0 x 7.0 x 1.5 мм, (с выводами - 9.0 x 9.0), 0.5 мм шаг. |   | |
DIP40/QFP48 специализированный адаптер для микроконтроллеров фирмы Nuvoton/Winbond. Размеры корпуса: 7.0 x 7.0 x 1.5 мм, (с выводами - 9.0 x 9.0), 0.5 мм шаг. |   | |
DIP40/QFP48 специализированный адаптер для микроконтроллеров фирмы Nuvoton/Winbond. Размеры корпуса: 7.0 x 7.0 x 1.5 мм, (с выводами - 9.0 x 9.0), 0.5 мм шаг. |   | |
DIP40/QFP48 специализированный адаптер для микроконтроллеров фирмы Infineon. Размеры корпуса: 7.0 x 7.0 x 1.5 мм, (с выводами - 9.0 x 9.0), 0.5 мм шаг. |   | |
DIP40/QFP48 специализированный адаптер для микроконтроллеров семейства 8051. Размеры корпуса: 7.0 x 7.0 x 1.5 мм, (с выводами - 9.0 x 9.0), 0.5 мм шаг. |   | |
DIP40/QFP52 специализированный адаптер для микроконтроллеров фирмы Motorola/Freescale. Размеры корпуса: 10.0 x 10.0 x 1.7 мм, (с выводами - 12.0 x 12.0), 0.65 мм шаг. |   | |
DIP40/QFP64 специализированный адаптер для микроконтроллеров AVR фирмы Atmel. Размеры корпуса: 14.0 x 14.0 x 1.2 мм, (с выводами - 16.0 x 16.0), 0.8 мм шаг. |   | |
DIP40/QFP64 специализированный адаптер для микроконтроллеров фирмы Fujitsu. Размеры корпуса: 12.0 x 12.0 x 1.7 мм, (с выводами - 14.0 x 14.0), 0.65 мм шаг. |   | |
DIP40/QFP64 специализированный адаптер для микроконтроллеров фирмы Fujitsu. Размеры корпуса: 10.0 x 10.0 x 1.7 мм, (с выводами - 12.0 x 12.0), 0.5 мм шаг. |   | |
DIP40/QFP64 специализированный адаптер для микроконтроллеров фирмы Hitachi. Размеры корпуса: 10.0 x 10.0 x 1.1 мм, (с выводами - 12.0 x 12.0), 0.5 мм шаг. |   | |
DIP40/QFP64 специализированный адаптер для микроконтроллеров фирмы Motorola/Freescale. Размеры корпуса: 10.0 x 10.0 x 1.1 мм, (с выводами - 12.0 x 12.0), 0.5 мм шаг. |   | |
DIP40/QFP64 специализированный адаптер для микроконтроллеров фирмы Motorola/Freescale. Размеры корпуса: 14.0 x 14.0 x 1.2 мм, (с выводами - 16.0 x 16.0), 0.8 мм шаг. |   | |
DIP40/QFP64 специализированный адаптер для микроконтроллеров фирмы Motorola/Freescale. Размеры корпуса: 14.0 x 14.0 x 1.2 мм, (с выводами - 16.0 x 16.0), 0.8 мм шаг. |   | |
DIP40/QFP64 специализированный адаптер для микроконтроллеров фирмы Motorola/Freescale. Размеры корпуса: 10.0 x 10.0 x 1.1 мм, (с выводами - 12.0 x 12.0), 0.5 мм шаг. |   | |
DIP40/QFP64 специализированный адаптер для микроконтроллеров фирмы Motorola/Freescale. Размеры корпуса: 14.0 x 14.0 x 2.4 мм, (с выводами - 17.0 x 17.0), 0.8 мм шаг. |   | |
DIP40/QFP64 специализированный адаптер для микроконтроллеров фирмы Motorola/Freescale. Размеры корпуса: 10.0 x 10.0 x 1.1 мм, (с выводами - 12.0 x 12.0), 0.5 мм шаг. |   | |
DIP40/QFP64 специализированный адаптер для микроконтроллеров фирмы TI/Luminary. Размеры корпуса: 10.0 x 10.0 x 1.1 мм, (с выводами - 12.0 x 12.0), 0.5 мм шаг. |   | |
DIP40/QFP64 специализированный адаптер для микроконтроллеров фирмы NXP/Philips. Размеры корпуса: 10.0 x 10.0 x 1.1 мм, (с выводами - 12.0 x 12.0), 0.5 мм шаг. |   | |
DIP40/QFP64 специализированный адаптер для микроконтроллеров фирмы Maxim. Размеры корпуса: 10.0 x 10.0 x 1.1 мм, (с выводами - 12.0 x 12.0), 0.5 мм шаг. |   | |
DIP40/QFP64 специализированный адаптер для микроконтроллеров фирмы TI. Размеры корпуса: 10.0 x 10.0 x 1.1 мм, (с выводами - 12.0 x 12.0), 0.5 мм шаг. |   | |
DIP40/QFP64 специализированный адаптер для микроконтроллеров фирмы NEC. Размеры корпуса: 10.0 x 10.0 x 1.1 мм, (с выводами - 12.0 x 12.0), 0.5 мм шаг. |   | |
DIP40/QFP64 специализированный адаптер для микроконтроллеров фирмы NEC. Размеры корпуса: 14.0 x 14.0 x 1.2 мм, (с выводами - 16.0 x 16.0), 0.8 мм шаг. |   | |
DIP40/QFP64 специализированный адаптер для микроконтроллеров фирмы NEC. Размеры корпуса: 12.0x12.0, 0.65 мм шаг. |   | |
DIP40/QFP64 специализированный адаптер для микроконтроллеров фирмы NEC. Размеры корпуса: 7.0x 7.0, 0.4 мм шаг. |   | |
DIP40/QFP64 специализированный адаптер для PIC микроконтроллеров фирмы Microchip. Размеры корпуса: 10.0 x 10.0 x 1.1 мм, (с выводами - 12.0 x 12.0), 0.5 мм шаг. |   | |
DIP40/QFP64 специализированный адаптер для PIC микроконтроллеров фирмы Microchip. Размеры корпуса: 14.0 x 14.0 x 1.2 мм, (с выводами - 16.0 x 16.0), 0.8 мм шаг. |   | |
DIP40/QFP64 специализированный адаптер для микроконтроллеров фирмы Atmel. Размеры корпуса: 10.0 x 10.0 x 1.1 мм, (с выводами - 12.0 x 12.0), 0.5 мм шаг. |   | |
DIP40/QFP64 specialized adapter for Silabs/Cygnal microcontrollers. |   | |
DIP40/QFP64 специализированный адаптер для микроконтроллеров фирмы STM. Размеры корпуса: 10.0 x 10.0 x 1.1 мм, (с выводами - 12.0 x 12.0), 0.5 мм шаг. |   | |
DIP40/QFP64 специализированный адаптер для микроконтроллеров фирмы STM. Размеры корпуса: 14.0 x 14.0 x 1.2 мм, (с выводами - 16.0 x 16.0), 0.8 мм шаг. |   | |
DIP40/QFP64 специализированный адаптер для микроконтроллеров фирмы STM. Размеры корпуса: 10.0 x 10.0 x 1.1 мм, (с выводами - 12.0 x 12.0), 0.5 мм шаг. |   | |
DIP40/QFP64 специализированный адаптер для микроконтроллеров фирмы STM. Размеры корпуса: 10.0 x 10.0 x 1.1 мм, (с выводами - 12.0 x 12.0), 0.5 мм шаг. |   | |
DIP40/QFP64 специализированный адаптер для микроконтроллеров фирмы STM. Размеры корпуса: 10.0 x 10.0 x 1.1 мм, (с выводами - 12.0 x 12.0), 0.5 мм шаг. |   | |
DIP40/QFP64 специализированный адаптер для микроконтроллеров фирмы STM. Размеры корпуса: 14.0 x 14.0 x 1.2 мм, (с выводами - 16.0 x 16.0), 0.8 мм шаг. |   | |
DIP40/QFP64 специализированный адаптер для микроконтроллеров фирмы Atmel. Размеры корпуса: 10.0 x 10.0 x 1.1 мм, (с выводами - 12.0 x 12.0), 0.5 мм шаг. |   | |
DIP40/QFP64 специализированный адаптер для микроконтроллеров фирмы Atmel. Размеры корпуса: 10.0 x 10.0 x 1.1 мм, (с выводами - 12.0 x 12.0), 0.5 мм шаг. |   | |
DIP40/QFP64 специализированный адаптер для микроконтроллеров фирмы Infineon. Размеры корпуса: 10.0 x 10.0 x 1.1 мм, (с выводами - 12.0 x 12.0), 0.5 мм шаг. |   | |
DIP40/QFP64 специализированный адаптер для микроконтроллеров фирмы Semtech/Xemics. Размеры корпуса: 10.0 x 10.0 x 1.1 мм, (с выводами - 12.0 x 12.0), 0.5 мм шаг. |   | |
DIP40/QFP64 специализированный адаптер для микроконтроллеров AVR фирмы Atmel. Размеры корпуса: 14.0 x 14.0 x 1.2 мм, (с выводами - 16.0 x 16.0), 0.8 мм шаг. |   | |
DIP40/QFP64 специализированный адаптер для PIC микроконтроллеров фирмы Microchip. Размеры корпуса: 10.0 x 10.0 x 1.1 мм, (с выводами - 12.0 x 12.0), 0.5 мм шаг. |   | |
DIP40/QFP64 специализированный адаптер для PIC микроконтроллеров фирмы Microchip. Размеры корпуса: 10.0 x 10.0 x 1.1 мм, (с выводами - 12.0 x 12.0), 0.5 мм шаг. |   | |
DIP40/QFP64 специализированный адаптер для PIC микроконтроллеров фирмы Microchip. Размеры корпуса: 10.0 x 10.0 x 1.1 мм, (с выводами - 12.0 x 12.0), 0.5 мм шаг. |   | |
DIP40/QFP64 специализированный адаптер для микроконтроллеров фирмы Philips/NXP. Размеры корпуса: 10.0 x 10.0 x 1.1 мм, (с выводами - 12.0 x 12.0), 0.5 мм шаг. |   | |
DIP40/QFP80 специализированный адаптер для 32-bit Flash памяти. |   | |
DIP40/QFP80 специализированный адаптер для микроконтроллеров фирмы Motorola/Freescale. Размеры корпуса: 12.0 x 12.0 x 1.1 мм, (с выводами - 14.0 x 14.0), 0.5 мм шаг. |   | |
DIP48/QFP80 специализированный адаптер для микроконтроллеров фирмы Motorola/Freescale. Размеры корпуса: 14.0 x 14.0 x 1.2 мм, (с выводами - 16.0 x 16.0), 0.65 мм шаг. |   | |
DIP48/QFP80 специализированный адаптер для микроконтроллеров фирмы Motorola/Freescale. Размеры корпуса: 14.0 x 14.0 x 2.3 мм, (с выводами - 17.0 x 17.0), 0.65 мм шаг. |   | |
DIP40/QFP80 специализированный адаптер для микроконтроллеров фирмы NXP/Phlips. Размеры корпуса: 12.0 x 12.0 x 1.1 мм, (корпус с выводами -14.0 x 14.0 мм), 0.5 мм шаг. |   | |
DIP40/QFP80 специализированный адаптер для микроконтроллеров фирмы TI. Размеры корпуса: 12.0 x 12.0 x 1.1 мм, (с выводами - 14.0 x 14.0), 0.5 мм шаг. |   | |
DIP40/QFP80 специализированный адаптер для микроконтроллеров PIC фирмы Microchip. Размеры корпуса: 12.0 x 12.0 x 1.1 мм, (с выводами - 14.0 x 14.0), 0.5 мм шаг. |   | |
DIP40/QFP80 специализированный адаптер для микроконтроллеров PIC фирмы Microchip. Размеры корпуса: 14.0 x 14.0 x 1.2 мм, (с выводами - 16.0 x 16.0), 0.65 мм шаг. |   | |
DIP40/QFP80 специализированный адаптер для микроконтроллеров PIC фирмы Microchip. Размеры корпуса: 12.0 x 12.0 x 1.1 мм, (с выводами - 14.0 x 14.0), 0.5 мм шаг. |   | |
DIP40/QFP80 специализированный адаптер для микроконтроллеров PIC фирмы Microchip. Размеры корпуса: 14.0 x 14.0 x 1.2 мм, (с выводами - 16.0 x 16.0), 0.65 мм шаг. |   | |
DIP40/QFP80 специализированный адаптер для микроконтроллеров фирмы STM. Размеры корпуса: 14.0 x 14.0 x 1.6 мм, (с выводами - 16.0 x 16.0), 0.65 мм шаг. |   | |
DIP40/QFP80 специализированный адаптер для микроконтроллеров фирмы STM. Размеры корпуса: 14.0 x 14.0 x 1.6 мм, (с выводами - 16.0 x 16.0), 0.65 мм шаг. |   | |
DIP40/QFP80 специализированный адаптер для микроконтроллеров фирмы STM. Размеры корпуса: 14.0 x 14.0 x 1.6 мм, (с выводами - 16.0 x 16.0), 0.65 мм шаг. |   | |
DIP40/QFP80 специализированный адаптер для микроконтроллеров фирмы Atmel. Размеры корпуса: 14.0 x 14.0 x 1.2 мм, (с выводами - 16.0 x 16.0), 0.65 мм шаг. |   | |
DIP40/QFP80 специализированный адаптер для микроконтроллеров PIC фирмы Microchip. Размеры корпуса: 12.0 x 12.0 x 1.1 мм, (с выводами - 14.0 x 14.0), 0.5 мм шаг. |   | |
DIP40/QFP80 специализированный адаптер для микроконтроллеров PIC фирмы Microchip. Размеры корпуса: 12.0 x 12.0 x 1.1 мм, (с выводами - 14.0 x 14.0), 0.5 мм шаг. |   | |
DIP14/QFN16 специализированный адаптер для микроконтроллеров фирмы Microchip. Размеры корпуса: 4.0 x 4.0 x 0.9 мм, 0.65 мм шаг. |   | |
DIP8/QFN20 специализированный адаптер для микроконтроллеров фирмы Atmel. Размеры корпуса: 4.0 x 4.0 x 0.9 мм, 0.5 мм шаг. |   | |
DIP20/QFN20 специализированный адаптер для микроконтроллеров фирмы Atmel. Размеры корпуса: 4.0 x 4.0 x 0.9 мм, 0.5 мм шаг. |   | |
DIP20/QFN20 специализированный адаптер для микроконтроллеров фирмы Microchip. Размеры корпуса: 4.0 x 4.0 x 0.9 мм, 0.5 мм шаг. |   | |
DIP28/QFN28 специализированный адаптер для микроконтроллеров фирмы Atmel. Размеры корпуса: 4.0 x 4.0 мм, 0.45 мм шаг. |   | |
DIP28/QFN28 специализированный адаптер для микроконтроллеров фирмы Microchip. Размеры корпуса: 6.0 x 6.0 x 0.9 мм, 0.65 мм шаг. |   | |
DIP28/QFN32 специализированный адаптер для микроконтроллеров фирмы Atmel. Размеры корпуса: 5.0 x 5.0 x 1.0 мм, 0.5 мм шаг. | Emulation Technology: AS-32-28-01ML-3 | |
DIP32/QFN32 специализированный адаптер для микроконтроллеров фирмы Atmel. Размеры корпуса: 7.0 x 7.0 x 1.0 мм, 0.65 мм шаг. |   | |
DIP20/QFN32 специализированный адаптер для микроконтроллеров фирмы Atmel. Размеры корпуса: 5.0 x 5.0 x 1.0 мм, 0.5 мм шаг. |   | |
DIP24/QFN32 специализированный адаптер для микроконтроллеров фирмы Atmel. Размеры корпуса: 7.0 x 7.0 x 1.0 мм, 0.65 мм шаг. |   | |
DIP32/QFN32 специализированный адаптер для микроконтроллеров фирмы STMicro. Размеры корпуса: 5.0 x 5.0 x 1.0 мм, 0.5 мм шаг. |   | |
DIP32/QFN32 специализированный адаптер для микроконтроллеров фирмы STMicro. Размеры корпуса: 5.0 x 5.0 x 1.0 мм, 0.5 мм шаг. |   | |
DIP40/QFN44 специализированный адаптер для AVR микроконтроллеров фирмы Atmel. Размеры корпуса: 7.0 x 7.0 x 1.0 мм, 0.5 мм шаг. |   | |
DIP40/QFN44 специализированный адаптер для AVR микроконтроллеров фирмы Atmel. Размеры корпуса: 7.0 x 7.0 x 1.0 мм, 0.5 мм шаг. |   | |
DIP40/QFN44 специализированный адаптер для AVR микроконтроллеров фирмы Atmel. Размеры корпуса: 7.0 x 7.0 x 0.9 мм, 0.5 мм шаг. |   | |
DIP40/QFN44 специализированный адаптер для микроконтроллеров фирмы Microchip. Размеры корпуса: 8.0 x 8.0 x 0.9 мм, 0.65 мм шаг. |   | |
DIP40/QFN44 специализированный адаптер для микроконтроллеров фирмы Microchip. Размеры корпуса: 8.0 x 8.0 x 0.9 мм, 0.65 мм шаг. |   | |
DIP40/QFN44 специализированный адаптер для микроконтроллеров фирмы Microchip. Размеры корпуса: 8.0 x 8.0 x 0.9 мм, 0.65 мм шаг. |   | |
DIP40/QFN48 специализированный адаптер для микроконтроллеров Cypress POSC1. Размеры корпуса: 7.0 x 7.0 x 1.0 мм, 0.5 мм шаг. |   | |
DIP40/QFN48 специализированный адаптер для микроконтроллеров фирмы Atmel. . Размеры корпуса: 7.0 x 7.0 x 1.0 мм, 0.5 мм шаг. |   | |
DIP40/QFN48 специализированный адаптер для микроконтроллеров фирмы STMicro. . Размеры корпуса: 7.0 x 7.0 x 1.0 мм, 0.5 мм шаг. |   | |
DIP40/QFN48 специализированный адаптер для микроконтроллеров фирмы STMicro. . Размеры корпуса: 7.0 x 7.0 x 1.0 мм, 0.5 мм шаг. |   | |
DIP40/QFN48 специализированный адаптер для микроконтроллеров фирмы STMicro. . Размеры корпуса: 7.0 x 7.0 x 1.0 мм, 0.5 мм шаг. |   | |
DIP40/QFN48 специализированный адаптер для микроконтроллеров фирмы STMicro. . Размеры корпуса: 7.0 x 7.0 x 1.0 мм, 0.5 мм шаг. |   | |
DIP40/QFN64 специализированный адаптер для микроконтроллеров фирмы Atmel. Размеры корпуса: 9.0 x 9.0 x 0.9 мм, 0.5 мм шаг. |   | |
DIP40/QFN64 специализированный адаптер для микроконтроллеров фирмы Atmel. Размеры корпуса: 9.0 x 9.0 x 0.9 мм, 0.5 мм шаг. |   | |
DIP40/QFN64 специализированный адаптер для микроконтроллеров фирмы Energy Micro. . Размеры корпуса: 9.0 x 9.0 x 1.0 мм, 0.5 мм шаг. |   | |
DIP40/QFN64 специализированный адаптер для микроконтроллеров фирмы TI. Размеры корпуса: 9.0 x 9.0 x 0.9 мм, 0.5 мм шаг. |   | |
DIP40/QFN64 специализированный адаптер для микроконтроллеров фирмы Atmel. Размеры корпуса: 9.0 x 9.0 x 0.9 мм, 0.5 мм шаг. |   | |
DIP40/QFN64 специализированный адаптер для микроконтроллеров фирмы Atmel. Размеры корпуса: 9.0 x 9.0 x 0.9 мм, 0.5 мм шаг. |   | |
DIP40/QFN68 специализированный адаптер для микроконтроллеров фирмы Cypress. Размеры корпуса: 8.0 x 8.0 x 0.9 мм, 0.4 мм шаг. |   | |
DIP28/SOIC28 специализированный адаптер для микросхем памяти серии 25xxx. Размеры корпуса: ширина - 7.65 мм (300mil), 1.27мм шаг. |   | |
DIP20/SOIC20 специализированный адаптер для микросхем памяти серии 25xxx. Размеры корпуса: ширина - 5.3 мм (208mil), 1.27мм шаг. |   | |
DIP28/SOIC20 specialized adapter for STMicroelectronics STM8 family. |   | |
DIP16/SOIC16 специализированный адаптер для микросхем памяти серии 25xxx. Размеры корпуса: ширина - 5.3 мм (208mil), 1.27мм шаг. |   | |
DIP16/SOIC16 специализированный адаптер для микросхем памяти серии 45xxx. Размеры корпуса: ширина - 5.3 мм (208mil), 1.27мм шаг. |   | |
DIP16/SOIC16 специализированный адаптер для микросхем памяти серии 25xxx. Размеры корпуса: ширина - 3.9 мм (150mil), 1.27мм шаг. |   | |
DIP16/SOIC16 специализированный адаптер для микросхем памяти серии 45xxx. Размеры корпуса: ширина - 3.9 мм (150mil), 1.27мм шаг. |   | |
DIP16/SOIC16 специализированный адаптер для микросхем памяти серии 25xxx. Размеры корпуса: ширина - 4.4 мм (173mil), 1.27мм шаг. |   | |
DIP16/SOIC16 специализированный адаптер для микросхем памяти серии 45xxx. Размеры корпуса: ширина - 4.4 мм (173mil), 1.27мм шаг. |   | |
DIP40/SDIP56 specialized adapter. |   | |
DIP40/SDIP56 specialized adapter for Motorola/Freescale microcontrollers. |   | |
DIP40/SO44 specialized adapter for FLASH memory. |   | |
DIP8/SOT-23-6 specialized adapter for 24XXX serial FLASH. |   | |
DIP8/SOT-23-6 specialized adapter for 93XXX serial FLASH. |   | |
DIP8/SOT-23-6 specialized adapter for Microchip PIC. |   | |
DIP28/TSSOP20 specialized adapter for STMicroelectronics STM8 family. |   | |
DIP18/SSOP20 specialized adapter for Microchip PIC. | Logical Systems: PA20SS-BP54 | |
DIP28/SSOP28 specialized adapter for Microchip PIC. | Logical Systems: PA28SS-P55 | |
DIP40/SSOP48 adapter for microcontrollers Cypress PSoC1. |   | |
DIP40/SSOP56 specialized adapter for FLASH memory. |   | |
DIP40/SSOP56 specialized adapter for FLASH memory. |   | |
DIP40/SSOP56 specialized adapter for FLASH memory. |   | |
DIP40/SSOP56 specialized adapter for FLASH memory. |   | |
DIP40/QFP44 specialized adapter for Atmel AVR devices. |   | |
DIP40/QFP44 specialized adapter for Atmel devices. |   | |
DIP40/QFP44 specialized adapter for microcontrollers. | Logical Systems: PA51-QD-03 | |
DIP40/QFP44 specialized adapter for microcontrollers. |   | |
DIP40/QFP44 specialized adapter for Microchip PIC devices. | Logical Systems: PA16C64-QD-03 | |
DIP40/QFP44 specialized adapter for Microchip PIC devices. | Logical Systems: PA1742-QD-03 | |
DIP28/TSOP28 specialized adapter for Flash memory. | Logical Systems: PA28TSOP3 | |
DIP28/TSOP28 specialized adapter for Atmel AT45xx devices. |   | |
DIP32/TSOP32 specialized adapter for Flash memory. | Logical Systems: PA32TS14-OT | |
DIP32/TSOP32 specialized adapter. |   | |
DIP32/TSOP32 specialized adapter for Flash memory. | Logical Systems: PA32TS20-OT | |
DIP40/TSOP40 specialized adapter. |   | |
DIP40/TSOP40 specialized adapter. |   | |
DIP40/TSOP40 specialized adapter. |   | |
DIP40/TSOP40 specialized adapter. |   | |
DIP40/TSOP40 specialized adapter. |   | |
DIP40/TSOP-II-44 specialized adapter. |   | |
DIP40/TSOP48 specialized adapter. |   | |
DIP40/TSOP48 specialized adapter. |   | |
DIP40/TSOP48 specialized adapter. |   | |
DIP40/TSOP48 specialized adapter. |   | |
DIP40/TSOP48 specialized adapter. |   | |
DIP40/TSOP48 specialized adapter for NAND Flash devices. |   | |
DIP40/TSOP48 specialized adapter for NAND Flash devices. |   | |
DIP40/TSOP56 specialized adapter for FLASH memory. |   | |
DIP40/TSOP56 specialized adapter for FLASH memory. |   | |
DIP40/TSOP56 specialized adapter for FLASH memory. |   | |
DIP40/TSOP56 specialized adapter for FLASH memory. |   | |
DIP40/TSOP56 specialized adapter for FLASH memory. |   | |
DIP8/WS8 specialized adapter for 25xx serial EEPROM, FLASH memory. |   | |
DIP8/WS8 specialized adapter for 25xx serial EEPROM, FLASH memory. |   | |
DIP8/WS8 specialized adapter for 25xx serial EEPROM, FLASH memory. |   | |
DIP8/WS8 specialized adapter for 25xx serial EEPROM, FLASH memory. |   | |
DIP8/WS8 specialized adapter for Atmel AT45xx Data Flash memory. |   | |
DIP8/WS8 specialized adapter for Atmel AT45xx Data Flash memory. |   | |
ChipProg-ISP BH14/BH20 specialized adapter for in system programming of ARM microcontrollers . |   | |
ChipProg-ISP BH14/BH10 specialized adapter for in system programming of Altera EPM300A PLD family . |   | |
ChipProg-ISP BH14/BH10 specialized adapter for in system programming of Micronas HVC 2480. |   | |
ChipProg-ISP BH14/BH14 specialized adapter for in system programming of Motorola/Freescale microcontrollers |   | |
ChipProg-ISP BH14/BH14 specialized adapter for in system programming of TI MSP430 microcontrollers in JTAG and SBW modes. |   | |
ChipProg-ISP BH14/BH16 specialized adapter for in system programming of NEC microcontrollers . |   | |
ChipProg-ISP BH14/BH10 specialized adapter for in system programming of STMicroelectronic ST7 microcontroller family . |   | |
DIP40/PLCC44 specialized adapter for Xilinx devices with open top socket. |   | |
DIP40/PLCC84 specialized adapter for Xilinx devices with open top socket. |   |
| Адаптер | Описание | Аналоги |
| AE-B24-25XX | DIP40/BGA24 специализированный адаптер для FLASH памяти 25 серии. |   |
DIP40/BGA48 специализированный адаптер для FLASH памяти. |   | |
DIP40/BGA48 специализированный адаптер для FLASH памяти. |   | |
DIP40/BGA48 специализированный адаптер для FLASH памяти. |   | |
DIP40/BGA48 специализированный адаптер для FLASH памяти. |   | |
DIP40/BGA48 специализированный адаптер для FLASH памяти. |   | |
DIP40/BGA48 специализированный адаптер для FLASH памяти. |   | |
DIP32/BGA48 специализированный адаптер для FLASH памяти. |   | |
DIP48/BGA48 специализированный адаптер для FLASH памяти. |   | |
DIP48/BGA48 специализированный адаптер для FLASH памяти. |   | |
DIP48/BGA48 специализированный адаптер для FLASH памяти. |   | |
DIP48/BGA48 специализированный адаптер для FLASH памяти. |   | |
DIP40/BGA55 специализированный адаптер для NAND FLASH памяти. |   | |
DIP40/BGA55 специализированный адаптер для NAND FLASH памяти. |   | |
DIP40/BGA56 специализированный адаптер для FLASH памяти. |   | |
DIP40/BGA64 специализированный адаптер для FLASH памяти. |   | |
DIP40/BGA64 специализированный адаптер для FLASH памяти. |   | |
DIP40/BGA64 специализированный адаптер для FLASH памяти. |   | |
DIP40/BGA64 специализированный адаптер для FLASH памяти. |   | |
DIP40/BGA64 специализированный адаптер для FLASH памяти. |   | |
DIP40/BGA64 специализированный адаптер для FLASH памяти. |   | |
DIP40/BGA64 специализированный адаптер для FLASH памяти. |   | |
DIP40/BGA64 специализированный адаптер для FLASH памяти. |   | |
DIP40/BGA64 специализированный адаптер для FLASH памяти. |   | |
DIP40/BGA64 специализированный адаптер для FLASH памяти. |   | |
DIP40/BGA84 специализированный адаптер для FLASH памяти. |   | |
DIP40/BGA84 специализированный адаптер для FLASH памяти. |   | |
DIP40/BGA88 специализированный адаптер для FLASH памяти. |   | |
DIP32/DIP28 специализированный адаптер для EPROM/FLASH памяти. |   | |
DIP40/DIP48 специализированный адаптер для EPROM/FLASH памяти. |   | |
DIP40/DIP48 специализированный адаптер для EPROM/FLASH памяти. |   | |
DIP40/M42 специализированный адаптер для микросхемы памяти 1636PP1 фирмы Milandr . |   | |
DIP32/M42 специализированный адаптер для микросхемы памяти 1638PP1 фирмы Angstrem. |   | |
DIP40/QFP44 specialized adapter for Microchip PIC devices. |   | |
DIP40/M48 специализированный адаптер для микросхемы памяти 1636PP2 фирмы Milandr . |   | |
DIP40/M88 специализированный адаптер для микроконтроллера 1874BE76T фирмы НИИЭТ. |   | |
DIP40/M88 специализированный адаптер для микроконтроллера 1874BE86T фирмы НИИЭТ. |   | |
DIP28/MLF28 специализированный адаптер для микроконтроллеров PIC фирмы Microchip в MLF/QFN корпусах. | Emulation Technology: AS028-28-02ML-6 | |
DIP20/PLCC20 universal adapter with open top socket. | Logical Systems: PA20-20-1PD3 | |
DIP20/PLCC20 universal adapter with clam shell socket. | Logical Systems: PA20-20-1PZ3 | |
DIP28/PLCC28 universal adapter with open top socket. | Logical Systems: PA28-28 | |
DIP28/PLCC28 universal adapter with clam shell socket. | Logical Systems: PA28-28(Z) | |
DIP28/PLCC32 specialized adapter for EPROM/FLASH with open top socket. | Logical Systems: PA32-28 | |
DIP28/PLCC32 specialized adapter for EPROM/FLASH with clam shell socket. | Logical Systems: PA32-28Z | |
DIP32/PLCC32 specialized adapter for EPROM/FLASH with open top socket. |   | |
DIP32/PLCC32 specialized adapter for EPROM/FLASH with clam shell socket. |   | |
DIP32/PLCC32 specialized adapter for EPROM/FLASH with open top socket. |   | |
DIP32/PLCC32 specialized adapter for EPROM/FLASH with clam shell socket. |   | |
DIP32/PLCC32 universal adapter with open top socket. | Logical Systems: PA32-32 | |
DIP32/PLCC32 universal adapter with clam shell socket. | Logical Systems: PA32-32Z | |
DIP40/PLCC44 specialized adapter for EPROM/FLASH with open top socket. | Logical Systems: PA280-44 | |
DIP40/PLCC44 specialized adapter for EPROM/FLASH with clam shell socket. | Logical Systems: PA280-44Z | |
DIP40/PLCC44 specialized adapter for Altera EPMxxx devices with open top socket. |   | |
DIP40/PLCC44 specialized adapter for Altera EPMxxx devices with clam shell socket. |   | |
DIP20/PLCC44 specialized adapter for Atmel AT17xxx devices with open top socket. |   | |
DIP20/PLCC44 specialized adapter for Atmel AT17xxx devices with clam shell socket. |   | |
DIP20/PLCC44 specialized adapter for Atmel AT17xxx devices with open top socket. |   | |
DIP20/PLCC44 specialized adapter for Atmel AT17xxx devices with clam shell socket. |   | |
DIP40/PLCC44 specialized adapter for Atmel AVR devices with open top socket. | Logical Systems: PA44-40-30-PD | |
DIP40/PLCC44 specialized adapter for Atmel AVR devices with clam shellsocket. |   | |
DIP40/PLCC44 specialized adapter for Atmel ATF1500 devices with open top socket. |   | |
DIP40/PLCC44 specialized adapter for Atmel ATF2500 devices with open top socket. |   | |
DIP40/PLCC44 specialized adapter for Atmel ATF2500 devices with clam shell socket. |   | |
DIP40/PLCC44 specialized adapter with open top socket. |   | |
DIP40/PLCC44 specialized adapter with clam shell socket. |   | |
DIP40/PLCC44 specialized adapter for 8051 family microcontrollers with open top socket. |   | |
DIP40/PLCC44 specialized adapter for 8051 family microcontrollers with clam shell socket. |   | |
DIP40/PLCC44 specialized adapter for Philips/NXP microcontrollers with open top socket. |   | |
DIP40/PLCC44 specialized adapter for Philips/NXP microcontrollers with clam shell socket. |   | |
DIP28/PLCC44 specialized adapter for Philips/NXP microcontrollers with open top socket. |   | |
DIP28/PLCC44 specialized adapter for Philips/NXP microcontrollers with clam shell socket. |   | |
DIP40/PLCC44 specialized adapter PLD devices with open top socket. |   | |
DIP40/PLCC44 specialized adapter PLD devices with clam shell socket. |   | |
DIP40/PLCC44 specialized adapter with open top socket. | Logical Systems: PA51CC-PD | |
DIP40/PLCC44 specialized adapter with clam shell socket. |   | |
DIP40/PLCC44 specialized adapter with open top socket. |   | |
DIP40/PLCC44 specialized adapter with clam shell socket. |   | |
DIP40/PLCC44 specialized adapter with open top socket. |   | |
DIP40/PLCC44 specialized adapter with clam shell socket. |   | |
DIP40/PLCC44 specialized adapter for Nuvoton/Winbond microcontrollers with open top socket. |   | |
DIP40/PLCC44 specialized adapter for Nuvoton/Winbond microcontrollers with open top socket. |   | |
DIP40/PLCC44 specialized adapter for Nuvoton/Winbond microcontrollers with clam shell socket. |   | |
DIP40/PLCC44 specialized adapter for Nuvoton/Winbond microcontrollers with clam shell socket. |   | |
DIP20/PLCC44 specialized adapter for Xilinx devices with open top socket. |   | |
DIP20/PLCC44 specialized adapter for Xilinx devices with open top socket. |   | |
DIP40/PLCC44 specialized adapter for microcontrollers with open top socket. | Logical Systems: PA51-44 | |
DIP40/PLCC44 specialized adapter for microcontrollers with clam shell socket. | Logical Systems: PA51-44Z | |
DIP40/PLCC44 specialized adapter for Microchip microcontrollers with open top socket. | Logical Systems: PA44-40-P64 | |
DIP40/PLCC44 specialized adapter for Microchip microcontrollers with clam shell socket. |   | |
DIP40/PLCC44 specialized adapter for Microchip microcontrollers with open top socket. | Logical Systems: PA17C42-PD | |
DIP40/PLCC44 specialized adapter for Microchip microcontrollers with clam shell socket. |   | |
DIP44/PLCC44 universal adapter with open top socket. | Logical Systems: PA44-PD | |
DIP44/PLCC44 universal adapter with clam shell socket. | Logical Systems: PA44-PDZ | |
DIP40/PLCC52 specialized adapter for Motorola/Freescale microcontrollers with open top socket. |   | |
DIP40/PLCC52 specialized adapter for Motorola/Freescale microcontrollers with clam shell socket. |   | |
DIP40/PLCC52 specialized adapter for Atmel microcontrollers with open top socket. |   | |
DIP40/PLCC52 specialized adapter for Atmel microcontrollers with clam shell socket. |   | |
DIP40/PLCC52 specialized adapter for Atmel microcontrollers with open top socket. |   | |
DIP40/PLCC52 specialized adapter for Atmel microcontrollers with clam shell socket. |   | |
DIP40/PLCC52 specialized adapter for Atmel microcontrollers with open top socket. |   | |
DIP40/PLCC52 specialized adapter for Atmel microcontrollers with clam shell socket. |   | |
DIP40/PLCC52 specialized adapter for Dallas/Maxim microcontrollers with open top socket. | Logical Systems: PA530-52 | |
DIP40/PLCC52 specialized adapter for Dallas/Maxim microcontrollers with clam shell socket. |   | |
DIP40/PLCC52 specialized adapter for Intel microcontrollers with open top socket, |   | |
DIP40/PLCC52 specialized adapter for Intel microcontrollers with clam shell socket, |   | |
DIP40/PLCC68 specialized adapter for Atmel microcontrollers with open top socket. |   | |
DIP40/PLCC68 specialized adapter for Atmel microcontrollers with clam shell socket. |   | |
DIP40/PLCC68 specialized adapter with open top socket. |   | |
DIP40/PLCC68 specialized adapter with clam shell socket. |   | |
DIP40/PLCC68 specialized adapter for Nuvoton/Winbond microcontrollers with open top socket. |   | |
DIP40/PLCC68 specialized adapter for Nuvoton/Winbond microcontrollers with clam shell socket. |   | |
DIP40/PLCC68 specialized adapter for Intel microcontrollers with open top socket. |   | |
DIP40/PLCC68 specialized adapter for Intel microcontrollers with clam shell socket. |   | |
DIP40/PLCC68 specialized adapter for Intel microcontrollers with open top socket. |   | |
DIP40/PLCC68 specialized adapter for Intel microcontrollers with clam shell socket. |   | |
DIP40/PLCC68 specialized adapter for Intel microcontrollers with oprn top socket. |   | |
DIP40/PLCC68 specialized adapter for Intel microcontrollers with clam shell socket. |   | |
DIP40/PLCC68 specialized adapter for Intel microcontrollers with open top socket. |   | |
DIP40/PLCC68 specialized adapter for Intel microcontrollers with clam shell socket. |   | |
DIP40/PLCC68 specialized adapter for Intel microcontrollers with open top socket. |   | |
DIP40/PLCC68 specialized adapter for Intel microcontrollers with clam shell socket. |   | |
DIP40/PLCC68 specialized adapter for Microchip PIC microcontrollers with open top socket. |   | |
DIP40/PLCC68 specialized adapter for Microchip PIC microcontrollers with open top socket. |   | |
DIP40/PLCC68 specialized adapter for Microchip PIC microcontrollers with clam shell socket. |   | |
DIP40/PLCC68 specialized adapter for Microchip PIC microcontrollers with clam shell socket. |   | |
DIP40/PLCC68 specialized adapter for Philips/NXP microcontrollers with open top socket. | Logical Systems: PA552-68 | |
DIP40/PLCC68 specialized adapter for Philips/NXP microcontrollers with clam shell socket. |   | |
DIP40/PLCC84 specialized adapter for Altera EPMxxx devices with open top socket. |   | |
DIP40/PLCC84 specialized adapter for Altera EPMxxx devices with clam shell socket. |   | |
DIP40/PLCC84 specialized adapter for Altera EPMxxx devices with open top socket. |   | |
DIP40/PLCC84 specialized adapter for Altera EPMxxx devices with clam shell socket. |   | |
DIP40/PLCC84 specialized adapter for Intel devices with open top socket. |   | |
DIP40/PLCC84 specialized adapter for Intel devices with clam shell socket. |   | |
DIP40/PLCC84 specialized adapter for Intel devices with open top socket. |   | |
DIP40/PLCC84 specialized adapter for Intel devices with clam shell socket. |   | |
DIP40/PLCC84 specialized adapter for Microchip PIC devices with open top socket. |   | |
DIP40/PLCC84 specialized adapter for Microchip PIC devices with clam shell socket. |   | |
DIP40/QFP100 специализированный адаптер для микросхем фирмы Altera. |   | |
DIP40/QFP100 специализированный адаптер для микроконтроллеров семейства AVR фирмы Atmel. |   | |
DIP40/QFP100 специализированный адаптер для микроконтроллеров фирмы Cypress. Размеры корпуса: 14.0 x 14.0 x 1.0 мм, (корпус с выводами -16.0 x 16.0 мм), 0.5 мм шаг. |   | |
DIP40/QFP100 специализированный адаптер для микроконтроллеров семейства EFM32 фирмы Energy Micro. Размеры корпуса: 14.0 x 14.0 x 1.0 мм, (корпус с выводами -16.0 x 16.0 мм), 0.5 мм шаг. |   | |
DIP40/QFP100 специализированный адаптер для микроконтроллеров MC9S12xxx фирмы Motorola/Freescale.Размеры корпуса: 14.0 x 14.0 x 1.0 мм, (корпус с выводами -16.0 x 16.0 мм), 0.5 мм шаг. |   | |
DIP42/QFP100 специализированный адаптер для микроконтроллеров MC9S12xxx фирмы Motorola/Freescale.Размеры корпуса: 14.0 x 14.0 x 1.0 мм, (корпус с выводами -16.0 x 16.0 мм), 0.5 мм шаг. |   | |
DIP28/QFP100 специализированный адаптер для микроконтроллеров фирмы TI/Luminary. Размеры корпуса: 14.0 x 14.0 x 1.0 мм, (корпус с выводами -16.0 x 16.0 мм), 0.5 мм шаг. |   | |
DIP40/QFP100 специализированный адаптер для микроконтроллеров фирмы NXP/Phlips. Размеры корпуса: 14.0 x 14.0 x 1.0 мм, (корпус с выводами -16.0 x 16.0 мм), 0.5 мм шаг. |   | |
DIP40/QFP100 специализированный адаптер для микроконтроллеров фирмы NXP/Phlips. Размеры корпуса: 14.0 x 14.0 x 1.0 мм, (корпус с выводами -16.0 x 16.0 мм), 0.5 мм шаг. |   | |
DIP40/QFP100 специализированный адаптер для микросхем фирмы Altera. |   | |
DIP40/QFP100 специализированный адаптер для микроконтроллеров фирмы Fujitsu. Размеры корпуса: 14.0 x 14.0 x 1.0 мм, (корпус с выводами -16.0 x 16.0 мм), 0.5 мм шаг. |   | |
DIP40/QFP100 специализированный адаптер для микроконтроллеров фирмы TI. Размеры корпуса: 14.0 x 14.0 x 1.0 мм, (корпус с выводами -16.0 x 16.0 мм), 0.5 мм шаг. |   | |
DIP40/QFP100 специализированный адаптер для микроконтроллеров фирмы NEC. Размеры корпуса: 14.0 x 14.0 x 1.0 мм, (корпус с выводами -16.0 x 16.0 мм), 0.5 мм шаг. |   | |
DIP40/QFP100 специализированный адаптер для микроконтроллеров фирмы Cypress. Размеры корпуса: 14.0 x 14.0 x 1.0 мм, (корпус с выводами -16.0 x 16.0 мм), 0.5 мм шаг. |   | |
DIP40/QFP100 специализированный адаптер для микроконтроллеров фирмы Sensory. Размеры корпуса: 14.0 x 14.0 x 1.0 мм, (корпус с выводами -16.0 x 16.0 мм), 0.5 мм шаг. |   | |
DIP40/QFP100 специализированный адаптер для микроконтроллеров фирмы Atmel. Размеры корпуса: 14.0 x 14.0 x 1.0 мм, (корпус с выводами -16.0 x 16.0 мм), 0.5 мм шаг. |   | |
DIP40/QFP100 специализированный адаптер для микроконтроллеров фирмы Atmel. Размеры корпуса: 14.0 x 14.0 x 1.0 мм, (корпус с выводами -16.0 x 16.0 мм), 0.5 мм шаг. |   | |
DIP40/QFP100 specialized adapter for Silabs/Cygnal microcontrollers. |   | |
DIP40/QFP100 специализированный адаптер для микроконтроллеров семейства STM32 фирмы STMicro. Размеры корпуса: 14.0 x 14.0 x 1.0 мм, (корпус с выводами -16.0 x 16.0 мм), 0.5 мм шаг. |   | |
DIP40/QFP100 специализированный адаптер для микроконтроллеров фирмы Nuvoton/Winbond. Размеры корпуса: 14.0 x 20.0 x 2.75 мм, (корпус с выводами -117.4 x 23.4 мм), 0.65 мм шаг. |   | |
DIP40/QFP100 специализированный адаптер для микроконтроллеров фирмы Atmel. Размеры корпуса: 14.0 x 14.0 x 1.0 мм, (корпус с выводами -16.0 x 16.0 мм), 0.5 мм шаг. |   | |
DIP40/QFP100 специализированный адаптер для микроконтроллеров PIC фирмы Microchip. Размеры корпуса: 14.0 x 14.0 x 1.0 мм, (корпус с выводами -16.0 x 16.0 мм), 0.5 мм шаг. |   | |
DIP40/QFP100 специализированный адаптер для микроконтроллеров PIC фирмы Microchip. Размеры корпуса: 12.0 x 12.0 x 1.4 мм, (корпус с выводами -14.0 x 14.0 мм), 0.4 мм шаг. |   | |
DIP40/QFP100 специализированный адаптер для микроконтроллеров фирмы Renesas (Mitsubishi). Размеры корпуса: 14.0 x 14.0 x 1.4 мм, (корпус с выводами -16.0 x 16.0 мм), 0.5 мм шаг. |   | |
DIP40/QFP100 специализированный адаптер для микроконтроллеров фирмы Renesas (Mitsubishi). Размеры корпуса: 14.0 x 20.0 x 2.8 мм, (корпус с выводами -16.8 x 22.8 мм), 0.65 мм шаг. |   | |
DIP40/QFP112 специализированный адаптер для микроконтроллеров фирмы Motorola/Freescale MC9S12xxx . Размеры корпуса: 20.0 x 20.0 x 1.6 мм, (корпус с выводами -22.0 x 22.0 мм), 0.65 мм шаг. |   | |
DIP40/QFP144 специализированный адаптер для микроконтроллеров фирмы Altera. Размеры корпуса: 20.0 x 20.0 x 1.4 мм, (корпус с выводами -22.0 x 22.0 мм), 0.5 мм шаг. |   | |
DIP40/QFP144 специализированный адаптер для микроконтроллеров фирмы Motorola/Freescale MC9S12xxx . Размеры корпуса: 20.0 x 20.0 x 1.4 мм, (корпус с выводами -22.0 x 22.0 мм), 0.5 мм шаг. |   | |
DIP40/QFP144 специализированный адаптер для микроконтроллеров фирмы NXP/Philips . Размеры корпуса: 20.0 x 20.0 x 1.4 мм, (корпус с выводами -22.0 x 22.0 мм), 0.5 мм шаг. |   | |
DIP40/QFP144 специализированный адаптер для микроконтроллеров фирмы NXP/Philips . Размеры корпуса: 20.0 x 20.0 x 1.4 мм, (корпус с выводами -22.0 x 22.0 мм), 0.5 мм шаг. |   | |
DIP40/QFP144 специализированный адаптер для микроконтроллеров фирмы Altera. Размеры корпуса: 20.0 x 20.0 x 1.4 мм, (корпус с выводами -22.0 x 22.0 мм), 0.5 мм шаг. |   | |
DIP40/QFP144 специализированный адаптер для микроконтроллеров фирмы NEC. Размеры корпуса: 20.0 x 20.0 x 1.4 мм, (корпус с выводами -22.0 x 22.0 мм), 0.5 мм шаг. |   | |
DIP40/QFP144 специализированный адаптер для микроконтроллеров семейства STM32 фирмы STMicro. Размеры корпуса: 20.0 x 20.0 x 1.4 мм, (корпус с выводами -22.0 x 22.0 мм), 0.5 мм шаг. |   | |
DIP40/QFP176 специализированный адаптер для микроконтроллеров фирмы SST. Размеры корпуса: 20.0 x 20.0 x 1.5 мм, (корпус с выводами -22.0 x 22.0 мм), 0.4 мм шаг. |   | |
DIP28/QFP32 специализированный адаптер для микроконтроллеров фирмы Atmel. Размеры корпуса: 7.0 x 7.0 x 1.2 мм, (корпус с выводами -9.0 x 9.0 мм), 0.8 мм шаг. | Logical Systems: PA32Q1498-28D6-20 | |
DIP32/QFP32 специализированный адаптер для микроконтроллеров семейства STM8 фирмы STMicro. Размеры корпуса: 7.0 x 7.0 x 1.2 мм, (корпус с выводами -9.0 x 9.0 мм), 0.8 мм шаг. |   | |
DIP32/QFP32 специализированный адаптер для микроконтроллеров семейства STM8 фирмы STMicro. Размеры корпуса: 7.0 x 7.0 x 1.2 мм, (корпус с выводами -9.0 x 9.0 мм), 0.8 мм шаг. |   | |
DIP40/QFP32 специализированный адаптер для микроконтроллеров фирмы Semtech/Xemics. Размеры корпуса: 7.0 x 7.0 x 1.2 мм, (корпус с выводами -9.0 x 9.0 мм), 0.8 мм шаг. |   | |
DIP32/QFP32 универсальный адаптер. Размеры корпуса: 7.0 x 7.0 x 1.2 мм, (корпус с выводами -9.0 x 9.0 мм), 0.8 мм шаг. |   | |
DIP40/QFP44 специализированный адаптер для микросхем фирмы Alteral. Размеры корпуса: 10.0 x 10.0 мм, 0.8 мм шаг. |   | |
DIP40/QFP44 специализированный адаптер для микросхем фирмы Atmel. Размеры корпуса: 10.0 x 10.0 мм, 0.8 мм шаг. |   | |
DIP40/QFP44 специализированный адаптер для микросхем фирмы Atmel. Размеры корпуса: 10.0 x 10.0 мм, 0.8 мм шаг. |   | |
DIP40/QFP44 специализированный адаптер для микросхем семейства AVR фирмы Atmel. Размеры корпуса: 10.0 x 10.0 мм, 0.8 мм шаг. |   | |
DIP40/QFP44 специализированный адаптер для микросхем семейства 8051 фирмы Atmel. Размеры корпуса: 10.0 x 10.0 мм, 0.8 мм шаг. |   | |
DIP40/QFP44 специализированный адаптер для микросхем фирмы NXP/Philips. Размеры корпуса: 10.0 x 10.0 мм, 0.8 мм шаг. |   | |
DIP40/QFP44 специализированный адаптер для микросхем PIC фирмы Microchip. Размеры корпуса: 10.0 x 10.0 мм, 0.8 мм шаг. |   | |
DIP40/QFP44 специализированный адаптер для микросхем PIC фирмы Microchip. Размеры корпуса: 10.0 x 10.0 мм, 0.8 мм шаг. |   | |
DIP40/QFP44 специализированный адаптер для микроконтроллеров фирмы Cypress. Размеры корпуса: 10.0 x 10.0 мм, 0.8 мм шаг. |   | |
DIP40/QFP44 специализированный адаптер для микросхем STM8 фирмы STMicro. Размеры корпуса: 10.0 x 10.0 мм, 0.8 мм шаг. |   | |
DIP40/QFP44 специализированный адаптер для микроконтроллеров фирмы Nuvoton/Winbond. Размеры корпуса: 10.0 x 10.0 мм, 0.8 мм шаг. |   | |
DIP40/QFP44 специализированный адаптер для микросхем фирмы Xilinx. Размеры корпуса: 10.0 x 10.0 мм, 0.8 мм шаг. |   | |
DIP40/QFP44 специализированный адаптер для микросхем фирмы Semtech/Xemics. Размеры корпуса: 10.0 x 10.0 мм, 0.8 мм шаг. |   | |
DIP40/QFP48 специализированный адаптер для микроконтроллеров фирмы Atmel. Размеры корпуса: 7.0 x 7.0 x 1.5 мм, (с выводами - 9.0 x 9.0), 0.5 мм шаг. |   | |
DIP40/QFP44 специализированный адаптер для микросхем PIC фирмы Microchip. Размеры корпуса: 10.0 x 10.0 мм, 0.8 мм шаг. |   | |
DIP40/QFP44 специализированный адаптер для микросхем PIC фирмы Microchip. Размеры корпуса: 10.0 x 10.0 мм, 0.8 мм шаг. |   | |
DIP44/QFP44 универсальный адаптер . Размеры корпуса: 10.0 x 10.0 мм, 0.8 мм шаг. |   | |
DIP40/QFP48 специализированный адаптер для микроконтроллеров фирмы Fujitsu. Размеры корпуса: 7.0 x 7.0 x 1.5 мм, (с выводами - 9.0 x 9.0), 0.5 мм шаг. |   | |
DIP48/QFP48 специализированный адаптер для микроконтроллеров фирмы Motorola/Freescale. Размеры корпуса: 7.0 x 7.0 x 1.5 мм, (с выводами - 9.0 x 9.0), 0.5 мм шаг. |   | |
DIP28/QFP48 специализированный адаптер для микроконтроллеров фирмы TI/Luminary. Размеры корпуса: 7.0 x 7.0 x 1.5 мм, (с выводами - 9.0 x 9.0), 0.5 мм шаг. |   | |
DIP40/QFP48 специализированный адаптер для микроконтроллеров фирмы Atmel. Размеры корпуса: 7.0 x 7.0 x 1.5 мм, (с выводами - 9.0 x 9.0), 0.5 мм шаг. |   | |
DIP40/QFP48 специализированный адаптер для микроконтроллеров фирмы STMicro. Размеры корпуса: 7.0 x 7.0 x 1.5 мм, (с выводами - 9.0 x 9.0), 0.5 мм шаг. |   | |
DIP40/QFP48 специализированный адаптер для микроконтроллеров фирмы STMicro. Размеры корпуса: 7.0 x 7.0 x 1.5 мм, (с выводами - 9.0 x 9.0), 0.5 мм шаг. |   | |
DIP40/QFP48 специализированный адаптер для микроконтроллеров фирмы STMicro. Размеры корпуса: 7.0 x 7.0 x 1.5 мм, (с выводами - 9.0 x 9.0), 0.5 мм шаг. |   | |
DIP40/QFP48 специализированный адаптер для микроконтроллеров фирмы Nuvoton/Winbond. Размеры корпуса: 7.0 x 7.0 x 1.5 мм, (с выводами - 9.0 x 9.0), 0.5 мм шаг. |   | |
DIP40/QFP48 специализированный адаптер для микроконтроллеров фирмы Nuvoton/Winbond. Размеры корпуса: 7.0 x 7.0 x 1.5 мм, (с выводами - 9.0 x 9.0), 0.5 мм шаг. |   | |
DIP40/QFP48 специализированный адаптер для микроконтроллеров фирмы Nuvoton/Winbond. Размеры корпуса: 7.0 x 7.0 x 1.5 мм, (с выводами - 9.0 x 9.0), 0.5 мм шаг. |   | |
DIP40/QFP48 специализированный адаптер для микроконтроллеров фирмы Nuvoton/Winbond. Размеры корпуса: 7.0 x 7.0 x 1.5 мм, (с выводами - 9.0 x 9.0), 0.5 мм шаг. |   | |
DIP40/QFP48 специализированный адаптер для микроконтроллеров фирмы Infineon. Размеры корпуса: 7.0 x 7.0 x 1.5 мм, (с выводами - 9.0 x 9.0), 0.5 мм шаг. |   | |
DIP40/QFP48 специализированный адаптер для микроконтроллеров семейства 8051. Размеры корпуса: 7.0 x 7.0 x 1.5 мм, (с выводами - 9.0 x 9.0), 0.5 мм шаг. |   | |
DIP48/QFP48 универсальный адаптер. Размеры корпуса: 7.0 x 7.0 x 1.5 мм, (с выводами - 9.0 x 9.0), 0.5 мм шаг. |   | |
DIP40/QFP52 специализированный адаптер для микроконтроллеров фирмы Motorola/Freescale. Размеры корпуса: 10.0 x 10.0 x 1.7 мм, (с выводами - 12.0 x 12.0), 0.65 мм шаг. |   | |
DIP40/QFP64 специализированный адаптер для микроконтроллеров AVR фирмы Atmel. Размеры корпуса: 14.0 x 14.0 x 1.2 мм, (с выводами - 16.0 x 16.0), 0.8 мм шаг. |   | |
DIP40/QFP64 специализированный адаптер для микроконтроллеров фирмы Fujitsu. Размеры корпуса: 12.0 x 12.0 x 1.7 мм, (с выводами - 14.0 x 14.0), 0.65 мм шаг. |   | |
DIP40/QFP64 специализированный адаптер для микроконтроллеров фирмы Fujitsu. Размеры корпуса: 10.0 x 10.0 x 1.7 мм, (с выводами - 12.0 x 12.0), 0.5 мм шаг. |   | |
DIP40/QFP64 специализированный адаптер для микроконтроллеров фирмы Hitachi. Размеры корпуса: 10.0 x 10.0 x 1.1 мм, (с выводами - 12.0 x 12.0), 0.5 мм шаг. |   | |
DIP40/QFP64 специализированный адаптер для микроконтроллеров фирмы Motorola/Freescale. Размеры корпуса: 10.0 x 10.0 x 1.1 мм, (с выводами - 12.0 x 12.0), 0.5 мм шаг. |   | |
DIP40/QFP64 специализированный адаптер для микроконтроллеров фирмы Motorola/Freescale. Размеры корпуса: 14.0 x 14.0 x 1.2 мм, (с выводами - 16.0 x 16.0), 0.8 мм шаг. |   | |
DIP40/QFP64 специализированный адаптер для микроконтроллеров фирмы Motorola/Freescale. Размеры корпуса: 14.0 x 14.0 x 1.2 мм, (с выводами - 16.0 x 16.0), 0.8 мм шаг. |   | |
DIP40/QFP64 специализированный адаптер для микроконтроллеров фирмы Motorola/Freescale. Размеры корпуса: 10.0 x 10.0 x 1.1 мм, (с выводами - 12.0 x 12.0), 0.5 мм шаг. |   | |
DIP40/QFP64 специализированный адаптер для микроконтроллеров фирмы Motorola/Freescale. Размеры корпуса: 14.0 x 14.0 x 2.4 мм, (с выводами - 17.0 x 17.0), 0.8 мм шаг. |   | |
DIP40/QFP64 специализированный адаптер для микроконтроллеров фирмы Motorola/Freescale. Размеры корпуса: 10.0 x 10.0 x 1.1 мм, (с выводами - 12.0 x 12.0), 0.5 мм шаг. |   | |
DIP40/QFP64 специализированный адаптер для микроконтроллеров фирмы TI/Luminary. Размеры корпуса: 10.0 x 10.0 x 1.1 мм, (с выводами - 12.0 x 12.0), 0.5 мм шаг. |   | |
DIP40/QFP64 специализированный адаптер для микроконтроллеров фирмы NXP/Philips. Размеры корпуса: 10.0 x 10.0 x 1.1 мм, (с выводами - 12.0 x 12.0), 0.5 мм шаг. |   | |
DIP40/QFP64 специализированный адаптер для микроконтроллеров фирмы Maxim. Размеры корпуса: 10.0 x 10.0 x 1.1 мм, (с выводами - 12.0 x 12.0), 0.5 мм шаг. |   | |
DIP40/QFP64 специализированный адаптер для микроконтроллеров фирмы TI. Размеры корпуса: 10.0 x 10.0 x 1.1 мм, (с выводами - 12.0 x 12.0), 0.5 мм шаг. |   | |
DIP40/QFP64 специализированный адаптер для микроконтроллеров фирмы NEC. Размеры корпуса: 10.0 x 10.0 x 1.1 мм, (с выводами - 12.0 x 12.0), 0.5 мм шаг. |   | |
DIP40/QFP64 специализированный адаптер для микроконтроллеров фирмы NEC. Размеры корпуса: 14.0 x 14.0 x 1.2 мм, (с выводами - 16.0 x 16.0), 0.8 мм шаг. |   | |
DIP40/QFP64 специализированный адаптер для микроконтроллеров фирмы NEC. Размеры корпуса: 12.0x12.0, 0.65 мм шаг. |   | |
DIP40/QFP64 специализированный адаптер для микроконтроллеров фирмы NEC. Размеры корпуса: 7.0x 7.0, 0.4 мм шаг. |   | |
DIP40/QFP64 специализированный адаптер для PIC микроконтроллеров фирмы Microchip. Размеры корпуса: 10.0 x 10.0 x 1.1 мм, (с выводами - 12.0 x 12.0), 0.5 мм шаг. |   | |
DIP40/QFP64 специализированный адаптер для PIC микроконтроллеров фирмы Microchip. Размеры корпуса: 14.0 x 14.0 x 1.2 мм, (с выводами - 16.0 x 16.0), 0.8 мм шаг. |   | |
DIP40/QFP64 специализированный адаптер для микроконтроллеров фирмы Atmel. Размеры корпуса: 10.0 x 10.0 x 1.1 мм, (с выводами - 12.0 x 12.0), 0.5 мм шаг. |   | |
DIP40/QFP64 specialized adapter for Silabs/Cygnal microcontrollers. |   | |
DIP40/QFP64 специализированный адаптер для микроконтроллеров фирмы STM. Размеры корпуса: 10.0 x 10.0 x 1.1 мм, (с выводами - 12.0 x 12.0), 0.5 мм шаг. |   | |
DIP40/QFP64 специализированный адаптер для микроконтроллеров фирмы STM. Размеры корпуса: 14.0 x 14.0 x 1.2 мм, (с выводами - 16.0 x 16.0), 0.8 мм шаг. |   | |
DIP40/QFP64 специализированный адаптер для микроконтроллеров фирмы STM. Размеры корпуса: 10.0 x 10.0 x 1.1 мм, (с выводами - 12.0 x 12.0), 0.5 мм шаг. |   | |
DIP40/QFP64 специализированный адаптер для микроконтроллеров фирмы STM. Размеры корпуса: 10.0 x 10.0 x 1.1 мм, (с выводами - 12.0 x 12.0), 0.5 мм шаг. |   | |
DIP40/QFP64 специализированный адаптер для микроконтроллеров фирмы STM. Размеры корпуса: 10.0 x 10.0 x 1.1 мм, (с выводами - 12.0 x 12.0), 0.5 мм шаг. |   | |
DIP40/QFP64 специализированный адаптер для микроконтроллеров фирмы STM. Размеры корпуса: 14.0 x 14.0 x 1.2 мм, (с выводами - 16.0 x 16.0), 0.8 мм шаг. |   | |
DIP40/QFP64 специализированный адаптер для микроконтроллеров фирмы Atmel. Размеры корпуса: 10.0 x 10.0 x 1.1 мм, (с выводами - 12.0 x 12.0), 0.5 мм шаг. |   | |
DIP40/QFP64 специализированный адаптер для микроконтроллеров фирмы Atmel. Размеры корпуса: 10.0 x 10.0 x 1.1 мм, (с выводами - 12.0 x 12.0), 0.5 мм шаг. |   | |
DIP40/QFP64 специализированный адаптер для микроконтроллеров фирмы Infineon. Размеры корпуса: 10.0 x 10.0 x 1.1 мм, (с выводами - 12.0 x 12.0), 0.5 мм шаг. |   | |
DIP40/QFP64 специализированный адаптер для микроконтроллеров фирмы Semtech/Xemics. Размеры корпуса: 10.0 x 10.0 x 1.1 мм, (с выводами - 12.0 x 12.0), 0.5 мм шаг. |   | |
DIP40/QFP64 специализированный адаптер для микроконтроллеров AVR фирмы Atmel. Размеры корпуса: 14.0 x 14.0 x 1.2 мм, (с выводами - 16.0 x 16.0), 0.8 мм шаг. |   | |
DIP40/QFP64 специализированный адаптер для PIC микроконтроллеров фирмы Microchip. Размеры корпуса: 10.0 x 10.0 x 1.1 мм, (с выводами - 12.0 x 12.0), 0.5 мм шаг. |   | |
DIP40/QFP64 специализированный адаптер для PIC микроконтроллеров фирмы Microchip. Размеры корпуса: 10.0 x 10.0 x 1.1 мм, (с выводами - 12.0 x 12.0), 0.5 мм шаг. |   | |
DIP40/QFP64 специализированный адаптер для PIC микроконтроллеров фирмы Microchip. Размеры корпуса: 10.0 x 10.0 x 1.1 мм, (с выводами - 12.0 x 12.0), 0.5 мм шаг. |   | |
DIP40/QFP64 специализированный адаптер для микроконтроллеров фирмы Philips/NXP. Размеры корпуса: 10.0 x 10.0 x 1.1 мм, (с выводами - 12.0 x 12.0), 0.5 мм шаг. |   | |
DIP40/QFP80 специализированный адаптер для 32-bit Flash памяти. |   | |
DIP40/QFP80 специализированный адаптер для микроконтроллеров фирмы Motorola/Freescale. Размеры корпуса: 12.0 x 12.0 x 1.1 мм, (с выводами - 14.0 x 14.0), 0.5 мм шаг. |   | |
DIP48/QFP80 специализированный адаптер для микроконтроллеров фирмы Motorola/Freescale. Размеры корпуса: 14.0 x 14.0 x 1.2 мм, (с выводами - 16.0 x 16.0), 0.65 мм шаг. |   | |
DIP48/QFP80 специализированный адаптер для микроконтроллеров фирмы Motorola/Freescale. Размеры корпуса: 14.0 x 14.0 x 2.3 мм, (с выводами - 17.0 x 17.0), 0.65 мм шаг. |   | |
DIP40/QFP80 специализированный адаптер для микроконтроллеров фирмы NXP/Phlips. Размеры корпуса: 12.0 x 12.0 x 1.1 мм, (корпус с выводами -14.0 x 14.0 мм), 0.5 мм шаг. |   | |
DIP40/QFP80 специализированный адаптер для микроконтроллеров фирмы TI. Размеры корпуса: 12.0 x 12.0 x 1.1 мм, (с выводами - 14.0 x 14.0), 0.5 мм шаг. |   | |
DIP40/QFP80 специализированный адаптер для микроконтроллеров PIC фирмы Microchip. Размеры корпуса: 12.0 x 12.0 x 1.1 мм, (с выводами - 14.0 x 14.0), 0.5 мм шаг. |   | |
DIP40/QFP80 специализированный адаптер для микроконтроллеров PIC фирмы Microchip. Размеры корпуса: 14.0 x 14.0 x 1.2 мм, (с выводами - 16.0 x 16.0), 0.65 мм шаг. |   | |
DIP40/QFP80 специализированный адаптер для микроконтроллеров PIC фирмы Microchip. Размеры корпуса: 12.0 x 12.0 x 1.1 мм, (с выводами - 14.0 x 14.0), 0.5 мм шаг. |   | |
DIP40/QFP80 специализированный адаптер для микроконтроллеров PIC фирмы Microchip. Размеры корпуса: 14.0 x 14.0 x 1.2 мм, (с выводами - 16.0 x 16.0), 0.65 мм шаг. |   | |
DIP40/QFP80 специализированный адаптер для микроконтроллеров фирмы STM. Размеры корпуса: 14.0 x 14.0 x 1.6 мм, (с выводами - 16.0 x 16.0), 0.65 мм шаг. |   | |
DIP40/QFP80 специализированный адаптер для микроконтроллеров фирмы STM. Размеры корпуса: 14.0 x 14.0 x 1.6 мм, (с выводами - 16.0 x 16.0), 0.65 мм шаг. |   | |
DIP40/QFP80 специализированный адаптер для микроконтроллеров фирмы STM. Размеры корпуса: 14.0 x 14.0 x 1.6 мм, (с выводами - 16.0 x 16.0), 0.65 мм шаг. |   | |
DIP40/QFP80 специализированный адаптер для микроконтроллеров фирмы Atmel. Размеры корпуса: 14.0 x 14.0 x 1.2 мм, (с выводами - 16.0 x 16.0), 0.65 мм шаг. |   | |
DIP40/QFP80 специализированный адаптер для микроконтроллеров PIC фирмы Microchip. Размеры корпуса: 12.0 x 12.0 x 1.1 мм, (с выводами - 14.0 x 14.0), 0.5 мм шаг. |   | |
DIP40/QFP80 специализированный адаптер для микроконтроллеров PIC фирмы Microchip. Размеры корпуса: 12.0 x 12.0 x 1.1 мм, (с выводами - 14.0 x 14.0), 0.5 мм шаг. |   | |
DIP14/QFN16 специализированный адаптер для микроконтроллеров фирмы Microchip. Размеры корпуса: 4.0 x 4.0 x 0.9 мм, 0.65 мм шаг. |   | |
DIP16/QFN16 универсальный адаптер. Размеры корпуса: 4.0 x 4.0 x 0.9 мм, 0.65 мм шаг. |   | |
DIP8/QFN20 специализированный адаптер для микроконтроллеров фирмы Atmel. Размеры корпуса: 4.0 x 4.0 x 0.9 мм, 0.5 мм шаг. |   | |
DIP20/QFN20 специализированный адаптер для микроконтроллеров фирмы Atmel. Размеры корпуса: 4.0 x 4.0 x 0.9 мм, 0.5 мм шаг. |   | |
DIP20/QFN20 специализированный адаптер для микроконтроллеров фирмы Microchip. Размеры корпуса: 4.0 x 4.0 x 0.9 мм, 0.5 мм шаг. |   | |
DIP20/QFN20 универсальный адаптер. Размеры корпуса: 4.0 x 4.0 x 0.9 мм, 0.5 мм шаг. |   | |
DIP24/QFN24 универсальный адаптер. Размеры корпуса: 4.0 x 4.0 x 0.9 мм, 0.5 мм шаг. |   | |
DIP28/QFN28 специализированный адаптер для микроконтроллеров фирмы Atmel. Размеры корпуса: 4.0 x 4.0 мм, 0.45 мм шаг. |   | |
DIP28/QFN28 специализированный адаптер для микроконтроллеров фирмы Microchip. Размеры корпуса: 6.0 x 6.0 x 0.9 мм, 0.65 мм шаг. |   | |
DIP28/QFN28 универсальный адаптер. Размеры корпуса: 6.0 x 6.0 x 0.9 мм, 0.65 мм шаг. |   | |
DIP28/QFN32 специализированный адаптер для микроконтроллеров фирмы Atmel. Размеры корпуса: 5.0 x 5.0 x 1.0 мм, 0.5 мм шаг. | Emulation Technology: AS-32-28-01ML-3 | |
DIP32/QFN32 специализированный адаптер для микроконтроллеров фирмы Atmel. Размеры корпуса: 7.0 x 7.0 x 1.0 мм, 0.65 мм шаг. |   | |
DIP20/QFN32 специализированный адаптер для микроконтроллеров фирмы Atmel. Размеры корпуса: 5.0 x 5.0 x 1.0 мм, 0.5 мм шаг. |   | |
DIP24/QFN32 специализированный адаптер для микроконтроллеров фирмы Atmel. Размеры корпуса: 7.0 x 7.0 x 1.0 мм, 0.65 мм шаг. |   | |
DIP32/QFN32 специализированный адаптер для микроконтроллеров фирмы STMicro. Размеры корпуса: 5.0 x 5.0 x 1.0 мм, 0.5 мм шаг. |   | |
DIP32/QFN32 специализированный адаптер для микроконтроллеров фирмы STMicro. Размеры корпуса: 5.0 x 5.0 x 1.0 мм, 0.5 мм шаг. |   | |
DIP32/QFN32 универсальный адаптер. Размеры корпуса: 7.0 x 7.0 x 1.0 мм, 0.65 мм шаг. |   | |
DIP32/QFN32 универсальный адаптер. Размеры корпуса: 5.0 x 5.0 x 0.8-0.9 мм, 0.5 мм шаг. |   | |
DIP40/QFN40 универсальный адаптер. Размеры корпуса: 6.0 x 6.0 x 0.75 мм, 0.5 мм шаг. |   | |
DIP40/QFN44 специализированный адаптер для AVR микроконтроллеров фирмы Atmel. Размеры корпуса: 7.0 x 7.0 x 1.0 мм, 0.5 мм шаг. |   | |
DIP40/QFN44 специализированный адаптер для AVR микроконтроллеров фирмы Atmel. Размеры корпуса: 7.0 x 7.0 x 1.0 мм, 0.5 мм шаг. |   | |
DIP40/QFN44 специализированный адаптер для AVR микроконтроллеров фирмы Atmel. Размеры корпуса: 7.0 x 7.0 x 0.9 мм, 0.5 мм шаг. |   | |
DIP40/QFN44 специализированный адаптер для микроконтроллеров фирмы Microchip. Размеры корпуса: 8.0 x 8.0 x 0.9 мм, 0.65 мм шаг. |   | |
DIP40/QFN44 специализированный адаптер для микроконтроллеров фирмы Microchip. Размеры корпуса: 8.0 x 8.0 x 0.9 мм, 0.65 мм шаг. |   | |
DIP40/QFN44 специализированный адаптер для микроконтроллеров фирмы Microchip. Размеры корпуса: 8.0 x 8.0 x 0.9 мм, 0.65 мм шаг. |   | |
DIP40/QFN48 специализированный адаптер для микроконтроллеров Cypress POSC1. Размеры корпуса: 7.0 x 7.0 x 1.0 мм, 0.5 мм шаг. |   | |
DIP40/QFN48 специализированный адаптер для микроконтроллеров фирмы Atmel. . Размеры корпуса: 7.0 x 7.0 x 1.0 мм, 0.5 мм шаг. |   | |
DIP40/QFN48 специализированный адаптер для микроконтроллеров фирмы STMicro. . Размеры корпуса: 7.0 x 7.0 x 1.0 мм, 0.5 мм шаг. |   | |
DIP40/QFN48 специализированный адаптер для микроконтроллеров фирмы STMicro. . Размеры корпуса: 7.0 x 7.0 x 1.0 мм, 0.5 мм шаг. |   | |
DIP40/QFN48 специализированный адаптер для микроконтроллеров фирмы STMicro. . Размеры корпуса: 7.0 x 7.0 x 1.0 мм, 0.5 мм шаг. |   | |
DIP40/QFN48 специализированный адаптер для микроконтроллеров фирмы STMicro. . Размеры корпуса: 7.0 x 7.0 x 1.0 мм, 0.5 мм шаг. |   | |
DIP48/QFN48 универсальный адаптер. Размеры корпуса: 7.0 x 7.0 x 1.0 мм, 0.5 мм шаг. |   | |
DIP40/QFN64 специализированный адаптер для микроконтроллеров фирмы Atmel. Размеры корпуса: 9.0 x 9.0 x 0.9 мм, 0.5 мм шаг. |   | |
DIP40/QFN64 специализированный адаптер для микроконтроллеров фирмы Atmel. Размеры корпуса: 9.0 x 9.0 x 0.9 мм, 0.5 мм шаг. |   | |
DIP40/QFN64 специализированный адаптер для микроконтроллеров фирмы Energy Micro. . Размеры корпуса: 9.0 x 9.0 x 1.0 мм, 0.5 мм шаг. |   | |
DIP40/QFN64 специализированный адаптер для микроконтроллеров фирмы TI. Размеры корпуса: 9.0 x 9.0 x 0.9 мм, 0.5 мм шаг. |   | |
DIP40/QFN64 специализированный адаптер для микроконтроллеров фирмы Atmel. Размеры корпуса: 9.0 x 9.0 x 0.9 мм, 0.5 мм шаг. |   | |
DIP40/QFN64 специализированный адаптер для микроконтроллеров фирмы Atmel. Размеры корпуса: 9.0 x 9.0 x 0.9 мм, 0.5 мм шаг. |   | |
DIP40/QFN68 специализированный адаптер для микроконтроллеров фирмы Cypress. Размеры корпуса: 8.0 x 8.0 x 0.9 мм, 0.4 мм шаг. |   | |
DIP28/SOIC28 специализированный адаптер для микросхем памяти серии 25xxx. Размеры корпуса: ширина - 7.65 мм (300mil), 1.27мм шаг. |   | |
DIP28/SOIC28 универсальный адаптер. Размеры корпуса микросхемы: ширина - 7.65 мм (300mil), 1.27мм шаг. | Logical Systems: PA28SO1-08-3 | |
DIP20/SOIC20 специализированный адаптер для микросхем памяти серии 25xxx. Размеры корпуса: ширина - 5.3 мм (208mil), 1.27мм шаг. |   | |
DIP28/SOIC20 specialized adapter for STMicroelectronics STM8 family. |   | |
DIP20/SOIC20 универсальный адаптер. Размеры корпуса микросхемы: ширина - 5.3 мм (208mil), 1.27мм шаг. |   | |
DIP28/SOIC28 универсальный адаптер. Размеры корпуса микросхемы: ширина - 8.7 мм (330mil), 1.27мм шаг. | Logical Systems: PA28SO1-06-3 | |
DIP32/SOIC32 универсальный адаптер. Размеры корпуса микросхемы: ширина - 7.5 мм (300mil), 1.27мм шаг. |   | |
DIP16/SOIC16 специализированный адаптер для микросхем памяти серии 25xxx. Размеры корпуса: ширина - 5.3 мм (208mil), 1.27мм шаг. |   | |
DIP16/SOIC16 специализированный адаптер для микросхем памяти серии 45xxx. Размеры корпуса: ширина - 5.3 мм (208mil), 1.27мм шаг. |   | |
DIP16/SOIC16 специализированный адаптер для микросхем памяти серии 25xxx. Размеры корпуса: ширина - 3.9 мм (150mil), 1.27мм шаг. |   | |
DIP16/SOIC16 специализированный адаптер для микросхем памяти серии 45xxx. Размеры корпуса: ширина - 3.9 мм (150mil), 1.27мм шаг. |   | |
DIP16/SOIC16 специализированный адаптер для микросхем памяти серии 25xxx. Размеры корпуса: ширина - 4.4 мм (173mil), 1.27мм шаг. |   | |
DIP16/SOIC16 специализированный адаптер для микросхем памяти серии 45xxx. Размеры корпуса: ширина - 4.4 мм (173mil), 1.27мм шаг. |   | |
DIP16/SOIC16 универсальный адаптер. Размеры корпуса микросхемы: ширина - 5.3 мм (208mil), 1.27мм шаг. | Logical Systems: PA16SO1-2006-3 | |
DIP16/SOIC16 универсальный адаптер. Размеры корпуса микросхемы: ширина - 3.9 мм (150mil), 1.27мм шаг. | Logical Systems: PA16S01-03-03 | |
DIP16/SOIC16 универсальный адаптер. Размеры корпуса микросхемы: ширина - 4.4 мм (173mil), 1.27мм шаг. |   | |
DIP42/SDIP42 universal shrink DIP adapter. |   | |
DIP40/SDIP56 specialized adapter. |   | |
DIP40/SDIP56 specialized adapter for Motorola/Freescale microcontrollers. |   | |
DIP40/SO44 specialized adapter for FLASH memory. |   | |
DIP44/SO44 universal adapter. | Logical Systems: PA44S01-OT | |
DIP8/SOT-23-6 specialized adapter for 24XXX serial FLASH. |   | |
DIP8/SOT-23-6 specialized adapter for 93XXX serial FLASH. |   | |
DIP8/SOT-23-6 specialized adapter for Microchip PIC. |   | |
DIP6/SOT-23-6 universal adapter. |   | |
DIP28/TSSOP20 specialized adapter for STMicroelectronics STM8 family. |   | |
DIP18/SSOP20 specialized adapter for Microchip PIC. | Logical Systems: PA20SS-BP54 | |
DIP28/SSOP28 specialized adapter for Microchip PIC. | Logical Systems: PA28SS-P55 | |
DIP28/SSOP28 universal adapter. | Logical Systems: PA28TSS-OT-3 | |
DIP28/SSOP28 universal adapter. |   | |
DIP30/SSOP30 universal adapter. |   | |
DIP38/SSOP38 universal adapter. |   | |
DIP8/SSOP8 universal adapter. |   | |
DIP40/SSOP48 adapter for microcontrollers Cypress PSoC1. |   | |
DIP48/SSOP48 universal adapter. |   | |
DIP40/SSOP56 specialized adapter for FLASH memory. |   | |
DIP40/SSOP56 specialized adapter for FLASH memory. |   | |
DIP40/SSOP56 specialized adapter for FLASH memory. |   | |
DIP40/SSOP56 specialized adapter for FLASH memory. |   | |
DIP40/QFP44 specialized adapter for Atmel AVR devices. |   | |
DIP40/QFP44 specialized adapter for Atmel devices. |   | |
DIP40/QFP44 specialized adapter for microcontrollers. | Logical Systems: PA51-QD-03 | |
DIP40/QFP44 specialized adapter for microcontrollers. |   | |
DIP40/QFP44 specialized adapter for Microchip PIC devices. | Logical Systems: PA16C64-QD-03 | |
DIP40/QFP44 specialized adapter for Microchip PIC devices. | Logical Systems: PA1742-QD-03 | |
DIP28/TSOP28 specialized adapter for Flash memory. | Logical Systems: PA28TSOP3 | |
DIP28/TSOP28 specialized adapter for Atmel AT45xx devices. |   | |
DIP32/TSOP32 specialized adapter for Flash memory. | Logical Systems: PA32TS14-OT | |
DIP32/TSOP32 specialized adapter. |   | |
DIP32/TSOP32 specialized adapter for Flash memory. | Logical Systems: PA32TS20-OT | |
DIP40/TSOP40 universal adapter. |   | |
DIP40/TSOP40 specialized adapter. |   | |
DIP40/TSOP40 specialized adapter. |   | |
DIP40/TSOP40 universal adapter. | Logical Systems: PA40TS20-1OT | |
DIP40/TSOP40 specialized adapter. |   | |
DIP40/TSOP40 specialized adapter. |   | |
DIP40/TSOP40 specialized adapter. |   | |
DIP40/TSOP-II-44 specialized adapter. |   | |
DIP40/TSOP48 specialized adapter. |   | |
DIP40/TSOP48 specialized adapter. |   | |
DIP40/TSOP48 specialized adapter. |   | |
DIP40/TSOP48 specialized adapter. |   | |
DIP40/TSOP48 specialized adapter. |   | |
DIP40/TSOP48 specialized adapter for NAND Flash devices. |   | |
DIP40/TSOP48 specialized adapter for NAND Flash devices. |   | |
DIP48/TSOP48 universal adapter. | Logical Systems: PA48TS20-1OT | |
DIP40/TSOP56 specialized adapter for FLASH memory. |   | |
DIP40/TSOP56 specialized adapter for FLASH memory. |   | |
DIP40/TSOP56 specialized adapter for FLASH memory. |   | |
DIP40/TSOP56 specialized adapter for FLASH memory. |   | |
DIP40/TSOP56 specialized adapter for FLASH memory. |   | |
DIP16/SOIC16 универсальный адаптер. Размеры корпуса микросхемы: ширина - 3.76 mm, 1.27мм шаг. |   | |
DIP8/WS8 specialized adapter for 25xx serial EEPROM, FLASH memory. |   | |
DIP8/WS8 specialized adapter for 25xx serial EEPROM, FLASH memory. |   | |
DIP8/WS8 specialized adapter for 25xx serial EEPROM, FLASH memory. |   | |
DIP8/WS8 specialized adapter for 25xx serial EEPROM, FLASH memory. |   | |
DIP8/WS8 specialized adapter for Atmel AT45xx Data Flash memory. |   | |
DIP8/WS8 specialized adapter for Atmel AT45xx Data Flash memory. |   | |
DIP8/WSON8 universal adapter. |   | |
DIP8/WSON8 universal adapter. |   | |
DIP8/WSON8 universal adapter. |   | |
DIP8/WSON8 universal adapter. |   | |
DIP40/PLCC44 specialized adapter for Xilinx devices with open top socket. |   | |
DIP40/PLCC84 specialized adapter for Xilinx devices with open top socket. |   |
| Адаптер | Описание | Аналоги |
DIP28/BH20 специализированный адаптер для программирования микроконтроллеров ARM/Cortex в устройстве пользователя. |   | |
DIP28/BH16 специализированный адаптер для программирования микроконтроллеров семейства MSP430 в устройстве пользователя с помощью JTAG интерфейса. |   | |
DIP28/BH16 специализированный адаптер для программирования микроконтроллеров фирмы NEC в устройстве пользователя. |   | |
DIP28/BH10 специализированный адаптер для программирования микроконтроллеров семейства ST7 и ST8 в устройстве пользователя. |   | |
DIP28/BH10 универсальный адаптер для программирования микрокосхем в устройстве пользователя. |   | |
DIP28/BH10 универсальный адаптер для программирования микрокосхем в устройстве пользователя. |   |
| Адаптер | Описание | Аналоги |
DIP40/PLCC44 specialized adapter for Atmel ATF1500 devices with clam shell socket. |   | |
DIP40/PLCC44 specialized adapter. |   | |
DIP40/PLCC68 specialized adapter for Altera EPMxxx devices with open top socket. |   | |
DIP40/PLCC68 specialized adapter for Altera EPMxxx devices with open top socket. |   | |
DIP8/PR35 специализированный адаптер для микросхем фирмы Dallas. |   | |
DIP40/QFP100 специализированный адаптер для микросхем фирмы Altera. |   | |
DIP40/QFP100 специализированный адаптер для микросхем фирмы Hitachi. |   | |
DIP28/QFP100 specialized adapter for STMicroelectronics devices. |   | |
DIP40/QFP100 specialized adapter for Xilinx devices. |   | |
DIP40/QFP44 специализированный адаптер для микросхем фирмы Atmel. Размеры корпуса: 10.0 x 10.0 мм, 0.8 мм шаг. |   | |
DIP40/QFP44 специализированный адаптер для микросхем фирмы Xilinx. Размеры корпуса: 10.0 x 10.0 мм, 0.8 мм шаг. |   | |
DIP28/QFP52 specialized adapter for STMicroelectronics microcontrollers. |   | |
DIP28/QFP52 specialized adapter for STMicroelectronics microcontrollers. |   | |
DIP28/QFP52 specialized adapter for STMicroelectronics microcontrollers. |   | |
DIP28/QFP64 specialized adapter for STMicroelectronics microcontrollers. |   | |
DIP28/QFP80 specialized adapter for STMicroelectronics microcontrollers. |   | |
DIP28/QFP80 specialized adapter for STMicroelectronics microcontrollers. |   | |
DIP28/SDIP42 specialized adapter. |   | |
DIP28/SDIP56 specialized adapter for STMicroelectronics microcontrollers. |   | |
DIP28/SSOP28 universal adapter. | Logical Systems: PA28SS-OT-3 | |
DIP40/TSOP-II-44 specialized adapter. |   | |
COP8-PGMA адаптеры поставляются фирмой National Semiconductor www.national.com. |   | |
COP8-PGMA адаптеры поставляются фирмой National Semiconductor www.national.com. |   | |
COP8-PGMA адаптеры поставляются фирмой National Semiconductor www.national.com. |   | |
COP8-PGMA адаптеры поставляются фирмой National Semiconductor www.national.com. |   | |
COP8-PGMA адаптеры поставляются фирмой National Semiconductor www.national.com. |   | |
COP8-PGMA адаптеры поставляются фирмой National Semiconductor www.national.com. |   | |
COP8-PGMA адаптеры поставляются фирмой National Semiconductor www.national.com. |   | |
COP8-PGMA адаптеры поставляются фирмой National Semiconductor www.national.com. |   | |
. |   | |
DIP40/M48 specialized adapter |   | |
DIP40/M88 specialized adapter for NIIET 1874BE86T microcontroller. |   | |
DIP40/M88 specialized adapter for NIIET 1874BE76T microcontroller. |   | |
. |   | |
. |   | |
. |   |
| Адаптер | Описание | Аналоги |
ChipProg-ISP BH14/BH20 specialized adapter for in system programming of ARM microcontrollers . |   | |
Standard ISP cable for ChipProg-ISP programmer. |   | |
ChipProg-ISP BH14/BH10 specialized adapter for in system programming of Altera EPM300A PLD family . |   | |
ChipProg-ISP BH14/BH10 specialized adapter for in system programming of Micronas HVC 2480. |   | |
ChipProg-ISP BH14/BH14 specialized adapter for in system programming of Motorola/Freescale microcontrollers |   | |
ChipProg-ISP BH14/BH14 specialized adapter for in system programming of TI MSP430 microcontrollers in JTAG and SBW modes. |   | |
ChipProg-ISP BH14/BH16 specialized adapter for in system programming of NEC microcontrollers . |   | |
ChipProg-ISP BH14/BH10 specialized adapter for in system programming of STMicroelectronic ST7 microcontroller family . |   |
DIP40/BGA24 специализированный адаптер для FLASH памяти 25 серии.
Размеры корпуса микросхемы - 10.0x 13.0 x 1.2 мм, шаг выводов - 1.0 мм.
| DIP-8 | BGA-24 | 74AHC14 | C1, 0.1uF |
| 1 | C2 |   |   |
| 2 | D2 |   |   |
| 3 | C4 |   |   |
| 4 | B3 | 1,3,5,7,13 | 1 |
| 5 | D3 |   |   |
| 6 |   |   |   |
| 7 |   |   |   |
| 8 | B4 | 14 | 2 |
|   | B2 | 8 |   |
|   |   | 11 |   |
|   |   | 9,10 |   |
Увеличить |
DIP40/BGA48 специализированный адаптер для FLASH памяти. |
| DIP-40 | BGA-48 | 74AHC573 | C1, 150пФ | C2, 0.1мкФ |
|   | D6 | 16 |   |   |
|   | C6 | 17 |   |   |
|   | A6 | 18 |   |   |
|   | B6 | 19 |   |   |
| 12 | D5 |   |   |   |
| 11 | C5 |   |   |   |
| 10 | A5 |   |   |   |
| 9 | B5 |   |   |   |
|   | D4 | 12 |   |   |
| 13 | D3 |   |   |   |
| 15 | A4 |   |   |   |
| 14 | B4 |   |   |   |
| 17 | C4 |   |   |   |
| 18 | B3 |   |   |   |
| 16 | A3 |   |   |   |
|   | C3 | 13 |   |   |
|   | B2 | 14 |   |   |
| 8 | A2 | 9 |   |   |
| 7 | C2 | 8 |   |   |
| 6 | D2 | 7 |   |   |
| 5 | B1 | 6 |   |   |
| 4 | A1 | 5 |   |   |
| 3 | C1 | 4 |   |   |
| 2 | D1 | 3 |   |   |
| 1 | E1 | 2 |   |   |
| 37 | F1 |   |   |   |
| 20 | H1 | 1 |   |   |
| 38 | G1 |   |   |   |
| 21 | E2 |   |   |   |
| 29 | F2 |   |   |   |
| 22 | H2 |   |   |   |
| 30 | G2 |   |   |   |
| 23 | E3 |   |   |   |
| 31 | F3 |   |   |   |
| 24 | H3 |   |   |   |
| 32 | G3 |   |   |   |
| 40 | G4 | 20 |   | 1 |
| 25 | H4 |   |   |   |
| 33 | F4 |   |   |   |
| 26 | E4 |   |   |   |
| 34 | G5 |   |   |   |
| 27 | H5 |   |   |   |
| 35 | F5 |   |   |   |
| 28 | E5 |   |   |   |
| 36 | G6 |   |   |   |
| 20 | H6 | 10 | 1 | 2 |
| 39 | F6 |   |   |   |
|   | E6 | 15 |   |   |
| 19 |   | 11 | 2 |   |
Увеличить |
DIP40/BGA48 специализированный адаптер для FLASH памяти. |
| DIP-40 | BGA-48 | 74AHC573 | C1, 150пФ | C2, 0.1мкФ | |
| 1 | Vddq | E1 |   |   |   |
| 2 | A17 | B6 |   |   |   |
| 3 | A18 | B5 |   |   |   |
| 4 | G(OE) | F8 |   |   |   |
| 5 | A20 | C5 |   |   |   |
| 6 | A7 | A7 | 4 |   |   |
| 7 | str |   | 11 | 1 |   |
| 8 | W | B3 |   |   |   |
| 9 | DQ10 | F6 |   |   |   |
| 10 | A5 | B7 | 7 |   |   |
| 11 | WP | A5 |   |   |   |
| 12 | RP(RST) | B4 |   |   |   |
| 13 | A1 | C8 | 3 |   |   |
| 14 | DQ0 | E7 |   |   |   |
| 15 | DQ12 | E4 |   |   |   |
| 16 | DQ6 | E3 |   |   |   |
| 17 | DQ7 | F2 |   |   |   |
| 18 | DQ14 | D2 |   |   |   |
| 19 | DQ9 | E6 |   |   |   |
| 20 | GND | E8,F1 | 1,10 | 2 | 1 |
| 21 | DQ8 | D6 |   |   |   |
| 22 | DQ15 | E2 |   |   |   |
| 23 | A2 | B8 | 8 |   |   |
| 24 | A0 | D8 | 9 |   |   |
| 25 | DQ4 | F4 |   |   |   |
| 26 | DQ13 | F3 |   |   |   |
| 27 | DQ5 | D3 |   |   |   |
| 28 | A3 | C7 | 6 |   |   |
| 29 | Vpp | A4 |   |   |   |
| 30 | A19 | A6 |   |   |   |
| 31 | DQ11 | D4 |   |   |   |
| 32 | DQ1 | F7 |   |   |   |
| 33 | A6 | C6 | 5 |   |   |
| 34 | DQ2 | D5 |   |   |   |
| 35 | A4 | A8 | 2 |   |   |
| 36 | A16 | D1 |   |   |   |
| 37 | DQ3 | E5 |   |   |   |
| 38 | NC(A21) | C4 |   |   |   |
| 39 | E(CE) | D7 |   |   |   |
| 40 | Vdd | F5 | 20 |   | 2 |
|   | A15 | C1 | 17 |   |   |
|   | A14 | B1 | 16 |   |   |
|   | A13 | A1 | 14 |   |   |
|   | A12 | C2 | 19 |   |   |
|   | A11 | A2 | 15 |   |   |
|   | A10 | B2 | 13 |   |   |
|   | A9 | C3 | 18 |   |   |
|   | A8 | A3 | 12 |   |   |
Увеличить |
DIP40/BGA48 специализированный адаптер для FLASH памяти. |
| DIP-40 | BGA-48 | 74AHC573 | C1, 150пФ | C2, 0.1мкФ |
|   | D6 | 16 |   |   |
|   | C6 | 17 |   |   |
|   | A6 | 18 |   |   |
|   | B6 | 19 |   |   |
| 12 | D5 |   |   |   |
| 11 | C5 |   |   |   |
| 10 | A5 |   |   |   |
| 9 | B5 |   |   |   |
|   | D4 | 12 |   |   |
| 13 | D3 |   |   |   |
| 15 | A4 |   |   |   |
| 14 | B4 |   |   |   |
| 17 | C4 |   |   |   |
| 18 | B3 |   |   |   |
| 16 | A3 |   |   |   |
|   | C3 | 13 |   |   |
|   | B2 | 14 |   |   |
| 8 | A2 | 9 |   |   |
| 7 | C2 | 8 |   |   |
| 6 | D2 | 7 |   |   |
| 5 | B1 | 6 |   |   |
| 4 | A1 | 5 |   |   |
| 3 | C1 | 4 |   |   |
| 2 | D1 | 3 |   |   |
| 1 | E1 | 2 |   |   |
| 37 | F1 |   |   |   |
| 20 | H1 | 1 |   |   |
| 38 | G1 |   |   |   |
| 21 | E2 |   |   |   |
| 29 | F2 |   |   |   |
| 22 | H2 |   |   |   |
| 30 | G2 |   |   |   |
| 23 | E3 |   |   |   |
| 31 | F3 |   |   |   |
| 24 | H3 |   |   |   |
| 32 | G3 |   |   |   |
| 40 | G4 | 20 |   | 1 |
| 25 | H4 |   |   |   |
| 33 | F4 |   |   |   |
| 26 | E4 |   |   |   |
| 34 | G5 |   |   |   |
| 27 | H5 |   |   |   |
| 35 | F5 |   |   |   |
| 28 | E5 |   |   |   |
| 36 | G6 |   |   |   |
| 20 | H6 | 10 | 1 | 2 |
| 39 | F6 |   |   |   |
|   | E6 | 15 |   |   |
| 19 |   | 11 | 2 |   |
Увеличить |
DIP40/BGA48 специализированный адаптер для FLASH памяти. |
| DIP-40 | BGA-48 | 74AHC573 | C1, 150пФ | C2, 0.1мкФ |
|   | D6 | 16 |   |   |
|   | C6 | 17 |   |   |
|   | A6 | 18 |   |   |
|   | B6 | 19 |   |   |
| 12 | D5 |   |   |   |
| 11 | C5 |   |   |   |
| 10 | A5 |   |   |   |
| 9 | B5 |   |   |   |
|   | D4 | 12 |   |   |
| 13 | D3 |   |   |   |
| 15 | A4 |   |   |   |
| 14 | B4 |   |   |   |
| 17 | C4 |   |   |   |
| 18 | B3 |   |   |   |
| 16 | A3 |   |   |   |
|   | C3 | 13 |   |   |
|   | B2 | 14 |   |   |
| 8 | A2 | 9 |   |   |
| 7 | C2 | 8 |   |   |
| 6 | D2 | 7 |   |   |
| 5 | B1 | 6 |   |   |
| 4 | A1 | 5 |   |   |
| 3 | C1 | 4 |   |   |
| 2 | D1 | 3 |   |   |
| 1 | E1 | 2 |   |   |
| 37 | F1 |   |   |   |
| 20 | H1 | 1 |   |   |
| 38 | G1 |   |   |   |
| 21 | E2 |   |   |   |
| 29 | F2 |   |   |   |
| 22 | H2 |   |   |   |
| 30 | G2 |   |   |   |
| 23 | E3 |   |   |   |
| 31 | F3 |   |   |   |
| 24 | H3 |   |   |   |
| 32 | G3 |   |   |   |
| 40 | G4 | 20 |   | 1 |
| 25 | H4 |   |   |   |
| 33 | F4 |   |   |   |
| 26 | E4 |   |   |   |
| 34 | G5 |   |   |   |
| 27 | H5 |   |   |   |
| 35 | F5 |   |   |   |
| 28 | E5 |   |   |   |
| 36 | G6 |   |   |   |
| 20 | H6 | 10 | 1 | 2 |
| 39 | F6 |   |   |   |
|   | E6 | 15 |   |   |
| 19 |   | 11 | 2 |   |
Увеличить |
DIP40/BGA48 специализированный адаптер для FLASH памяти. |
| DIP-40 | TFBGA-48 | 74AHC573 | C1, 150пФ | C2, 0.1мкФ |
| 1 | F6 |   |   |   |
| 2 | B2 |   |   |   |
| 3 | C3 |   |   |   |
| 4 | G1 |   |   |   |
| 5 | D3 |   |   |   |
| 6 | A2 | 4 |   |   |
| 7 |   | 11 | 1 |   |
| 8 | A4 |   |   |   |
| 9 | F3 |   |   |   |
| 10 | D2 | 7 |   |   |
| 11 | B3 |   |   |   |
| 12 | B4 |   |   |   |
| 13 | D1 | 3 |   |   |
| 14 | E2 |   |   |   |
| 15 | F4 |   |   |   |
| 16 | H5 |   |   |   |
| 17 | E5 |   |   |   |
| 18 | F5 |   |   |   |
| 19 | G2 |   |   |   |
| 20 | H1,H6 | 1,10 | 2 | 1 |
| 21 | F2 |   |   |   |
| 22 | G6 |   |   |   |
| 23 | C1 | 8 |   |   |
| 24 | E1 | 9 |   |   |
| 25 | H4 |   |   |   |
| 26 | G5 |   |   |   |
| 27 | E4 |   |   |   |
| 28 | A1 | 6 |   |   |
| 29 | C4 |   |   |   |
| 30 | A3 |   |   |   |
| 31 | G3 |   |   |   |
| 32 | H2 |   |   |   |
| 33 | C2 | 5 |   |   |
| 34 | E3 |   |   |   |
| 35 | B1 | 2 |   |   |
| 36 | E6 |   |   |   |
| 37 | H3 |   |   |   |
| 38 | D4 |   |   |   |
| 39 | F1 |   |   |   |
| 40 | G4 | 20 |   | 2 |
|   | D6 | 17 |   |   |
|   | C6 | 16 |   |   |
|   | A6 | 14 |   |   |
|   | B6 | 19 |   |   |
|   | D5 | 15 |   |   |
|   | C5 | 13 |   |   |
|   | A5 | 18 |   |   |
|   | B5 | 12 |   |   |
Увеличить |
DIP40/BGA48 специализированный адаптер для FLASH памяти. |
| DIP-40 | BGA-48 |
| 1 | D6 |
| 2 | C6 |
| 3 | A6 |
| 4 | B6 |
| 5 | D5 |
| 6 | C5 |
| 7 | A5 |
| 8 | B5 |
| 9 | A4 |
| 10 | B4 |
| 11 | B3 |
| 12 | A3 |
| 13 | B2 |
| 14 | A2 |
| 15 | C2 |
| 16 | D2 |
| 17 | B1 |
| 18 | A1 |
| 19 | C1 |
| 20 | D1 |
| 21 | E1 |
| 22 | F1 |
| 23 | H1 |
| 24 | G1 |
| 25 | E2 |
| 26 | H2 |
| 27 | E3 |
| 28 | F3 |
| 29 | H3 |
| 30 | G3 |
| 31 | G4 |
| 32 | H4 |
| 33 | E4 |
| 34 | G5 |
| 35 | H5 |
| 36 | F5 |
| 37 | E5 |
| 38 | G6 |
| 39 | H6 |
| 40 | E6 |
Увеличить |
DIP32/BGA48 специализированный адаптер для FLASH памяти. |
| DIP-32 | BGA-48 |
| 1 | B2 |
| 2 | D6 |
| 3 | C6 |
| 4 | D5 |
| 5 | A2 |
| 6 | C2 |
| 7 | D2 |
| 8 | D1 |
| 9 | A1 |
| 10 | C1 |
| 11 | D1 |
| 12 | E1 |
| 13 | E2 |
| 14 | H2 |
| 15 | E3 |
| 16 | H1,H6 |
| 17 | F3 |
| 18 | H4 |
| 19 | E4 |
| 20 | G5 |
| 21 | H5 |
| 22 | F1 |
| 23 | F4 |
| 24 | G1 |
| 25 | C5 |
| 26 | A5 |
| 27 | B5 |
| 28 | B1 |
| 29 | A1 |
| 30 | E1 |
| 31 | A4 |
| 32 | G3,G4 |
Увеличить |
DIP48/BGA48 специализированный адаптер для FLASH памяти. |
| DIP-48 | BGA-48 |
| 1 | D6 |
| 2 | C6 |
| 3 | A6 |
| 4 | B6 |
| 5 | D5 |
| 6 | C5 |
| 7 | A5 |
| 8 | B5 |
| 9 | D4 |
| 10 | D3 |
| 11 | A4 |
| 12 | B4 |
| 13 | C4 |
| 14 | B3 |
| 15 | A3 |
| 16 | C3 |
| 17 | B2 |
| 18 | A2 |
| 19 | C2 |
| 20 | D2 |
| 21 | B1 |
| 22 | A1 |
| 23 | C1 |
| 24 | D1 |
| 25 | E1 |
| 26 | F1 |
| 27 | H1 |
| 28 | G1 |
| 29 | E2 |
| 30 | F2 |
| 31 | H2 |
| 32 | G2 |
| 33 | E3 |
| 34 | F3 |
| 35 | H3 |
| 36 | G3 |
| 37 | G4 |
| 38 | H4 |
| 39 | F4 |
| 40 | E4 |
| 41 | G5 |
| 42 | H5 |
| 43 | F5 |
| 44 | E5 |
| 45 | G6 |
| 46 | H6 |
| 47 | F6 |
| 48 | E6 |
Увеличить |
DIP48/BGA48 специализированный адаптер для FLASH памяти. |
| DIP-48 | BGA-48 |
| 1 | C1 |
| 2 | B1 |
| 3 | A1 |
| 4 | C2 |
| 5 | A2 |
| 6 | B2 |
| 7 | C3 |
| 8 | A3 |
| 9 | C4 |
| 10 | C5 |
| 11 | B3 |
| 12 | B4 |
| 13 | A4 |
| 14 | A5 |
| 15 | A6 |
| 16 | B5 |
| 17 | B6 |
| 18 | A7 |
| 19 | C6 |
| 20 | B7 |
| 21 | A8 |
| 22 | C7 |
| 23 | B8 |
| 24 | C8 |
| 25 | D8 |
| 26 | D7 |
| 27 | E8 |
| 28 | F8 |
| 29 | E7 |
| 30 | D6 |
| 31 | F7 |
| 32 | E6 |
| 33 | D5 |
| 34 | F6 |
| 35 | E5 |
| 36 | D4 |
| 37 | F5 |
| 38 | F4 |
| 39 | E4 |
| 40 | D3 |
| 41 | F3 |
| 42 | E3 |
| 43 | D2 |
| 44 | F2 |
| 45 | E2 |
| 46 | F1 |
| 47 | E1 |
| 48 | D1 |
Увеличить |
DIP48/BGA48 специализированный адаптер для FLASH памяти. |
| DIP-48 | BGA-48 |
| 1 | D6 |
| 2 | C6 |
| 3 | A6 |
| 4 | B6 |
| 5 | D5 |
| 6 | C5 |
| 7 | A5 |
| 8 | B5 |
| 9 | D4 |
| 10 | D3 |
| 11 | A4 |
| 12 | B4 |
| 13 | C4 |
| 14 | B3 |
| 15 | A3 |
| 16 | C3 |
| 17 | B2 |
| 18 | A2 |
| 19 | C2 |
| 20 | D2 |
| 21 | B1 |
| 22 | A1 |
| 23 | C1 |
| 24 | D1 |
| 25 | E1 |
| 26 | F1 |
| 27 | H1 |
| 28 | G1 |
| 29 | E2 |
| 30 | F2 |
| 31 | H2 |
| 32 | G2 |
| 33 | E3 |
| 34 | F3 |
| 35 | H3 |
| 36 | G3 |
| 37 | G4 |
| 38 | H4 |
| 39 | F4 |
| 40 | E4 |
| 41 | G5 |
| 42 | H5 |
| 43 | F5 |
| 44 | E5 |
| 45 | G6 |
| 46 | H6 |
| 47 | F6 |
| 48 | E6 |
Увеличить |
DIP48/BGA48 специализированный адаптер для FLASH памяти. |
| DIP-48 | BGA-48 |
| 1 | D6 |
| 2 | C6 |
| 3 | A6 |
| 4 | B6 |
| 5 | D5 |
| 6 | C5 |
| 7 | A5 |
| 8 | B5 |
| 9 | D4 |
| 10 | D3 |
| 11 | A4 |
| 12 | B4 |
| 13 | C4 |
| 14 | B3 |
| 15 | A3 |
| 16 | C3 |
| 17 | B2 |
| 18 | A2 |
| 19 | C2 |
| 20 | D2 |
| 21 | B1 |
| 22 | A1 |
| 23 | C1 |
| 24 | D1 |
| 25 | E1 |
| 26 | F1 |
| 27 | H1 |
| 28 | G1 |
| 29 | E2 |
| 30 | F2 |
| 31 | H2 |
| 32 | G2 |
| 33 | E3 |
| 34 | F3 |
| 35 | H3 |
| 36 | G3 |
| 37 | G4 |
| 38 | H4 |
| 39 | F4 |
| 40 | E4 |
| 41 | G5 |
| 42 | H5 |
| 43 | F5 |
| 44 | E5 |
| 45 | G6 |
| 46 | H6 |
| 47 | F6 |
| 48 | E6 |
Увеличить |
DIP40/BGA55 специализированный адаптер для NAND FLASH памяти. |
| DIP-40 | BGA-55 | 74AHC14 | C1, 0.1 uF |
| 1 |   |   |   |
| 2 |   |   |   |
| 3 |   |   |   |
| 4 |   |   |   |
| 5 |   |   |   |
| 6 |   |   |   |
| 7 | C7 |   |   |
| 8 |   | 1 |   |
|   | D3 | 4 |   |
| 9 | C5 |   |   |
| 10 |   |   |   |
| 11 |   |   |   |
| 12 |   |   |   |
| 13 |   |   |   |
| 14 |   |   |   |
| 15 |   |   |   |
| 16 | D4 |   |   |
| 17 | C3 |   |   |
| 18 |   | 13 |   |
|   | C6 | 10 |   |
| 19 | C2 |   |   |
| 20 | C4,K2,K7 | 7 | 1 |
| 21 |   |   |   |
| 22 |   |   |   |
| 23 |   |   |   |
| 24 | H3 |   |   |
| 25 | J3 |   |   |
| 26 | K3 |   |   |
| 27 | K4 |   |   |
| 28 |   |   |   |
| 29 |   |   |   |
| 30 | K5 |   |   |
| 31 | J6 |   |   |
| 32 | K6 |   |   |
| 33 | J7 |   |   |
| 34 |   |   |   |
| 35 |   |   |   |
| 36 |   |   |   |
| 37 |   |   |   |
| 38 |   |   |   |
| 39 |   |   |   |
| 40 | H7,J5 | 14 | 2 |
|   |   | 2,3 |   |
|   |   | 11,12 |   |
Увеличить |
DIP40/BGA55 специализированный адаптер для NAND FLASH памяти. |
| DIP-40 | BGA-55 | 74LVC245 | 74LVC245 | 74LVC245 | C1,1uF | C2,1uF | R1,5.1k | R2,5.1k | R3,5.1k | R4,5.1k |
| 1 |   |   |   |   |   |   |   |   |   |   |
| 2 |   |   |   |   |   |   |   |   |   |   |
| 3 |   |   |   |   | 1 |   |   |   |   |   |
| 4 |   |   |   |   |   |   | 1 |   |   |   |
| 5 |   |   |   |   |   |   |   | 1 |   |   |
| 6 |   |   |   |   |   |   |   |   | 1 |   |
| 7 | C7 |   |   |   |   |   |   |   |   | 1 |
| 8 |   | 2 |   |   |   |   |   |   |   |   |
|   | D3 | 18 |   |   |   |   |   |   |   |   |
| 9 | C5 |   |   |   |   |   |   |   |   |   |
| 10 |   |   |   |   |   |   |   |   |   |   |
| 11 |   |   |   |   |   |   |   |   |   |   |
| 12 |   |   |   |   |   |   |   |   |   |   |
| 13 |   |   |   |   |   |   |   |   |   |   |
| 14 |   |   | 1 | 1 |   |   |   |   |   |   |
| 15 |   |   |   |   |   |   |   |   |   |   |
| 16 | D4 |   |   |   |   |   |   |   |   |   |
| 17 | C3 |   |   |   |   |   |   |   |   |   |
| 18 |   | 3 |   |   |   |   |   |   |   |   |
|   | C6 | 17 |   |   |   |   |   |   |   |   |
| 19 | C2 |   |   |   |   |   |   |   |   |   |
| 20 | C4,K2,K7 | 4,5,6,7,8,9,10,19 | 10,19 | 10,19 | 2 | 1 |   |   |   |   |
| 21 |   |   | 2 |   |   |   |   |   |   |   |
|   |   |   | 18 |   |   |   |   |   |   |   |
| 22 |   |   | 3 |   |   |   |   |   |   |   |
|   |   |   | 17 |   |   |   |   |   |   |   |
| 23 |   |   | 4 |   |   |   |   |   |   |   |
|   |   |   | 16 |   |   |   |   |   |   |   |
| 24 |   |   | 5 |   |   |   |   |   |   |   |
|   | H3 |   | 15 |   |   |   |   |   |   |   |
| 25 |   |   | 6 |   |   |   |   |   |   |   |
|   | J3 |   | 14 |   |   |   |   |   |   |   |
| 26 |   |   | 7 |   |   |   |   |   |   |   |
|   | K3 |   | 13 |   |   |   |   |   |   |   |
| 27 |   |   | 8 |   |   |   |   |   |   |   |
|   | K4 |   | 12 |   |   |   |   |   |   |   |
| 28 |   |   | 9 |   |   |   |   |   |   |   |
|   |   |   | 11 |   |   |   |   |   |   |   |
| 29 |   |   |   | 2 |   |   |   |   |   |   |
|   |   |   |   | 18 |   |   |   |   |   |   |
| 30 |   |   |   | 3 |   |   |   |   |   |   |
|   | K5 |   |   | 17 |   |   |   |   |   |   |
| 31 |   |   |   | 4 |   |   |   |   |   |   |
|   | J6 |   |   | 16 |   |   |   |   |   |   |
| 32 |   |   |   | 5 |   |   |   |   |   |   |
|   | K6 |   |   | 15 |   |   |   |   |   |   |
| 33 |   |   |   | 6 |   |   |   |   |   |   |
|   | J7 |   |   | 14 |   |   |   |   |   |   |
| 34 |   |   |   | 7 |   |   |   |   |   |   |
|   |   |   |   | 13 |   |   |   |   |   |   |
| 35 |   |   |   | 8 |   |   |   |   |   |   |
|   |   |   |   | 12 |   |   |   |   |   |   |
| 36 |   |   |   | 9 |   |   |   |   |   |   |
|   |   |   |   | 11 |   |   |   |   |   |   |
| 37 |   |   |   |   |   |   |   |   |   |   |
| 38 |   |   |   |   |   |   |   |   |   |   |
| 39 |   |   |   |   |   |   |   |   |   |   |
| 40 | H7,J5 | 1,20 | 20 | 20 |   | 2 | 2 | 2 | 2 | 2 |
Увеличить |
DIP40/BGA56 специализированный адаптер для FLASH памяти. |
| DIP-40 | BGA-56 | U1, 74AHC573 | U2, 74AHC573 | C1, 150пФ | C2, 0.1мкФ |
| 1 | E1,G6 |   |   |   |   |
| 2 |   |   |   |   |   |
| 3 |   | 11 | 11 | 1 |   |
| 4 | B5 |   |   |   |   |
| 5 |   |   |   |   |   |
| 6 |   |   |   |   |   |
| 7 | C5 |   |   |   |   |
| 8 |   |   |   |   |   |
| 9 | A5 |   |   |   |   |
| 10 | C7 |   |   |   |   |
| 11 | A7 |   |   |   |   |
| 12 | B7 |   |   |   |   |
| 13 | A8 |   |   |   |   |
| 14 | B8 |   |   |   |   |
| 15 | C8 |   |   |   |   |
| 16 | D8 |   |   |   |   |
| 17 | E8 |   |   |   |   |
| 18 |   |   |   |   |   |
| 19 |   |   |   |   |   |
| 20 | A3,F1,G2,G8,C4,B4 | 1, 10 | 1, 10 | 2 | 2 |
| 21 | E7 |   |   |   |   |
| 22 | F8 |   |   |   |   |
| 23 | F7 | 2 |   |   |   |
| 24 | G7 |   | 2 |   |   |
| 25 | E6 | 3 |   |   |   |
| 26 | F6 |   | 3 |   |   |
| 27 | E5 | 4 |   |   |   |
| 28 | F5 |   | 4 |   |   |
| 29 | G5 | 5 |   |   |   |
| 30 | F4 |   | 5 |   |   |
| 31 | E4 | 6 |   |   |   |
| 32 | D5 |   | 6 |   |   |
| 33 | G3 | 7 |   |   |   |
| 34 | F3 |   | 7 |   |   |
| 35 | E3 | 8 |   |   |   |
| 36 | F2 |   | 8 |   |   |
| 37 | G1 | 9 |   |   |   |
| 38 | E2 |   | 9 |   |   |
| 39 |   |   |   |   |   |
| 40 | A4,G4,D6 | 20 | 20 |   | 1 |
|   |   |   | 12 |   |   |
|   | D7 |   | 13 |   |   |
|   | D1 | 12 |   |   |   |
|   | D2 | 13 |   |   |   |
|   | C1 | 14 |   |   |   |
|   | B1 | 15 |   |   |   |
|   | A1 | 16 |   |   |   |
|   | C2 | 17 |   |   |   |
|   | B2 | 18 |   |   |   |
|   | A2 | 19 |   |   |   |
|   | C6 |   | 16 |   |   |
|   | B3 |   | 15 |   |   |
|   | C3 |   | 14 |   |   |
|   | A6 |   | 17 |   |   |
|   | B6 |   | 18 |   |   |
|   | D4 |   | 19 |   |   |
Увеличить |
DIP40/BGA64 специализированный адаптер для FLASH памяти. |
| DIP-40 | BGA-64 | U1, 74AHC573 | U2, 74AHC573 | C1, 150пФ | C2, 0.1мкФ |
| 1 |   |   |   |   |   |
| 2 |   |   |   |   |   |
| 3 |   | 11 | 11 | 1 |   |
| 4 | B4 |   |   |   |   |
| 5 |   |   |   |   |   |
| 6 |   |   |   |   |   |
| 7 | A5 |   |   |   |   |
| 8 | C4 |   |   |   |   |
| 9 | A4 |   |   |   |   |
| 10 | A2 |   |   |   |   |
| 11 | B2 |   |   |   |   |
| 12 | C2 |   |   |   |   |
| 13 | D2 |   |   |   |   |
| 14 | B1 |   |   |   |   |
| 15 | C1 |   |   |   |   |
| 16 | D1 |   |   |   |   |
| 17 | E1 |   |   |   |   |
| 18 |   |   |   |   |   |
| 19 |   |   |   |   |   |
| 20 | E2,G8 | 1, 10 | 1, 10 | 2 | 2 |
| 21 | F1 |   |   |   |   |
| 22 | F2 |   |   |   |   |
| 23 | G2 | 2 |   |   |   |
| 24 | H2 |   | 2 |   |   |
| 25 | E3 | 3 |   |   |   |
| 26 | F3 |   | 3 |   |   |
| 27 | H3 | 4 |   |   |   |
| 28 | G3 |   | 4 |   |   |
| 29 | F4 | 5 |   |   |   |
| 30 | H4 |   | 5 |   |   |
| 31 | F5 | 6 |   |   |   |
| 32 | G6 |   | 6 |   |   |
| 33 | H6 | 7 |   |   |   |
| 34 | F6 |   | 7 |   |   |
| 35 | E6 | 8 |   |   |   |
| 36 | H7 |   | 8 |   |   |
| 37 | G7 | 9 |   |   |   |
| 38 | F7 |   | 9 |   |   |
| 39 |   |   |   |   |   |
| 40 | G5,G4,G1 | 20 | 20 |   | 1 |
|   |   |   | 12 |   |   |
|   | D8 |   | 13 |   |   |
|   | B8 | 12 |   |   |   |
|   | D7 | 13 |   |   |   |
|   | C7 | 14 |   |   |   |
|   | B7 | 15 |   |   |   |
|   | A7 | 16 |   |   |   |
|   | D6 | 17 |   |   |   |
|   | C6 | 18 |   |   |   |
|   | A6 | 19 |   |   |   |
|   | B6 |   | 16 |   |   |
|   | C5 |   | 15 |   |   |
|   | C8 |   | 14 |   |   |
|   | C3 |   | 17 |   |   |
|   | D3 |   | 18 |   |   |
|   | E8 |   | 19 |   |   |
Увеличить |
DIP40/BGA64 специализированный адаптер для FLASH памяти. |
| DIP-40 | BGA-64 | U1, 74AHC573 | U2, 74AHC573 | C1, 150пФ | C2, 0.1мкФ |
| 1 | D8,F1 |   |   |   |   |
| 2 | G1 |   |   |   |   |
| 3 |   | 11 | 11 | 1 |   |
| 4 | B5 |   |   |   |   |
| 5 | F8 |   |   |   |   |
| 6 | G8 |   |   |   |   |
| 7 | A5 |   |   |   |   |
| 8 | A4 |   |   |   |   |
| 9 | B4 |   |   |   |   |
| 10 | A3 |   |   |   |   |
| 11 | C3 |   |   |   |   |
| 12 | D3 |   |   |   |   |
| 13 | B2 |   |   |   |   |
| 14 | A2 |   |   |   |   |
| 15 | C2 |   |   |   |   |
| 16 | D2 |   |   |   |   |
| 17 | E2 |   |   |   |   |
| 18 | B1 |   |   |   |   |
| 19 |   |   |   |   |   |
| 20 | H2,H7,E8 | 1, 10 | 1, 10 | 2 | 2 |
| 21 | F2 |   |   |   |   |
| 22 | G2 |   |   |   |   |
| 23 | E3 | 2 |   |   |   |
| 24 | F3 |   | 2 |   |   |
| 25 | H3 | 3 |   |   |   |
| 26 | G3 |   | 3 |   |   |
| 27 | E4 | 4 |   |   |   |
| 28 | F4 |   | 4 |   |   |
| 29 | H4 | 5 |   |   |   |
| 30 | G4 |   | 5 |   |   |
| 31 | H5 | 6 |   |   |   |
| 32 | F5 |   | 6 |   |   |
| 33 | E5 | 7 |   |   |   |
| 34 | G6 |   | 7 |   |   |
| 35 | H6 | 8 |   |   |   |
| 36 | F6 |   | 8 |   |   |
| 37 | E6 | 9 |   |   |   |
| 38 | G7 |   | 9 |   |   |
| 39 | F7 |   |   |   |   |
| 40 | G5 | 20 | 20 |   | 1 |
|   | C8 |   | 12 |   |   |
|   | B8 |   | 13 |   |   |
|   | D7 | 12 |   |   |   |
|   | C7 | 13 |   |   |   |
|   | A7 | 14 |   |   |   |
|   | B7 | 15 |   |   |   |
|   | D6 | 16 |   |   |   |
|   | C6 | 17 |   |   |   |
|   | A6 | 18 |   |   |   |
|   | B6 | 19 |   |   |   |
|   | D5 |   | 16 |   |   |
|   | D4 |   | 15 |   |   |
|   | C5 |   | 14 |   |   |
|   | C4 |   | 17 |   |   |
|   | B3 |   | 18 |   |   |
|   | E7 |   | 19 |   |   |
Увеличить |
DIP40/BGA64 специализированный адаптер для FLASH памяти. |
| DIP-40 | BGA-64 | U1, 74AHC573 | U2, 74AHC573 | C1, 150пФ | C2, 0.1мкФ |
| 1 | D5,D6,G4 |   |   |   |   |
| 2 | B8 |   |   |   |   |
| 3 |   | 11 | 11 | 1 |   |
| 4 | D4 |   |   |   |   |
| 5 |   |   |   |   |   |
| 6 |   |   |   |   |   |
| 7 | G8 |   |   |   |   |
| 8 | E8 |   |   |   |   |
| 9 | A4 |   |   |   |   |
| 10 | A3 |   |   |   |   |
| 11 | C2 |   |   |   |   |
| 12 | A2 |   |   |   |   |
| 13 | D2 |   |   |   |   |
| 14 | D1 |   |   |   |   |
| 15 | C1 |   |   |   |   |
| 16 | B1 |   |   |   |   |
| 17 | A1 |   |   |   |   |
| 18 |   |   |   |   |   |
| 19 | H1 |   |   |   |   |
| 20 | E6,F6,B2,H2,H4,H6 | 1, 10 | 1, 10 | 2 | 2 |
| 21 | B4 |   |   |   |   |
| 22 | F8 |   |   |   |   |
| 23 | F2 | 2 |   |   |   |
| 24 | E1 |   | 2 |   |   |
| 25 | E2 | 3 |   |   |   |
| 26 | E3 |   | 3 |   |   |
| 27 | G3 | 4 |   |   |   |
| 28 | F3 |   | 4 |   |   |
| 29 | E4 | 5 |   |   |   |
| 30 | F4 |   | 5 |   |   |
| 31 | E5 | 6 |   |   |   |
| 32 | F5 |   | 6 |   |   |
| 33 | G5 | 7 |   |   |   |
| 34 | H5 |   | 7 |   |   |
| 35 | G6 | 8 |   |   |   |
| 36 | G7 |   | 8 |   |   |
| 37 | H7 | 9 |   |   |   |
| 38 | E7 |   | 9 |   |   |
| 39 | F1 |   |   |   |   |
| 40 | C6,H3,A6 | 20 | 20 |   | 1 |
|   | H8 |   | 12 |   |   |
|   | G1 |   | 13 |   |   |
|   | D7 | 12 |   |   |   |
|   | C5 | 13 |   |   |   |
|   | B5 | 14 |   |   |   |
|   | A5 | 15 |   |   |   |
|   | C4 | 16 |   |   |   |
|   | D3 | 17 |   |   |   |
|   | C3 | 18 |   |   |   |
|   | B3 | 19 |   |   |   |
|   | C7 |   | 16 |   |   |
|   | C8 |   | 15 |   |   |
|   | A8 |   | 14 |   |   |
|   | B7 |   | 17 |   |   |
|   | A7 |   | 18 |   |   |
|   | D8 |   | 19 |   |   |
Увеличить |
DIP40/BGA64 специализированный адаптер для FLASH памяти. |
| DIP-40 | BGA-64 | U1, 74AHC573 | U2, 74AHC573 | C1, 150пФ | C2, 0.1мкФ |
| 1 | D5,D6,G4 |   |   |   |   |
| 2 |   |   |   |   |   |
| 3 |   | 11 | 11 | 1 |   |
| 4 | D4 |   |   |   |   |
| 5 | B6 |   |   |   |   |
| 6 | B8 |   |   |   |   |
| 7 | G8 |   |   |   |   |
| 8 | E8 |   |   |   |   |
| 9 | A4 |   |   |   |   |
| 10 | A3 |   |   |   |   |
| 11 | C2 |   |   |   |   |
| 12 | A2 |   |   |   |   |
| 13 | D2 |   |   |   |   |
| 14 | D1 |   |   |   |   |
| 15 | C1 |   |   |   |   |
| 16 | B1 |   |   |   |   |
| 17 | A1 |   |   |   |   |
| 18 | H1 |   |   |   |   |
| 19 |   |   |   |   |   |
| 20 | E6,F6,B2,H2,H4,H6 | 1, 10 | 1, 10 | 2 | 2 |
| 21 | B4 |   |   |   |   |
| 22 | F8 |   |   |   |   |
| 23 | F2 | 2 |   |   |   |
| 24 | E1 |   | 2 |   |   |
| 25 | E2 | 3 |   |   |   |
| 26 | E3 |   | 3 |   |   |
| 27 | G3 | 4 |   |   |   |
| 28 | F3 |   | 4 |   |   |
| 29 | E4 | 5 |   |   |   |
| 30 | F4 |   | 5 |   |   |
| 31 | E5 | 6 |   |   |   |
| 32 | F5 |   | 6 |   |   |
| 33 | G5 | 7 |   |   |   |
| 34 | H5 |   | 7 |   |   |
| 35 | G6 | 8 |   |   |   |
| 36 | G7 |   | 8 |   |   |
| 37 | H7 | 9 |   |   |   |
| 38 | E7 |   | 9 |   |   |
| 39 | F1 |   |   |   |   |
| 40 | C6,H3,A6 | 20 | 20 |   | 1 |
|   | H8 |   | 12 |   |   |
|   | G1 |   | 13 |   |   |
|   | D7 | 12 |   |   |   |
|   | C5 | 13 |   |   |   |
|   | B5 | 14 |   |   |   |
|   | A5 | 15 |   |   |   |
|   | C4 | 16 |   |   |   |
|   | D3 | 17 |   |   |   |
|   | C3 | 18 |   |   |   |
|   | B3 | 19 |   |   |   |
|   | C7 |   | 16 |   |   |
|   | C8 |   | 15 |   |   |
|   | A8 |   | 14 |   |   |
|   | B7 |   | 17 |   |   |
|   | A7 |   | 18 |   |   |
|   | D8 |   | 19 |   |   |
Увеличить |
DIP40/BGA64 специализированный адаптер для FLASH памяти. |
| DIP-40 | BGA-64 | U1, 74AHC573 | U2, 74AHC573 | C1, 150пФ | C2, 0.1мкФ |
| 1 | D5,D6 |   |   |   |   |
| 2 |   |   |   |   |   |
| 3 |   | 11 | 11 | 1 |   |
| 4 | D4 |   |   |   |   |
| 5 | B6 |   |   |   |   |
| 6 | B8 |   |   |   |   |
| 7 | G8 |   |   |   |   |
| 8 | E8 |   |   |   |   |
| 9 | A4 |   |   |   |   |
| 10 | A3 |   |   |   |   |
| 11 | C2 |   |   |   |   |
| 12 | A2 |   |   |   |   |
| 13 | D2 |   |   |   |   |
| 14 | D1 |   |   |   |   |
| 15 | C1 |   |   |   |   |
| 16 | B1 |   |   |   |   |
| 17 | A1 |   |   |   |   |
| 18 |   |   |   |   |   |
| 19 | H1 |   |   |   |   |
| 20 | E6,F6,B2,H2,H4,H6 | 1, 10 | 1, 10 | 2 | 2 |
| 21 | B4 |   |   |   |   |
| 22 | F8 |   |   |   |   |
| 23 | F2 | 2 |   |   |   |
| 24 | E1 |   | 2 |   |   |
| 25 | E2 | 3 |   |   |   |
| 26 | E3 |   | 3 |   |   |
| 27 | G3 | 4 |   |   |   |
| 28 | F3 |   | 4 |   |   |
| 29 | E4 | 5 |   |   |   |
| 30 | F4 |   | 5 |   |   |
| 31 | E5 | 6 |   |   |   |
| 32 | F5 |   | 6 |   |   |
| 33 | G5 | 7 |   |   |   |
| 34 | H5 |   | 7 |   |   |
| 35 | G6 | 8 |   |   |   |
| 36 | G7 |   | 8 |   |   |
| 37 | H7 | 9 |   |   |   |
| 38 | E7 |   | 9 |   |   |
| 39 | F1 |   |   |   |   |
| 40 | C6,H3,G4,A6 | 20 | 20 |   | 1 |
|   | H8 |   | 12 |   |   |
|   | G1 |   | 13 |   |   |
|   | D7 | 12 |   |   |   |
|   | C5 | 13 |   |   |   |
|   | B5 | 14 |   |   |   |
|   | A5 | 15 |   |   |   |
|   | C4 | 16 |   |   |   |
|   | D3 | 17 |   |   |   |
|   | C3 | 18 |   |   |   |
|   | B3 | 19 |   |   |   |
|   | C7 |   | 16 |   |   |
|   | C8 |   | 15 |   |   |
|   | A8 |   | 14 |   |   |
|   | B7 |   | 17 |   |   |
|   | A7 |   | 18 |   |   |
|   | D8 |   | 19 |   |   |
Увеличить |
DIP40/BGA64 специализированный адаптер для FLASH памяти. |
| DIP-40 | BGA-64 | U1, 74AHC573 | U2, 74AHC573 | C1, 150пФ | C2, 0.1мкФ |
| 1 | D8,F1 |   |   |   |   |
| 2 | G1 |   |   |   |   |
| 3 |   | 11 | 11 | 1 |   |
| 4 | B5 |   |   |   |   |
| 5 | F8 |   |   |   |   |
| 6 | G8 |   |   |   |   |
| 7 | A5 |   |   |   |   |
| 8 | A4 |   |   |   |   |
| 9 | B4 |   |   |   |   |
| 10 | A3 |   |   |   |   |
| 11 | C3 |   |   |   |   |
| 12 | D3 |   |   |   |   |
| 13 | B2 |   |   |   |   |
| 14 | A2 |   |   |   |   |
| 15 | C2 |   |   |   |   |
| 16 | D2 |   |   |   |   |
| 17 | E2 |   |   |   |   |
| 18 | B1 |   |   |   |   |
| 19 |   |   |   |   |   |
| 20 | H2,H7,E8 | 1, 10 | 1, 10 | 2 | 2 |
| 21 | F2 |   |   |   |   |
| 22 | G2 |   |   |   |   |
| 23 | E3 | 2 |   |   |   |
| 24 | F3 |   | 2 |   |   |
| 25 | H3 | 3 |   |   |   |
| 26 | G3 |   | 3 |   |   |
| 27 | E4 | 4 |   |   |   |
| 28 | F4 |   | 4 |   |   |
| 29 | H4 | 5 |   |   |   |
| 30 | G4 |   | 5 |   |   |
| 31 | H5 | 6 |   |   |   |
| 32 | F5 |   | 6 |   |   |
| 33 | E5 | 7 |   |   |   |
| 34 | G6 |   | 7 |   |   |
| 35 | H6 | 8 |   |   |   |
| 36 | F6 |   | 8 |   |   |
| 37 | E6 | 9 |   |   |   |
| 38 | G7 |   | 9 |   |   |
| 39 | F7 |   |   |   |   |
| 40 | G5 | 20 | 20 |   | 1 |
|   | C8 |   | 12 |   |   |
|   | B8 |   | 13 |   |   |
|   | D7 | 12 |   |   |   |
|   | C7 | 13 |   |   |   |
|   | A7 | 14 |   |   |   |
|   | B7 | 15 |   |   |   |
|   | D6 | 16 |   |   |   |
|   | C6 | 17 |   |   |   |
|   | A6 | 18 |   |   |   |
|   | B6 | 19 |   |   |   |
|   | D5 |   | 16 |   |   |
|   | D4 |   | 15 |   |   |
|   | C5 |   | 14 |   |   |
|   | C4 |   | 17 |   |   |
|   | B3 |   | 18 |   |   |
|   | E7 |   | 19 |   |   |
Увеличить |
DIP40/BGA64 специализированный адаптер для FLASH памяти. |
| DIP-40 | BGA-64 | U1, 74AHC573 | U2, 74AHC573 | C1, 150пФ | C2, 0.1мкФ |
| 1 | D5,D6 |   |   |   |   |
| 2 | B8 |   |   |   |   |
| 3 |   | 11 | 11 | 1 |   |
| 4 | D4 |   |   |   |   |
| 5 |   |   |   |   |   |
| 6 |   |   |   |   |   |
| 7 | G8 |   |   |   |   |
| 8 | E8 |   |   |   |   |
| 9 | A4 |   |   |   |   |
| 10 | A3 |   |   |   |   |
| 11 | C2 |   |   |   |   |
| 12 | A2 |   |   |   |   |
| 13 | D2 |   |   |   |   |
| 14 | D1 |   |   |   |   |
| 15 | C1 |   |   |   |   |
| 16 | B1 |   |   |   |   |
| 17 | A1 |   |   |   |   |
| 18 |   |   |   |   |   |
| 19 | H1 |   |   |   |   |
| 20 | E6,F6,B2,H4,H6 | 1, 10 | 1, 10 | 2 | 2 |
| 21 | B4 |   |   |   |   |
| 22 | F8 |   |   |   |   |
| 23 | F2 | 2 |   |   |   |
| 24 | E1 |   | 2 |   |   |
| 25 | E2 | 3 |   |   |   |
| 26 | E3 |   | 3 |   |   |
| 27 | G3 | 4 |   |   |   |
| 28 | F3 |   | 4 |   |   |
| 29 | E4 | 5 |   |   |   |
| 30 | F4 |   | 5 |   |   |
| 31 | E5 | 6 |   |   |   |
| 32 | F5 |   | 6 |   |   |
| 33 | G5 | 7 |   |   |   |
| 34 | H5 |   | 7 |   |   |
| 35 | G6 | 8 |   |   |   |
| 36 | G7 |   | 8 |   |   |
| 37 | H7 | 9 |   |   |   |
| 38 | E7 |   | 9 |   |   |
| 39 | F1 |   |   |   |   |
| 40 | C6,H3,G4,A6 | 20 | 20 |   | 1 |
|   | H8 |   | 12 |   |   |
|   | G1 |   | 13 |   |   |
|   | D7 | 12 |   |   |   |
|   | C5 | 13 |   |   |   |
|   | B5 | 14 |   |   |   |
|   | A5 | 15 |   |   |   |
|   | C4 | 16 |   |   |   |
|   | D3 | 17 |   |   |   |
|   | C3 | 18 |   |   |   |
|   | B3 | 19 |   |   |   |
|   | C7 |   | 16 |   |   |
|   | C8 |   | 15 |   |   |
|   | A8 |   | 14 |   |   |
|   | B7 |   | 17 |   |   |
|   | A7 |   | 18 |   |   |
|   | D8 |   | 19 |   |   |
Увеличить |
DIP40/BGA64 специализированный адаптер для FLASH памяти. |
| DIP-40 | BGA-64 | U1, 74AHC573 | U2, 74AHC573 | C1, 150пФ | C2, 0.1мкФ |
| 1 |   |   |   |   |   |
| 2 |   |   |   |   |   |
| 3 |   | 11 | 11 | 1 |   |
| 4 | D5 |   |   |   |   |
| 5 |   |   |   |   |   |
| 6 |   |   |   |   |   |
| 7 | C6 |   |   |   |   |
| 8 | E5 |   |   |   |   |
| 9 | C5 |   |   |   |   |
| 10 | C3 |   |   |   |   |
| 11 | D3 |   |   |   |   |
| 12 | E3 |   |   |   |   |
| 13 | F3 |   |   |   |   |
| 14 | D2 |   |   |   |   |
| 15 | E2 |   |   |   |   |
| 16 | F2 |   |   |   |   |
| 17 | G2 |   |   |   |   |
| 18 |   |   |   |   |   |
| 19 |   |   |   |   |   |
| 20 | G3,J9 | 1, 10 | 1, 10 | 2 | 2 |
| 21 | H2 |   |   |   |   |
| 22 | H3 |   |   |   |   |
| 23 | J3 | 2 |   |   |   |
| 24 | K3 |   | 2 |   |   |
| 25 | G4 | 3 |   |   |   |
| 26 | H4 |   | 3 |   |   |
| 27 | K4 | 4 |   |   |   |
| 28 | J4 |   | 4 |   |   |
| 29 | H5 | 5 |   |   |   |
| 30 | K5 |   | 5 |   |   |
| 31 | H6 | 6 |   |   |   |
| 32 | J7 |   | 6 |   |   |
| 33 | K7 | 7 |   |   |   |
| 34 | H7 |   | 7 |   |   |
| 35 | G7 | 8 |   |   |   |
| 36 | K8 |   | 8 |   |   |
| 37 | J8 | 9 |   |   |   |
| 38 | H8 |   | 9 |   |   |
| 39 |   |   |   |   |   |
| 40 | J5,J6,J2 | 20 | 20 |   | 1 |
|   |   |   | 12 |   |   |
|   | F9 |   | 13 |   |   |
|   | D9 | 12 |   |   |   |
|   | F8 | 13 |   |   |   |
|   | E8 | 14 |   |   |   |
|   | D8 | 15 |   |   |   |
|   | C8 | 16 |   |   |   |
|   | F7 | 17 |   |   |   |
|   | E7 | 18 |   |   |   |
|   | C7 | 19 |   |   |   |
|   | D7 |   | 16 |   |   |
|   | E6 |   | 15 |   |   |
|   | E9 |   | 14 |   |   |
|   | E4 |   | 17 |   |   |
|   | F4 |   | 18 |   |   |
|   | G9 |   | 19 |   |   |
Увеличить |
DIP40/BGA64 специализированный адаптер для FLASH памяти. |
| DIP-40 | BGA-64 | U1, 74AHC573 | U2, 74AHC573 | C1, 150пФ | C2, 0.1мкФ |
| 1 | G4 |   |   |   |   |
| 2 |   |   |   |   |   |
| 3 |   | 11 | 11 | 1 |   |
| 4 | D4 |   |   |   |   |
| 5 |   |   |   |   |   |
| 6 |   |   |   |   |   |
| 7 | G8 |   |   |   |   |
| 8 | B8 |   |   |   |   |
| 9 | A4 |   |   |   |   |
| 10 | A3 |   |   |   |   |
| 11 | C2 |   |   |   |   |
| 12 | A2 |   |   |   |   |
| 13 | D2 |   |   |   |   |
| 14 | D1 |   |   |   |   |
| 15 | C1 |   |   |   |   |
| 16 | B1 |   |   |   |   |
| 17 | A1 |   |   |   |   |
| 18 |   |   |   |   |   |
| 19 |   |   |   |   |   |
| 20 | B2,H4,H6,F1,H1 | 1, 10 | 1, 10 | 2 | 2 |
| 21 | B4 |   |   |   |   |
| 22 | F8 |   |   |   |   |
| 23 | F2 | 2 |   |   |   |
| 24 | E1 |   | 2 |   |   |
| 25 | E2 | 3 |   |   |   |
| 26 | E3 |   | 3 |   |   |
| 27 | G3 | 4 |   |   |   |
| 28 | F3 |   | 4 |   |   |
| 29 | E4 | 5 |   |   |   |
| 30 | F4 |   | 5 |   |   |
| 31 | E5 | 6 |   |   |   |
| 32 | F5 |   | 6 |   |   |
| 33 | G5 | 7 |   |   |   |
| 34 | H5 |   | 7 |   |   |
| 35 | G6 | 8 |   |   |   |
| 36 | G7 |   | 8 |   |   |
| 37 | H7 | 9 |   |   |   |
| 38 | E7 |   | 9 |   |   |
| 39 |   |   |   |   |   |
| 40 | H3,A6 | 20 | 20 |   | 1 |
|   | H8 |   | 12 |   |   |
|   | G1 |   | 13 |   |   |
|   | D7 | 12 |   |   |   |
|   | C5 | 13 |   |   |   |
|   | B5 | 14 |   |   |   |
|   | A5 | 15 |   |   |   |
|   | C4 | 16 |   |   |   |
|   | D3 | 17 |   |   |   |
|   | C3 | 18 |   |   |   |
|   | B3 | 19 |   |   |   |
|   | C7 |   | 16 |   |   |
|   | C8 |   | 15 |   |   |
|   | A8 |   | 14 |   |   |
|   | B7 |   | 17 |   |   |
|   | A7 |   | 18 |   |   |
|   | D8 |   | 19 |   |   |
Увеличить |
DIP40/BGA64 специализированный адаптер для FLASH памяти. |
| DIP-40 | BGA-64 | U1, 74AHC573 | U2, 74AHC573 | C1, 150пФ | C2, 0.1мкФ |
| 1 | D8,F1 |   |   |   |   |
| 2 | G1 |   |   |   |   |
| 3 |   | 11 | 11 | 1 |   |
| 4 | B5 |   |   |   |   |
| 5 | F8 |   |   |   |   |
| 6 | G8 |   |   |   |   |
| 7 | A5 |   |   |   |   |
| 8 | A4 |   |   |   |   |
| 9 | B4 |   |   |   |   |
| 10 | A3 |   |   |   |   |
| 11 | C3 |   |   |   |   |
| 12 | D3 |   |   |   |   |
| 13 | B2 |   |   |   |   |
| 14 | A2 |   |   |   |   |
| 15 | C2 |   |   |   |   |
| 16 | D2 |   |   |   |   |
| 17 | E2 |   |   |   |   |
| 18 | B1 |   |   |   |   |
| 19 |   |   |   |   |   |
| 20 | H2,H7,E8 | 1, 10 | 1, 10 | 2 | 2 |
| 21 | F2 |   |   |   |   |
| 22 | G2 |   |   |   |   |
| 23 | E3 | 2 |   |   |   |
| 24 | F3 |   | 2 |   |   |
| 25 | H3 | 3 |   |   |   |
| 26 | G3 |   | 3 |   |   |
| 27 | E4 | 4 |   |   |   |
| 28 | F4 |   | 4 |   |   |
| 29 | H4 | 5 |   |   |   |
| 30 | G4 |   | 5 |   |   |
| 31 | H5 | 6 |   |   |   |
| 32 | F5 |   | 6 |   |   |
| 33 | E5 | 7 |   |   |   |
| 34 | G6 |   | 7 |   |   |
| 35 | H6 | 8 |   |   |   |
| 36 | F6 |   | 8 |   |   |
| 37 | E6 | 9 |   |   |   |
| 38 | G7 |   | 9 |   |   |
| 39 | F7 |   |   |   |   |
| 40 | G5 | 20 | 20 |   | 1 |
|   | C8 |   | 12 |   |   |
|   | B8 |   | 13 |   |   |
|   | D7 | 12 |   |   |   |
|   | C7 | 13 |   |   |   |
|   | A7 | 14 |   |   |   |
|   | B7 | 15 |   |   |   |
|   | D6 | 16 |   |   |   |
|   | C6 | 17 |   |   |   |
|   | A6 | 18 |   |   |   |
|   | B6 | 19 |   |   |   |
|   | D5 |   | 16 |   |   |
|   | D4 |   | 15 |   |   |
|   | C5 |   | 14 |   |   |
|   | C4 |   | 17 |   |   |
|   | B3 |   | 18 |   |   |
|   | E7 |   | 19 |   |   |
Увеличить |
DIP40/BGA84 специализированный адаптер для FLASH памяти. |
| DIP-40 | BGA-84 | U1, 74AHC573 | U2, 74AHC573 | C1, 150пФ | C2, 0.1мкФ |
| 1 |   |   |   |   |   |
| 2 | B5 |   |   |   |   |
| 3 |   | 11 | 11 | 1 |   |
| 4 | D5 |   |   |   |   |
| 5 | G8 |   |   |   |   |
| 6 |   |   |   |   |   |
| 7 | C6 |   |   |   |   |
| 8 | E5 |   |   |   |   |
| 9 | C5 |   |   |   |   |
| 10 | C3 |   |   |   |   |
| 11 | D3 |   |   |   |   |
| 12 | E3 |   |   |   |   |
| 13 | F3 |   |   |   |   |
| 14 | D2 |   |   |   |   |
| 15 | E2 |   |   |   |   |
| 16 | F2 |   |   |   |   |
| 17 | G2 |   |   |   |   |
| 18 |   |   |   |   |   |
| 19 | C2 |   |   |   |   |
| 20 | G3,J9,B2,B4 | 1, 10 | 1, 10 | 2 | 2 |
| 21 | H2 |   |   |   |   |
| 22 | H3 |   |   |   |   |
| 23 | J3 | 2 |   |   |   |
| 24 | K3 |   | 2 |   |   |
| 25 | G4 | 3 |   |   |   |
| 26 | H4 |   | 3 |   |   |
| 27 | K4 | 4 |   |   |   |
| 28 | J4 |   | 4 |   |   |
| 29 | H5 | 5 |   |   |   |
| 30 | K5 |   | 5 |   |   |
| 31 | H6 | 6 |   |   |   |
| 32 | J7 |   | 6 |   |   |
| 33 | K7 | 7 |   |   |   |
| 34 | H7 |   | 7 |   |   |
| 35 | G7 | 8 |   |   |   |
| 36 | K8 |   | 8 |   |   |
| 37 | J8 | 9 |   |   |   |
| 38 | H8 |   | 9 |   |   |
| 39 |   |   |   |   |   |
| 40 | J5,J6,L5,J2 | 20 | 20 |   | 1 |
|   | F6 |   | 12 |   |   |
|   | F9 |   | 13 |   |   |
|   | D9 | 12 |   |   |   |
|   | F8 | 13 |   |   |   |
|   | E8 | 14 |   |   |   |
|   | D8 | 15 |   |   |   |
|   | C8 | 16 |   |   |   |
|   | F7 | 17 |   |   |   |
|   | E7 | 18 |   |   |   |
|   | C7 | 19 |   |   |   |
|   | D7 |   | 16 |   |   |
|   | E6 |   | 15 |   |   |
|   | E9 |   | 14 |   |   |
|   | E4 |   | 17 |   |   |
|   | F4 |   | 18 |   |   |
|   | G9 |   | 19 |   |   |
Увеличить |
DIP40/BGA84 специализированный адаптер для FLASH памяти. |
| DIP-40 | BGA-84 | U1, 74AHC573 | U2, 74AHC573 | C1, 150пФ | C2, 0.1мкФ |
| 1 | L8 |   |   |   |   |
| 2 | B5 |   |   |   |   |
| 3 |   | 11 | 11 | 1 |   |
| 4 | D5 |   |   |   |   |
| 5 | G8 |   |   |   |   |
| 6 |   |   |   |   |   |
| 7 | C6 |   |   |   |   |
| 8 | E5 |   |   |   |   |
| 9 | C5 |   |   |   |   |
| 10 | C3 |   |   |   |   |
| 11 | D3 |   |   |   |   |
| 12 | E3 |   |   |   |   |
| 13 | F3 |   |   |   |   |
| 14 | D2 |   |   |   |   |
| 15 | E2 |   |   |   |   |
| 16 | F2 |   |   |   |   |
| 17 | G2 |   |   |   |   |
| 18 |   |   |   |   |   |
| 19 |   |   |   |   |   |
| 20 | B2,B3,B4,G3,J9,L4 | 1, 10 | 1, 10 | 2 | 2 |
| 21 | H2 |   |   |   |   |
| 22 | H3 |   |   |   |   |
| 23 | J3 | 2 |   |   |   |
| 24 | K3 |   | 2 |   |   |
| 25 | G4 | 3 |   |   |   |
| 26 | H4 |   | 3 |   |   |
| 27 | K4 | 4 |   |   |   |
| 28 | J4 |   | 4 |   |   |
| 29 | H5 | 5 |   |   |   |
| 30 | K5 |   | 5 |   |   |
| 31 | H6 | 6 |   |   |   |
| 32 | J7 |   | 6 |   |   |
| 33 | K7 | 7 |   |   |   |
| 34 | H7 |   | 7 |   |   |
| 35 | G7 | 8 |   |   |   |
| 36 | K8 |   | 8 |   |   |
| 37 | J8 | 9 |   |   |   |
| 38 | H8 |   | 9 |   |   |
| 39 |   |   |   |   |   |
| 40 | B6,J5,L5,J2,J6 | 20 | 20 |   | 1 |
|   | F6 |   | 12 |   |   |
|   | F9 |   | 13 |   |   |
|   | D9 | 12 |   |   |   |
|   | F8 | 13 |   |   |   |
|   | E8 | 14 |   |   |   |
|   | D8 | 15 |   |   |   |
|   | C8 | 16 |   |   |   |
|   | F7 | 17 |   |   |   |
|   | E7 | 18 |   |   |   |
|   | C7 | 19 |   |   |   |
|   | D7 |   | 16 |   |   |
|   | E6 |   | 15 |   |   |
|   | E9 |   | 14 |   |   |
|   | E4 |   | 17 |   |   |
|   | F4 |   | 18 |   |   |
|   | G9 |   | 19 |   |   |
Увеличить |
DIP40/BGA88 специализированный адаптер для FLASH памяти. |
| DIP-40 | BGA-64 | U1, 74AHC573 | U2, 74AHC573 | C1, 150пФ | C2, 0.1мкФ |
| 1 | L3,K7,J8 |   |   |   |   |
| 2 | G8 |   |   |   |   |
| 3 |   | 11 | 11 | 1 |   |
| 4 | F4 |   |   |   |   |
| 5 | D3 |   |   |   |   |
| 6 |   |   |   |   |   |
| 7 | F5 |   |   |   |   |
| 8 | G7 |   |   |   |   |
| 9 | D4 |   |   |   |   |
| 10 | E2 |   |   |   |   |
| 11 | F2 |   |   |   |   |
| 12 | C1 |   |   |   |   |
| 13 | B1 |   |   |   |   |
| 14 | D1 |   |   |   |   |
| 15 | E1 |   |   |   |   |
| 16 | F1 |   |   |   |   |
| 17 | G1 |   |   |   |   |
| 18 |   |   |   |   |   |
| 19 | H8 |   |   |   |   |
| 20 | L1,L2,L5,L6,L7,L8,B4,C4,E5,C6 | 1, 10 | 1, 10 | 2 | 2 |
| 21 | K1 |   |   |   |   |
| 22 | J2 |   |   |   |   |
| 23 | H2 | 2 |   |   |   |
| 24 | G2 |   | 2 |   |   |
| 25 | H3 | 3 |   |   |   |
| 26 | J3 |   | 3 |   |   |
| 27 | G3 | 4 |   |   |   |
| 28 | G4 |   | 4 |   |   |
| 29 | H4 | 5 |   |   |   |
| 30 | J4 |   | 5 |   |   |
| 31 | J5 | 6 |   |   |   |
| 32 | H5 |   | 6 |   |   |
| 33 | G5 | 7 |   |   |   |
| 34 | G6 |   | 7 |   |   |
| 35 | J6 | 8 |   |   |   |
| 36 | H6 |   | 8 |   |   |
| 37 | H7 | 9 |   |   |   |
| 38 | J7 |   | 9 |   |   |
| 39 |   |   |   |   |   |
| 40 | L4,B5,B6,K6,E4 | 20 | 20 |   | 1 |
|   | C3 |   | 12 |   |   |
|   | C7 |   | 13 |   |   |
|   | E8 | 12 |   |   |   |
|   | F7 | 13 |   |   |   |
|   | D8 | 14 |   |   |   |
|   | C8 | 15 |   |   |   |
|   | B8 | 16 |   |   |   |
|   | E7 | 17 |   |   |   |
|   | D7 | 18 |   |   |   |
|   | F6 | 19 |   |   |   |
|   | B3 |   | 16 |   |   |
|   | E6 |   | 15 |   |   |
|   | B7 |   | 14 |   |   |
|   | B2 |   | 17 |   |   |
|   | D2 |   | 18 |   |   |
|   | F8 |   | 19 |   |   |
Увеличить |
DIP32/DIP28 специализированный адаптер для EPROM/FLASH памяти. |
| DIP-32 | DIP-28 |
| 1 | 1 |
| 4 | 2 |
| 5 | 3 |
| 6 | 4 |
| 7 | 5 |
| 8 | 6 |
| 9 | 7 |
| 10 | 8 |
| 11 | 9 |
| 12 | 10 |
| 13 | 11 |
| 14 | 12 |
| 15 | 13 |
| 16 | 14 |
| 17 | 15 |
| 18 | 16 |
| 19 | 17 |
| 20 | 18 |
| 21 | 19 |
| 22 | 20 |
| 23 | 21 |
| 24 | 22 |
| 25 | 23 |
| 26 | 24 |
| 27 | 25 |
| 28 | 26 |
| 29 | 27 |
| 32 | 28 |
Увеличить |
DIP40/DIP48 специализированный адаптер для EPROM/FLASH памяти. |
| DIP-40 | DIP-48 | 74HC573 | C1, 150пФ | C2, 0.1мкФ |
| 1 | 1 |   |   |   |
| 2 | 2 |   |   |   |
| 3 | 3 |   |   |   |
| 4 | 4 |   |   |   |
| 5 | 5 |   |   |   |
| 6 | 6 |   |   |   |
| 7 | 7 |   |   |   |
| 8 | 8 |   |   |   |
| 9 | 9 | 3 |   |   |
| 10 | 10 | 2 |   |   |
| 30 | 11 |   |   |   |
| 20 | 12 |   |   |   |
| 29 | 13 |   |   |   |
| 11 | 14 |   |   |   |
| 12 | 15 |   |   |   |
| 13 | 16 |   |   |   |
| 14 | 17 |   |   |   |
| 15 | 18 |   |   |   |
| 16 | 19 |   |   |   |
| 17 | 20 |   |   |   |
| 18 | 21 |   |   |   |
|   | 22 |   |   |   |
|   | 23 |   |   |   |
|   | 24 |   |   |   |
|   | 25 |   |   |   |
|   | 26 |   |   |   |
|   | 27 |   |   |   |
| 40 | 28 | 20 |   | 2 |
| 21 | 29 |   |   |   |
| 22 | 30 |   |   |   |
| 23 | 31 |   |   |   |
| 24 | 32 |   |   |   |
| 25 | 33 |   |   |   |
| 26 | 34 |   |   |   |
| 27 | 35 |   |   |   |
| 28 | 36 |   |   |   |
| 20 | 37 | 1,10 | 1 | 1 |
|   | 38 | 18 |   |   |
| 31 | 39 |   |   |   |
| 32 | 40 |   |   |   |
| 33 | 41 |   |   |   |
| 34 | 42 |   |   |   |
| 35 | 43 |   |   |   |
| 36 | 44 |   |   |   |
| 37 | 45 |   |   |   |
| 38 | 46 |   |   |   |
| 39 | 47 |   |   |   |
|   | 48 | 19 |   |   |
| 19 |   | 11 | 2 |   |
Увеличить |
DIP40/DIP48 специализированный адаптер для EPROM/FLASH памяти. |
| DIP-40 | DIP-48 | 74AHC573 | C1, 150пФ | C2, 0.1мкФ |
| 1 | 38 |   |   |   |
|   | 1 | 19 |   |   |
| 2 | 2 |   |   |   |
| 3 | 3 |   |   |   |
| 4 | 4 |   |   |   |
| 5 | 5 |   |   |   |
| 6 | 6 |   |   |   |
| 7 | 7 |   |   |   |
| 8 | 8 |   |   |   |
| 9 | 9 | 3 |   |   |
| 10 | 10 | 2 |   |   |
| 30 | 11 |   |   |   |
| 20 | 12 |   |   |   |
| 29 | 13 |   |   |   |
| 11 | 14 |   |   |   |
| 12 | 15 |   |   |   |
| 13 | 16 |   |   |   |
| 14 | 17 |   |   |   |
| 15 | 18 |   |   |   |
| 16 | 19 |   |   |   |
| 17 | 20 |   |   |   |
| 18 | 21 |   |   |   |
|   | 22 |   |   |   |
|   | 23 |   |   |   |
|   | 24 |   |   |   |
|   | 25 |   |   |   |
|   | 26 |   |   |   |
|   | 27 |   |   |   |
| 40 | 28 | 20 |   | 2 |
| 21 | 29 |   |   |   |
| 22 | 30 |   |   |   |
| 23 | 31 |   |   |   |
| 24 | 32 |   |   |   |
| 25 | 33 |   |   |   |
| 26 | 34 |   |   |   |
| 27 | 35 |   |   |   |
| 28 | 36 |   |   |   |
| 20 | 37 | 1,10 | 1 | 1 |
| 31 | 39 |   |   |   |
| 32 | 40 |   |   |   |
| 33 | 41 |   |   |   |
| 34 | 42 |   |   |   |
| 35 | 43 |   |   |   |
| 36 | 44 |   |   |   |
| 37 | 45 |   |   |   |
| 38 | 46 |   |   |   |
| 39 | 47 |   |   |   |
|   | 48 | 18 |   |   |
| 19 |   | 11 | 2 |   |
Увеличить |
DIP28/BH20 специализированный адаптер для программирования микроконтроллеров ARM/Cortex в устройстве пользователя. |
| DIP-28 | BH-20 | 74AHC126 | 74AHC126 | C1, 0.1мкф |
| 1 | 1,2 | 3 |   |   |
| 2 | 5 | 6 |   |   |
| 3 | 13 | 8 |   |   |
| 4 | - |   |   |   |
| 5,14 | 4,6,8,10,12,14,16,18,20 | 7 | 7,12,13 | 1 |
| 6 |   | 2 |   |   |
| 7 |   | 1 |   |   |
| 8 |   | 5 |   |   |
| 9 |   | 14 | 14 | 2 |
| 10 |   | 9 |   |   |
| 11 |   | 10 |   |   |
| 12 |   | 12 |   |   |
| 13 |   | 13 |   |   |
| 15 |   | 4 |   |   |
| 16 |   |   | 2 |   |
| 17 |   |   | 1 |   |
| 18 |   |   | 5 |   |
| 19 |   |   | 4 |   |
| 20 |   |   | 9 |   |
| 21 |   |   | 10 |   |
| 22 |   |   |   |   |
| 24 | 15 |   | 3 |   |
| 25 | - |   |   |   |
| 26 | 3 |   | 6 |   |
| 27 | 7 |   | 8 |   |
| 28 | 9 | 11 |   |   |
Для просмотра списка микросхем, которые поддерживает программатор при наличии данного адаптера, выберите программатор из списка:
Схема подсоединения к адаптеру:
Подача питания на устройство пользователя:: |
| Выходной разъем адаптера, BH-20 | Микросхема ARM |
| 1 | VCC |
| 2 | VCC |
| 3 | - |
| 4 | GND |
| 5 | - |
| 6 | GND |
| 7 | SWDIO |
| 8 | GND |
| 9 | SWCLK |
| 10 | GND |
| 11 | - |
| 12 | GND |
| 13 | - |
| 14 | GND |
| 15 | RESET |
| 16 | GND |
| 17 | - |
| 18 | GND |
| 19 | - |
| 20 | GND |
Для просмотра списка микросхем, которые поддерживает программатор при наличии данного адаптера, выберите программатор из списка:
Схема подсоединения к адаптеру:
Подача питания на устройство пользователя:: |
| Выходной разъем адаптера, BH-20 | Микросхема ARM |
| 1 | VCC |
| 2 | VCC |
| 3 | TRST |
| 4 | GND |
| 5 | TDI |
| 6 | GND |
| 7 | TMS |
| 8 | GND |
| 9 | TCK |
| 10 | GND |
| 11 | - |
| 12 | GND |
| 13 | TDO |
| 14 | GND |
| 15 | RESET |
| 16 | GND |
| 17 | - |
| 18 | GND |
| 19 | - |
| 20 | GND |
Для просмотра списка микросхем, которые поддерживает программатор при наличии данного адаптера, выберите программатор из списка:
Схема подсоединения к адаптеру: |
Подача питания на устройство пользователя::
Подача питания на устройство пользователя может подаваться как от программатора, так и от внешнего источника питания. При подаче питания от внешнего источника, питание от программатора не должно подаваться на программируемое устройство.
Развязывающие резисторы::
Резисторы R1..R6 предназначены для изолирования программатора от устройства пользователя. Номинал этих резисторов должен быть не меньше 2к. Вместо резисторов можно использовать джамперы.
Параметры ISP программирования:
1. Нагрузочная способность программатора:
1.1 по цепи питания - 80 mA;
1.2 по напряжению программирования - 50 mA;
1.3 по логическим выходам - 5 mA.
2. Длина кабеля должна быть не более 30 см.
| Выходной разъем адаптера, BH-20 | Микросхема CY8C38xx |
| 1 | VCC |
| 2 | VCC |
| 3 | TRST |
| 4 | GND |
| 5 | TDI |
| 6 | GND |
| 7 | TMS |
| 8 | GND |
| 9 | TCK |
| 10 | GND |
| 11 | - |
| 12 | GND |
| 13 | TDO |
| 14 | GND |
| 15 | RESET |
| 16 | GND |
| 17 | - |
| 18 | GND |
| 19 | - |
| 20 | GND |
Для просмотра списка микросхем, которые поддерживает программатор при наличии данного адаптера, выберите программатор из списка:
Схема подсоединения к адаптеру: |
Подача питания на устройство пользователя::
Подача питания на устройство пользователя может подаваться как от программатора, так и от внешнего источника питания. При подаче питания от внешнего источника, питание от программатора не должно подаваться на программируемое устройство.
Развязывающие резисторы::
Резисторы R1..R6 предназначены для изолирования программатора от устройства пользователя. Номинал этих резисторов должен быть не меньше 2к. Вместо резисторов можно использовать джамперы.
Параметры ISP программирования:
1. Нагрузочная способность программатора:
1.1 по цепи питания - 80 mA;
1.2 по напряжению программирования - 50 mA;
1.3 по логическим выходам - 5 mA.
2. Длина кабеля должна быть не более 30 см.
| Выходной разъем адаптера, BH-20 | Микросхема CY8C38 |
| 1 | VCC |
| 2 | VCC |
| 3 | - |
| 4 | GND |
| 5 | - |
| 6 | GND |
| 7 | SWDIO |
| 8 | GND |
| 9 | SWCLK |
| 10 | GND |
| 11 | - |
| 12 | GND |
| 13 | - |
| 14 | GND |
| 15 | RESET |
| 16 | GND |
| 17 | - |
| 18 | GND |
| 19 | - |
| 20 | GND |
Увеличить |
DIP28/BH16 специализированный адаптер для программирования микроконтроллеров семейства MSP430 в устройстве пользователя с помощью JTAG интерфейса. |
| DIP-28 | BH-14 | 74AHC126 | 74AHC126 | C1, 0.1мкф |
| 1,23 | 7 | 3 |   |   |
| 2 | 3 | 6 |   |   |
| 3 | 5 | 8 |   |   |
| 4 | 1 |   |   |   |
| 5,14 | 9 | 7 | 7,12,13 | 1 |
| 6 |   | 2 |   |   |
| 7 |   | 1 |   |   |
| 8 |   | 5 |   |   |
| 9 |   | 14 | 14 | 2 |
| 10 |   | 9 |   |   |
| 11 |   | 10 |   |   |
| 12 |   | 12 |   |   |
| 13 |   | 13 |   |   |
| 15 |   | 4 |   |   |
| 16 |   |   | 2 |   |
| 17 |   |   | 1 |   |
| 18 |   |   | 5 |   |
| 19 |   |   | 4 |   |
| 20 |   |   | 9 |   |
| 21 |   |   | 10 |   |
| 22 |   |   |   |   |
| 24 | 11 |   | 3 |   |
| 25 | 8 |   |   |   |
| 26 | 6 |   | 6 |   |
| 27 | 4 |   | 8 |   |
| 28 | 2 | 11 |   |   |
Для просмотра списка микросхем, которые поддерживает программатор при наличии данного адаптера, выберите программатор из списка:
Подача питания на устройство пользователя:: |
| Adapter Output connector, BH-14 | Target Device MSP430Fxxx |
| 1 | TDO |
| 2 | VCC |
| 3 | TDI |
| 4 | - |
| 5 | TMS |
| 6 | - |
| 7 | TCK |
| 8 | TEST* |
| 9 | GND |
| 10 | - |
| 11 | NRST |
| 12 | - |
| 13 | - |
| 14 | - |
* - Некоторые микроконтроллеры не имеют сигнал TEST.
Увеличить |
DIP28/BH16 специализированный адаптер для программирования микроконтроллеров фирмы NEC в устройстве пользователя. |
| DIP-28 | BH-16 | 74AHC126 | 74AHC126 | C1, 0.1мкф |
| 1 | 2 | 3 |   |   |
| 2 | 3 | 6 |   |   |
| 3 | 4 | 8 |   |   |
| 4 | 12 |   |   |   |
| 5 | 1 | 7 | 7,12,13 | 1 |
| 6 |   | 2 |   |   |
| 7 |   | 1 |   |   |
| 8 |   | 5 |   |   |
| 9 |   | 14 | 14 | 2 |
| 10 |   | 9 |   |   |
| 11 |   | 10 |   |   |
| 12 |   | 12 |   |   |
| 13 |   | 13 |   |   |
| 14 |   |   |   |   |
| 15 |   | 4 |   |   |
| 16 |   |   | 2 |   |
| 17 |   |   | 1 |   |
| 18 |   |   | 5 |   |
| 19 |   |   | 4 |   |
| 20 |   |   | 9 |   |
| 21 |   |   | 10 |   |
| 22 |   |   |   |   |
| 23 |   |   |   |   |
| 24 | 9 |   | 3 |   |
| 25 | 14 |   |   |   |
| 26 | 8 |   | 6 |   |
| 27 | 7 |   | 8 |   |
| 28 | 5 | 11 |   |   |
Для просмотра списка микросхем, которые поддерживает программатор при наличии данного адаптера, выберите программатор из списка:
Подача питания на устройство пользователя:: |
| Adapter output connector BH16 | One Wire UART protocol device target |
| 1 | GND |
| 2 | RESET |
| 3 |   |
| 4 | Vdd |
| 5 | TOOL0 |
| 6 |   |
| 7 |   |
| 8 |   |
| 9 | CLK |
| 10 |   |
| 11 |   |
| 12 | FLMD1 |
| 13 |   |
| 14 | FLMD0 |
| 15 |   |
| 16 |   |
Для просмотра списка микросхем, которые поддерживает программатор при наличии данного адаптера, выберите программатор из списка:
Подача питания на устройство пользователя:: |
| Adapter output connector BH16 | SPI protocol device target |
| 1 | GND |
| 2 | RESET |
| 3 | SI |
| 4 | Vdd |
| 5 | SO |
| 6 |   |
| 7 | SCK |
| 8 | H/S |
| 9 | CLK |
| 10 |   |
| 11 |   |
| 12 | FLMD1 |
| 13 |   |
| 14 | FLMD0 |
| 15 |   |
| 16 |   |
Для просмотра списка микросхем, которые поддерживает программатор при наличии данного адаптера, выберите программатор из списка:
Подача питания на устройство пользователя:: |
| Adapter output connector BH16 | UART protocol device target |
| 1 | GND |
| 2 | RESET |
| 3 | RXD |
| 4 | Vdd |
| 5 | TXD |
| 6 |   |
| 7 |   |
| 8 |   |
| 9 | CLK |
| 10 |   |
| 11 |   |
| 12 | FLMD1 |
| 13 |   |
| 14 | FLMD0 |
| 15 |   |
| 16 |   |
Увеличить |
DIP28/BH10 специализированный адаптер для программирования микроконтроллеров семейства ST7 и ST8 в устройстве пользователя. |
| DIP-28 | BH-10 | 74AHC126 | 74AHC126 | C1, 0.1мкф | R1, 510 |
| 1 | 1 | 3 |   |   | 1 |
| 2 | 3 | 6 |   |   | 2 |
| 3 | 5 | 8 |   |   |   |
| 4 | 7 |   |   |   |   |
| 5 | 9 |   | 11 |   |   |
| 6 |   | 2 |   |   |   |
| 7 |   | 1 |   |   |   |
| 8 |   | 5 |   |   |   |
| 9 |   | 14 | 14 | 1 |   |
| 10 |   | 9 |   |   |   |
| 11 |   | 10 |   |   |   |
| 12 |   | 12 |   |   |   |
| 13 |   | 13 |   |   |   |
| 14 |   | 7 | 7 | 2 |   |
| 15 |   | 4 |   |   |   |
| 16 |   |   | 2 |   |   |
| 17 |   |   | 1 |   |   |
| 18 |   |   | 5 |   |   |
| 19 |   |   | 4 |   |   |
| 20 |   |   | 9 |   |   |
| 21 |   |   | 10 |   |   |
| 22 |   |   | 12 |   |   |
| 24 | 10 |   | 3 |   |   |
| 23 |   |   | 13 |   |   |
| 25 | 8 |   |   |   |   |
| 26 | 6 |   | 6 |   |   |
| 27 | 4 |   | 8 |   |   |
| 28 | 2 | 11 |   |   |   |
Для просмотра списка микросхем, которые поддерживает программатор при наличии данного адаптера, выберите программатор из списка:
Recommended connection:
Подача питания на устройство пользователя:: |
| Выходной разъем адаптера, BH-10 | Микросхема ST7 |
| 1 | GND |
| 3 | - |
| 5 | - |
| 7 | VDD |
| 9 | OSC1* |
| 10 | GND |
| 8 | ICCSEL/VPP |
| 6 | RESET |
| 4 | ICCCLK |
| 2 | ICCDATA |
* Подсоединяется при отсутствии внешнего генератора в устройстве пользователя.
Для просмотра списка микросхем, которые поддерживает программатор при наличии данного адаптера, выберите программатор из списка:
Recommended connection:
Подача питания на устройство пользователя:: |
| Выходной разъем адаптера, BH-10 | Микросхема STM8 |
| 1 | VDD |
| 3 | SWIM |
| 5 | GND |
| 7 | RESET |
| 9 | - |
| 10 | - |
| 8 | - |
| 6 | - |
| 4 | - |
| 2 | - |
Увеличить |
DIP28/BH10 универсальный адаптер для программирования микрокосхем в устройстве пользователя. |
| DIP-28 | BH-10 | 74AHC126 | 74AHC126 | C1, 0.1мкф |
| 1,23 | 1 | 3 |   |   |
| 2 | 3 | 6 |   |   |
| 3 | 5 | 8 |   |   |
| 4 | 7 |   |   |   |
| 5,14 | 9 | 7 | 1,2,7 | 1 |
| 6 |   | 2 |   |   |
| 7 |   | 1 |   |   |
| 8 |   | 5 |   |   |
| 9 |   | 14 | 14 | 2 |
| 10 |   | 9 |   |   |
| 11 |   | 10 |   |   |
| 12 |   | 12 |   |   |
| 13 |   | 13 |   |   |
| 15 |   | 4 |   |   |
| 16 |   |   | 5 |   |
| 17 |   |   | 4 |   |
| 18 |   |   | 9 |   |
| 19 |   |   | 10 |   |
| 20 |   |   | 12 |   |
| 21 |   |   | 13 |   |
| 22 |   |   |   |   |
| 24 | 10 |   | 6 |   |
| 25 | 8 |   |   |   |
| 26 | 6 |   | 8 |   |
| 27 | 4 |   | 11 |   |
| 28 | 2 | 11 |   |   |
Для просмотра списка микросхем, которые поддерживает программатор при наличии данного адаптера, выберите программатор из списка:
Схема подсоединения к адаптеру:
Подача питания на устройство пользователя:: |
| Выходной разъем адаптера, BH-10 | Микросхема 24xx |
| 1 | 1 |
| 3 | 8 |
| 5 | 7 |
| 7 | - |
| 9 | 4 |
| 10 | 5 |
| 8 | - |
| 6 | 6 |
| 4 | 2 |
| 2 | 3 |
Для просмотра списка микросхем, которые поддерживает программатор при наличии данного адаптера, выберите программатор из списка:
Схема подсоединения к адаптеру:
Подача питания на устройство пользователя:: |
| Выходной разъем адаптера, BH-10 | Микросхема 93xx |
| 1 | DO |
| 3 | CLK |
| 5 | ORG* |
| 7 | - |
| 9 | GND |
| 10 | PE* |
| 8 | - |
| 6 | CS |
| 4 | DI |
| 2 | Vcc |
* Подсоединяется при отсутствии соединения в устройстве пользователя.
Для просмотра списка микросхем, которые поддерживает программатор при наличии данного адаптера, выберите программатор из списка:
Схема подсоединения к адаптеру:
Подача питания на устройство пользователя:: |
| Выходной разъем адаптера, BH-10 | Микросхема AT45xxx |
| 1 | CS |
| 3 | VCC |
| 5 | WP |
| 7 |   |
| 9 | GND |
| 10 | SI |
| 8 | SO |
| 6 | SCK |
| 4 | RESET |
| 2 | GND |
Для просмотра списка микросхем, которые поддерживает программатор при наличии данного адаптера, выберите программатор из списка:
Схема подсоединения к адаптеру:
Подача питания на устройство пользователя:: |
| Выходной разъем адаптера, BH-10 | Микросхема AT89LP21x |
| 1 | MISO |
| 3 | SCK |
| 5 | RESET |
| 7 | - |
| 9 | GND |
| 10 | SS |
| 8 | - |
| 6 | - |
| 4 | MOSI |
| 2 | Vcc |
Для просмотра списка микросхем, которые поддерживает программатор при наличии данного адаптера, выберите программатор из списка:
Схема подсоединения к адаптеру:
Подача питания на устройство пользователя:: |
| Выходной разъем адаптера, BH-10 | Микросхема AT90/AT89S (кроме AT90CAN128), ATtinyXX, ATmegaXXXX (кроме ATmega103, ATmega128, AT90CAN128, ATMega1281, ATMega2561, ATMega64) |
| 1 | MISO |
| 3 | SCK |
| 5 | RESET |
| 7 | - |
| 9 | GND |
| 10 | XTAL1* |
| 8 | - |
| 6 | - |
| 4 | MOSI |
| 2 | Vcc |
* Подсоединяется при отсутствии внешнего генератора в устройстве пользователя.
Для просмотра списка микросхем, которые поддерживает программатор при наличии данного адаптера, выберите программатор из списка:
Схема подсоединения к адаптеру:
Подача питания на устройство пользователя:: |
| Выходной разъем адаптера, BH-10 | ATTINY10 |
| 1 | - |
| 2 | - |
| 3 | DATA |
| 4 | VCC |
| 5 | CLOCK |
| 6 | - |
| 7 | RESET |
| 8 | GND |
| 9 | - |
| 10 | - |
Для просмотра списка микросхем, которые поддерживает программатор при наличии данного адаптера, выберите программатор из списка:
Схема подсоединения к адаптеру:
Подача питания на устройство пользователя:: |
| Выходной разъем адаптера, BH-10 | ATxMega |
| 1 |   |
| 2 |   |
| 3 | Data |
| 4 | Vcc |
| 5 |   |
| 6 |   |
| 7 | Clock |
| 8 | Gnd |
| 9 | - |
| 10 | - |
Для просмотра списка микросхем, которые поддерживает программатор при наличии данного адаптера, выберите программатор из списка:
Схема подсоединения к адаптеру:
Подача питания на устройство пользователя:: |
| Выходной разъем адаптера, BH-10 | ATxMega |
| 1 | DATA |
| 2 | Vcc |
| 3 | - |
| 4 | - |
| 5 | CLOCK |
| 6 | GND |
| 7 | - |
| 8 | - |
| 9 | - |
| 10 | - |
Для просмотра списка микросхем, которые поддерживает программатор при наличии данного адаптера, выберите программатор из списка:
Схема подсоединения к адаптеру:
Подача питания на устройство пользователя:: |
| Выходной разъем адаптера, BH-10 | Микросхема ATmega103, ATmega128, AT90CAN128, ATMega1281, ATMega2561, ATMega64 |
| 1 | TXD |
| 3 | SCK |
| 5 | RESET |
| 7 | - |
| 9 | GND |
| 10 | XTAL1* |
| 8 | - |
| 6 | - |
| 4 | RXD |
| 2 | Vcc |
* Подсоединяется при отсутствии внешнего генератора в устройстве пользователя.
Для просмотра списка микросхем, которые поддерживает программатор при наличии данного адаптера, выберите программатор из списка:
Схема подсоединения к адаптеру:
Подача питания на устройство пользователя:: |
| Выходной разъем адаптера, BH-10 | Target Device DS89C4x0 |
| 1 | 40 |
| 3 | 11 |
| 5 | 31 |
| 7 | - |
| 9 | 20 |
| 10 | 9 |
| 8 | - |
| 6 | 19 |
| 4 | 10 |
| 2 | 29 |
Для просмотра списка микросхем, которые поддерживает программатор при наличии данного адаптера, выберите программатор из списка:
Схема подсоединения к адаптеру:
Подача питания на устройство пользователя:: |
| Выходной разъем адаптера, BH-10 | Микросхема AT26xxx | Tagret Device 1-Wire |
| 1 |   | Vcc* |
| 3 |   |   |
| 5 |   |   |
| 7 |   |   |
| 9 | Gnd | Gnd |
| 10 |   |   |
| 8 |   |   |
| 6 |   |   |
| 4 | IO | DQ |
| 2 |   |   |
Для просмотра списка микросхем, которые поддерживает программатор при наличии данного адаптера, выберите программатор из списка:
Схема подсоединения к адаптеру:
Подача питания на устройство пользователя:: |
| Выходной разъем адаптера, BH-10 | Микросхема HCS101 | Микросхема HCS201 | Микросхема HCS360 | Микросхема HCS361 | Микросхема HCS362 |
| 1 | Vdd | Vdd | Vdd | Vdd | Vdd |
| 2 | Vss | Vss | Vss | Vss | Vss |
| 3 | S2 | S2 | S2 | S2 | S2 |
| 4 |   |   |   |   |   |
| 5 | S1 | S1 | S1 | S1 | S1 |
| 6 |   |   |   |   |   |
| 7 |   |   |   |   |   |
| 8 |   |   |   |   |   |
| 9 |   |   |   |   |   |
| 10 | Data | Data | Data | Data | Data |
Для просмотра списка микросхем, которые поддерживает программатор при наличии данного адаптера, выберите программатор из списка:
Схема подсоединения к адаптеру:
Подача питания на устройство пользователя:: |
| Выходной разъем адаптера, BH-10 | Микросхема HCS200 | Микросхема HCS300 | Микросхема HCS301 | Микросхема HCS320 |
| 1 | Vdd | Vdd | Vdd | Vdd |
| 2 | Vss | Vss | Vss | Vss |
| 3 | S2 | S2 | S2 | S2 |
| 4 |   |   |   |   |
| 5 | S1 | S1 | S1 | S1 |
| 6 |   |   |   |   |
| 7 |   |   |   |   |
| 8 |   |   |   |   |
| 9 |   |   |   |   |
| 10 | PWM | PWM | PWM | PWM |
Для просмотра списка микросхем, которые поддерживает программатор при наличии данного адаптера, выберите программатор из списка:
Схема подсоединения к адаптеру:
Подача питания на устройство пользователя:: |
| Выходной разъем адаптера, BH-10 | Микросхема MCP250XX |
| 1 | Vdd |
| 3 | CLOCK |
| 5 | - |
| 7 | RST/Vpp |
| 9 | GND |
| 10 | DATA |
| 8 | - |
| 6 | - |
| 4 | - |
| 2 | GND |
На все выводы питания микросхемы, включая AVdd, должно быть подано напряжение питания. Все выводы земли микросхемы, включая AVss, должны быть соединены между собой.
Для просмотра списка микросхем, которые поддерживает программатор при наличии данного адаптера, выберите программатор из списка:
Схема подсоединения к адаптеру:
Подача питания на устройство пользователя:: |
| Выходной разъем адаптера, BH-10 | Микросхема PIC10/PIC12 |
| 1 | Vdd |
| 3 | GP1 |
| 5 | - |
| 7 | MCLR/Vpp |
| 9 | GND |
| 10 | GP0 |
| 8 | - |
| 6 | - |
| 4 | - |
| 2 | GND |
На все выводы питания микросхемы, включая AVdd, должно быть подано напряжение питания. Все выводы земли микросхемы, включая AVss, должны быть соединены между собой.
Для просмотра списка микросхем, которые поддерживает программатор при наличии данного адаптера, выберите программатор из списка:
Схема подсоединения к адаптеру:
Подача питания на устройство пользователя:: |
| Выходной разъем адаптера, BH-10 | Микросхема PIC16/PIC18 |
| 1 | Vdd |
| 3 | RB6 |
| 5 | - |
| 7 | MCLR/Vpp |
| 9 | GND |
| 10 | RB7 |
| 8 | - |
| 6 | - |
| 4 | - |
| 2 | GND |
На все выводы питания микросхемы, включая AVdd, должно быть подано напряжение питания. Все выводы земли микросхемы, включая AVss, должны быть соединены между собой.
Для просмотра списка микросхем, которые поддерживает программатор при наличии данного адаптера, выберите программатор из списка:
Схема подсоединения к адаптеру:
Подача питания на устройство пользователя:: |
| Выходной разъем адаптера, BH-10 | Микросхема PIC16C505 |
| 1 | Vdd |
| 3 | RB1 |
| 5 | - |
| 7 | MCLR/Vpp |
| 9 | GND |
| 10 | RB0 |
| 8 | - |
| 6 | - |
| 4 | - |
| 2 | GND |
На все выводы питания микросхемы, включая AVdd, должно быть подано напряжение питания. Все выводы земли микросхемы, включая AVss, должны быть соединены между собой.
Для просмотра списка микросхем, которые поддерживает программатор при наличии данного адаптера, выберите программатор из списка:
Схема подсоединения к адаптеру:
Подача питания на устройство пользователя:: |
| Выходной разъем адаптера, BH-10 | Микросхема PIC16Fxxx, корпус 14..20 выводов |
| 1 | Vdd |
| 3 | RA1 |
| 5 | - |
| 7 | MCLR/Vpp |
| 9 | GND |
| 10 | RA0 |
| 8 | - |
| 6 | - |
| 4 | - |
| 2 | GND |
На все выводы питания микросхемы, включая AVdd, должно быть подано напряжение питания. Все выводы земли микросхемы, включая AVss, должны быть соединены между собой.
Для просмотра списка микросхем, которые поддерживает программатор при наличии данного адаптера, выберите программатор из списка:
Схема подсоединения к адаптеру:
Подача питания на устройство пользователя:: |
| Выходной разъем адаптера, BH-10 | Микросхема PIC17xxx |
| 1 | Vdd |
| 3 | RA5 |
| 5 | - |
| 7 | MCLR/Vpp |
| 9 | GND |
| 10 | RA4 |
| 8 | TEST |
| 6 | RA1 |
| 4 | - |
| 2 | GND |
На все выводы питания микросхемы, включая AVdd, должно быть подано напряжение питания. Все выводы земли микросхемы, включая AVss, должны быть соединены между собой.
Для просмотра списка микросхем, которые поддерживает программатор при наличии данного адаптера, выберите программатор из списка:
Схема подсоединения к адаптеру:
Подача питания на устройство пользователя:: |
| Выходной разъем адаптера, BH-10 | Микросхема PIC18FxxJ |
| 1 | Vdd |
| 3 | RB6 |
| 5 | - |
| 7 | Vddcore* |
| 9 | GND |
| 10 | RB7 |
| 8 | - |
| 6 | MCLR |
| 4 | - |
| 2 | GND |
На все выводы питания микросхемы, включая AVdd, должно быть подано напряжение питания. Все выводы земли микросхемы, включая AVss, должны быть соединены между собой.
* - сигнал нужно подключать в случае необходимости.
Для просмотра списка микросхем, которые поддерживает программатор при наличии данного адаптера, выберите программатор из списка:
Схема подсоединения к адаптеру:
Подача питания на устройство пользователя:: |
| Выходной разъем адаптера, BH-10 | Микросхема dsPIC30F |
| 1 | Vdd |
| 3 | PGC |
| 5 |   |
| 7 | MCLR/Vpp |
| 9 | GND |
| 10 | PGD |
| 8 |   |
| 6 |   |
| 4 |   |
| 2 | GND |
На все выводы питания микросхемы, включая AVdd, должно быть подано напряжение питания. Все выводы земли микросхемы, включая AVss, должны быть соединены между собой.
Для просмотра списка микросхем, которые поддерживает программатор при наличии данного адаптера, выберите программатор из списка:
Схема подсоединения к адаптеру:
Подача питания на устройство пользователя:: |
| Выходной разъем адаптера, BH-10 | Микросхема UPD78F9210 | Микросхема UPD78F9211 |
| 1 | 4 | 4 |
| 2 | 12 | 12 |
| 3 | 8 | 8 |
| 4 | 5 | 5 |
| 5 | 9 | 9 |
| 6 | -- | -- |
| 7 |   |   |
| 8 | 9 | 9 |
| 9 |   |   |
| 10 | - | - |
Для просмотра списка микросхем, которые поддерживает программатор при наличии данного адаптера, выберите программатор из списка:
Схема подсоединения к адаптеру:
Подача питания на устройство пользователя:: |
| Выходной разъем адаптера, BH-10 | Микросхема LPC23xx/LPC24xx |
| 1 | - |
| 3 | UART0.TXD |
| 5 | UART0.RXD |
| 7 | PIO0_1 |
| 9 | Vss |
| 10 | PIO0_3 |
| 8 | - |
| 6 | - |
| 4 | RESET |
| 2 | Vdd |
Для просмотра списка микросхем, которые поддерживает программатор при наличии данного адаптера, выберите программатор из списка:
Схема подсоединения к адаптеру:
Подача питания на устройство пользователя:: |
| Выходной разъем адаптера, BH-10 | Микросхема LPC21xx/LPC22xx |
| 1 | - |
| 3 | UART0.TXD |
| 5 | UART0.RXD |
| 7 | P0.14 |
| 9 | Vss |
| 10 | - |
| 8 | - |
| 6 | - |
| 4 | RESET |
| 2 | Vdd |
Для просмотра списка микросхем, которые поддерживает программатор при наличии данного адаптера, выберите программатор из списка:
Схема подсоединения к адаптеру:
Подача питания на устройство пользователя:: |
| Выходной разъем адаптера, BH-10 | Микросхема P89LPC9xx |
| 1 | VCC |
| 3 | TXD |
| 5 |   |
| 7 |   |
| 9 | GND |
| 10 | XTAL1* |
| 8 |   |
| 6 | RST |
| 4 | RXD |
| 2 |   |
* Подсоединяется при отсутствии внешнего генератора в устройстве пользователя.
Для просмотра списка микросхем, которые поддерживает программатор при наличии данного адаптера, выберите программатор из списка:
Схема подсоединения к адаптеру:
Подача питания на устройство пользователя:: |
| Выходной разъем адаптера, BH-10 | Микросхема P89LPC9xx | Микросхема P89V52X2 |
| 1 | Vdd | Vdd |
| 3 | P0.5 | P0.5 |
| 5 | - | - |
| 7 | - | - |
| 9 | Vss | Vss |
| 10 | P0.4 | P0.4 |
| 8 | - | - |
| 6 | RST | RST |
| 4 | - | - |
| 2 | Vss | Vss |
Для просмотра списка микросхем, которые поддерживает программатор при наличии данного адаптера, выберите программатор из списка:
Схема подсоединения к адаптеру:
Подача питания на устройство пользователя:: |
| Выходной разъем адаптера, BH-10 | Микросхема Nordic nRF24xxx |
| 1 | MISO |
| 3 | SCK |
| 5 | RESET |
| 7 | - |
| 9 | GND |
| 10 | XC1* |
| 8 | FCSN |
| 6 | PROG |
| 4 | MOSI |
| 2 | Vcc |
* Подсоединяется при отсутствии внешнего генератора в устройстве пользователя.
Для просмотра списка микросхем, которые поддерживает программатор при наличии данного адаптера, выберите программатор из списка:
Схема подсоединения к адаптеру:
Подача питания на устройство пользователя:: |
| Выходной разъем адаптера, BH-10 | Микросхема AT26xxx |
| 1 | 1 |
| 3 | 8 |
| 5 | 3 |
| 7 | - |
| 9 | 4 |
| 10 | 5 |
| 8 |   |
| 6 | 6 |
| 4 | 7 |
| 2 | 2 |
Для просмотра списка микросхем, которые поддерживает программатор при наличии данного адаптера, выберите программатор из списка:
Схема подсоединения к адаптеру:
Подача питания на устройство пользователя:: |
| Выходной разъем адаптера, BH-10 | Микросхема AT26xxx |
| 1 | 1 |
| 3 | 8 |
| 5 | 3 |
| 7 | - |
| 9 | 4 |
| 10 | 5 |
| 8 | 2 |
| 6 | 6 |
| 4 | 7 |
| 2 | - |
Для просмотра списка микросхем, которые поддерживает программатор при наличии данного адаптера, выберите программатор из списка:
Схема подсоединения к адаптеру:
Подача питания на устройство пользователя:: |
| Выходной разъем адаптера, BH-10 | Микросхема M45xxx, корпус 8 выводов | Микросхема M45xxx, корпус 16 выводов |
| 1 | 4 | 10 |
| 3 | 6 | 16 |
| 5 | 5 | 15 |
| 7 | - | - |
| 9 | 7 | 1 |
| 10 | 1 | 7 |
| 8 | 8 | 2 |
| 6 | 2 | 8 |
| 4 | 3 | 9 |
| 2 | - | - |
Для просмотра списка микросхем, которые поддерживает программатор при наличии данного адаптера, выберите программатор из списка:
Схема подсоединения к адаптеру:
Подача питания на устройство пользователя:: |
| Выходной разъем адаптера, BH-10 | Микросхема STM32Fxxx |
| 1 | BOOT0 |
| 3 | UART0.TXD |
| 5 | UART0.RXD |
| 7 | - |
| 9 | Vss |
| 10 | - |
| 8 | - |
| 6 | BOOT1 |
| 4 | RESET |
| 2 | Vdd |
Для просмотра списка микросхем, которые поддерживает программатор при наличии данного адаптера, выберите программатор из списка:
Схема подсоединения к адаптеру:
Подача питания на устройство пользователя:: |
| Выходной разъем адаптера, BH-10 | Микросхема Nordic nRF24xxx |
| 1 | Vcc |
| 3 | GND |
| 5 | TMS |
| 7 | TDI(C2CK) |
| 9 | GND |
| 10 |   |
| 8 |   |
| 6 | TDO |
| 4 | TCK(C2D) |
| 2 | GND |
Для просмотра списка микросхем, которые поддерживает программатор при наличии данного адаптера, выберите программатор из списка:
Схема подсоединения к адаптеру:
Подача питания на устройство пользователя:: |
| Выходной разъем адаптера, BH-10 | Микросхема Nordic nRF24xxx |
| 1 | Vcc |
| 3 | GND |
| 5 | TMS |
| 7 | TDI(C2CK) |
| 9 | GND |
| 10 |   |
| 8 |   |
| 6 | TDO |
| 4 | TCK(C2D) |
| 2 | GND |
Для просмотра списка микросхем, которые поддерживает программатор при наличии данного адаптера, выберите программатор из списка:
Схема подсоединения к адаптеру:
Подача питания на устройство пользователя:: |
| Выходной разъем адаптера, BH-10 | Микросхема MSP430 with TEST pin |
| 1 | P1.1 |
| 2 | - |
| 3 | P2.2 |
| 4 | RST/NMI |
| 5 | GND |
| 6 | VCC |
| 7 | TEST |
| 8 | - |
| 9 | GND |
| 10 | - |
Для просмотра списка микросхем, которые поддерживает программатор при наличии данного адаптера, выберите программатор из списка:
Схема подсоединения к адаптеру:
Подача питания на устройство пользователя:: |
| Выходной разъем адаптера, BH-10 | Микросхема MSP430F13x, MSP430F14x |
| 1 | P1.1 |
| 2 | TCK |
| 3 | P2.2 |
| 4 | RST/NMI |
| 5 | GND |
| 6 | VCC |
| 7 | - |
| 8 | - |
| 9 | GND |
| 10 | - |
Для просмотра списка микросхем, которые поддерживает программатор при наличии данного адаптера, выберите программатор из списка:
Схема подсоединения к адаптеру:
Подача питания на устройство пользователя:: |
| Выходной разъем адаптера, BH-10 | Микросхема MSP430F4xx |
| 1 | P1.0 |
| 2 | TCK |
| 3 | P1.1 |
| 4 | RST/NMI |
| 5 | GND |
| 6 | VCC |
| 7 | - |
| 8 | - |
| 9 | GND |
| 10 | - |
Для просмотра списка микросхем, которые поддерживает программатор при наличии данного адаптера, выберите программатор из списка:
Схема подсоединения к адаптеру:
Подача питания на устройство пользователя:: |
| Выходной разъем адаптера, BH-10 | Микросхема Z8Fxxxx |
| 1 | Vcc |
| 2 | RESET |
| 3 | GND |
| 4 | DBG |
| 5 | GND |
| 6 |   |
| 7 |   |
| 8 |   |
| 9 |   |
| 10 |   |
Увеличить |
DIP28/BH10 универсальный адаптер для программирования микрокосхем в устройстве пользователя. |
| DIP-28 | BH-10 | 74AC125 | 74AC125 | C1, 0.1мкф |
| 1 | 1 | 3 |   |   |
| 2 | 3 | 6 |   |   |
| 3 | 5 | 8 |   |   |
| 4 | 7 |   |   |   |
| 5 | 9 |   | 3 |   |
| 6 |   | 2 |   |   |
| 7 |   | 1 |   |   |
| 8 |   | 5 |   |   |
| 9 |   | 14 | 14 | 2 |
| 10 |   | 9 |   |   |
| 11 |   | 10 |   |   |
| 12 |   | 12 |   |   |
| 13 |   | 13 |   |   |
| 14 |   | 7 | 7 | 1 |
| 15 |   | 4 |   |   |
| 16 |   |   | 5 |   |
| 17 |   |   | 4 |   |
| 18 |   |   | 9 |   |
| 19 |   |   | 10 |   |
| 20 |   |   | 12 |   |
| 21 |   |   | 13 |   |
| 22 |   |   | 2 |   |
| 23 |   |   | 1 |   |
| 24 | 10 |   | 6 |   |
| 25 | 8 |   |   |   |
| 26 | 6 |   | 8 |   |
| 27 | 4 |   | 11 |   |
| 28 | 2 | 11 |   |   |
Для просмотра списка микросхем, которые поддерживает программатор при наличии данного адаптера, выберите программатор из списка:
Схема подсоединения к адаптеру:
Подача питания на устройство пользователя:: |
| Выходной разъем адаптера, BH-10 | Микросхема EPM3xxx |
| 1 | TCK |
| 2 | GND |
| 3 | TDO |
| 4 | VCC |
| 5 | TMS |
| 6,7,8 | - |
| 9 | TDI |
| 10 | GND |
Для просмотра списка микросхем, которые поддерживает программатор при наличии данного адаптера, выберите программатор из списка:
Схема подсоединения к адаптеру:
Подача питания на устройство пользователя:: |
| Выходной разъем адаптера, BH-10 | Микросхема LPC Flash or Firmware Hub |
| 1 | LAD0 |
| 2 | LAD1 |
| 3 | LAD2 |
| 4 | LAD3 |
| 5 | LFRAME |
| 6 | VCC |
| 7,8,9 | GND |
| 10 | LCLK |
Увеличить |
DIP40/M42 специализированный адаптер для микросхемы памяти 1636PP1 фирмы Milandr . |
| DIP-40 | M-42 |
| 1 | 2 |
| 2 | 3 |
| 3 | 37 |
| 4 | 36 |
| 5 | 4 |
| 6 | 33 |
| 7 | 34 |
| 8 | 35 |
| 9 | 41 |
| 10 | 39 |
| 11 | 16 |
| 12 | - |
| 13 | 1 |
| 14 | 6 |
| 15 | 7 |
| 16 | 8 |
| 17 | 9 |
| 18 | 10 |
| 19 | 11 |
| 20 | 12 |
| 21 | 13 |
| 22 | 29 |
| 23 | 5,21 |
| 24 | 31 |
| 25 | 14 |
| 26 | 18 |
| 27 | 19 |
| 28 | 22 |
| 29 | 15 |
| 30 | 42 |
| 31 | - |
| 32 | 23 |
| 33 | 24 |
| 34 | 25 |
| 35 | 28 |
| 36 | 30 |
| 37 | - |
| 38 | - |
| 39 | 38,39 |
| 40 | 40 |
Увеличить |
DIP32/M42 специализированный адаптер для микросхемы памяти 1638PP1 фирмы Angstrem. |
| DIP-32 | M-42 |
| 1 | - |
| 2 | 2 |
| 3 | 3 |
| 4 | 4 |
| 5 | 5 |
| 6 | 6 |
| 7 | 7 |
| 8 | 8 |
| 9 | 14 |
| 10 | 15 |
| 11 | 16 |
| 12 | 17 |
| 13 | 18 |
| 14 | 19 |
| 15 | 20 |
| 16 | 21 |
| 17 | 22 |
| 18 | 23 |
| 19 | 24 |
| 20 | 25 |
| 21 | 26 |
| 22 | 27 |
| 23 | 28 |
| 24 | 29 |
| 25 | 34 |
| 26 | 35 |
| 27 | 36 |
| 28 | 39 |
| 29 | 40 |
| 30 | - |
| 31 | 41 |
| 32 | 42 |
Увеличить |
DIP40/QFP44 specialized adapter for Microchip PIC devices. |
| DIP-40 | QFP-44 |
| 1 | 16,17 |
| 2 | 19 |
| 3 | 20 |
| 4 | 21 |
| 5 | 22 |
| 6 | 23 |
| 7 | 24 |
| 8 | 25 |
| 9 | 26 |
| 10 | 27,28 |
| 11 | 29 |
| 12 | 30 |
| 13 | 31 |
| 14 | 32 |
| 15 | 33 |
| 16 | 34 |
| 17 | 35 |
| 18 | 36 |
| 19 | 37 |
| 20 | 38 |
| 21 | 39 |
| 22 | 40 |
| 23 | 41 |
| 24 | 42 |
| 25 | 43 |
| 26 | 44 |
| 27 | 1 |
| 28 | 2 |
| 29 | 3 |
| 30 | 4 |
| 31 | 5,6 |
| 32 | 7 |
| 33 | 8 |
| 34 | 9 |
| 35 | 10 |
| 36 | 11 |
| 37 | 12 |
| 38 | 13 |
| 39 | 14 |
| 40 | 15 |
Увеличить |
DIP40/M48 специализированный адаптер для микросхемы памяти 1636PP2 фирмы Milandr . |
| DIP-40 | M-48 |
| 1 | 3 |
| 2 | 4 |
| 3 | 44 |
| 4 | 43 |
| 5 | 5 |
| 6 | 36 |
| 7 | 39 |
| 8 | 41 |
| 9 | 48 |
| 10 | 46 |
| 11 | 17 |
| 12 | - |
| 13 | 2 |
| 14 | 6 |
| 15 | 7 |
| 16 | 8 |
| 17 | 10 |
| 18 | 11 |
| 19 | 13 |
| 20 | 14 |
| 21 | 15 |
| 22 | 32 |
| 23 | 12,24 |
| 24 | 35 |
| 25 | 16 |
| 26 | 18 |
| 27 | 20 |
| 28 | 21 |
| 29 | 28 |
| 30 | 1 |
| 31 | 22 |
| 32 | 23 |
| 33 | 26 |
| 34 | 27 |
| 35 | 29 |
| 36 | 33 |
| 37 | 38 |
| 38 | 9 |
| 39 | 34,40,45,46 |
| 40 | 47 |
Увеличить |
DIP40/M88 специализированный адаптер для микроконтроллера 1874BE76T фирмы НИИЭТ. |
| DIP-40 | M88 |
| 1 | 79 |
| 5 | 86 |
| 6 | 87 |
| 7 | 1 |
| 8 | 2 |
| 9 | 7 |
| 10 | 9 |
| 11 | 10 |
| 12 | 42 |
| 14 | 37 |
| 16 | 11,56 |
| 17 | 30 |
| 20 | 3,4,6,12,32,35,36,53,55,57,64,75,76,71,80 |
| 21 | 45 |
| 22 | 46 |
| 23 | 47 |
| 24 | 48 |
| 25 | 49 |
| 26 | 50 |
| 27 | 51 |
| 28 | 52 |
| 29 | 58 |
| 30 | 59 |
| 31 | 61 |
| 32 | 62 |
| 33 | 63 |
| 34 | 65 |
| 35 | 66 |
| 36 | 67 |
| 38 | 74 |
| 40 | 5,8,33,60,77,78,43 |
Увеличить |
DIP40/M88 специализированный адаптер для микроконтроллера 1874BE86T фирмы НИИЭТ. |
| DIP-40 | M88 |
| 1 | 71 |
| 5 | 1 |
| 6 | 88 |
| 7 | 4 |
| 8 | 5 |
| 9 | 16 |
| 10 | 68 |
| 11 | 13 |
| 12 | 21 |
| 14 | 38 |
| 16 | 10 |
| 17 | 23 |
| 20 | 2,31,36,43,53,57,69,72,73,78,84 |
| 21 | 44 |
| 22 | 45 |
| 23 | 47 |
| 24 | 49 |
| 25 | 50 |
| 26 | 51 |
| 27 | 52 |
| 28 | 54 |
| 29 | 59 |
| 30 | 60 |
| 31 | 61 |
| 32 | 62 |
| 33 | 63 |
| 34 | 64 |
| 35 | 65 |
| 36 | 66 |
| 38 | 30 |
| 40 | 3,46,74,34 |
Увеличить |
DIP28/MLF28 специализированный адаптер для микроконтроллеров PIC фирмы Microchip в MLF/QFN корпусах. |
Аналоги адаптера, поставляемые другими фирмами:
Emulation Technology: AS028-28-02ML-6
| DIP-28 | MLF-28 |
| 1 | 26 |
| 2 | 27 |
| 3 | 28 |
| 4 | 1 |
| 5 | 2 |
| 6 | 3 |
| 7 | 4 |
| 8 | 5 |
| 9 | 6 |
| 10 | 7 |
| 11 | 8 |
| 12 | 9 |
| 13 | 10 |
| 14 | 11 |
| 15 | 12 |
| 16 | 13 |
| 17 | 14 |
| 18 | 15 |
| 19 | 16 |
| 20 | 17 |
| 21 | 18 |
| 22 | 19 |
| 23 | 20 |
| 24 | 21 |
| 25 | 22 |
| 26 | 23 |
| 27 | 24 |
| 28 | 25 |
Увеличить |
DIP20/PLCC20 universal adapter with open top socket. |
Аналоги адаптера, поставляемые другими фирмами:
Logical Systems: PA20-20-1PD3
| DIP-20 | PLCC-20 |
| 1 | 1 |
| 2 | 2 |
| 3 | 3 |
| 4 | 4 |
| 5 | 5 |
| 6 | 6 |
| 7 | 7 |
| 8 | 8 |
| 9 | 9 |
| 10 | 10 |
| 11 | 11 |
| 12 | 12 |
| 13 | 13 |
| 14 | 14 |
| 15 | 15 |
| 16 | 16 |
| 17 | 17 |
| 18 | 18 |
| 19 | 19 |
| 20 | 20 |
Увеличить |
DIP20/PLCC20 universal adapter with clam shell socket. |
Аналоги адаптера, поставляемые другими фирмами:
Logical Systems: PA20-20-1PZ3
| DIP-20 | PLCC-20 |
| 1 | 1 |
| 2 | 2 |
| 3 | 3 |
| 4 | 4 |
| 5 | 5 |
| 6 | 6 |
| 7 | 7 |
| 8 | 8 |
| 9 | 9 |
| 10 | 10 |
| 11 | 11 |
| 12 | 12 |
| 13 | 13 |
| 14 | 14 |
| 15 | 15 |
| 16 | 16 |
| 17 | 17 |
| 18 | 18 |
| 19 | 19 |
| 20 | 20 |
Увеличить |
DIP28/PLCC28 universal adapter with open top socket. |
Аналоги адаптера, поставляемые другими фирмами:
Logical Systems: PA28-28
| DIP-28 | PLCC-28 |
| 1 | 1 |
| 2 | 2 |
| 3 | 3 |
| 4 | 4 |
| 5 | 5 |
| 6 | 6 |
| 7 | 7 |
| 8 | 8 |
| 9 | 9 |
| 10 | 10 |
| 11 | 11 |
| 12 | 12 |
| 13 | 13 |
| 14 | 14 |
| 15 | 15 |
| 16 | 16 |
| 17 | 17 |
| 18 | 18 |
| 19 | 19 |
| 20 | 20 |
| 21 | 21 |
| 22 | 22 |
| 23 | 23 |
| 24 | 24 |
| 25 | 25 |
| 26 | 26 |
| 27 | 27 |
| 28 | 28 |
Увеличить |
DIP28/PLCC28 universal adapter with clam shell socket. |
Аналоги адаптера, поставляемые другими фирмами:
Logical Systems: PA28-28(Z)
| DIP-28 | PLCC-28 |
| 1 | 1 |
| 2 | 2 |
| 3 | 3 |
| 4 | 4 |
| 5 | 5 |
| 6 | 6 |
| 7 | 7 |
| 8 | 8 |
| 9 | 9 |
| 10 | 10 |
| 11 | 11 |
| 12 | 12 |
| 13 | 13 |
| 14 | 14 |
| 15 | 15 |
| 16 | 16 |
| 17 | 17 |
| 18 | 18 |
| 19 | 19 |
| 20 | 20 |
| 21 | 21 |
| 22 | 22 |
| 23 | 23 |
| 24 | 24 |
| 25 | 25 |
| 26 | 26 |
| 27 | 27 |
| 28 | 28 |
Увеличить |
DIP28/PLCC32 specialized adapter for EPROM/FLASH with open top socket. |
Аналоги адаптера, поставляемые другими фирмами:
Logical Systems: PA32-28
| DIP-28 | PLCC-32 |
| 1 | 2 |
| 2 | 3 |
| 3 | 4 |
| 4 | 5 |
| 5 | 6 |
| 6 | 7 |
| 7 | 8 |
| 8 | 9 |
| 9 | 10 |
| 10 | 11 |
| 11 | 13 |
| 12 | 14 |
| 13 | 15 |
| 14 | 16 |
| 15 | 18 |
| 16 | 19 |
| 17 | 20 |
| 18 | 21 |
| 19 | 22 |
| 20 | 23 |
| 21 | 24 |
| 22 | 25 |
| 23 | 27 |
| 24 | 28 |
| 25 | 29 |
| 26 | 30 |
| 27 | 31 |
| 28 | 32 |
Увеличить |
DIP28/PLCC32 specialized adapter for EPROM/FLASH with clam shell socket. |
Аналоги адаптера, поставляемые другими фирмами:
Logical Systems: PA32-28Z
| DIP-28 | PLCC-32 |
| 1 | 2 |
| 2 | 3 |
| 3 | 4 |
| 4 | 5 |
| 5 | 6 |
| 6 | 7 |
| 7 | 8 |
| 8 | 9 |
| 9 | 10 |
| 10 | 11 |
| 11 | 13 |
| 12 | 14 |
| 13 | 15 |
| 14 | 16 |
| 15 | 18 |
| 16 | 19 |
| 17 | 20 |
| 18 | 21 |
| 19 | 22 |
| 20 | 23 |
| 21 | 24 |
| 22 | 25 |
| 23 | 27 |
| 24 | 28 |
| 25 | 29 |
| 26 | 30 |
| 27 | 31 |
| 28 | 32 |
Увеличить |
DIP32/PLCC32 specialized adapter for EPROM/FLASH with open top socket. |
| DIP-32 | PLCC-32 |
| 1 | 2 |
| 4 | 3 |
| 5 | 4 |
| 6 | 5 |
| 7 | 6 |
| 8 | 7 |
| 9 | 8 |
| 10 | 9 |
| 11 | 10 |
| 12 | 11 |
| 13 | 13 |
| 14 | 14 |
| 15 | 15 |
| 16 | 16 |
| 17 | 18 |
| 18 | 19 |
| 19 | 20 |
| 20 | 21 |
| 21 | 22 |
| 22 | 23 |
| 23 | 24 |
| 24 | 25 |
| 25 | 27 |
| 26 | 28 |
| 27 | 29 |
| 28 | 30 |
| 29 | 31 |
| 32 | 32 |
Увеличить |
DIP32/PLCC32 specialized adapter for EPROM/FLASH with clam shell socket. |
| DIP-32 | PLCC-32 |
| 1 | 2 |
| 4 | 3 |
| 5 | 4 |
| 6 | 5 |
| 7 | 6 |
| 8 | 7 |
| 9 | 8 |
| 10 | 9 |
| 11 | 10 |
| 12 | 11 |
| 13 | 13 |
| 14 | 14 |
| 15 | 15 |
| 16 | 16 |
| 17 | 18 |
| 18 | 19 |
| 19 | 20 |
| 20 | 21 |
| 21 | 22 |
| 22 | 23 |
| 23 | 24 |
| 24 | 25 |
| 25 | 27 |
| 26 | 28 |
| 27 | 29 |
| 28 | 30 |
| 29 | 31 |
| 32 | 32 |
Увеличить |
DIP32/PLCC32 specialized adapter for EPROM/FLASH with open top socket. |
| DIP-32 | PLCC-32 |
| 1 | 1 |
| 2 | 2 |
| 3 | 3 |
| 4 | 4 |
| 5 | 5 |
| 6 | 6 |
| 7 | 7 |
| 8 | 8 |
| 9 | 9 |
| 10 | 10 |
| 11 | 11 |
| 12 | 12 |
| 13 | 13 |
| 14 | 14 |
| 15 | 15 |
| 16 | 16 |
| 17 | 17 |
| 18 | 18 |
| 19 | 19 |
| 20 | 20 |
| 21 | 21 |
| 22 | 22 |
| 23 | 23 |
| 24 | 24 |
| 32 | 25 |
| 16 | 26 |
| 32 | 27 |
| 16 | 28 |
| 29 | 29 |
| 30 | 30 |
| 31 | 31 |
| 32 | 32 |
Увеличить |
DIP32/PLCC32 specialized adapter for EPROM/FLASH with clam shell socket. |
| DIP-32 | PLCC-32 |
| 1 | 1 |
| 2 | 2 |
| 3 | 3 |
| 4 | 4 |
| 5 | 5 |
| 6 | 6 |
| 7 | 7 |
| 8 | 8 |
| 9 | 9 |
| 10 | 10 |
| 11 | 11 |
| 12 | 12 |
| 13 | 13 |
| 14 | 14 |
| 15 | 15 |
| 16 | 16 |
| 17 | 17 |
| 18 | 18 |
| 19 | 19 |
| 20 | 20 |
| 21 | 21 |
| 22 | 22 |
| 23 | 23 |
| 24 | 24 |
| 32 | 25 |
| 16 | 26 |
| 32 | 27 |
| 16 | 28 |
| 29 | 29 |
| 30 | 30 |
| 31 | 31 |
| 32 | 32 |
Увеличить |
DIP32/PLCC32 universal adapter with open top socket. |
Аналоги адаптера, поставляемые другими фирмами:
Logical Systems: PA32-32
| DIP-32 | PLCC-32 |
| 1 | 1 |
| 2 | 2 |
| 3 | 3 |
| 4 | 4 |
| 5 | 5 |
| 6 | 6 |
| 7 | 7 |
| 8 | 8 |
| 9 | 9 |
| 10 | 10 |
| 11 | 11 |
| 12 | 12 |
| 13 | 13 |
| 14 | 14 |
| 15 | 15 |
| 16 | 16 |
| 17 | 17 |
| 18 | 18 |
| 19 | 19 |
| 20 | 20 |
| 21 | 21 |
| 22 | 22 |
| 23 | 23 |
| 24 | 24 |
| 25 | 25 |
| 26 | 26 |
| 27 | 27 |
| 28 | 28 |
| 29 | 29 |
| 30 | 30 |
| 31 | 31 |
| 32 | 32 |
Увеличить |
DIP32/PLCC32 universal adapter with clam shell socket. |
Аналоги адаптера, поставляемые другими фирмами:
Logical Systems: PA32-32Z
| DIP-32 | PLCC-32 |
| 1 | 1 |
| 2 | 2 |
| 3 | 3 |
| 4 | 4 |
| 5 | 5 |
| 6 | 6 |
| 7 | 7 |
| 8 | 8 |
| 9 | 9 |
| 10 | 10 |
| 11 | 11 |
| 12 | 12 |
| 13 | 13 |
| 14 | 14 |
| 15 | 15 |
| 16 | 16 |
| 17 | 17 |
| 18 | 18 |
| 19 | 19 |
| 20 | 20 |
| 21 | 21 |
| 22 | 22 |
| 23 | 23 |
| 24 | 24 |
| 25 | 25 |
| 26 | 26 |
| 27 | 27 |
| 28 | 28 |
| 29 | 29 |
| 30 | 30 |
| 31 | 31 |
| 32 | 32 |
Увеличить |
DIP40/PLCC44 specialized adapter for EPROM/FLASH with open top socket. |
Аналоги адаптера, поставляемые другими фирмами:
Logical Systems: PA280-44
| DIP-40 | PLCC-44 |
|   | 1 |
| 1 | 2 |
| 2 | 3 |
| 3 | 4 |
| 4 | 5 |
| 5 | 6 |
| 6 | 7 |
| 7 | 8 |
| 8 | 9 |
| 9 | 10 |
| 10 | 11 |
| 11 | 12 |
|   | 13 |
| 12 | 14 |
| 13 | 15 |
| 14 | 16 |
| 15 | 17 |
| 16 | 18 |
| 17 | 19 |
| 18 | 20 |
| 19 | 21 |
| 20 | 22 |
|   | 23 |
| 21 | 24 |
| 22 | 25 |
| 23 | 26 |
| 24 | 27 |
| 25 | 28 |
| 26 | 29 |
| 27 | 30 |
| 28 | 31 |
| 29 | 32 |
|   | 33 |
| 30 | 34 |
| 31 | 35 |
| 32 | 36 |
| 33 | 37 |
| 34 | 38 |
| 35 | 39 |
| 36 | 40 |
| 37 | 41 |
| 38 | 42 |
| 39 | 43 |
| 40 | 44 |
Увеличить |
DIP40/PLCC44 specialized adapter for EPROM/FLASH with clam shell socket. |
Аналоги адаптера, поставляемые другими фирмами:
Logical Systems: PA280-44Z
| DIP-40 | PLCC-44 |
|   | 1 |
| 1 | 2 |
| 2 | 3 |
| 3 | 4 |
| 4 | 5 |
| 5 | 6 |
| 6 | 7 |
| 7 | 8 |
| 8 | 9 |
| 9 | 10 |
| 10 | 11 |
| 11 | 12 |
|   | 13 |
| 12 | 14 |
| 13 | 15 |
| 14 | 16 |
| 15 | 17 |
| 16 | 18 |
| 17 | 19 |
| 18 | 20 |
| 19 | 21 |
| 20 | 22 |
|   | 23 |
| 21 | 24 |
| 22 | 25 |
| 23 | 26 |
| 24 | 27 |
| 25 | 28 |
| 26 | 29 |
| 27 | 30 |
| 28 | 31 |
| 29 | 32 |
|   | 33 |
| 30 | 34 |
| 31 | 35 |
| 32 | 36 |
| 33 | 37 |
| 34 | 38 |
| 35 | 39 |
| 36 | 40 |
| 37 | 41 |
| 38 | 42 |
| 39 | 43 |
| 40 | 44 |
Увеличить |
DIP40/PLCC44 specialized adapter for Altera EPMxxx devices with open top socket. |
| DIP-40 | PLCC-44 | 74AHC14 | C1, 0.1мкФ | C2, 0.1мкФ |
| 1 | 2 |   |   |   |
| 2 | 4 |   |   |   |
| 3 | 6 |   |   |   |
| 4 | 28 |   |   |   |
| 5 | 29 |   |   |   |
| 6 | 9 |   |   |   |
| 7 | 10 |   |   |   |
| 8 | 11 |   |   |   |
| 9 | 12 |   |   |   |
| 10 | 40 |   |   |   |
| 11 | 7 |   |   |   |
| 12 | 13 |   |   |   |
| 13 | 14 |   |   |   |
| 14 | 16 |   |   |   |
| 15 | 17 |   |   |   |
| 16 | 18 |   |   |   |
| 17 | 19 |   |   |   |
| 18 | 20 |   |   |   |
| 19 | 21 |   |   |   |
| 20 | 22,30,42 | 7 | 1 | 1 |
| 21 | 24 |   |   |   |
| 22 | 25 |   |   |   |
| 23 | 26 |   |   |   |
| 24 | 27 |   |   |   |
| 25 | 8 |   |   |   |
| 26 | 31 |   |   |   |
| 27 | 32 |   |   |   |
| 28 | 33 |   |   |   |
| 29 | 34 |   |   |   |
| 30 | 5 |   |   |   |
| 31 | 36 |   |   |   |
| 32 | 35,3,15,23 | 14 | 2 |   |
| 33 | 37 |   |   |   |
| 34 | 38 |   |   |   |
| 35 | 39 |   |   |   |
| 36 | 40 |   |   |   |
| 37 | 41 |   |   |   |
| 38 |   | 11 |   |   |
|   | 43 | 12 |   |   |
| 39 | 44 |   |   | 2 |
| 40 | 1 |   |   |   |
|   |   | 10,13 |   |   |
Увеличить |
DIP40/PLCC44 specialized adapter for Altera EPMxxx devices with clam shell socket. |
| DIP-40 | PLCC-44 | 74AHC14 | C1, 0.1мкФ | C2, 0.1мкФ |
| 1 | 2 |   |   |   |
| 2 | 4 |   |   |   |
| 3 | 6 |   |   |   |
| 4 | 28 |   |   |   |
| 5 | 29 |   |   |   |
| 6 | 9 |   |   |   |
| 7 | 10 |   |   |   |
| 8 | 11 |   |   |   |
| 9 | 12 |   |   |   |
| 10 | 40 |   |   |   |
| 11 | 7 |   |   |   |
| 12 | 13 |   |   |   |
| 13 | 14 |   |   |   |
| 14 | 16 |   |   |   |
| 15 | 17 |   |   |   |
| 16 | 18 |   |   |   |
| 17 | 19 |   |   |   |
| 18 | 20 |   |   |   |
| 19 | 21 |   |   |   |
| 20 | 22,30,42 | 7 | 1 | 1 |
| 21 | 24 |   |   |   |
| 22 | 25 |   |   |   |
| 23 | 26 |   |   |   |
| 24 | 27 |   |   |   |
| 25 | 8 |   |   |   |
| 26 | 31 |   |   |   |
| 27 | 32 |   |   |   |
| 28 | 33 |   |   |   |
| 29 | 34 |   |   |   |
| 30 | 5 |   |   |   |
| 31 | 36 |   |   |   |
| 32 | 35,3,15,23 | 14 | 2 |   |
| 33 | 37 |   |   |   |
| 34 | 38 |   |   |   |
| 35 | 39 |   |   |   |
| 36 | 40 |   |   |   |
| 37 | 41 |   |   |   |
| 38 |   | 11 |   |   |
|   | 43 | 12 |   |   |
| 39 | 44 |   |   | 2 |
| 40 | 1 |   |   |   |
|   |   | 10,13 |   |   |
Увеличить |
DIP20/PLCC44 specialized adapter for Atmel AT17xxx devices with open top socket. |
| DIP-20 | PLCC-44 |
| - | 1 |
| 2 | 2 |
| - | 3 |
| - | 4 |
| 4 | 5 |
| - | 6 |
| 5 | 7 |
| - | 8 |
| - | 9 |
| - | 10 |
| - | 11 |
| - | 12 |
| - | 13 |
| - | 14 |
| - | 15 |
| - | 16 |
| - | 17 |
| - | 18 |
| 6 | 19 |
| - | 20 |
| 8 | 21 |
| - | 22 |
| - | 23 |
| 10 | 24 |
| - | 25 |
| - | 26 |
| 14 | 27 |
| - | 28 |
| 15 | 29 |
| - | 30 |
| - | 31 |
| - | 32 |
| - | 33 |
| - | 34 |
| - | 35 |
| - | 36 |
| - | 37 |
| - | 38 |
| - | 39 |
| - | 40 |
| 17 | 41 |
| - | 42 |
| - | 43 |
| 20 | 44 |
Увеличить |
DIP20/PLCC44 specialized adapter for Atmel AT17xxx devices with clam shell socket. |
| DIP-20 | PLCC-44 |
| - | 1 |
| 2 | 2 |
| - | 3 |
| - | 4 |
| 4 | 5 |
| - | 6 |
| 5 | 7 |
| - | 8 |
| - | 9 |
| - | 10 |
| - | 11 |
| - | 12 |
| - | 13 |
| - | 14 |
| - | 15 |
| - | 16 |
| - | 17 |
| - | 18 |
| 6 | 19 |
| - | 20 |
| 8 | 21 |
| - | 22 |
| - | 23 |
| 10 | 24 |
| - | 25 |
| - | 26 |
| 14 | 27 |
| - | 28 |
| 15 | 29 |
| - | 30 |
| - | 31 |
| - | 32 |
| - | 33 |
| - | 34 |
| - | 35 |
| - | 36 |
| - | 37 |
| - | 38 |
| - | 39 |
| - | 40 |
| 17 | 41 |
| - | 42 |
| - | 43 |
| 20 | 44 |
Увеличить |
DIP20/PLCC44 specialized adapter for Atmel AT17xxx devices with open top socket. |
| DIP-20 | PLCC-44 |
|   | 1 |
| 2 | 2 |
|   | 3 |
|   | 4 |
|   | 5 |
|   | 6 |
|   | 7 |
| 4 | 8 |
|   | 9 |
|   | 10 |
|   | 11 |
|   | 12 |
|   | 13 |
|   | 14 |
|   | 15 |
| 6 | 16 |
| 8 | 17 |
|   | 18 |
| 10 | 19 |
|   | 20 |
|   | 21 |
|   | 22 |
|   | 23 |
|   | 24 |
|   | 25 |
|   | 26 |
|   | 27 |
| 14 | 28 |
|   | 29 |
|   | 30 |
|   | 31 |
|   | 32 |
|   | 33 |
|   | 34 |
|   | 35 |
|   | 36 |
|   | 37 |
| 17 | 38 |
|   | 39 |
|   | 40 |
| 20 | 41 |
|   | 42 |
|   | 43 |
|   |   |
Таблица соединений адаптера:
| DIP-20 | PLCC-44 |
| - | 1 |
| 2 | 2 |
| - | 3 |
| - | 4 |
| - | 5 |
| - | 6 |
| - | 7 |
| 4 | 8 |
| - | 9 |
| - | 10 |
| - | 11 |
| - | 12 |
| - | 13 |
| - | 14 |
| - | 15 |
| 6 | 16 |
| 8 | 17 |
| - | 18 |
| 10 | 19 |
| - | 20 |
| - | 21 |
| - | 22 |
| - | 23 |
| - | 24 |
| - | 25 |
| - | 26 |
|   | 27 |
| 14 | 28 |
| - | 29 |
| - | 30 |
| - | 31 |
| - | 32 |
| - | 33 |
| - | 34 |
| - | 35 |
| - | 36 |
| - | 37 |
| 17 | 38 |
| - | 39 |
| - | 40 |
| 20 | 41 |
| - | 42 |
| - | 43 |
| - | 44 |
Увеличить |
DIP20/PLCC44 specialized adapter for Atmel AT17xxx devices with clam shell socket. |
| DIP-20 | PLCC-44 |
| - | 1 |
| 2 | 2 |
| - | 3 |
| - | 4 |
| - | 5 |
| - | 6 |
| - | 7 |
| 4 | 8 |
| - | 9 |
| - | 10 |
| - | 11 |
| - | 12 |
| - | 13 |
| - | 14 |
| - | 15 |
| 6 | 16 |
| 8 | 17 |
| - | 18 |
| 10 | 19 |
| - | 20 |
| - | 21 |
| - | 22 |
| - | 23 |
| - | 24 |
| - | 25 |
| - | 26 |
|   | 27 |
| 14 | 28 |
| - | 29 |
| - | 30 |
| - | 31 |
| - | 32 |
| - | 33 |
| - | 34 |
| - | 35 |
| - | 36 |
| - | 37 |
| 17 | 38 |
| - | 39 |
| - | 40 |
| 20 | 41 |
| - | 42 |
| - | 43 |
| - | 44 |
Увеличить |
DIP40/PLCC44 specialized adapter for Atmel AVR devices with open top socket. |
Аналоги адаптера, поставляемые другими фирмами:
Logical Systems: PA44-40-30-PD
| DIP-40 | PLCC-44 |
| 1 | 2 |
| 2 | 3 |
| 3 | 4 |
| 4 | 5 |
| 5 | 6 |
| 6 | 7 |
| 7 | 8 |
| 8 | 9 |
| 9 | 10 |
| 10 | 11,23,44 |
| 11 | 12,24,1 |
| 12 | 13 |
| 13 | 14 |
| 14 | 15 |
| 15 | 16 |
| 16 | 17 |
| 17 | 18 |
| 18 | 19 |
| 19 | 20 |
| 20 | 21 |
| 21 | 22 |
| 22 | 25 |
| 23 | 26 |
| 24 | 27 |
| 25 | 28 |
| 26 | 29 |
| 27 | 30 |
| 28 | 31 |
| 29 | 32 |
| 30 | 33 |
| 31 | 34 |
| 32 | 35 |
| 33 | 36 |
| 34 | 37 |
| 35 | 38 |
| 36 | 39 |
| 37 | 40 |
| 38 | 41 |
| 39 | 42 |
| 40 | 43 |
Увеличить |
DIP40/PLCC44 specialized adapter for Atmel AVR devices with clam shellsocket. |
| DIP-40 | PLCC-44 |
| 1 | 2 |
| 2 | 3 |
| 3 | 4 |
| 4 | 5 |
| 5 | 6 |
| 6 | 7 |
| 7 | 8 |
| 8 | 9 |
| 9 | 10 |
| 10 | 11,23,44 |
| 11 | 12,24,1 |
| 12 | 13 |
| 13 | 14 |
| 14 | 15 |
| 15 | 16 |
| 16 | 17 |
| 17 | 18 |
| 18 | 19 |
| 19 | 20 |
| 20 | 21 |
| 21 | 22 |
| 22 | 25 |
| 23 | 26 |
| 24 | 27 |
| 25 | 28 |
| 26 | 29 |
| 27 | 30 |
| 28 | 31 |
| 29 | 32 |
| 30 | 33 |
| 31 | 34 |
| 32 | 35 |
| 33 | 36 |
| 34 | 37 |
| 35 | 38 |
| 36 | 39 |
| 37 | 40 |
| 38 | 41 |
| 39 | 42 |
| 40 | 43 |
Увеличить |
DIP40/PLCC44 specialized adapter for Atmel ATF1500 devices with open top socket. |
| DIP-40 | PLCC-44 | C1, 0.1мкФ | C2, 0.1мкФ |
| 1 | 1 | 2 |   |
| 2 | 2 |   |   |
| 3 | 4 |   |   |
| 4 | 5 |   |   |
| 5 | 6 |   |   |
| 6 | 7 |   |   |
| 7 | 8 |   |   |
| 8 | 9 |   |   |
| 9 | 11 |   |   |
| 10 | 12 |   |   |
| 11 | 13 |   |   |
| 12 | 14 |   |   |
| 13 | 16 |   |   |
| 14 | 17 |   |   |
| 15 | 18 |   |   |
| 16 | 19 |   |   |
| 17 | 20 |   |   |
| 18 | 21 |   |   |
| 19 |   |   |   |
| 20 | 10,22,30,42 | 1 | 1 |
| 21 | 24 |   |   |
| 22 | 25 |   |   |
| 23 | 26 |   |   |
| 24 | 27 |   |   |
| 25 | 28 |   |   |
| 26 | 29 |   |   |
| 27 |   |   |   |
| 28 | 31 |   |   |
| 29 | 32 |   |   |
| 30 | 33 |   |   |
| 31 | 34 |   |   |
| 32 | 3,15,23,35 |   | 2 |
| 33 | 36 |   |   |
| 34 | 37 |   |   |
| 35 | 38 |   |   |
| 36 | 39 |   |   |
| 37 | 40 |   |   |
| 38 | 41 |   |   |
| 39 | 43 |   |   |
| 40 | 44 |   |   |
Увеличить |
DIP40/PLCC44 specialized adapter for Atmel ATF1500 devices with clam shell socket. |
| DIP-40 | PLCC-44 | C1, 0.1мкФ | C2, 0.1мкФ |
| 1 | 1 | 2 |   |
| 2 | 2 |   |   |
| 3 | 4 |   |   |
| 4 | 5 |   |   |
| 5 | 6 |   |   |
| 6 | 7 |   |   |
| 7 | 8 |   |   |
| 8 | 9 |   |   |
| 9 | 11 |   |   |
| 10 | 12 |   |   |
| 11 | 13 |   |   |
| 12 | 14 |   |   |
| 13 | 16 |   |   |
| 14 | 17 |   |   |
| 15 | 18 |   |   |
| 16 | 19 |   |   |
| 17 | 20 |   |   |
| 18 | 21 |   |   |
| 19 |   |   |   |
| 20 | 10,22,30,42 | 1 | 1 |
| 21 | 24 |   |   |
| 22 | 25 |   |   |
| 23 | 26 |   |   |
| 24 | 27 |   |   |
| 25 | 28 |   |   |
| 26 | 29 |   |   |
| 27 |   |   |   |
| 28 | 31 |   |   |
| 29 | 32 |   |   |
| 30 | 33 |   |   |
| 31 | 34 |   |   |
| 32 | 3,15,23,35 |   | 2 |
| 33 | 36 |   |   |
| 34 | 37 |   |   |
| 35 | 38 |   |   |
| 36 | 39 |   |   |
| 37 | 40 |   |   |
| 38 | 41 |   |   |
| 39 | 43 |   |   |
| 40 | 44 |   |   |
Увеличить |
DIP40/PLCC44 specialized adapter for Atmel ATF2500 devices with open top socket. |
| DIP-40 | PLCC-44 | C1, 0.1мкФ |
| 1 | 1 |   |
| 2 | 2 |   |
| 3 | 3 |   |
| 4 | 5 |   |
| 5 | 6 |   |
| 6 | 7 |   |
| 7 | 8 |   |
| 8 | 9 |   |
| 9 | 10 |   |
| 10 | 11,12 | 1 |
| 11 | 13 |   |
| 12 | 14 |   |
| 13 | 15 |   |
| 14 | 16 |   |
| 15 | 17 |   |
| 16 | 18 |   |
| 17 | 19 |   |
| 18 | 20 |   |
| 19 | 21 |   |
| 20 | 22 |   |
| 21 | 23 |   |
| 22 | 24 |   |
| 23 | 25 |   |
| 24 | 27 |   |
| 25 | 28 |   |
| 26 | 29 |   |
| 27 | 30 |   |
| 28 | 31 |   |
| 29 | 32 |   |
| 30 | 4,26,33,34 | 2 |
| 31 | 35 |   |
| 32 | 36 |   |
| 33 | 37 |   |
| 34 | 38 |   |
| 35 | 39 |   |
| 36 | 40 |   |
| 37 | 41 |   |
| 38 | 42 |   |
| 39 | 43 |   |
| 40 | 44 |   |
Увеличить |
DIP40/PLCC44 specialized adapter for Atmel ATF2500 devices with clam shell socket. |
| DIP-40 | PLCC-44 | C1, 0.1мкФ |
| 1 | 1 |   |
| 2 | 2 |   |
| 3 | 3 |   |
| 4 | 5 |   |
| 5 | 6 |   |
| 6 | 7 |   |
| 7 | 8 |   |
| 8 | 9 |   |
| 9 | 10 |   |
| 10 | 11,12 | 1 |
| 11 | 13 |   |
| 12 | 14 |   |
| 13 | 15 |   |
| 14 | 16 |   |
| 15 | 17 |   |
| 16 | 18 |   |
| 17 | 19 |   |
| 18 | 20 |   |
| 19 | 21 |   |
| 20 | 22 |   |
| 21 | 23 |   |
| 22 | 24 |   |
| 23 | 25 |   |
| 24 | 27 |   |
| 25 | 28 |   |
| 26 | 29 |   |
| 27 | 30 |   |
| 28 | 31 |   |
| 29 | 32 |   |
| 30 | 4,26,33,34 | 2 |
| 31 | 35 |   |
| 32 | 36 |   |
| 33 | 37 |   |
| 34 | 38 |   |
| 35 | 39 |   |
| 36 | 40 |   |
| 37 | 41 |   |
| 38 | 42 |   |
| 39 | 43 |   |
| 40 | 44 |   |
Увеличить |
DIP40/PLCC44 specialized adapter with open top socket. |
| DIP-40 | PLCC-44 |
| 1 | 5 |
| 2 | 6 |
| 3 | 7 |
| 4 | 12 |
| 5 | 34 |
| 6 | 44 |
| 7 |   |
| 8 |   |
| 9 | 10 |
| 10 | 11 |
| 11 | 13 |
| 12 | 14 |
| 13 | 15 |
| 14 | 16 |
| 15 | 17 |
| 16 | 18 |
| 17 | 19 |
| 18 | 20 |
| 19 | 21 |
| 20 | 9,22 |
| 21 | 24 |
| 22 | 25 |
| 23 | 26 |
| 24 | 27 |
| 25 | 28 |
| 26 | 29 |
| 27 | 30 |
| 28 | 31 |
| 29 | 32 |
| 30 | 33 |
| 31 | 35 |
| 32 | 36 |
| 33 | 37 |
| 34 | 38 |
| 35 | 39 |
| 36 | 40 |
| 37 | 41 |
| 38 | 42 |
| 39 | 43 |
| 40 | 8,23 |
Увеличить |
DIP40/PLCC44 specialized adapter with clam shell socket. |
| DIP-40 | PLCC-44 |
| 1 | 5 |
| 2 | 6 |
| 3 | 7 |
| 4 | 12 |
| 5 | 34 |
| 6 | 44 |
| 7 |   |
| 8 |   |
| 9 | 10 |
| 10 | 11 |
| 11 | 13 |
| 12 | 14 |
| 13 | 15 |
| 14 | 16 |
| 15 | 17 |
| 16 | 18 |
| 17 | 19 |
| 18 | 20 |
| 19 | 21 |
| 20 | 9,22 |
| 21 | 24 |
| 22 | 25 |
| 23 | 26 |
| 24 | 27 |
| 25 | 28 |
| 26 | 29 |
| 27 | 30 |
| 28 | 31 |
| 29 | 32 |
| 30 | 33 |
| 31 | 35 |
| 32 | 36 |
| 33 | 37 |
| 34 | 38 |
| 35 | 39 |
| 36 | 40 |
| 37 | 41 |
| 38 | 42 |
| 39 | 43 |
| 40 | 8,23 |
Увеличить |
DIP40/PLCC44 specialized adapter. |
| DIP-40 | PLCC-44 | C1, 0.1мкФ | C2, 0.1мкФ |
| 1 | 1 |   |   |
| 2 | 2 |   |   |
| 3 | 3 |   |   |
| 4 | 4 |   |   |
| 5 | 5 |   |   |
| 6 | 6 |   |   |
| 7 | 7 |   |   |
| 8 | 8 | 1 |   |
| 9 | 11 |   |   |
| 10 | 12 |   |   |
| 11 | 13 |   |   |
| 12 | 14 |   |   |
| 13 | 15 |   |   |
| 14 | 16 |   |   |
| 15 | 17 |   |   |
| 16 | 18 |   |   |
| 17 | 19 |   |   |
| 18 | 20 |   |   |
| 19 | 21 |   |   |
| 20 | 22 |   |   |
| 21 | 23 |   |   |
| 22 | 24 | 2 | 2 |
| 23 | 25 |   |   |
| 24 | 26 |   |   |
| 25 | 29 |   |   |
| 26 | 30 |   |   |
| 27 | 31 |   |   |
| 28 | 32 |   |   |
| 29 | 33 |   |   |
| 30 | 34 |   |   |
| 31 | 35 |   |   |
| 32 | 36 |   |   |
| 33 | 37 |   | 1 |
| 34 | 38 |   |   |
| 35 | 39 |   |   |
| 36 | 40 |   |   |
| 37 | 41 |   |   |
| 38 | 42 |   |   |
| 39 | 43 |   |   |
| 40 | 44 |   |   |
Увеличить |
DIP40/PLCC44 specialized adapter for 8051 family microcontrollers with open top socket. |
| DIP-40 | PLCC-44 |
| 1 | 2 |
| 2 | 3 |
| 3 | 4 |
| 4 | 5 |
| 5 | 6 |
| 6 | 7 |
| 7 | 8 |
| 8 | 9 |
| 9 | 10 |
| 10 | 11 |
| 11 | 13 |
| 12 | 14 |
| 13 | 15 |
| 14 | 16 |
| 15 | 17 |
| 16 | 18 |
| 17 | 19 |
| 18 | 20 |
| 19 | 21 |
| 20 | 22,23,34 |
| 21 | 24 |
| 22 | 25 |
| 23 | 26 |
| 24 | 27 |
| 25 | 28 |
| 26 | 29 |
| 27 | 30 |
| 28 | 31 |
| 29 | 32 |
| 30 | 33 |
| 31 | 35 |
| 32 | 36 |
| 33 | 37 |
| 34 | 38 |
| 35 | 39 |
| 36 | 40 |
| 37 | 41 |
| 38 | 42 |
| 39 | 43 |
| 40 | 1,12,44 |
Увеличить |
DIP40/PLCC44 specialized adapter for 8051 family microcontrollers with clam shell socket. |
| DIP-40 | PLCC-44 |
| 1 | 2 |
| 2 | 3 |
| 3 | 4 |
| 4 | 5 |
| 5 | 6 |
| 6 | 7 |
| 7 | 8 |
| 8 | 9 |
| 9 | 10 |
| 10 | 11 |
| 11 | 13 |
| 12 | 14 |
| 13 | 15 |
| 14 | 16 |
| 15 | 17 |
| 16 | 18 |
| 17 | 19 |
| 18 | 20 |
| 19 | 21 |
| 20 | 22,23,34 |
| 21 | 24 |
| 22 | 25 |
| 23 | 26 |
| 24 | 27 |
| 25 | 28 |
| 26 | 29 |
| 27 | 30 |
| 28 | 31 |
| 29 | 32 |
| 30 | 33 |
| 31 | 35 |
| 32 | 36 |
| 33 | 37 |
| 34 | 38 |
| 35 | 39 |
| 36 | 40 |
| 37 | 41 |
| 38 | 42 |
| 39 | 43 |
| 40 | 1,12,44 |
Увеличить |
DIP40/PLCC44 specialized adapter for Philips/NXP microcontrollers with open top socket. |
| DIP-40 | PLCC-44 |
| 20 | 1 |
| 1 | 2 |
| 2 | 3 |
| 3 | 4 |
| 4 | 5 |
| 5 | 6 |
| 6 | 7 |
| 7 | 8 |
| 8 | 9 |
| 9 | 10 |
| 10 | 11 |
|   | 12 |
| 11 | 13 |
| 12 | 14 |
| 13 | 15 |
| 14 | 16 |
| 15 | 17 |
| 16 | 18 |
| 17 | 19 |
| 18 | 20 |
| 19 | 21 |
| 20 | 22 |
| 40 | 23 |
| 21 | 24 |
| 22 | 25 |
| 23 | 26 |
| 24 | 27 |
| 25 | 28 |
| 26 | 29 |
| 27 | 30 |
| 28 | 31 |
| 29 | 32 |
| 30 | 33 |
|   | 34 |
| 31 | 35 |
| 32 | 36 |
| 33 | 37 |
| 34 | 38 |
| 35 | 39 |
| 36 | 40 |
| 37 | 41 |
| 38 | 42 |
| 39 | 43 |
| 40 | 44 |
Увеличить |
DIP40/PLCC44 specialized adapter for Philips/NXP microcontrollers with clam shell socket. |
| DIP-40 | PLCC-44 |
| 20 | 1 |
| 1 | 2 |
| 2 | 3 |
| 3 | 4 |
| 4 | 5 |
| 5 | 6 |
| 6 | 7 |
| 7 | 8 |
| 8 | 9 |
| 9 | 10 |
| 10 | 11 |
|   | 12 |
| 11 | 13 |
| 12 | 14 |
| 13 | 15 |
| 14 | 16 |
| 15 | 17 |
| 16 | 18 |
| 17 | 19 |
| 18 | 20 |
| 19 | 21 |
| 20 | 22 |
| 40 | 23 |
| 21 | 24 |
| 22 | 25 |
| 23 | 26 |
| 24 | 27 |
| 25 | 28 |
| 26 | 29 |
| 27 | 30 |
| 28 | 31 |
| 29 | 32 |
| 30 | 33 |
|   | 34 |
| 31 | 35 |
| 32 | 36 |
| 33 | 37 |
| 34 | 38 |
| 35 | 39 |
| 36 | 40 |
| 37 | 41 |
| 38 | 42 |
| 39 | 43 |
| 40 | 44 |
Увеличить |
DIP28/PLCC44 specialized adapter for Philips/NXP microcontrollers with open top socket. |
| DIP-28 | PLCC-44 |
| 3 | 43 |
| 4 | 2 |
| 6 | 5 |
| 7 | 3,22 |
| 8 | 11 |
| 17 | 9 |
| 18 | 10 |
| 19 | 35 |
| 20 | 37 |
| 21 | 13,36 |
| 22 | 38 |
| 23 | 39 |
| 24 | 40 |
| 25 | 41 |
| 26 | 42 |
Увеличить |
DIP28/PLCC44 specialized adapter for Philips/NXP microcontrollers with clam shell socket. |
| DIP-28 | PLCC-44 |
| 3 | 43 |
| 4 | 2 |
| 6 | 5 |
| 7 | 3,22 |
| 8 | 11 |
| 17 | 9 |
| 18 | 10 |
| 19 | 35 |
| 20 | 37 |
| 21 | 13,36 |
| 22 | 38 |
| 23 | 39 |
| 24 | 40 |
| 25 | 41 |
| 26 | 42 |
Увеличить |
DIP40/PLCC44 specialized adapter PLD devices with open top socket. |
| DIP-40 | PLCC-44 | C1, 0.1мкФ | C2, 0.1мкФ |
| 1 | 2 | 2 |   |
| 2 | 3 |   |   |
| 3 | 4 |   |   |
| 4 | 5 |   |   |
| 5 | 6 |   |   |
| 6 | 7 |   |   |
| 7 | 8 |   |   |
| 8 | 9 |   |   |
| 9 | 10 |   |   |
| 10 | 11 |   |   |
| 11 | 12 |   |   |
| 12 | 13 |   |   |
| 13 | 14 |   |   |
| 14 | 15 |   |   |
| 15 | 16 |   |   |
| 16 | 18 |   |   |
| 17 | 19 |   |   |
| 18 | 20 |   |   |
| 19 | 21 |   |   |
| 20 | 22,23,17,39 | 1 | 1 |
| 21 | 24 |   |   |
| 22 | 25 |   |   |
| 23 | 26 |   |   |
| 24 | 27 |   |   |
| 25 | 28 |   |   |
| 26 | 29 |   |   |
| 27 | 30 |   |   |
| 28 | 31 |   |   |
| 29 | 32 |   |   |
| 30 | 33 |   |   |
| 31 | 34 |   |   |
| 32 | 35 |   |   |
| 33 | 36 |   |   |
| 34 | 37 |   |   |
| 35 | 38 |   |   |
| 36 | 40 |   |   |
| 37 | 41 |   |   |
| 38 | 42 |   |   |
| 39 | 43 |   |   |
| 40 | 44,1 |   | 2 |
Увеличить |
DIP40/PLCC44 specialized adapter PLD devices with clam shell socket. |
| DIP-40 | PLCC-44 | C1, 0.1мкФ | C2, 0.1мкФ |
| 1 | 2 | 2 |   |
| 2 | 3 |   |   |
| 3 | 4 |   |   |
| 4 | 5 |   |   |
| 5 | 6 |   |   |
| 6 | 7 |   |   |
| 7 | 8 |   |   |
| 8 | 9 |   |   |
| 9 | 10 |   |   |
| 10 | 11 |   |   |
| 11 | 12 |   |   |
| 12 | 13 |   |   |
| 13 | 14 |   |   |
| 14 | 15 |   |   |
| 15 | 16 |   |   |
| 16 | 18 |   |   |
| 17 | 19 |   |   |
| 18 | 20 |   |   |
| 19 | 21 |   |   |
| 20 | 22,23,17,39 | 1 | 1 |
| 21 | 24 |   |   |
| 22 | 25 |   |   |
| 23 | 26 |   |   |
| 24 | 27 |   |   |
| 25 | 28 |   |   |
| 26 | 29 |   |   |
| 27 | 30 |   |   |
| 28 | 31 |   |   |
| 29 | 32 |   |   |
| 30 | 33 |   |   |
| 31 | 34 |   |   |
| 32 | 35 |   |   |
| 33 | 36 |   |   |
| 34 | 37 |   |   |
| 35 | 38 |   |   |
| 36 | 40 |   |   |
| 37 | 41 |   |   |
| 38 | 42 |   |   |
| 39 | 43 |   |   |
| 40 | 44,1 |   | 2 |
Увеличить |
DIP40/PLCC44 specialized adapter with open top socket. |
Аналоги адаптера, поставляемые другими фирмами:
Logical Systems: PA51CC-PD
| DIP-40 | PLCC-44 |
| 1 | 3 |
| 2 | 4 |
| 3 | 5 |
| 4 | 6 |
| 5 | 7 |
| 6 | 8 |
| 7 | 9 |
| 8 | 10 |
| 9 | 44 |
| 10 | 12 |
| 11 | 13 |
| 12 | 14 |
| 13 | 15 |
| 14 | 16 |
| 15 | 17 |
| 16 | 18 |
| 17 | 19 |
| 18 | 40 |
| 19 | 41 |
| 20 | 1,43 |
| 21 | 29 |
| 22 | 28 |
| 23 | 27 |
| 24 | 26 |
| 25 | 25 |
| 26 | 24 |
| 27 | 23 |
| 28 | 22 |
| 29 | 38 |
| 30 | 39 |
| 31 | 11 |
| 32 | 37 |
| 33 | 36 |
| 34 | 35 |
| 35 | 34 |
| 36 | 33 |
| 37 | 32 |
| 38 | 31 |
| 39 | 30 |
| 40 | 2,42 |
Увеличить |
DIP40/PLCC44 specialized adapter with clam shell socket. |
| DIP-40 | PLCC-44 |
| 1 | 3 |
| 2 | 4 |
| 3 | 5 |
| 4 | 6 |
| 5 | 7 |
| 6 | 8 |
| 7 | 9 |
| 8 | 10 |
| 9 | 44 |
| 10 | 12 |
| 11 | 13 |
| 12 | 14 |
| 13 | 15 |
| 14 | 16 |
| 15 | 17 |
| 16 | 18 |
| 17 | 19 |
| 18 | 40 |
| 19 | 41 |
| 20 | 1,43 |
| 21 | 29 |
| 22 | 28 |
| 23 | 27 |
| 24 | 26 |
| 25 | 25 |
| 26 | 24 |
| 27 | 23 |
| 28 | 22 |
| 29 | 38 |
| 30 | 39 |
| 31 | 11 |
| 32 | 37 |
| 33 | 36 |
| 34 | 35 |
| 35 | 34 |
| 36 | 33 |
| 37 | 32 |
| 38 | 31 |
| 39 | 30 |
| 40 | 2,42 |
Увеличить |
DIP40/PLCC44 specialized adapter with open top socket. |
| DIP-40 | PLCC-44 |
| 1 | 2 |
| 2 | 3 |
| 3 | 4 |
| 4 | 5 |
| 5 | 6 |
| 6 | 7 |
| 7 | 8 |
| 8 | 9 |
| 9 | 10 |
| 10 | 12 |
| 11 | 13 |
| 12 | 14 |
| 13 | 15 |
| 14 | 16 |
| 15 | 17 |
| 16 | 19 |
| 17 | 20 |
| 18 | 21 |
| 19 | 22 |
| 20 | 23 |
| 21 | 24 |
| 22 | 25 |
| 23 | 26 |
| 24 | 27 |
| 25 | 29 |
| 26 | 30 |
| 27 | 31 |
| 28 | 32 |
| 29 | 33 |
| 30 | 1,18,28,34 |
| 31 | 35 |
| 32 | 36 |
| 33 | 37 |
| 34 | 38 |
| 35 | 39 |
| 36 | 40 |
| 37 | 41 |
| 38 | 42 |
| 39 | 43 |
| 40 | 44 |
Увеличить |
DIP40/PLCC44 specialized adapter with clam shell socket. |
| DIP-40 | PLCC-44 |
| 1 | 2 |
| 2 | 3 |
| 3 | 4 |
| 4 | 5 |
| 5 | 6 |
| 6 | 7 |
| 7 | 8 |
| 8 | 9 |
| 9 | 10 |
| 10 | 12 |
| 11 | 13 |
| 12 | 14 |
| 13 | 15 |
| 14 | 16 |
| 15 | 17 |
| 16 | 19 |
| 17 | 20 |
| 18 | 21 |
| 19 | 22 |
| 20 | 23 |
| 21 | 24 |
| 22 | 25 |
| 23 | 26 |
| 24 | 27 |
| 25 | 29 |
| 26 | 30 |
| 27 | 31 |
| 28 | 32 |
| 29 | 33 |
| 30 | 1,18,28,34 |
| 31 | 35 |
| 32 | 36 |
| 33 | 37 |
| 34 | 38 |
| 35 | 39 |
| 36 | 40 |
| 37 | 41 |
| 38 | 42 |
| 39 | 43 |
| 40 | 44 |
Увеличить |
DIP40/PLCC44 specialized adapter with open top socket. |
| DIP-40 | PLCC-44 |
| 1 | 2 |
| 2 | 3 |
| 3 | 4 |
| 4 | 5 |
| 5 | 6 |
| 6 | 7 |
| 7 | 8 |
| 8 | 9 |
| 9 | 10 |
| 10 | 1,12,18,29 |
| 11 | 13 |
| 12 | 14 |
| 13 | 15 |
| 14 | 16 |
| 15 | 17 |
| 16 | 19 |
| 17 | 20 |
| 18 | 21 |
| 19 | 22 |
| 20 | 23 |
| 21 | 24 |
| 22 | 25 |
| 23 | 26 |
| 24 | 27 |
| 25 | 28 |
| 26 | 30 |
| 27 | 31 |
| 28 | 32 |
| 29 | 33 |
| 30 | 34 |
| 31 | 35 |
| 32 | 36 |
| 33 | 37 |
| 34 | 38 |
| 35 | 39 |
| 36 | 40 |
| 37 | 41 |
| 38 | 42 |
| 39 | 43 |
| 40 | 44 |
Увеличить |
DIP40/PLCC44 specialized adapter with clam shell socket. |
| DIP-40 | PLCC-44 |
| 1 | 2 |
| 2 | 3 |
| 3 | 4 |
| 4 | 5 |
| 5 | 6 |
| 6 | 7 |
| 7 | 8 |
| 8 | 9 |
| 9 | 10 |
| 10 | 1,12,18,29 |
| 11 | 13 |
| 12 | 14 |
| 13 | 15 |
| 14 | 16 |
| 15 | 17 |
| 16 | 19 |
| 17 | 20 |
| 18 | 21 |
| 19 | 22 |
| 20 | 23 |
| 21 | 24 |
| 22 | 25 |
| 23 | 26 |
| 24 | 27 |
| 25 | 28 |
| 26 | 30 |
| 27 | 31 |
| 28 | 32 |
| 29 | 33 |
| 30 | 34 |
| 31 | 35 |
| 32 | 36 |
| 33 | 37 |
| 34 | 38 |
| 35 | 39 |
| 36 | 40 |
| 37 | 41 |
| 38 | 42 |
| 39 | 43 |
| 40 | 44 |
Увеличить |
DIP40/PLCC44 specialized adapter for Nuvoton/Winbond microcontrollers with open top socket. |
| DIP-40 | PLCC-44 |
| 1 | 5 |
| 2 | 4 |
| 3 | 3 |
| 4 | 2 |
| 5 | 1 |
| 6 | 44 |
| 7 | 43 |
| 8 | 42 |
| 9 | 28 |
| 10 | 38 |
| 11 | 37 |
| 12 | 36 |
| 13 | 35 |
| 14 | 34 |
| 15 | 33 |
| 16 | 32 |
| 17 | 31 |
| 18 | 16 |
| 19 | 15 |
| 20 | 6,17 |
| 21 | 27 |
| 22 | 26 |
| 23 | 25 |
| 24 | 24 |
| 25 | 23 |
| 26 | 22 |
| 27 | 21 |
| 28 | 20 |
| 29 | 19 |
| 30 | 18 |
| 31 | 30 |
| 32 | 14 |
| 33 | 13 |
| 34 | 12 |
| 35 | 11 |
| 36 | 10 |
| 37 | 9 |
| 38 | 8 |
| 39 | 7 |
| 40 | 29,41 |
Увеличить |
DIP40/PLCC44 specialized adapter for Nuvoton/Winbond microcontrollers with open top socket. |
| DIP-40 | PLCC-44 |
| 1 | 3 |
| 2 | 4 |
| 3 | 5 |
| 4 | 6 |
| 5 | 7 |
| 6 | 8 |
| 7 | 9 |
| 8 | 10 |
| 9 | 11 |
| 10 | 12 |
| 11 | 13 |
| 12 | 14 |
| 13 | 15 |
| 14 | 16 |
| 15 | 17 |
| 16 | 18 |
| 17 | 19 |
| 18 | 20 |
| 19 | 21 |
| 20 | 22,44 |
| 21 | 24 |
| 22 | 25 |
| 23 | 26 |
| 24 | 27 |
| 25 | 28 |
| 26 | 29 |
| 27 | 30 |
| 28 | 31 |
| 29 | 32 |
| 30 | 33 |
| 31 | 34 |
| 32 | 35 |
| 33 | 36 |
| 34 | 37 |
| 35 | 38 |
| 36 | 39 |
| 37 | 40 |
| 38 | 41 |
| 39 | 42 |
| 40 | 1,43 |
Увеличить |
DIP40/PLCC44 specialized adapter for Nuvoton/Winbond microcontrollers with clam shell socket. |
| DIP-40 | PLCC-44 |
| 1 | 3 |
| 2 | 4 |
| 3 | 5 |
| 4 | 6 |
| 5 | 7 |
| 6 | 8 |
| 7 | 9 |
| 8 | 10 |
| 9 | 11 |
| 10 | 12 |
| 11 | 13 |
| 12 | 14 |
| 13 | 15 |
| 14 | 16 |
| 15 | 17 |
| 16 | 18 |
| 17 | 19 |
| 18 | 20 |
| 19 | 21 |
| 20 | 22,44 |
| 21 | 24 |
| 22 | 25 |
| 23 | 26 |
| 24 | 27 |
| 25 | 28 |
| 26 | 29 |
| 27 | 30 |
| 28 | 31 |
| 29 | 32 |
| 30 | 33 |
| 31 | 34 |
| 32 | 35 |
| 33 | 36 |
| 34 | 37 |
| 35 | 38 |
| 36 | 39 |
| 37 | 40 |
| 38 | 41 |
| 39 | 42 |
| 40 | 1,43 |
Увеличить |
DIP40/PLCC44 specialized adapter for Nuvoton/Winbond microcontrollers with clam shell socket. |
| DIP-40 | PLCC-44 |
| 1 | 5 |
| 2 | 4 |
| 3 | 3 |
| 4 | 2 |
| 5 | 1 |
| 6 | 44 |
| 7 | 43 |
| 8 | 42 |
| 9 | 28 |
| 10 | 38 |
| 11 | 37 |
| 12 | 36 |
| 13 | 35 |
| 14 | 34 |
| 15 | 33 |
| 16 | 32 |
| 17 | 31 |
| 18 | 16 |
| 19 | 15 |
| 20 | 6.17 |
| 21 | 27 |
| 22 | 26 |
| 23 | 25 |
| 24 | 24 |
| 25 | 23 |
| 26 | 22 |
| 27 | 21 |
| 28 | 20 |
| 29 | 19 |
| 30 | 18 |
| 31 | 30 |
| 32 | 14 |
| 33 | 13 |
| 34 | 12 |
| 35 | 11 |
| 36 | 10 |
| 37 | 9 |
| 38 | 8 |
| 39 | 7 |
| 40 | 29.41 |
Увеличить |
DIP20/PLCC44 specialized adapter for Xilinx devices with open top socket. |
| DIP-20 | PLCC-44 | SN74AHC14 | C1, 150пФ |
| - | 1 |   |   |
| 1 | 2 |   |   |
| 11 | 3 |   |   |
| - | 4 |   |   |
| 3 |   | 1 |   |
|   | 5 | 4 |   |
| - | 6 |   |   |
|   | 7 |   |   |
| - | 8 |   |   |
| - | 9 |   |   |
| - | 10 |   |   |
| - | 11 |   |   |
| 11 | 12 | 7 | 1 |
| - | 13 |   |   |
| 20 | 14 | 14 | 2 |
| - | 15 |   |   |
| - | 16 |   |   |
| - | 17 |   |   |
| - | 18 |   |   |
| 8 | 19 |   |   |
| - | 20 |   |   |
| 10 | 21 |   |   |
| 20 | 22 |   |   |
| 20 | 23 |   |   |
| 11 | 24 |   |   |
| - | 25 |   |   |
| - | 26 |   |   |
| 13 | 27 |   |   |
| - | 28 |   |   |
|   | 29 |   |   |
| 11 | 30 |   |   |
| - | 31 |   |   |
| 20 | 32 |   |   |
| - | 33 |   |   |
| 11 | 34 |   |   |
| - | 35 |   |   |
| - | 36 |   |   |
| - | 37 |   |   |
| - | 38 |   |   |
| - | 39 |   |   |
| - | 40 |   |   |
| 18 | 41 |   |   |
| 20 | 42 |   |   |
| 11 | 43 |   |   |
| 20 | 44 |   |   |
|   |   | 2,3 |   |
Увеличить |
DIP20/PLCC44 specialized adapter for Xilinx devices with open top socket. |
| DIP-20 | PLCC-44 | SN74AHC14 | C1, 150пФ |
| - | 1 |   |   |
| 1 | 2 |   |   |
| 11 | 3 |   |   |
| - | 4 |   |   |
| 3 |   | 1 |   |
|   | 5 | 4 |   |
| - | 6 |   |   |
|   | 7 |   |   |
| - | 8 |   |   |
| - | 9 |   |   |
| - | 10 |   |   |
| - | 11 |   |   |
| 11 | 12 | 7 | 1 |
| - | 13 |   |   |
| 20 | 14 | 14 | 2 |
| - | 15 |   |   |
| - | 16 |   |   |
| - | 17 |   |   |
| - | 18 |   |   |
| 8 | 19 |   |   |
| - | 20 |   |   |
| 10 | 21 |   |   |
| 20 | 22 |   |   |
| 20 | 23 |   |   |
| 11 | 24 |   |   |
| - | 25 |   |   |
| - | 26 |   |   |
| 13 | 27 |   |   |
| - | 28 |   |   |
|   | 29 |   |   |
| 11 | 30 |   |   |
| - | 31 |   |   |
| 20 | 32 |   |   |
| - | 33 |   |   |
| 11 | 34 |   |   |
| - | 35 |   |   |
| - | 36 |   |   |
| - | 37 |   |   |
| - | 38 |   |   |
| - | 39 |   |   |
| - | 40 |   |   |
| 18 | 41 |   |   |
| 20 | 42 |   |   |
| 11 | 43 |   |   |
| 20 | 44 |   |   |
|   |   | 2,3 |   |
Увеличить |
DIP40/PLCC44 specialized adapter for microcontrollers with open top socket. |
Аналоги адаптера, поставляемые другими фирмами:
Logical Systems: PA51-44
| DIP-40 | PLCC-44 |
| 1 | 2 |
| 2 | 3 |
| 3 | 4 |
| 4 | 5 |
| 5 | 6 |
| 6 | 7 |
| 7 | 8 |
| 8 | 9 |
| 9 | 10 |
| 10 | 11 |
| 11 | 13 |
| 12 | 14 |
| 13 | 15 |
| 14 | 16 |
| 15 | 17 |
| 16 | 18 |
| 17 | 19 |
| 18 | 20 |
| 19 | 21 |
| 20 | 22 |
| 21 | 24 |
| 22 | 25 |
| 23 | 26 |
| 24 | 27 |
| 25 | 28 |
| 26 | 29 |
| 27 | 30 |
| 28 | 31 |
| 29 | 32 |
| 30 | 33 |
| 31 | 35 |
| 32 | 36 |
| 33 | 37 |
| 34 | 38 |
| 35 | 39 |
| 36 | 40 |
| 37 | 41 |
| 38 | 42 |
| 39 | 43 |
| 40 | 44 |
Увеличить |
DIP40/PLCC44 specialized adapter for microcontrollers with clam shell socket. |
Аналоги адаптера, поставляемые другими фирмами:
Logical Systems: PA51-44Z
| DIP-40 | PLCC-44 |
| 1 | 2 |
| 2 | 3 |
| 3 | 4 |
| 4 | 5 |
| 5 | 6 |
| 6 | 7 |
| 7 | 8 |
| 8 | 9 |
| 9 | 10 |
| 10 | 11 |
| 11 | 13 |
| 12 | 14 |
| 13 | 15 |
| 14 | 16 |
| 15 | 17 |
| 16 | 18 |
| 17 | 19 |
| 18 | 20 |
| 19 | 21 |
| 20 | 22 |
| 21 | 24 |
| 22 | 25 |
| 23 | 26 |
| 24 | 27 |
| 25 | 28 |
| 26 | 29 |
| 27 | 30 |
| 28 | 31 |
| 29 | 32 |
| 30 | 33 |
| 31 | 35 |
| 32 | 36 |
| 33 | 37 |
| 34 | 38 |
| 35 | 39 |
| 36 | 40 |
| 37 | 41 |
| 38 | 42 |
| 39 | 43 |
| 40 | 44 |
Увеличить |
DIP40/PLCC44 specialized adapter for Microchip microcontrollers with open top socket. |
Аналоги адаптера, поставляемые другими фирмами:
Logical Systems: PA44-40-P64
| DIP-40 | PLCC-44 |
| 1 | 2 |
| 2 | 3 |
| 3 | 4 |
| 4 | 5 |
| 5 | 6 |
| 6 | 7 |
| 7 | 8 |
| 8 | 9 |
| 9 | 10 |
| 10 | 11 |
| 11 | 12 |
| 12 | 13 |
| 13 | 14 |
| 14 | 15 |
| 15 | 16 |
| 16 | 18 |
| 17 | 19 |
| 18 | 20 |
| 19 | 21 |
| 20 | 22 |
| 21 | 23 |
| 22 | 24 |
| 23 | 25 |
| 24 | 26 |
| 25 | 27 |
| 26 | 29 |
| 27 | 30 |
| 28 | 31 |
| 29 | 32 |
| 30 | 33 |
| 31 | 34 |
| 32 | 35 |
| 33 | 36 |
| 34 | 37 |
| 35 | 38 |
| 36 | 39 |
| 37 | 41 |
| 38 | 42 |
| 39 | 43 |
| 40 | 44 |
Увеличить |
DIP40/PLCC44 specialized adapter for Microchip microcontrollers with clam shell socket. |
| DIP-40 | PLCC-44 |
| 1 | 2 |
| 2 | 3 |
| 3 | 4 |
| 4 | 5 |
| 5 | 6 |
| 6 | 7 |
| 7 | 8 |
| 8 | 9 |
| 9 | 10 |
| 10 | 11 |
| 11 | 12 |
| 12 | 13 |
| 13 | 14 |
| 14 | 15 |
| 15 | 16 |
| 16 | 18 |
| 17 | 19 |
| 18 | 20 |
| 19 | 21 |
| 20 | 22 |
| 21 | 23 |
| 22 | 24 |
| 23 | 25 |
| 24 | 26 |
| 25 | 27 |
| 26 | 29 |
| 27 | 30 |
| 28 | 31 |
| 29 | 32 |
| 30 | 33 |
| 31 | 34 |
| 32 | 35 |
| 33 | 36 |
| 34 | 37 |
| 35 | 38 |
| 36 | 39 |
| 37 | 41 |
| 38 | 42 |
| 39 | 43 |
| 40 | 44 |
Увеличить |
DIP40/PLCC44 specialized adapter for Microchip microcontrollers with open top socket. |
Аналоги адаптера, поставляемые другими фирмами:
Logical Systems: PA17C42-PD
| DIP-40 | PLCC-44 |
| 1 | 1,44 |
| 2 | 3 |
| 3 | 4 |
| 4 | 5 |
| 5 | 6 |
| 6 | 7 |
| 7 | 8 |
| 8 | 9 |
| 9 | 10 |
| 10 | 11,12 |
| 11 | 13 |
| 12 | 14 |
| 13 | 15 |
| 14 | 16 |
| 15 | 17 |
| 16 | 18 |
| 17 | 19 |
| 18 | 20 |
| 19 | 21 |
| 20 | 22 |
| 21 | 23 |
| 22 | 24 |
| 23 | 25 |
| 24 | 26 |
| 25 | 27 |
| 26 | 28 |
| 27 | 29 |
| 28 | 30 |
| 29 | 31 |
| 30 | 32 |
| 31 | 33,34 |
| 32 | 35 |
| 33 | 36 |
| 34 | 37 |
| 35 | 38 |
| 36 | 39 |
| 37 | 40 |
| 38 | 41 |
| 39 | 42 |
| 40 | 43 |
Увеличить |
DIP40/PLCC44 specialized adapter for Microchip microcontrollers with clam shell socket. |
| DIP-40 | PLCC-44 |
| 1 | 1,44 |
| 2 | 3 |
| 3 | 4 |
| 4 | 5 |
| 5 | 6 |
| 6 | 7 |
| 7 | 8 |
| 8 | 9 |
| 9 | 10 |
| 10 | 11,12 |
| 11 | 13 |
| 12 | 14 |
| 13 | 15 |
| 14 | 16 |
| 15 | 17 |
| 16 | 18 |
| 17 | 19 |
| 18 | 20 |
| 19 | 21 |
| 20 | 22 |
| 21 | 23 |
| 22 | 24 |
| 23 | 25 |
| 24 | 26 |
| 25 | 27 |
| 26 | 28 |
| 27 | 29 |
| 28 | 30 |
| 29 | 31 |
| 30 | 32 |
| 31 | 33,34 |
| 32 | 35 |
| 33 | 36 |
| 34 | 37 |
| 35 | 38 |
| 36 | 39 |
| 37 | 40 |
| 38 | 41 |
| 39 | 42 |
| 40 | 43 |
Увеличить |
DIP44/PLCC44 universal adapter with open top socket. |
Аналоги адаптера, поставляемые другими фирмами:
Logical Systems: PA44-PD
| DIP-44 | PLCC-44 |
| 1 | 1 |
| 2 | 2 |
| 3 | 3 |
| 4 | 4 |
| 5 | 5 |
| 6 | 6 |
| 7 | 7 |
| 8 | 8 |
| 9 | 9 |
| 10 | 10 |
| 11 | 11 |
| 12 | 12 |
| 13 | 13 |
| 14 | 14 |
| 15 | 15 |
| 16 | 16 |
| 17 | 17 |
| 18 | 18 |
| 19 | 19 |
| 20 | 20 |
| 21 | 21 |
| 22 | 22 |
| 23 | 23 |
| 24 | 24 |
| 25 | 25 |
| 26 | 26 |
| 27 | 27 |
| 28 | 28 |
| 29 | 29 |
| 30 | 30 |
| 31 | 31 |
| 32 | 32 |
| 33 | 33 |
| 34 | 34 |
| 35 | 35 |
| 36 | 36 |
| 37 | 37 |
| 38 | 38 |
| 39 | 39 |
| 40 | 40 |
| 41 | 41 |
| 42 | 42 |
| 43 | 43 |
| 44 | 44 |
Увеличить |
DIP44/PLCC44 universal adapter with clam shell socket. |
Аналоги адаптера, поставляемые другими фирмами:
Logical Systems: PA44-PDZ
| DIP-44 | PLCC-44 |
| 1 | 1 |
| 2 | 2 |
| 3 | 3 |
| 4 | 4 |
| 5 | 5 |
| 6 | 6 |
| 7 | 7 |
| 8 | 8 |
| 9 | 9 |
| 10 | 10 |
| 11 | 11 |
| 12 | 12 |
| 13 | 13 |
| 14 | 14 |
| 15 | 15 |
| 16 | 16 |
| 17 | 17 |
| 18 | 18 |
| 19 | 19 |
| 20 | 20 |
| 21 | 21 |
| 22 | 22 |
| 23 | 23 |
| 24 | 24 |
| 25 | 25 |
| 26 | 26 |
| 27 | 27 |
| 28 | 28 |
| 29 | 29 |
| 30 | 30 |
| 31 | 31 |
| 32 | 32 |
| 33 | 33 |
| 34 | 34 |
| 35 | 35 |
| 36 | 36 |
| 37 | 37 |
| 38 | 38 |
| 39 | 39 |
| 40 | 40 |
| 41 | 41 |
| 42 | 42 |
| 43 | 43 |
| 44 | 44 |
Увеличить |
DIP40/PLCC52 specialized adapter for Motorola/Freescale microcontrollers with open top socket. |
| DIP-40 | PLCC-52 | C1, 0,1мкФ |
| 1 | 51 |   |
| 2 |   | 2 |
| 3 | 1 | 1 |
| 4 |   |   |
| 5 | 3 |   |
| 6 | 10 |   |
| 7 | 4 |   |
| 8 | 5 |   |
| 9 |   |   |
| 10 | 7 |   |
| 11 |   |   |
| 12 |   |   |
| 13 |   |   |
| 14 | 9 |   |
| 15 | 35 |   |
| 16 | 36 |   |
| 17 |   |   |
| 18 |   |   |
| 19 | 25 |   |
| 20 | 26 |   |
| 21 |   |   |
| 22 |   |   |
| 23 |   |   |
| 24 |   |   |
| 25 |   |   |
| 26 |   |   |
| 27 |   |   |
| 28 |   |   |
| 29 |   |   |
| 30 |   |   |
| 31 | 50 |   |
| 32 | 52 |   |
| 33 | 27 |   |
| 34 | 28 |   |
| 35 | 29 |   |
| 36 | 30 |   |
| 37 | 31 |   |
| 38 | 32 |   |
| 39 | 33 |   |
| 40 | 34 |   |
Увеличить |
DIP40/PLCC52 specialized adapter for Motorola/Freescale microcontrollers with clam shell socket. |
| DIP-40 | PLCC-52 | C1, 0,1мкФ |
| 1 | 51 |   |
| 2 |   | 2 |
| 3 | 1 | 1 |
| 4 |   |   |
| 5 | 3 |   |
| 6 | 10 |   |
| 7 | 4 |   |
| 8 | 5 |   |
| 9 |   |   |
| 10 | 7 |   |
| 11 |   |   |
| 12 |   |   |
| 13 |   |   |
| 14 | 9 |   |
| 15 | 35 |   |
| 16 | 36 |   |
| 17 |   |   |
| 18 |   |   |
| 19 | 25 |   |
| 20 | 26 |   |
| 21 |   |   |
| 22 |   |   |
| 23 |   |   |
| 24 |   |   |
| 25 |   |   |
| 26 |   |   |
| 27 |   |   |
| 28 |   |   |
| 29 |   |   |
| 30 |   |   |
| 31 | 50 |   |
| 32 | 52 |   |
| 33 | 27 |   |
| 34 | 28 |   |
| 35 | 29 |   |
| 36 | 30 |   |
| 37 | 31 |   |
| 38 | 32 |   |
| 39 | 33 |   |
| 40 | 34 |   |
Увеличить |
DIP40/PLCC52 specialized adapter for Atmel microcontrollers with open top socket. |
| DIP-40 | PLCC-52 |
| 1 | 52 |
| 2 | 51 |
| 3 | 35 |
| 4 | 34 |
| 5 | 33 |
| 6 | 32 |
| 7 | 27 |
| 8 | 26 |
| 9 | 2 |
| 10 | 45 |
| 11 | 44 |
| 12 | 31 |
| 13 | 30 |
| 14 | 25 |
| 15 | 22 |
| 16 | 21 |
| 17 | 19 |
| 18 | 23 |
| 19 | 24 |
| 20 | 8,9 |
| 21 | 18 |
| 22 | 17 |
| 23 | 15 |
| 24 | 14 |
| 25 | 13 |
| 26 | 12 |
| 27 | 11 |
| 28 | 10 |
| 29 | 29 |
| 30 | 28 |
| 31 | 20 |
| 32 | 36 |
| 33 | 37 |
| 34 | 38 |
| 35 | 39 |
| 36 | 40 |
| 37 | 41 |
| 38 | 42 |
| 39 | 43 |
| 40 | 16,1 |
Увеличить |
DIP40/PLCC52 specialized adapter for Atmel microcontrollers with clam shell socket. |
| DIP-40 | PLCC-52 |
| 1 | 52 |
| 2 | 51 |
| 3 | 35 |
| 4 | 34 |
| 5 | 33 |
| 6 | 32 |
| 7 | 27 |
| 8 | 26 |
| 9 | 2 |
| 10 | 45 |
| 11 | 44 |
| 12 | 31 |
| 13 | 30 |
| 14 | 25 |
| 15 | 22 |
| 16 | 21 |
| 17 | 19 |
| 18 | 23 |
| 19 | 24 |
| 20 | 8,9 |
| 21 | 18 |
| 22 | 17 |
| 23 | 15 |
| 24 | 14 |
| 25 | 13 |
| 26 | 12 |
| 27 | 11 |
| 28 | 10 |
| 29 | 29 |
| 30 | 28 |
| 31 | 20 |
| 32 | 36 |
| 33 | 37 |
| 34 | 38 |
| 35 | 39 |
| 36 | 40 |
| 37 | 41 |
| 38 | 42 |
| 39 | 43 |
| 40 | 16,1 |
Увеличить |
DIP40/PLCC52 specialized adapter for Atmel microcontrollers with open top socket. |
| DIP-40 | PLCC-52 |
| 1 | 47 |
| 2 | 48 |
| 3 | 49 |
| 4 | 50 |
| 5 | 51 |
| 6 | 4 |
| 7 | 5 |
| 8 | 6 |
| 9 | 43 |
| 10 | 20 |
| 11 | 29 |
| 12 | 30 |
| 13 | 31 |
| 14 | 32 |
| 15 | 33 |
| 16 | 35 |
| 17 | 39 |
| 18 | 12 |
| 19 | 13 |
| 20 | 19,41 |
| 21 | 1 |
| 22 | 2 |
| 23 | 3 |
| 24 | 9 |
| 25 | 10 |
| 26 | 11 |
| 27 | 14 |
| 28 | 15 |
| 29 | 28 |
| 30 | 27 |
| 31 | 26 |
| 32 | 36 |
| 33 | 37 |
| 34 | 38 |
| 35 | 40 |
| 36 | 42 |
| 37 | 44 |
| 38 | 45 |
| 39 | 52 |
| 40 | 16,17 |
Увеличить |
DIP40/PLCC52 specialized adapter for Atmel microcontrollers with clam shell socket. |
| DIP-40 | PLCC-52 |
| 1 | 47 |
| 2 | 48 |
| 3 | 49 |
| 4 | 50 |
| 5 | 51 |
| 6 | 4 |
| 7 | 5 |
| 8 | 6 |
| 9 | 43 |
| 10 | 20 |
| 11 | 29 |
| 12 | 30 |
| 13 | 31 |
| 14 | 32 |
| 15 | 33 |
| 16 | 35 |
| 17 | 39 |
| 18 | 12 |
| 19 | 13 |
| 20 | 19,41 |
| 21 | 1 |
| 22 | 2 |
| 23 | 3 |
| 24 | 9 |
| 25 | 10 |
| 26 | 11 |
| 27 | 14 |
| 28 | 15 |
| 29 | 28 |
| 30 | 27 |
| 31 | 26 |
| 32 | 36 |
| 33 | 37 |
| 34 | 38 |
| 35 | 40 |
| 36 | 42 |
| 37 | 44 |
| 38 | 45 |
| 39 | 52 |
| 40 | 16,17 |
Увеличить |
DIP40/PLCC52 specialized adapter for Atmel microcontrollers with open top socket. |
| DIP-40 | PLCC-52 |
| 1 | 4 |
| 2 | 5 |
| 3 | 6 |
| 4 | 7 |
| 5 | 8 |
| 6 | 9 |
| 7 | 10 |
| 8 | 11 |
| 9 | 1 |
| 10 | 14 |
| 11 | 16 |
| 12 | 17 |
| 13 | 18 |
| 14 | 19 |
| 15 | 20 |
| 16 | 21 |
| 17 | 22 |
| 18 | 47 |
| 19 | 48 |
| 20 | 2,51,52 |
| 21 | 34 |
| 22 | 32 |
| 23 | 31 |
| 24 | 30 |
| 25 | 29 |
| 26 | 28 |
| 27 | 26 |
| 28 | 25 |
| 29 | 45 |
| 30 | 46 |
| 31 | 12 |
| 32 | 44 |
| 33 | 43 |
| 34 | 41 |
| 35 | 40 |
| 36 | 39 |
| 37 | 38 |
| 38 | 37 |
| 39 | 35 |
| 40 | 49,5 |
Увеличить |
DIP40/PLCC52 specialized adapter for Atmel microcontrollers with clam shell socket. |
| DIP-40 | PLCC-52 |
| 1 | 4 |
| 2 | 5 |
| 3 | 6 |
| 4 | 7 |
| 5 | 8 |
| 6 | 9 |
| 7 | 10 |
| 8 | 11 |
| 9 | 1 |
| 10 | 14 |
| 11 | 16 |
| 12 | 17 |
| 13 | 18 |
| 14 | 19 |
| 15 | 20 |
| 16 | 21 |
| 17 | 22 |
| 18 | 47 |
| 19 | 48 |
| 20 | 2,51,52 |
| 21 | 34 |
| 22 | 32 |
| 23 | 31 |
| 24 | 30 |
| 25 | 29 |
| 26 | 28 |
| 27 | 26 |
| 28 | 25 |
| 29 | 45 |
| 30 | 46 |
| 31 | 12 |
| 32 | 44 |
| 33 | 43 |
| 34 | 41 |
| 35 | 40 |
| 36 | 39 |
| 37 | 38 |
| 38 | 37 |
| 39 | 35 |
| 40 | 49,5 |
Увеличить |
DIP40/PLCC52 specialized adapter for Dallas/Maxim microcontrollers with open top socket. |
Аналоги адаптера, поставляемые другими фирмами:
Logical Systems: PA530-52
| DIP-40 | PLCC-52 |
| 1 | 3 |
| 2 | 4 |
| 3 | 5 |
| 4 | 6 |
| 5 | 7 |
| 6 | 8 |
| 7 | 9 |
| 8 | 10 |
| 9 | 12 |
| 13 | 18 |
| 14 | 19 |
| 15 | 20 |
| 16 | 21 |
| 17 | 22 |
| 18 | 23 |
| 19 | 24 |
| 20 | 1,25,26,51 |
| 21 | 30 |
| 22 | 31 |
| 23 | 32 |
| 24 | 33 |
| 25 | 34 |
| 26 | 35 |
| 27 | 36 |
| 28 | 37 |
| 29 | 38 |
| 30 | 39 |
| 31 | 42 |
| 32 | 43 |
| 33 | 44 |
| 34 | 45 |
| 35 | 46 |
| 36 | 47 |
| 37 | 48 |
| 38 | 49 |
| 39 | 50 |
| 40 | 52 |
Увеличить |
DIP40/PLCC52 specialized adapter for Dallas/Maxim microcontrollers with clam shell socket. |
| DIP-40 | PLCC-52 |
| 1 | 3 |
| 2 | 4 |
| 3 | 5 |
| 4 | 6 |
| 5 | 7 |
| 6 | 8 |
| 7 | 9 |
| 8 | 10 |
| 9 | 12 |
| 13 | 18 |
| 14 | 19 |
| 15 | 20 |
| 16 | 21 |
| 17 | 22 |
| 18 | 23 |
| 19 | 24 |
| 20 | 1,25,26,51 |
| 21 | 30 |
| 22 | 31 |
| 23 | 32 |
| 24 | 33 |
| 25 | 34 |
| 26 | 35 |
| 27 | 36 |
| 28 | 37 |
| 29 | 38 |
| 30 | 39 |
| 31 | 42 |
| 32 | 43 |
| 33 | 44 |
| 34 | 45 |
| 35 | 46 |
| 36 | 47 |
| 37 | 48 |
| 38 | 49 |
| 39 | 50 |
| 40 | 52 |
Увеличить |
DIP40/PLCC52 specialized adapter for Intel microcontrollers with open top socket, |
| DIP-40 | PLCC-52 | C1, 0,1мкФ |
| 1 | 24 |   |
| 5 | 37 |   |
| 6 | 38 |   |
| 7 | 36 |   |
| 8 | 35 |   |
| 9 | 29 |   |
| 10 | 23 |   |
| 11 | 28 |   |
| 12 | 30 |   |
| 14 | 4 |   |
| 16 | 27 |   |
| 17 | 31 |   |
| 20 | 1,3,25,39 | 1 |
| 21 | 7 |   |
| 22 | 8 |   |
| 23 | 9 |   |
| 24 | 10 |   |
| 25 | 11 |   |
| 26 | 12 |   |
| 27 | 13 |   |
| 28 | 14 |   |
| 29 | 15 |   |
| 30 | 16 |   |
| 31 | 17 |   |
| 32 | 18 |   |
| 33 | 19 |   |
| 34 | 20 |   |
| 35 | 21 |   |
| 36 | 22 |   |
| 38 | 52 |   |
| 40 | 26,4 | 2 |
Увеличить |
DIP40/PLCC52 specialized adapter for Intel microcontrollers with clam shell socket, |
| DIP-40 | PLCC-52 | C1, 0,1мкФ |
| 1 | 24 |   |
| 5 | 37 |   |
| 6 | 38 |   |
| 7 | 36 |   |
| 8 | 35 |   |
| 9 | 29 |   |
| 10 | 23 |   |
| 11 | 28 |   |
| 12 | 30 |   |
| 14 | 4 |   |
| 16 | 27 |   |
| 17 | 31 |   |
| 20 | 1,3,25,39 | 1 |
| 21 | 7 |   |
| 22 | 8 |   |
| 23 | 9 |   |
| 24 | 10 |   |
| 25 | 11 |   |
| 26 | 12 |   |
| 27 | 13 |   |
| 28 | 14 |   |
| 29 | 15 |   |
| 30 | 16 |   |
| 31 | 17 |   |
| 32 | 18 |   |
| 33 | 19 |   |
| 34 | 20 |   |
| 35 | 21 |   |
| 36 | 22 |   |
| 38 | 52 |   |
| 40 | 26,4 | 2 |
Увеличить |
DIP40/PLCC68 specialized adapter for Altera EPMxxx devices with open top socket. |
Увеличить |
DIP40/PLCC68 specialized adapter for Altera EPMxxx devices with open top socket. |
Увеличить |
DIP40/PLCC68 specialized adapter for Atmel microcontrollers with open top socket. |
| DIP-40 | PLCC-68 |
| 1 | 19 |
| 2 | 21 |
| 3 | 22 |
| 4 | 23 |
| 5 | 25 |
| 6 | 27 |
| 7 | 28 |
| 8 | 29 |
| 9 | 30 |
| 10 | 34 |
| 11 | 39 |
| 12 | 40 |
| 13 | 41 |
| 14 | 42 |
| 15 | 43 |
| 16 | 45 |
| 17 | 47 |
| 18 | 48 |
| 19 | 49 |
| 20 | 18.51 |
| 21 | 54 |
| 22 | 55 |
| 23 | 56 |
| 24 | 58 |
| 25 | 59 |
| 26 | 61 |
| 27 | 64 |
| 28 | 65 |
| 29 | 67 |
| 30 | 68 |
| 31 | 2 |
| 32 | 3 |
| 33 | 5 |
| 34 | 6 |
| 35 | 9 |
| 36 | 11 |
| 37 | 12 |
| 38 | 14 |
| 39 | 15 |
| 40 | 17 |
Увеличить |
DIP40/PLCC68 specialized adapter for Atmel microcontrollers with clam shell socket. |
| DIP-40 | PLCC-68 |
| 1 | 19 |
| 2 | 21 |
| 3 | 22 |
| 4 | 23 |
| 5 | 25 |
| 6 | 27 |
| 7 | 28 |
| 8 | 29 |
| 9 | 30 |
| 10 | 34 |
| 11 | 39 |
| 12 | 40 |
| 13 | 41 |
| 14 | 42 |
| 15 | 43 |
| 16 | 45 |
| 17 | 47 |
| 18 | 48 |
| 19 | 49 |
| 20 | 18.51 |
| 21 | 54 |
| 22 | 55 |
| 23 | 56 |
| 24 | 58 |
| 25 | 59 |
| 26 | 61 |
| 27 | 64 |
| 28 | 65 |
| 29 | 67 |
| 30 | 68 |
| 31 | 2 |
| 32 | 3 |
| 33 | 5 |
| 34 | 6 |
| 35 | 9 |
| 36 | 11 |
| 37 | 12 |
| 38 | 14 |
| 39 | 15 |
| 40 | 17 |
Увеличить |
DIP40/PLCC68 specialized adapter with open top socket. |
| DIP-40 | PLCC-68 |
| 1 | 56 |
| 2 | 55 |
| 3 | 18 |
| 4 |   |
| 5 | 17 |
| 6 |   |
| 7 |   |
| 8 | 24 |
| 9 |   |
| 10 | 3,34 |
| 11 | 42 |
| 12 | 41 |
| 13 | 38 |
| 14 | 37 |
| 15 | 32 |
| 16 | 31 |
| 17 | 30 |
| 18 | 29 |
| 19 |   |
| 20 |   |
| 21 |   |
| 22 |   |
| 23 | 16 |
| 24 | 23 |
| 25 | 19 |
| 26 | 15 |
| 27 | 11 |
| 28 | 10 |
| 29 | 8 |
| 30 | 4,33 |
| 31 |   |
| 32 |   |
| 33 |   |
| 34 | 7 |
| 35 | 2 |
| 36 | 1 |
| 37 | 68 |
| 38 | 67 |
| 39 | 66 |
| 40 | 65 |
Увеличить |
DIP40/PLCC68 specialized adapter with clam shell socket. |
| DIP-40 | PLCC-68 |
| 1 | 56 |
| 2 | 55 |
| 3 | 18 |
| 4 |   |
| 5 | 17 |
| 6 |   |
| 7 |   |
| 8 | 24 |
| 9 |   |
| 10 | 3,34 |
| 11 | 42 |
| 12 | 41 |
| 13 | 38 |
| 14 | 37 |
| 15 | 32 |
| 16 | 31 |
| 17 | 30 |
| 18 | 29 |
| 19 |   |
| 20 |   |
| 21 |   |
| 22 |   |
| 23 | 16 |
| 24 | 23 |
| 25 | 19 |
| 26 | 15 |
| 27 | 11 |
| 28 | 10 |
| 29 | 8 |
| 30 | 4,33 |
| 31 |   |
| 32 |   |
| 33 |   |
| 34 | 7 |
| 35 | 2 |
| 36 | 1 |
| 37 | 68 |
| 38 | 67 |
| 39 | 66 |
| 40 | 65 |
Увеличить |
DIP40/PLCC68 specialized adapter for Nuvoton/Winbond microcontrollers with open top socket. |
| DIP-40 | PLCC-68 |
| 1 | 2 |
| 2 | 3 |
| 3 | 4 |
| 4 | 5 |
| 5 | 6 |
| 6 | 7 |
| 7 | 8 |
| 8 | 9 |
| 9 | 14 |
| 10 | 19 |
| 11 | 21 |
| 12 | 22 |
| 13 | 23 |
| 14 | 24 |
| 15 | 25 |
| 16 | 26 |
| 17 | 27 |
| 18 | 28 |
| 19 | 29 |
| 20 | 30 |
| 21 | 40 |
| 22 | 41 |
| 23 | 42 |
| 24 | 43 |
| 25 | 44 |
| 26 | 45 |
| 27 | 46 |
| 28 | 47 |
| 29 | 48 |
| 30 | 49 |
| 31 | 51 |
| 32 | 56 |
| 33 | 57 |
| 34 | 58 |
| 35 | 59 |
| 36 | 60 |
| 37 | 61 |
| 38 | 62 |
| 39 | 63 |
| 40 | 64 |
Увеличить |
DIP40/PLCC68 specialized adapter for Nuvoton/Winbond microcontrollers with clam shell socket. |
| DIP-40 | PLCC-68 |
| 1 | 2 |
| 2 | 3 |
| 3 | 4 |
| 4 | 5 |
| 5 | 6 |
| 6 | 7 |
| 7 | 8 |
| 8 | 9 |
| 9 | 14 |
| 10 | 19 |
| 11 | 21 |
| 12 | 22 |
| 13 | 23 |
| 14 | 24 |
| 15 | 25 |
| 16 | 26 |
| 17 | 27 |
| 18 | 28 |
| 19 | 29 |
| 20 | 30 |
| 21 | 40 |
| 22 | 41 |
| 23 | 42 |
| 24 | 43 |
| 25 | 44 |
| 26 | 45 |
| 27 | 46 |
| 28 | 47 |
| 29 | 48 |
| 30 | 49 |
| 31 | 51 |
| 32 | 56 |
| 33 | 57 |
| 34 | 58 |
| 35 | 59 |
| 36 | 60 |
| 37 | 61 |
| 38 | 62 |
| 39 | 63 |
| 40 | 64 |
Увеличить |
DIP40/PLCC68 specialized adapter for Intel microcontrollers with open top socket. |
| DIP-40 | PLCC-68 | C1, 0,1мкФ |
| 1 | 31 |   |
| 5 | 47 |   |
| 6 | 48 |   |
| 7 | 46 |   |
| 8 | 45 |   |
| 9 | 37 |   |
| 10 | 29 |   |
| 11 | 36 |   |
| 12 | 38 |   |
| 14 | 6 |   |
| 16 | 35 |   |
| 17 | 39 |   |
| 20 | 1,5,30,32,34,49 | 1 |
| 21 | 11 |   |
| 22 | 12 |   |
| 23 | 13 |   |
| 24 | 14 |   |
| 25 | 15 |   |
| 26 | 16 |   |
| 27 | 17 |   |
| 28 | 18 |   |
| 29 | 19 |   |
| 30 | 20 |   |
| 31 | 21 |   |
| 32 | 22 |   |
| 33 | 23 |   |
| 34 | 24 |   |
| 35 | 27 |   |
| 36 | 28 |   |
| 38 | 68 |   |
| 40 | 33,50,58 | 2 |
Увеличить |
DIP40/PLCC68 specialized adapter for Intel microcontrollers with clam shell socket. |
| DIP-40 | PLCC-68 | C1, 0,1мкФ |
| 1 | 31 |   |
| 5 | 47 |   |
| 6 | 48 |   |
| 7 | 46 |   |
| 8 | 45 |   |
| 9 | 37 |   |
| 10 | 29 |   |
| 11 | 36 |   |
| 12 | 38 |   |
| 14 | 6 |   |
| 16 | 35 |   |
| 17 | 39 |   |
| 20 | 1,5,30,32,34,49 | 1 |
| 21 | 11 |   |
| 22 | 12 |   |
| 23 | 13 |   |
| 24 | 14 |   |
| 25 | 15 |   |
| 26 | 16 |   |
| 27 | 17 |   |
| 28 | 18 |   |
| 29 | 19 |   |
| 30 | 20 |   |
| 31 | 21 |   |
| 32 | 22 |   |
| 33 | 23 |   |
| 34 | 24 |   |
| 35 | 27 |   |
| 36 | 28 |   |
| 38 | 68 |   |
| 40 | 33,50,58 | 2 |
Увеличить |
DIP40/PLCC68 specialized adapter for Intel microcontrollers with open top socket. |
| DIP-40 | PLCC-68 | C1, 0,1мкФ |
| 1 | 2 |   |
| 5 | 8 |   |
| 6 | 9 |   |
| 7 | 10 |   |
| 8 | 11 |   |
| 9 | 15 |   |
| 10 | 16 |   |
| 11 | 17 |   |
| 12 | 42 |   |
| 14 | 37 |   |
| 16 | 18 |   |
| 17 | 33 |   |
| 20 | 3...7,12,14,24...27,36,44,64,68 | 1 |
| 21 | 45 |   |
| 22 | 46 |   |
| 23 | 47 |   |
| 24 | 48 |   |
| 25 | 49 |   |
| 26 | 50 |   |
| 27 | 51 |   |
| 28 | 52 |   |
| 29 | 53 |   |
| 30 | 54 |   |
| 31 | 55 |   |
| 32 | 56 |   |
| 33 | 57 |   |
| 34 | 58 |   |
| 35 | 59 |   |
| 36 | 60 |   |
| 38 | 67 |   |
| 40 | 1,13,43 | 2 |
Увеличить |
DIP40/PLCC68 specialized adapter for Intel microcontrollers with clam shell socket. |
| DIP-40 | PLCC-68 | C1, 0,1мкФ |
| 1 | 2 |   |
| 5 | 8 |   |
| 6 | 9 |   |
| 7 | 10 |   |
| 8 | 11 |   |
| 9 | 15 |   |
| 10 | 16 |   |
| 11 | 17 |   |
| 12 | 42 |   |
| 14 | 37 |   |
| 16 | 18 |   |
| 17 | 33 |   |
| 20 | 3...7,12,14,24...27,36,44,64,68 | 1 |
| 21 | 45 |   |
| 22 | 46 |   |
| 23 | 47 |   |
| 24 | 48 |   |
| 25 | 49 |   |
| 26 | 50 |   |
| 27 | 51 |   |
| 28 | 52 |   |
| 29 | 53 |   |
| 30 | 54 |   |
| 31 | 55 |   |
| 32 | 56 |   |
| 33 | 57 |   |
| 34 | 58 |   |
| 35 | 59 |   |
| 36 | 60 |   |
| 38 | 67 |   |
| 40 | 1,13,43 | 2 |
Увеличить |
DIP40/PLCC68 specialized adapter for Intel microcontrollers with oprn top socket. |
| DIP-40 | PLCC-68 | C1, 0,1мкФ |
| 1 | 2 |   |
| 5 | 8 |   |
| 6 | 9 |   |
| 7 | 10 |   |
| 8 | 11 |   |
| 9 | 15 |   |
| 10 | 16 |   |
| 11 | 17 |   |
| 12 | 42 |   |
| 14 | 37 |   |
| 16 | 18 |   |
| 17 | 33 |   |
| 20 | 3...7,12,14,24...27,36,44,64,68 | 1 |
| 21 | 45 |   |
| 22 | 46 |   |
| 23 | 47 |   |
| 24 | 48 |   |
| 25 | 49 |   |
| 26 | 50 |   |
| 27 | 51 |   |
| 28 | 52 |   |
| 29 | 53 |   |
| 30 | 54 |   |
| 31 | 55 |   |
| 32 | 56 |   |
| 33 | 57 |   |
| 34 | 58 |   |
| 35 | 59 |   |
| 36 | 60 |   |
| 38 | 67 |   |
| 40 | 1,13,43 | 2 |
Увеличить |
DIP40/PLCC68 specialized adapter for Intel microcontrollers with clam shell socket. |
| DIP-40 | PLCC-68 | C1, 0,1мкФ |
| 1 | 2 |   |
| 5 | 8 |   |
| 6 | 9 |   |
| 7 | 10 |   |
| 8 | 11 |   |
| 9 | 15 |   |
| 10 | 16 |   |
| 11 | 17 |   |
| 12 | 42 |   |
| 14 | 37 |   |
| 16 | 18 |   |
| 17 | 33 |   |
| 20 | 3...7,12,14,24...27,36,44,64,68 | 1 |
| 21 | 45 |   |
| 22 | 46 |   |
| 23 | 47 |   |
| 24 | 48 |   |
| 25 | 49 |   |
| 26 | 50 |   |
| 27 | 51 |   |
| 28 | 52 |   |
| 29 | 53 |   |
| 30 | 54 |   |
| 31 | 55 |   |
| 32 | 56 |   |
| 33 | 57 |   |
| 34 | 58 |   |
| 35 | 59 |   |
| 36 | 60 |   |
| 38 | 67 |   |
| 40 | 1,13,43 | 2 |
Увеличить |
DIP40/PLCC68 specialized adapter for Intel microcontrollers with open top socket. |
| DIP-40 | PLCC-68 | C1, 0,1мкФ |
| 1 | 33 |   |
| 5 | 46 |   |
| 6 | 47 |   |
| 7 | 45 |   |
| 8 | 44 |   |
| 9 | 38 |   |
| 10 | 31 |   |
| 11 | 37 |   |
| 12 | 40 |   |
| 14 | 6 |   |
| 16 | 36 |   |
| 17 | 42 |   |
| 20 | 5,32,34,48,68 | 1 |
| 21 | 15 |   |
| 22 | 16 |   |
| 23 | 17 |   |
| 24 | 18 |   |
| 25 | 19 |   |
| 26 | 20 |   |
| 27 | 21 |   |
| 28 | 22 |   |
| 29 | 23 |   |
| 30 | 24 |   |
| 31 | 25 |   |
| 32 | 26 |   |
| 33 | 27 |   |
| 34 | 28 |   |
| 35 | 29 |   |
| 36 | 30 |   |
| 38 | 67 |   |
| 40 | 35,49 | 2 |
Увеличить |
DIP40/PLCC68 specialized adapter for Intel microcontrollers with clam shell socket. |
| DIP-40 | PLCC-68 | C1, 0,1мкФ |
| 1 | 33 |   |
| 5 | 46 |   |
| 6 | 47 |   |
| 7 | 45 |   |
| 8 | 44 |   |
| 9 | 38 |   |
| 10 | 31 |   |
| 11 | 37 |   |
| 12 | 40 |   |
| 14 | 6 |   |
| 16 | 36 |   |
| 17 | 42 |   |
| 20 | 5,32,34,48,68 | 1 |
| 21 | 15 |   |
| 22 | 16 |   |
| 23 | 17 |   |
| 24 | 18 |   |
| 25 | 19 |   |
| 26 | 20 |   |
| 27 | 21 |   |
| 28 | 22 |   |
| 29 | 23 |   |
| 30 | 24 |   |
| 31 | 25 |   |
| 32 | 26 |   |
| 33 | 27 |   |
| 34 | 28 |   |
| 35 | 29 |   |
| 36 | 30 |   |
| 38 | 67 |   |
| 40 | 35,49 | 2 |
Увеличить |
DIP40/PLCC68 specialized adapter for Intel microcontrollers with open top socket. |
| DIP-40 | PLCC-68 |
| 1 | 22 |
| 2 | 23 |
| 3 | 24 |
| 4 | 25 |
| 5 | 26 |
| 6 | 27 |
| 7 | 28 |
| 8 | 29 |
| 9 | 30 |
| 10 | 31 |
| 11 | 32 |
| 12 | 33 |
| 13 | 34 |
| 14 | 35 |
| 15 | 36 |
| 16 | 37 |
| 17 | 38 |
| 18 | 53 |
| 19 | 52 |
| 20 | 40,51 |
| 21 | 57 |
| 22 | 58 |
| 23 | 59 |
| 24 | 60 |
| 25 | 61 |
| 26 | 62 |
| 27 | 63 |
| 28 | 64 |
| 29 | 54 |
| 30 | 55 |
| 31 | 56 |
| 32 | 4 |
| 33 | 3 |
| 34 | 2 |
| 35 | 1 |
| 36 | 68 |
| 37 | 67 |
| 38 | 66 |
| 39 | 65 |
| 40 | 13,39 |
Увеличить |
DIP40/PLCC68 specialized adapter for Intel microcontrollers with clam shell socket. |
| DIP-40 | PLCC-68 |
| 1 | 22 |
| 2 | 23 |
| 3 | 24 |
| 4 | 25 |
| 5 | 26 |
| 6 | 27 |
| 7 | 28 |
| 8 | 29 |
| 9 | 30 |
| 10 | 31 |
| 11 | 32 |
| 12 | 33 |
| 13 | 34 |
| 14 | 35 |
| 15 | 36 |
| 16 | 37 |
| 17 | 38 |
| 18 | 53 |
| 19 | 52 |
| 20 | 40,51 |
| 21 | 57 |
| 22 | 58 |
| 23 | 59 |
| 24 | 60 |
| 25 | 61 |
| 26 | 62 |
| 27 | 63 |
| 28 | 64 |
| 29 | 54 |
| 30 | 55 |
| 31 | 56 |
| 32 | 4 |
| 33 | 3 |
| 34 | 2 |
| 35 | 1 |
| 36 | 68 |
| 37 | 67 |
| 38 | 66 |
| 39 | 65 |
| 40 | 13,39 |
Увеличить |
DIP40/PLCC68 specialized adapter for Microchip PIC microcontrollers with open top socket. |
| DIP-40 | PLCC-68 |
| 1 | 17 |
| 5 | 7,23,24 |
| 4,31,40 | 2 |
| 11 | 20,37,49 |
| 14 | 16 |
| 19 | 44 |
| 20 | 19,36,53,68 |
| 21 | 43 |
| 22 | 42 |
| 32 | 54 |
| 34 | 65 |
| 35 | 66 |
| 36 | 22,64 |
Увеличить |
DIP40/PLCC68 specialized adapter for Microchip PIC microcontrollers with open top socket. |
| DIP-40 | PLCC-68 |
| 1,5 | 7,17,23,24 |
| 4,31,40 | 2 |
| 11 | 20,29,37,49 |
| 14 | 16 |
| 19 | 44, 50 |
| 20 | 19,30,36,53,68 |
| 21 | 43 |
| 22 | 42 |
| 28 | 48 |
| 32 | 54 |
| 34 | 65 |
| 35 | 66 |
| 36 | 22,64 |
Увеличить |
DIP40/PLCC68 specialized adapter for Microchip PIC microcontrollers with clam shell socket. |
| DIP-40 | PLCC-68 |
| 1,5 | 7,17,23,24 |
| 4,31,40 | 2 |
| 11 | 20,29,37,49 |
| 14 | 16 |
| 19 | 44, 50 |
| 20 | 19,30,36,53,68 |
| 21 | 43 |
| 22 | 42 |
| 28 | 48 |
| 32 | 54 |
| 34 | 65 |
| 35 | 66 |
| 36 | 22,64 |
Увеличить |
DIP40/PLCC68 specialized adapter for Microchip PIC microcontrollers with clam shell socket. |
| DIP-40 | PLCC-68 |
| 1 | 17 |
| 5 | 7,23,24 |
| 4,31,40 | 2 |
| 11 | 20,37,49 |
| 14 | 16 |
| 19 | 44 |
| 20 | 19,36,53,68 |
| 21 | 43 |
| 22 | 42 |
| 32 | 54 |
| 34 | 65 |
| 35 | 66 |
| 36 | 22,64 |
Увеличить |
DIP40/PLCC68 specialized adapter for Philips/NXP microcontrollers with open top socket. |
Аналоги адаптера, поставляемые другими фирмами:
Logical Systems: PA552-68
| DIP-40 | PLCC-68 |
| 1 | 16 |
| 2 | 17 |
| 3 | 18 |
| 4 | 19 |
| 5 | 20 |
| 6 | 21 |
| 7 | 22 |
| 8 | 23 |
| 9 | 15 |
| 10 | 24 |
| 11 | 25 |
| 12 | 26 |
| 13 | 27 |
| 14 | 28 |
| 15 | 29 |
| 16 | 30 |
| 17 | 31 |
| 18 | 34 |
| 19 | 35 |
| 20 | 36,37,60,58 |
| 21 | 39 |
| 22 | 40 |
| 23 | 41 |
| 24 | 42 |
| 25 | 43 |
| 26 | 44 |
| 27 | 45 |
| 28 | 46 |
| 29 | 47 |
| 30 | 48 |
| 31 | 49 |
| 32 | 50 |
| 33 | 51 |
| 34 | 52 |
| 35 | 53 |
| 36 | 54 |
| 37 | 55 |
| 38 | 56 |
| 39 | 57 |
| 40 | 2 |
Увеличить |
DIP40/PLCC68 specialized adapter for Philips/NXP microcontrollers with clam shell socket. |
| DIP-40 | PLCC-68 |
| 1 | 16 |
| 2 | 17 |
| 3 | 18 |
| 4 | 19 |
| 5 | 20 |
| 6 | 21 |
| 7 | 22 |
| 8 | 23 |
| 9 | 15 |
| 10 | 24 |
| 11 | 25 |
| 12 | 26 |
| 13 | 27 |
| 14 | 28 |
| 15 | 29 |
| 16 | 30 |
| 17 | 31 |
| 18 | 34 |
| 19 | 35 |
| 20 | 36,37,60,58 |
| 21 | 39 |
| 22 | 40 |
| 23 | 41 |
| 24 | 42 |
| 25 | 43 |
| 26 | 44 |
| 27 | 45 |
| 28 | 46 |
| 29 | 47 |
| 30 | 48 |
| 31 | 49 |
| 32 | 50 |
| 33 | 51 |
| 34 | 52 |
| 35 | 53 |
| 36 | 54 |
| 37 | 55 |
| 38 | 56 |
| 39 | 57 |
| 40 | 2 |
Увеличить |
DIP40/PLCC84 specialized adapter for Altera EPMxxx devices with open top socket. |
| DIP-40 | PLCC-84 | 74HC14 | C1, 0.1мкФ | C2, 0.1мкФ |
| 1 | 2 |   |   |   |
| 2 | 4 |   |   |   |
| 3 | 6 |   |   |   |
| 4 |   |   |   |   |
| 5 | 9 |   |   |   |
| 6 |   | 1 |   |   |
|   | 11 | 4 |   |   |
| 7 | 12 |   |   |   |
| 8 | 14 |   |   |   |
| 9 | 20 |   |   |   |
| 10 | 21 |   |   |   |
| 11 | 23 |   |   |   |
|   | 27 |   |   |   |
| 12 | 30 |   |   |   |
| 13 | 31 |   |   |   |
| 14 | 33 |   |   |   |
| 15 | 34 |   |   |   |
| 16 | 35 |   |   |   |
| 17 | 37 |   |   |   |
| 18 | 39 |   |   |   |
| 19 | 40 |   |   |   |
| 20 | 42,7,19,32,47,59,72,82 | 7 | 1 | 1 |
| 21 | 45 |   |   |   |
| 22 | 46 |   |   |   |
| 23 | 48 |   |   |   |
| 24 | 51 |   |   |   |
| 25 | 52 |   |   |   |
| 26 | 54 |   |   |   |
| 27 | 57 |   |   |   |
|   | 58 |   |   |   |
| 28 | 60 |   |   |   |
| 29 | 62 |   |   |   |
| 30 | 64 |   |   |   |
| 31 | 65 |   |   |   |
| 32 | 66,3,13,26,38,43,53,78 | 14 | 2 |   |
| 33 |   | 5 |   |   |
|   | 70 | 8 |   |   |
| 34 | 71 |   |   |   |
| 35 |   |   |   |   |
| 36 | 73 |   |   |   |
| 37 | 81 |   |   |   |
| 38 |   | 11 |   |   |
|   | 83 | 12 |   |   |
| 39 | 84 |   |   | 2 |
| 40 | 1 |   |   |   |
|   |   | 2.3 |   |   |
|   |   | 6.9 |   |   |
|   |   | 10.13 |   |   |
Все незадействованные выводы PLCC-84 соединить с выводом 20 DIP-40 (GND) через 10 кОм.
Увеличить |
DIP40/PLCC84 specialized adapter for Altera EPMxxx devices with clam shell socket. |
| DIP-40 | PLCC-84 | 74HC14 | C1, 0.1мкФ | C2, 0.1мкФ |
| 1 | 2 |   |   |   |
| 2 | 4 |   |   |   |
| 3 | 6 |   |   |   |
| 4 |   |   |   |   |
| 5 | 9 |   |   |   |
| 6 |   | 1 |   |   |
|   | 11 | 4 |   |   |
| 7 | 12 |   |   |   |
| 8 | 14 |   |   |   |
| 9 | 20 |   |   |   |
| 10 | 21 |   |   |   |
| 11 | 23 |   |   |   |
|   | 27 |   |   |   |
| 12 | 30 |   |   |   |
| 13 | 31 |   |   |   |
| 14 | 33 |   |   |   |
| 15 | 34 |   |   |   |
| 16 | 35 |   |   |   |
| 17 | 37 |   |   |   |
| 18 | 39 |   |   |   |
| 19 | 40 |   |   |   |
| 20 | 42,7,19,32,47,59,72,82 | 7 | 1 | 1 |
| 21 | 45 |   |   |   |
| 22 | 46 |   |   |   |
| 23 | 48 |   |   |   |
| 24 | 51 |   |   |   |
| 25 | 52 |   |   |   |
| 26 | 54 |   |   |   |
| 27 | 57 |   |   |   |
|   | 58 |   |   |   |
| 28 | 60 |   |   |   |
| 29 | 62 |   |   |   |
| 30 | 64 |   |   |   |
| 31 | 65 |   |   |   |
| 32 | 66,3,13,26,38,43,53,78 | 14 | 2 |   |
| 33 |   | 5 |   |   |
|   | 70 | 8 |   |   |
| 34 | 71 |   |   |   |
| 35 |   |   |   |   |
| 36 | 73 |   |   |   |
| 37 | 81 |   |   |   |
| 38 |   | 11 |   |   |
|   | 83 | 12 |   |   |
| 39 | 84 |   |   | 2 |
| 40 | 1 |   |   |   |
|   |   | 2.3 |   |   |
|   |   | 6.9 |   |   |
|   |   | 10.13 |   |   |
Все незадействованные выводы PLCC-84 соединить с выводом 20 DIP-40 (GND) через 10 кОм.
Увеличить |
DIP40/PLCC84 specialized adapter for Altera EPMxxx devices with open top socket. |
| DIP-40 | PLCC-84 | 74AHC14 | C1, 0.1мкФ | C2, 0.1мкФ |
| 1 | 2 |   |   |   |
| 2 | 4 |   |   |   |
| 3 | 56 |   |   |   |
| 4 | 10 |   |   |   |
| 5 | 14 |   |   |   |
| 6,14 |   |   |   |   |
| 7 | 29 |   |   |   |
| 8 | 20 |   |   |   |
| 9 | 35 |   |   |   |
| 10 | 23 |   |   |   |
| 11 | 16 |   |   |   |
| 12 | 17 |   |   |   |
| 13 | 31 |   |   |   |
| 15 | 33 |   |   |   |
| 16 | 36 |   |   |   |
| 17 | 37 |   |   |   |
| 18 | 39 |   |   |   |
| 19 | 41 |   |   |   |
| 20 | 42,7,19,32,47,59,72,82 | 1,3,5,7,9 | 1 | 1 |
| 21 | 44 |   |   |   |
| 22 | 46 |   |   |   |
| 23 | 48 |   |   |   |
| 24 | 49 |   |   |   |
| 25 | 50 |   |   |   |
| 26 | 52 |   |   |   |
| 27 | 62 |   |   |   |
| 28 | 69 |   |   |   |
| 29 | 65 |   |   |   |
| 30 | 73 |   |   |   |
| 31 | 67 |   |   |   |
| 32 | 66,3,13,26,38,43,53,78 | 14 | 2 |   |
| 33 | 68 |   |   |   |
| 34 | 71 |   |   |   |
| 35 | 77 |   |   |   |
| 36 | 79 |   |   |   |
| 37 | 81 |   |   |   |
| 38 |   | 13 |   |   |
|   | 83 | 10 |   |   |
| 39 | 84 |   |   | 2 |
| 40 | 1 |   |   |   |
|   |   | 11,12 |   |   |
Все незадействованные выводы PLCC-84 соединить с выводом 20 DIP-40 (GND) через 10 кОм.
Увеличить |
DIP40/PLCC84 specialized adapter for Altera EPMxxx devices with clam shell socket. |
| DIP-40 | PLCC-84 | 74AHC14 | C1, 0.1мкФ | C2, 0.1мкФ |
| 1 | 2 |   |   |   |
| 2 | 4 |   |   |   |
| 3 | 56 |   |   |   |
| 4 | 10 |   |   |   |
| 5 | 14 |   |   |   |
| 6, 14 |   |   |   |   |
| 7 | 29 |   |   |   |
| 8 | 20 |   |   |   |
| 9 | 35 |   |   |   |
| 10 | 23 |   |   |   |
| 11 | 16 |   |   |   |
| 12 | 17 |   |   |   |
| 13 | 31 |   |   |   |
| 15 | 33 |   |   |   |
| 16 | 36 |   |   |   |
| 17 | 37 |   |   |   |
| 18 | 39 |   |   |   |
| 19 | 41 |   |   |   |
| 20 | 42,7,19,32,47,59,72,82 | 1,3,5,7,9 | 1 | 1 |
| 21 | 44 |   |   |   |
| 22 | 46 |   |   |   |
| 23 | 48 |   |   |   |
| 24 | 49 |   |   |   |
| 25 | 50 |   |   |   |
| 26 | 52 |   |   |   |
| 27 | 62 |   |   |   |
| 28 | 69 |   |   |   |
| 29 | 65 |   |   |   |
| 30 | 73 |   |   |   |
| 31 | 67 |   |   |   |
| 32 | 66,3,13,26,38,43,53,78 | 14 | 2 |   |
| 33 | 68 |   |   |   |
| 34 | 71 |   |   |   |
| 35 | 77 |   |   |   |
| 36 | 79 |   |   |   |
| 37 | 81 |   |   |   |
| 38 |   | 13 |   |   |
|   | 83 | 10 |   |   |
| 39 | 84 |   |   | 2 |
| 40 | 1 |   |   |   |
|   |   | 11.12 |   |   |
Все незадействованные выводы PLCC-84 соединить с выводом 20 DIP-40 (GND) через 10 кОм.
Увеличить |
DIP40/PLCC84 specialized adapter for Intel devices with open top socket. |
| DIP-40 | PLCC-84 | C1, 0.1мкФ |
| 1 | 36 |   |
| 5 | 56 |   |
| 6 | 57 |   |
| 7 | 55 |   |
| 8 | 54 |   |
| 9 | 42 |   |
| 10 | 34 |   |
| 11 | 41 |   |
| 12 | 44 |   |
| 14 | 8 |   |
| 16 | 40 |   |
| 17 | 46 |   |
| 20 | 1,23,37,39,49,61,84 | 1 |
| 21 | 15 |   |
| 22 | 16 |   |
| 23 | 17 |   |
| 24 | 18 |   |
| 25 | 19 |   |
| 26 | 20 |   |
| 27 | 21 |   |
| 28 | 22 |   |
| 29 | 25 |   |
| 30 | 26 |   |
| 31 | 27 |   |
| 32 | 28 |   |
| 33 | 29 |   |
| 34 | 30 |   |
| 35 | 31 |   |
| 36 | 33 |   |
| 38 | 81 |   |
| 40 | 2,24,38,48,60,75 | 2 |
Увеличить |
DIP40/PLCC84 specialized adapter for Intel devices with clam shell socket. |
| DIP-40 | PLCC-84 | C1, 0.1мкФ |
| 1 | 36 |   |
| 5 | 56 |   |
| 6 | 57 |   |
| 7 | 55 |   |
| 8 | 54 |   |
| 9 | 42 |   |
| 10 | 34 |   |
| 11 | 41 |   |
| 12 | 44 |   |
| 14 | 8 |   |
| 16 | 40 |   |
| 17 | 46 |   |
| 20 | 1,23,37,39,49,61,84 | 1 |
| 21 | 15 |   |
| 22 | 16 |   |
| 23 | 17 |   |
| 24 | 18 |   |
| 25 | 19 |   |
| 26 | 20 |   |
| 27 | 21 |   |
| 28 | 22 |   |
| 29 | 25 |   |
| 30 | 26 |   |
| 31 | 27 |   |
| 32 | 28 |   |
| 33 | 29 |   |
| 34 | 30 |   |
| 35 | 31 |   |
| 36 | 33 |   |
| 38 | 81 |   |
| 40 | 2,24,38,48,60,75 | 2 |
Увеличить |
DIP40/PLCC84 specialized adapter for Intel devices with open top socket. |
| DIP-40 | PLCC-84 | C1, 0.1мкФ |
| 1 | 36 |   |
| 5 | 54 |   |
| 6 | 53 |   |
| 7 | 57 |   |
| 8 | 58 |   |
| 9 | 68 |   |
| 10 | 33 |   |
| 11 | 65 |   |
| 12 | 73 |   |
| 14 | 6 |   |
| 16 | 64 |   |
| 17 | 75 |   |
| 20 | 4,34,37,38,43,49,55,83 | 1 |
| 21 | 12 |   |
| 22 | 13 |   |
| 23 | 15 |   |
| 24 | 17 |   |
| 25 | 18 |   |
| 26 | 19 |   |
| 27 | 20 |   |
| 28 | 21 |   |
| 29 | 24 |   |
| 30 | 25 |   |
| 31 | 26 |   |
| 32 | 27 |   |
| 33 | 28 |   |
| 34 | 29 |   |
| 35 | 30 |   |
| 36 | 31 |   |
| 38 | 82 |   |
| 40 | 14,39,56 | 2 |
Увеличить |
DIP40/PLCC84 specialized adapter for Intel devices with clam shell socket. |
| DIP-40 | PLCC-84 | C1, 0.1мкФ |
| 1 | 36 |   |
| 5 | 54 |   |
| 6 | 53 |   |
| 7 | 57 |   |
| 8 | 58 |   |
| 9 | 68 |   |
| 10 | 33 |   |
| 11 | 65 |   |
| 12 | 73 |   |
| 14 | 6 |   |
| 16 | 64 |   |
| 17 | 75 |   |
| 20 | 4,34,37,38,43,49,55,83 | 1 |
| 21 | 12 |   |
| 22 | 13 |   |
| 23 | 15 |   |
| 24 | 17 |   |
| 25 | 18 |   |
| 26 | 19 |   |
| 27 | 20 |   |
| 28 | 21 |   |
| 29 | 24 |   |
| 30 | 25 |   |
| 31 | 26 |   |
| 32 | 27 |   |
| 33 | 28 |   |
| 34 | 29 |   |
| 35 | 30 |   |
| 36 | 31 |   |
| 38 | 82 |   |
| 40 | 14,39,56 | 2 |
Увеличить |
DIP40/PLCC84 specialized adapter for Microchip PIC devices with open top socket. |
| DIP-40 | PLCC-84 |
| 1 | 21 |
| 11 | 24,45,61 |
| 14 | 20 |
| 19 | 56 |
| 20 | 23,44,65,84 |
| 21 | 51 |
| 22 | 50 |
| 28 | 60 |
| 32 | 66 |
| 40 | 2 |
Увеличить |
DIP40/PLCC84 specialized adapter for Microchip PIC devices with clam shell socket. |
| DIP-40 | PLCC-84 |
| 1 | 21 |
| 11 | 24,45,61 |
| 14 | 20 |
| 19 | 56 |
| 20 | 23,44,65,84 |
| 21 | 51 |
| 22 | 50 |
| 28 | 60 |
| 32 | 66 |
| 40 | 2 |
Увеличить |
DIP8/PR35 специализированный адаптер для микросхем фирмы Dallas. |
| DIP-8 | PR-35 |
| 1 |   |
| 2 | 3 |
| 3 | 2 |
| 4 | 1 |
| 5 |   |
| 6 |   |
| 7 |   |
| 8 |   |
Увеличить |
DIP40/QFP100 специализированный адаптер для микросхем фирмы Altera. |
| DIP-40 | TQFP-100 | 74HC14 | C1, 0.1мкФ | C2, 0.1мкФ |
| 1 | 90 |   |   |   |
| 2 | 92 |   |   |   |
| 3 | 94 |   |   |   |
| 4 |   |   |   |   |
| 5 | 98 |   |   |   |
| 6 |   | 1 |   |   |
|   | 100 | 4 |   |   |
| 7 | 1 |   |   |   |
| 8 | 4 |   |   |   |
| 9 | 12 |   |   |   |
| 10 | 13 |   |   |   |
| 11 | 15 |   |   |   |
|   | 19 |   |   |   |
| 12 | 23 |   |   |   |
| 13 | 24 |   |   |   |
| 14 | 27 |   |   |   |
| 15 | 29 |   |   |   |
| 16 | 30 |   |   |   |
| 17 | 32 |   |   |   |
| 18 | 35 |   |   |   |
| 19 | 36 |   |   |   |
| 20 | 38,86,11,26,43,59,74,95 | 7 | 1 | 1 |
| 21 | 41 |   |   |   |
| 22 | 42 |   |   |   |
| 23 | 45 |   |   |   |
| 24 | 48 |   |   |   |
| 25 | 50 |   |   |   |
| 26 | 53 |   |   |   |
| 27 | 56 |   |   |   |
|   | 58 |   |   |   |
| 28 | 60 |   |   |   |
| 29 | 62 |   |   |   |
| 30 | 64 |   |   |   |
| 31 | 65 |   |   |   |
| 32 | 39,91,3,18,34,51,66,82 | 14 | 2 |   |
| 33 |   | 5 |   |   |
|   | 71 | 8 |   |   |
| 34 | 73 |   |   |   |
| 35 |   |   |   |   |
| 36 | 76 |   |   |   |
| 37 | 85 |   |   |   |
| 38 |   | 12 |   |   |
|   | 87 | 11 |   |   |
| 39 | 88 |   |   | 2 |
| 40 | 89 |   |   |   |
|   |   | 2.3 |   |   |
|   |   | 6.9 |   |   |
|   |   | 10.13 |   |   |
Все незадействованные выводы PLCC-84 соединить с выводом 20 DIP-40 (GND) через 10 кОм.
Увеличить |
DIP40/QFP100 специализированный адаптер для микросхем фирмы Altera. |
| DIP-40 | TQFP-100 | C1, 0.1мкФ | C2, 0.1мкФ |
| 11 | 4 |   |   |
| 12 | 15 |   |   |
| 20 | 38,86,11,26,33,43,53,59,65,74,78,95 | 1 | 1 |
| 27 | 62 |   |   |
| 32 | 39,91,3,18,34,51,66,82 | 2 |   |
| 34 | 73 |   |   |
| 39 | 88 |   | 2 |
Увеличить |
DIP40/QFP100 специализированный адаптер для микроконтроллеров семейства AVR фирмы Atmel. |
| DIP-40 | QFP-100 |
| 1 | 19 |
| 2 | 20 |
| 3 | 21 |
| 4 | 22 |
| 5 | 23 |
| 6 | 24 |
| 7 | 25 |
| 8 | 26 |
| 9 | 30 |
| 10 | 43 |
| 11 | 44 |
| 12 | 45 |
| 13 | 46 |
| 14 | 47 |
| 15 | 48 |
| 16 | 49 |
| 17 | 50 |
| 18 | 33 |
| 19 | 34 |
| 20 | 11,32,62,81,99 |
| 21 | 53 |
| 22 | 54 |
| 23 | 55 |
| 24 | 56 |
| 25 | 57 |
| 26 | 58 |
| 27 | 59 |
| 28 | 60 |
| 29 | 4 |
| 30 | 3 |
| 31 | 2 |
| 32 | 71 |
| 33 | 72 |
| 34 | 73 |
| 35 | 74 |
| 36 | 75 |
| 37 | 76 |
| 38 | 77 |
| 39 | 78 |
| 40 | 10,31,61,80,100 |
Увеличить |
DIP40/QFP100 специализированный адаптер для микроконтроллеров фирмы Cypress. Размеры корпуса: 14.0 x 14.0 x 1.0 мм, (корпус с выводами -16.0 x 16.0 мм), 0.5 мм шаг. |
| DIP-40 | QFP-100 | C1, 1uF | C2, 1uF | C3, 1uF | C4..C11, 1uF |
| 11 | 25 |   |   |   |   |
| 3 | 21 |   |   |   |   |
| 5 | 20 |   |   |   |   |
| 7 | 24 |   |   |   |   |
| 9 | 23 |   |   |   |   |
| 1 | 15 |   |   |   |   |
|   | 86 | 1 |   |   |   |
|   | 39 |   | 1 |   |   |
|   | 63 |   |   | 1 |   |
| 40 | 12,26,37,50,65,75,88,100 |   |   |   | 1 |
| 20 | 10,13,14,38,64,66,87 | 2 | 2 | 2 | 2 |
Увеличить |
DIP40/QFP100 специализированный адаптер для микроконтроллеров семейства EFM32 фирмы Energy Micro. Размеры корпуса: 14.0 x 14.0 x 1.0 мм, (корпус с выводами -16.0 x 16.0 мм), 0.5 мм шаг. |
| DIP-40 | QFP-100 | C1,1uF | C2,1uF |
| 7 | 14 |   |   |
| 26 | 77 |   |   |
| 29 | 76 |   |   |
| - | 59 |   | 1 |
| 33 | 57 |   |   |
| 32 | 41,45 |   |   |
| 40 | 8,17,31,44,82 | 1 |   |
| 20 | 16,32,58,83 | 2 | 2 |
Увеличить |
DIP40/QFP100 специализированный адаптер для микросхем фирмы Hitachi. |
| DIP-40 | QFP-100 | C1, 0.1мкФ |
| 2 | 52 |   |
| 3 | 90 |   |
| 4 | 10 |   |
| 8 | 100 |   |
| 9 | 56 |   |
| 10 | 55 |   |
| 12 | 34 |   |
| 13 | 33 |   |
| 14 | 32 |   |
| 15 | 31 |   |
| 16 | 30 |   |
| 17 | 29 |   |
| 18 | 28 |   |
| 19 | 27 |   |
| 20 | 46 |   |
| 21 | 36 |   |
| 22 | 37 |   |
| 23 | 38 |   |
| 24 | 39 |   |
| 25 | 40 |   |
| 26 | 41 |   |
| 27 | 42 |   |
| 28 | 43 |   |
| 29 | 45 |   |
| 31 | 64 |   |
| 32 | 47 |   |
| 33 | 48 |   |
| 34 | 49 |   |
| 35 | 50 |   |
| 36 | 51 |   |
| 37 | 58 |   |
| 38 | 69 |   |
| 39 | 70 |   |
| 5 | 63 |   |
| 6 | 66 |   |
| 7 | 67 |   |
| 1.4 | 62,89,71,76,77,35,68 |   |
| 1.3 | 73,74,75,87,88,14,86,11,22,44 | 1 |
|   | 1 | 2 |
Увеличить |
DIP40/QFP100 специализированный адаптер для микроконтроллеров MC9S12xxx фирмы Motorola/Freescale.Размеры корпуса: 14.0 x 14.0 x 1.0 мм, (корпус с выводами -16.0 x 16.0 мм), 0.5 мм шаг. |
| DIP-48 | QFP-100 |
| 1 | 1 |
| 2 | 5 |
| 3 | 6 |
| 4 | 7 |
| 5 | 8 |
| 6 | 9 |
| 7 | 10 |
| 8 | 11 |
| 14 | 29 |
| 15 | 30 |
| 28 | 60 |
| 29 | 61 |
| 40 | 85 |
| 41 | 86 |
| 42 | 88 |
| 45 | 93 |
| 46 |   |
| 47 |   |
| 48 | 100 |
Увеличить |
DIP42/QFP100 специализированный адаптер для микроконтроллеров MC9S12xxx фирмы Motorola/Freescale.Размеры корпуса: 14.0 x 14.0 x 1.0 мм, (корпус с выводами -16.0 x 16.0 мм), 0.5 мм шаг. |
| DIP-42 | LQFP-100 | C1,0.1uF | C2,0.1uF | C3,0.1uF | C4,0.1uF | C5,0.1uF | C6,0.1uF |
| 1 | 1 |   |   |   |   |   |   |
| 2 | 4 |   |   |   |   |   |   |
| 3 | 7 |   |   |   |   |   |   |
| 4 | 8 |   |   |   |   |   |   |
| 5 | 9 |   |   | 1 |   |   |   |
| 6 | 10 |   | 1 | 2 |   |   |   |
| 7 | 11 |   | 2 |   |   |   |   |
| 8 | 12 |   |   |   |   |   |   |
| 9 | 13 |   |   |   |   |   |   |
| 10 | 15 |   |   |   |   |   |   |
| 11 | 17 | 1 |   |   |   |   |   |
| 12 | 18 | 2 |   |   |   |   |   |
| 13 | 19 |   |   |   |   |   |   |
| 14 | 20 |   |   |   |   |   |   |
| 15 | 24 |   |   |   |   |   |   |
| 16 | 35 |   |   |   |   |   |   |
| 17 | 36 |   |   |   |   |   |   |
| 18 | 37 |   |   |   |   |   |   |
| 19 | 38 |   |   |   |   |   |   |
| 20 | 45 |   |   |   |   |   |   |
| 21 | 50 |   |   |   |   |   |   |
| 22 | 61 |   |   |   |   |   |   |
| 23 | 62 |   |   |   |   |   |   |
| 24 | 63 |   |   |   |   |   |   |
| 25 | 64 |   |   |   |   |   |   |
| 26 | 67 |   |   |   |   |   |   |
| 27 | 68 |   |   |   |   |   |   |
| 28 | 69 |   |   |   |   |   |   |
| 29 | 70 |   |   |   |   |   |   |
| 30 | 71 |   |   |   |   |   |   |
| 31 | 72 |   |   |   |   |   |   |
| 32 | 76 |   |   |   |   |   | 1 |
| 33 | 77 |   |   |   |   |   | 2 |
| 34 | 86 |   |   |   |   |   |   |
| 35 | 87 |   |   |   |   |   |   |
| 36 | 89 |   |   |   |   |   |   |
| 37 | 90 |   |   |   |   |   |   |
| 38 | 91 |   |   |   | 1 |   |   |
| 39 | 92 |   |   |   | 2 |   |   |
| 40 | 93 |   |   |   |   |   |   |
| 41 | 94 |   |   |   |   | 1 |   |
| 42 | 95 |   |   |   |   | 2 |   |
Увеличить |
DIP28/QFP100 специализированный адаптер для микроконтроллеров фирмы TI/Luminary. Размеры корпуса: 14.0 x 14.0 x 1.0 мм, (корпус с выводами -16.0 x 16.0 мм), 0.5 мм шаг. |
| DIP-28 | QFP-100 | C1, 1uF | C2..C6, 1uF |
| 1 | 89 |   |   |
| 28 | 80 |   |   |
| 27 | 79 |   |   |
| 26 | 78 |   |   |
| 25 | 77 |   |   |
| 5 | 64 |   |   |
| 11 | 26 |   |   |
| 12 | 27 |   |   |
| - | 7,14,38,62,88 | 1 |   |
| 7 | 3,8,20,32,44,55,56,68,81,93,98 |   | 1 |
| 8 | 4,9,15,33,39,45,54,57,63,69,82,87,94,97 | 2 | 2 |
Увеличить |
DIP40/QFP100 специализированный адаптер для микроконтроллеров фирмы NXP/Phlips. Размеры корпуса: 14.0 x 14.0 x 1.0 мм, (корпус с выводами -16.0 x 16.0 мм), 0.5 мм шаг. |
| DIP-40 | LQFP-100 |
| 7 | 11 |
| 9 | 15 |
| 20 | 31 |
| 21 | 41 |
| 26 | 55 |
| 27 | 72 |
| 31 | 83 |
| 39 | 97 |
| 17 | 98 |
| 18 | 99 |
| 10 | 17 |
| 25 | 53 |
| 16 | 23 |
| 15 | 22 |
| 4 | 10 |
| 8 | 13 |
| 19 | 28 |
| 22 | 42 |
| 23 | 54 |
| 28 | 71 |
| 32 | 84 |
| 38 | 96 |
Увеличить |
DIP40/QFP100 специализированный адаптер для микроконтроллеров фирмы NXP/Phlips. Размеры корпуса: 14.0 x 14.0 x 1.0 мм, (корпус с выводами -16.0 x 16.0 мм), 0.5 мм шаг. |
| DIP-40 | LQFP-100 |
| 3 | 6 |
| 6 | 13 |
| 19 | 32 |
| 21 | 39 |
| 22 | 40 |
| 33 | 85 |
| 37 | 95 |
| 17 | 7 |
| 18 | 9 |
| 10 | 83 |
| 25 | 26 |
| 16 | 87 |
| 15 | 88 |
| 5 | 11 |
| 13 | 27 |
| 14 | 33 |
| 20 | 96 |
| 23 | 38 |
| 38 | 31 |
| 24 | 37 |
Увеличить |
DIP40/QFP100 специализированный адаптер для микросхем фирмы Altera. |
| DIP-40 | TQFP-100 | C1, 0.1мкФ | C2, 0.1мкФ |
| 11 | 23 |   |   |
| 12 | 22 |   |   |
| 20 | 10,11,32,37,46,60,65,79,90,93 | 1 | 1 |
| 27 | 24 |   |   |
| 32 | 13,39,63,88 | 2 |   |
| 34 | 25 |   |   |
| 39 | 9,31,45,59,80,94 |   | 2 |
Увеличить |
DIP40/QFP100 специализированный адаптер для микроконтроллеров фирмы Fujitsu. Размеры корпуса: 14.0 x 14.0 x 1.0 мм, (корпус с выводами -16.0 x 16.0 мм), 0.5 мм шаг. |
| DIP-48 | LQFP-100 | C1, 0.1uF |
| 1 | 9 |   |
| 2 | 10 |   |
| 3 | 11 |   |
| 4 | 12 |   |
| 5 | 13 |   |
| 6 | 14 |   |
| 7 | 15 |   |
| 8 | 16 |   |
| 9 | 17 |   |
| 10 | 18 |   |
| 11 | 19 |   |
| 12 | 20 |   |
| 13 | 21 |   |
| 14 | 22 |   |
| 15 | 23 |   |
| 16 | 24 |   |
| 17 | 48,25,34,50,75,100,62,54,55,36,98,99 | 2 |
| 18 | 31 |   |
| 19 | 30 |   |
| 20 | 29 |   |
| 21 | 28 |   |
| 22 | 27 |   |
| 23 | 71 |   |
| 24 | 72 |   |
| 25 | 73 |   |
| 26 | 74 |   |
| 27 | 70 |   |
| 28 | 69 |   |
| 29 | 68 |   |
| 30 | 67 |   |
| 31 | 66 |   |
| 32 | 65 |   |
| 33 | 64 |   |
| 34 | 63 |   |
| 35 | 59 |   |
| 36 | 58 |   |
| 37 | 57 |   |
| 38 | 56 |   |
| 39 | 1,26,35,51,76,60,61,97,47,46,53 |   |
| 40 | 39 |   |
| 41 |   |   |
| 42 | 86 |   |
| 43 | 87 |   |
| 44 | 52 |   |
| 45 | 38 |   |
| 46 | 96 |   |
| 47 | 3 |   |
| 48 | 2 |   |
|   | 33 | 1 |
Увеличить |
DIP40/QFP100 специализированный адаптер для микроконтроллеров фирмы TI. Размеры корпуса: 14.0 x 14.0 x 1.0 мм, (корпус с выводами -16.0 x 16.0 мм), 0.5 мм шаг. |
| DIP-40 | QFP-100 |
| 40 | 1,60 |
| 6 | 8 |
| 8 | 9 |
| 28 | 86 |
| 29 | 87 |
| 30 | 90 |
| 32 | 91 |
| 33 | 92 |
| 34 | 93 |
| 35 | 94 |
| 31 | 98 |
| 20 | 10,11,61,99 |
| 36 | 100 |
Увеличить |
DIP40/QFP100 специализированный адаптер для микроконтроллеров фирмы NEC. Размеры корпуса: 14.0 x 14.0 x 1.0 мм, (корпус с выводами -16.0 x 16.0 мм), 0.5 мм шаг. |
| DIP-40 | LQFP-100 |
| 1 | 8 |
| 2 | 16 |
| 3 | 11 |
| 4 | 14 |
| 5 | 22 |
| 6 | 23 |
| 7 | 24 |
| 8 | 25 |
| 9 | 26 |
| 10 | 61 |
| 11 | 76 |
| 12 | 9 |
| 13 | 20 |
| 14 | 13 |
| 15 | 6 |
| 16 | 21 |
| 17 | 74 |
| 18 | 43 |
| 19 | 53 |
| 20 | 75 |
| 21 | 3 |
| 22 | 70 |
| 23 | 1 |
| 24 | 4 |
| 25 | 2 |
| 26 | 5 |
| 27 | 12 |
| 28 | 73 |
| 29 | 10 |
| 30 | 17 |
| 31 | 18 |
| 32 | 19 |
| 33 | 33 |
| 34 | 34 |
| 35 | 77 |
| 36 | 78 |
| 37 | 69 |
Увеличить |
DIP40/QFP100 специализированный адаптер для микроконтроллеров фирмы Cypress. Размеры корпуса: 14.0 x 14.0 x 1.0 мм, (корпус с выводами -16.0 x 16.0 мм), 0.5 мм шаг. |
| DIP-40 | TQFP-100 |
| 14 | 15 |
| 15 | 35 |
| 18 | 32 |
| 11 | 30 |
| 27 | 34 |
| 13 | 48 |
| 17 | 62 |
| 23 | 65 |
| 12 | 79 |
| 16 | 81 |
| 24 | 82 |
| 25 | 83 |
| 26 | 84 |
| 40 | 85 |
Увеличить |
DIP40/QFP100 специализированный адаптер для микроконтроллеров фирмы Sensory. Размеры корпуса: 14.0 x 14.0 x 1.0 мм, (корпус с выводами -16.0 x 16.0 мм), 0.5 мм шаг. |
| DIP-40 | QFP-100 | U1, 74AHC14 | C1, 0.1мкФ | C2, 2200пФ | R1, 470R |
| 9 | 51 |   |   |   |   |
| 17 |   | 1 |   |   |   |
|   | 9 | 4 |   |   |   |
| 19 | 8 |   |   |   |   |
| 20 | 6,18,26,58,68,74 | 5,7,9,11,13 | 1 | 1 |   |
| 27 | 10 |   |   |   |   |
| 28 |   |   |   |   | 1 |
|   | 11 |   |   |   | 2 |
| 30 | 12 |   |   |   |   |
| 31 | 75 |   |   | 2 |   |
| 32 | 53 |   |   |   |   |
| 33 | 54 |   |   |   |   |
| 34 | 55 |   |   |   |   |
| 35 | 56 |   |   |   |   |
| 36 | 59 |   |   |   |   |
| 37 | 60 |   |   |   |   |
| 38 | 61 |   |   |   |   |
| 39 | 62 |   |   |   |   |
| 40 | 5,13,57,67,73,19 | 14 | 2 |   |   |
|   |   | 2, 3 |   |   |   |
Увеличить |
DIP40/QFP100 специализированный адаптер для микроконтроллеров фирмы Atmel. Размеры корпуса: 14.0 x 14.0 x 1.0 мм, (корпус с выводами -16.0 x 16.0 мм), 0.5 мм шаг. |
| DIP-40 | QFP-100 | C1. 10 uF | C2..C4, 0.1 uF | |
| 1 | 37 |   |   | PGMD0 |
| 2 | 38 |   |   | PGMD1 |
| 3 | 39 |   |   | PGMD2 |
| 4 | 40 |   |   | PGMD3 |
| 5 | 41 |   |   | PGMD4 |
| 6 | 10 |   |   | PGMD5 |
| 7 | 11 |   |   | PGMD6 |
| 8 | 12 |   |   | PGMD7 |
| 9 |   |   |   |   |
| 10 | 9,34,52,59,73,83,87 | 1 |   | VddCORE, VddPLL |
| 11 |   |   |   |   |
| 12 | 13 |   |   | PGMD8 |
| 13 | 14 |   |   | PGMD9 |
| 14 | 17 |   |   | PGMD10 |
| 15 | 18 |   |   | PGMD11 |
| 16 | 19 |   |   | PGMD12 |
| 17 | 20 |   |   | PGMD13 |
| 18 | 5 |   |   | PGMD14 |
| 19 | 21 |   |   | PGMD15 |
| 20 | 3,35,46,61,72,82,89 | 2 | 1 | GND |
| 21 | 29 |   |   | PGMNVALID |
| 22 | 30 |   |   | PGMM0 |
| 23 | 31 |   |   | PGMM1 |
| 24 | 32 |   |   | PGMM2 |
| 25 | 33 |   |   | PGMM3 |
| 26 |   |   |   |   |
| 27 | 26 |   |   | PGMNCMD |
| 28 | 27 |   |   | PGMRDY |
| 29 | 28 |   |   | PGMNOE |
| 30 |   |   |   |   |
| 31 | 43 |   |   | ERASE |
| 32 |   |   |   |   |
| 33 |   |   |   |   |
| 34 | 1,22,36,42,44,45,53,60,79,88 |   | 2 | VddIO, VddFLASH |
| 35 | 51 |   |   | TDI |
| 36 | 54 |   |   | TDO |
| 37 | 55 |   |   | TMS |
| 38 | 75 |   |   | XIN |
| 39 | 56 |   |   | TCK |
| 40 | 47 |   |   | NRSTB |
Увеличить |
DIP40/QFP100 специализированный адаптер для микроконтроллеров фирмы Atmel. Размеры корпуса: 14.0 x 14.0 x 1.0 мм, (корпус с выводами -16.0 x 16.0 мм), 0.5 мм шаг. |
| DIP-40 | QFP-100 | |
| 1 | 20 | PGMD0 |
| 2 | 21 | PGMD1 |
| 3 | 22 | PGMD2 |
| 4 | 23 | PGMD3 |
| 5 | 24 | PGMD4 |
| 6 | 25 | PGMD5 |
| 7 | 26 | PGMD6 |
| 8 | 46 | PGMD7 |
| 9 |   |   |
| 10 | 15,37,62,87,100 | VddCORE, VddPLL |
| 11 |   |   |
| 12 | 47 | PGMD8 |
| 13 | 49 | PGMD9 |
| 14 | 50 | PGMD10 |
| 15 | 55 | PGMD11 |
| 16 | 56 | PGMD12 |
| 17 | 59 | PGMD13 |
| 18 | 60 | PGMD14 |
| 19 | 73 | PGMD15 |
| 20 | 2,16,32,52,68,83,96 | GND |
| 21 | 91 | PGMNVALID |
| 22 | 13 | PGMM0 |
| 23 | 14 | PGMM1 |
| 24 | 18 | PGMM2 |
| 25 | 19 | PGMM3 |
| 26 |   |   |
| 27 | 88 | PGMNCMD |
| 28 | 89 | PGMRDY |
| 29 | 90 | PGMNOE |
| 30 |   |   |
| 31 | 92 | ERASE |
| 32 |   |   |
| 33 |   |   |
| 34 | 17,33,48,58,61,81,82,84,95 | VddIO, VddFLASH |
| 35 |   |   |
| 36 |   |   |
| 37 |   |   |
| 38 | 97 | XIN |
| 39 |   |   |
| 40 |   |   |
Увеличить |
DIP40/QFP100 specialized adapter for Silabs/Cygnal microcontrollers. |
| DIP-40 | QFP-100 |
| 1 | 11 |
| 2 | 10 |
| 3 | 13 |
| 4 | 14 |
| 6 | 16 |
| 7 | 17 |
| 8 | 20 |
| 11 | 26 |
| 12 | 27 |
| 13 | 28 |
| 14 | 100 |
| 16 | 23 |
| 17 | 24 |
| 18 | 37 |
| 19 | 38 |
| 22 | 98 |
| 23 | 99 |
| 26 | 7 |
| 27 | 63 |
| 28 | 64 |
| 29 | 96 |
| 30 | 97 |
| 33 | 89 |
| 34 | 90 |
| 35 | 1 |
| 36 | 2 |
| 37 | 3 |
| 38 | 4 |
| 39 | 5 |
Увеличить |
DIP28/QFP100 specialized adapter for STMicroelectronics devices. |
| DIP-28 | PQFP-100 | C1, 0.1мкФ | C2, 0.1мкФ |
| 1 | 40 | 1 |   |
| 2 |   |   |   |
| 3 | 29 |   |   |
| 4 | 28 |   |   |
| 5 |   |   |   |
| 6 |   |   |   |
| 7 |   |   |   |
| 8 |   |   |   |
| 9 |   |   |   |
| 10 | 27 |   | 1 |
| 11 | 30 |   |   |
| 12 | 31 |   |   |
| 13 | 32 |   |   |
| 14 | 33 |   |   |
| 15 |   |   |   |
| 16 |   |   |   |
| 17 |   |   |   |
| 18 |   |   |   |
| 19 |   |   |   |
| 20 |   |   |   |
| 21 |   |   |   |
| 22 |   |   |   |
| 23 |   |   |   |
| 24 |   |   |   |
| 25 |   |   |   |
| 26 |   |   |   |
| 27 |   |   |   |
| 28 | 41 | 2 | 2 |
Увеличить |
DIP40/QFP100 специализированный адаптер для микроконтроллеров семейства STM32 фирмы STMicro. Размеры корпуса: 14.0 x 14.0 x 1.0 мм, (корпус с выводами -16.0 x 16.0 мм), 0.5 мм шаг. |
| DIP-40 | QFP-100 | C1..C6, 0.1 uF |
| 5 | 12 |   |
| 6 | 13 |   |
| 7 | 14 |   |
| 19 | 37 |   |
| 36 | 94 |   |
| 22 | 69 |   |
| 23 | 70 |   |
| 26 | 72 |   |
| 29 | 76 |   |
| 30 | 77 |   |
| 31 | 89 |   |
| 32 | 90 |   |
| 40 | 6,11,22,28,50,75,100 | 1 |
| 20 | 10,19,27,49,74,99 | 2 |
Увеличить |
DIP40/QFP100 специализированный адаптер для микроконтроллеров фирмы Nuvoton/Winbond. Размеры корпуса: 14.0 x 20.0 x 2.75 мм, (корпус с выводами -117.4 x 23.4 мм), 0.65 мм шаг. |
| DIP-40 | QFP-100 |
| 1 | 63 |
| 2 | 64 |
| 3 | 65 |
| 4 | 66 |
| 5 | 67 |
| 6 | 68 |
| 7 | 69 |
| 8 | 70 |
| 9 | 94 |
| 10 | 73 |
| 11 | 74 |
| 12 | 75 |
| 13 | 76 |
| 14 | 77 |
| 15 | 78 |
| 16 | 79 |
| 17 | 80 |
| 18 | 92 |
| 19 | 93 |
| 20 | 2,10,61,71,91 |
| 21 | 3 |
| 22 | 4 |
| 23 | 5 |
| 24 | 6 |
| 25 | 7 |
| 26 | 8 |
| 27 | 11 |
| 28 | 12 |
| 29 | 96 |
| 30 | 97 |
| 31 | 95 |
| 32 | 20 |
| 33 | 19 |
| 34 | 18 |
| 35 | 17 |
| 36 | 16 |
| 37 | 15 |
| 38 | 14 |
| 39 | 13 |
| 40 | 1,9,62,72,90 |
Увеличить |
DIP40/QFP100 specialized adapter for Xilinx devices. |
| DIP-40 | TQFP-100 | C1, 0.1мкФ | C2, 0.1мкФ |
| 1 | 13 |   |   |
| 2 | 17 |   |   |
| 3 | 18 |   |   |
| 4 | 15 |   |   |
| 5 | 16 |   |   |
| 6 | 28 |   |   |
| 7 | 29 |   |   |
| 8 | 30 |   |   |
| 9 | 32 |   |   |
| 10 | 33 |   |   |
| 11 | 35 |   |   |
| 12 | 36 |   |   |
| 13 | 37 |   |   |
| 14 | 55 |   |   |
| 15 | 49 |   |   |
| 16 | 50 |   |   |
| 17 | 52 |   |   |
| 18 | 56 |   |   |
| 19 | 58 |   |   |
| 20 | 62 | 1 | 1 |
| 21 | 60 |   |   |
| 22 | 61 |   |   |
| 23 | 63 |   |   |
| 24 | 45 |   |   |
| 25 | 47 |   |   |
| 26 | 48 |   |   |
| 27 | 83 |   |   |
| 28 | 88 |   | 2 |
| 29 | 89 |   |   |
| 30 | 90 |   |   |
| 31 | 91 |   |   |
| 32 | 5 | 2 |   |
| 33 | 93 |   |   |
| 34 | 94 |   |   |
| 35 | 95 |   |   |
| 36 | 96 |   |   |
| 37 | 97 |   |   |
| 38 | 8 |   |   |
| 39 | 10 |   |   |
| 40 | 11 |   |   |
Увеличить |
DIP40/QFP100 специализированный адаптер для микроконтроллеров фирмы Atmel. Размеры корпуса: 14.0 x 14.0 x 1.0 мм, (корпус с выводами -16.0 x 16.0 мм), 0.5 мм шаг. |
| DIP-40 | QFP-100 |
| 11 | 3 |
| 12 | 4 |
| 7 | 13 |
| 8 | 14 |
| 20 | 23 |
| 19 | 24 |
| 21 | 33 |
| 23 | 34 |
| 27 | 43 |
| 26 | 44 |
| 28 | 53 |
| 30 | 54 |
| 33 | 63 |
| 34 | 64 |
| 35 | 73 |
| 36 | 74 |
| 37 | 83 |
| 38 | 84 |
| 31 | 89 |
| 32 | 90 |
| 14 | 93 |
| 40 | 94 |
Увеличить |
DIP40/QFP100 специализированный адаптер для микроконтроллеров PIC фирмы Microchip. Размеры корпуса: 14.0 x 14.0 x 1.0 мм, (корпус с выводами -16.0 x 16.0 мм), 0.5 мм шаг. |
| DIP-40 | QFP-100 | C1, 2.2 мкФ | C2, 2.2 мкФ |
| 40 | 17,37,46,59,62,76,81,86,30 |   |   |
| 14 | 13 |   |   |
| 19 | 63 |   |   |
| 20 | 15,36,40,45,60,65,72,79,82,31 | 1 | 1 |
| 31 | 85 | 2 |   |
| 3 | 24 |   |   |
| 4 | 25 |   |   |
| 8 | 26 |   |   |
| 9 | 27 |   |   |
| 11 | 75 |   |   |
| 6 | 29 |   |   |
| 28 | 57 |   |   |
| 32 | 67 |   |   |
| 5 | 73 |   |   |
| 36 | 74 |   |   |
| 1 | 16 |   | 2 |
Увеличить |
DIP40/QFP100 специализированный адаптер для микроконтроллеров PIC фирмы Microchip. Размеры корпуса: 12.0 x 12.0 x 1.4 мм, (корпус с выводами -14.0 x 14.0 мм), 0.4 мм шаг. |
| DIP-40 | QFP-100 | C1, 2.2 мкФ | C2, 2.2 мкФ |
| 40 | 17,37,46,59,62,76,81,86,30 |   |   |
| 14 | 13 |   |   |
| 19 | 63 |   |   |
| 20 | 15,36,40,45,60,65,72,79,82,31 | 1 | 1 |
| 31 | 85 | 2 |   |
| 3 | 24 |   |   |
| 4 | 25 |   |   |
| 8 | 26 |   |   |
| 9 | 27 |   |   |
| 11 | 75 |   |   |
| 6 | 29 |   |   |
| 28 | 57 |   |   |
| 32 | 67 |   |   |
| 5 | 73 |   |   |
| 36 | 74 |   |   |
| 1 | 16 |   | 2 |
Увеличить |
DIP40/QFP100 специализированный адаптер для микроконтроллеров фирмы Renesas (Mitsubishi). Размеры корпуса: 14.0 x 14.0 x 1.4 мм, (корпус с выводами -16.0 x 16.0 мм), 0.5 мм шаг. |
DIP40/QFP100 specialized adapter for Mitsubishi devices.
| DIP-40 | QFP-100 | 74AHC573 | C1, 150пФ | C2, 0.1мкФ |
| 1 | 63 | 4 |   |   |
| 2 | 66 | 3 |   |   |
| 3 | 69 | 2 |   |   |
| 4 | 70 |   |   |   |
| 5 | 67 | 5 |   |   |
| 6 | 64 | 6 |   |   |
| 7 | 68 | 7 |   |   |
| 8 | 65 | 8 |   |   |
| 9 | 84 |   |   |   |
| 10 | 81 |   |   |   |
| 11 | 86 |   |   |   |
| 12 | 83 |   |   |   |
| 13 | 80 |   |   |   |
| 14 | 79 |   |   |   |
| 15 | 82 |   |   |   |
| 16 | 85 |   |   |   |
| 17 | 6 |   |   |   |
| 18 | 10 |   |   |   |
| 19 |   | 11 | 1 |   |
| 20 | 94,96,12,16, 17,18,39,62 | 1,10 | 2 | 1 |
| 21 | 13 |   |   |   |
| 22 | 15 |   |   |   |
| 23 | 28 |   |   |   |
| 24 | 41 |   |   |   |
| 25 | 44 |   |   |   |
| 26 | 42 |   |   |   |
| 27 | 43 |   |   |   |
| 28 | 40 |   |   |   |
| 29 | 50 |   |   |   |
| 30 | 78 |   |   |   |
| 31 | 75 |   |   |   |
| 32 | 72 |   |   |   |
| 33 | 61 | 9 |   |   |
| 34 | 77 |   |   |   |
| 35 |   |   |   |   |
| 36 | 74 |   |   |   |
| 37 | 51 |   |   |   |
| 38 | 73 |   |   |   |
| 39 | 76 |   |   |   |
| 40 | 87,88,89,90, 91,92,93,95, 97, 98,99,100, 1,2,3,4, 5,7,8,9, 14,19,20,21, 22,23,24,25, 26,27, 29,30, 31,32,33,34, 35,36,37, 38, 45,46,47,48, 49,60,71 | 20 |   | 2 |
|   | 52 | 12 |   |   |
|   | 53 | 17 |   |   |
|   | 54 | 15 |   |   |
|   | 55 | 13 |   |   |
|   | 56 | 18 |   |   |
|   | 57 | 16 |   |   |
|   | 58 | 14 |   |   |
|   | 59 | 19 |   |   |
Увеличить |
DIP40/QFP100 специализированный адаптер для микроконтроллеров фирмы Renesas (Mitsubishi). Размеры корпуса: 14.0 x 20.0 x 2.8 мм, (корпус с выводами -16.8 x 22.8 мм), 0.65 мм шаг. |
DIP40/QFP100 specialized adapter for Mitsubishi devices.
| DIP-40 | QFP-100 | 74AHC573 | C1, 150пФ | C2, 0.1мкФ |
| 1 | 65 | 4 |   |   |
| 2 | 68 | 3 |   |   |
| 3 | 71 | 2 |   |   |
| 4 | 72 |   |   |   |
| 5 | 69 | 5 |   |   |
| 6 | 66 | 6 |   |   |
| 7 | 70 | 7 |   |   |
| 8 | 67 | 8 |   |   |
| 9 | 86 |   |   |   |
| 10 | 83 |   |   |   |
| 11 | 88 |   |   |   |
| 12 | 85 |   |   |   |
| 13 | 82 |   |   |   |
| 14 | 81 |   |   |   |
| 15 | 84 |   |   |   |
| 16 | 87 |   |   |   |
| 17 | 8 |   |   |   |
| 18 | 12 |   |   |   |
| 19 |   | 11 | 1 |   |
| 20 | 96,98,14,18, 19,20,41,64 | 1,10 | 2 | 1 |
| 21 | 15 |   |   |   |
| 22 | 17 |   |   |   |
| 23 | 30 |   |   |   |
| 24 | 43 |   |   |   |
| 25 | 46 |   |   |   |
| 26 | 44 |   |   |   |
| 27 | 45 |   |   |   |
| 28 | 42 |   |   |   |
| 29 | 52 |   |   |   |
| 30 | 80 |   |   |   |
| 31 | 77 |   |   |   |
| 32 | 74 |   |   |   |
| 33 | 63 | 9 |   |   |
| 34 | 79 |   |   |   |
| 35 |   |   |   |   |
| 36 | 76 |   |   |   |
| 37 | 53 |   |   |   |
| 38 | 75 |   |   |   |
| 39 | 78 |   |   |   |
| 40 | 89,90,91,92,93,94, 95,97,99,10,1,2,3,4,5,6, 7,9,10,11,16,21,22,23,24,25, 26,27,28,29,31,32,33,34, 35,36,37,38,39,40,47, 48,49,50,51,62,73 | 20 |   | 2 |
|   | 54 | 12 |   |   |
|   | 55 | 17 |   |   |
|   | 56 | 15 |   |   |
|   | 57 | 13 |   |   |
|   | 58 | 18 |   |   |
|   | 59 | 16 |   |   |
|   | 60 | 14 |   |   |
|   | 61 | 19 |   |   |
Увеличить |
DIP40/QFP112 специализированный адаптер для микроконтроллеров фирмы Motorola/Freescale MC9S12xxx . Размеры корпуса: 20.0 x 20.0 x 1.6 мм, (корпус с выводами -22.0 x 22.0 мм), 0.65 мм шаг. |
| DIP-48 | LQFP-112 | C1 | C2 | C3 | C4 | C5 |
| 1 | 5 |   |   |   |   |   |
| 2 | 6 |   |   |   |   |   |
| 3 | 13 | 1 |   |   |   |   |
| 4 | 14 | 2 |   |   |   |   |
| 5 | 15 |   |   |   |   |   |
| 6 | 16 |   |   |   |   |   |
| 7 | 17 |   |   |   |   |   |
| 8 | 23 |   |   |   |   |   |
| 9 | 25 |   |   |   |   |   |
| 10 | 26 |   |   |   |   |   |
| 11 | 29 |   |   |   |   |   |
| 12 | 35 |   |   |   |   |   |
| 13 | 36 |   |   |   |   |   |
| 14 | 37 |   |   |   |   |   |
| 15 | 38 |   |   |   |   |   |
| 16 | 39 |   |   |   |   |   |
| 17 | 40 |   |   |   |   |   |
| 18 | 41 |   |   |   |   |   |
| 19 | 42 |   |   |   |   |   |
| 20 | 43 |   |   |   |   |   |
| 21 | 44 |   |   |   |   |   |
| 22 | 45 |   |   |   |   |   |
| 23 | 46 |   |   |   |   |   |
| 24 | 47 |   |   |   |   |   |
| 25 | 48 |   |   |   |   |   |
| 26 | 50 |   |   |   |   |   |
| 27 | 57 |   |   |   |   |   |
| 28 | 60 |   |   |   |   |   |
| 29 | 63 |   |   |   |   |   |
| 30 | 64 |   |   |   |   |   |
| 31 | 65 |   | 1 |   |   |   |
| 32 | 66 |   | 2 |   |   |   |
| 33 | 69 |   |   | 1 |   |   |
| 34 | 70 |   |   | 2 |   |   |
| 35 | 72 |   |   |   | 1 |   |
| 36 | 73 |   |   |   | 2 |   |
| 37 | 82 |   |   |   |   |   |
| 38 | 83 |   |   |   |   |   |
| 39 | 86 |   |   |   |   |   |
| 40 | 93 |   |   |   |   |   |
| 41 | 96 |   |   |   |   |   |
| 42 | 97 |   |   |   |   |   |
| 43 | 101 |   |   |   |   | 1 |
| 44 | 102 |   |   |   |   | 2 |
| 45 | 103 |   |   |   |   |   |
| 46 |   |   |   |   |   |   |
| 47 |   |   |   |   |   |   |
| 48 | 107 |   |   |   |   |   |
C1..C5 - 0.1 мкФ
Увеличить |
DIP40/QFP144 специализированный адаптер для микроконтроллеров фирмы Altera. Размеры корпуса: 20.0 x 20.0 x 1.4 мм, (корпус с выводами -22.0 x 22.0 мм), 0.5 мм шаг. |
| DIP-40 | TQFP-144 | C1, 0.1мкФ | C2, 0.1мкФ |
| 11 | 4 |   |   |
| 12 | 20 |   |   |
| 20 | 52,57,124,129,3,13,17,26,33,59,64,77,85,94,105,114,135 | 1 | 1 |
| 27 | 89 |   |   |
| 32 | 51,58,123,130,24,50,73,76,95,115,144 | 2 |   |
| 34 | 104 |   |   |
| 39 | 126 |   | 2 |
Увеличить |
DIP40/QFP144 специализированный адаптер для микроконтроллеров фирмы Motorola/Freescale MC9S12xxx . Размеры корпуса: 20.0 x 20.0 x 1.4 мм, (корпус с выводами -22.0 x 22.0 мм), 0.5 мм шаг. |
| DIP-48 | LQFP-144 | C1, 0.1 мкФ | C2, 0.1 мкФ | C3, 0.1 мкФ | |
| 1 | 5 |   |   |   |   |
| 2 | 6 |   |   |   |   |
| 3 | 9 |   |   |   |   |
| 4 | 10 |   |   |   |   |
| 5 | 15 | 1 |   |   |   |
| 6 | 16 | 2 |   |   | GND |
| 7 | 19 |   |   |   |   |
| 8 | 20 |   |   |   |   |
| 9 | 25 |   |   |   | BKGD |
| 10 | 26 |   |   |   | VDD |
| 11 | 27 |   |   |   | GND |
| 12 | 29 |   |   |   |   |
| 13 | 30 |   |   |   |   |
| 14 | 33 |   |   |   |   |
| 15 | 34 |   |   |   |   |
| 16 | 49 |   |   |   |   |
| 17 | 50 |   |   |   |   |
| 18 | 51 |   |   |   |   |
| 19 | 52 |   |   |   | GND |
| 20 | 53 |   |   |   | VDD |
| 21 | 54 |   |   |   | RESET |
| 22 | 55 |   |   |   |   |
| 23 | 56 |   |   |   |   |
| 24 | 57 |   |   |   | GND |
| 25 | 58 |   |   |   | EXTAL |
| 26 | 60 |   |   |   |   |
| 27 | 67 |   |   |   |   |
| 28 | 73 |   |   |   |   |
| 29 | 76 |   |   |   |   |
| 30 | 79 |   |   |   |   |
| 31 | 81 |   |   |   | GND |
| 32 | 82 |   |   |   | VDD |
| 33 | 87 |   | 1 |   |   |
| 34 | 88 |   | 2 |   | GND |
| 35 | 96 |   |   | 1 |   |
| 36 | 97 |   |   | 2 |   |
| 37 | 107 |   |   |   |   |
| 38 | 110 |   |   |   | GND |
| 39 | 127 |   |   |   | VDD |
| 40 | 131 |   |   |   |   |
| 41 | 132 |   |   |   |   |
| 42 | 133 |   |   |   |   |
| 43 | 138 |   |   |   | GND |
| 44 | 139 |   |   |   | VDD |
| 45 | 48 |   |   |   |   |
| 46 |   |   |   |   |   |
| 47 |   |   |   |   |   |
Увеличить |
DIP40/QFP144 специализированный адаптер для микроконтроллеров фирмы NXP/Philips . Размеры корпуса: 20.0 x 20.0 x 1.4 мм, (корпус с выводами -22.0 x 22.0 мм), 0.5 мм шаг. |
| DIP-40 | LQFP-144 |
| 2 | 2 |
| 1 | 3 |
| 3 | 9 |
| 5 | 14 |
| 9 | 26 |
| 11 | 31 |
| 12 | 37 |
| 14 | 38 |
| 13 | 39 |
| 17 | 42 |
| 18 | 49 |
| 19 | 51 |
| 20 | 54 |
| 21 | 57 |
| 22 | 67 |
| 23 | 77 |
| 24 | 79 |
| 25 | 92 |
| 26 | 93 |
| 27 | 94 |
| 28 | 103 |
| 29 | 104 |
| 30 | 107 |
| 31 | 110 |
| 32 | 111 |
| 33 | 112 |
| 34 | 119 |
| 35 | 128 |
| 10 | 135 |
| 37 | 138 |
| 38 | 139 |
| 16 | 141 |
| 15 | 142 |
| 40 | 143 |
Увеличить |
DIP40/QFP144 специализированный адаптер для микроконтроллеров фирмы NXP/Philips . Размеры корпуса: 20.0 x 20.0 x 1.4 мм, (корпус с выводами -22.0 x 22.0 мм), 0.5 мм шаг. |
| DIP-40 | LQFP-144 |
| 2 | 6 |
| 4 | 14 |
| 5 | 15 |
| 6 | 18 |
| 7 | 22 |
| 10 | 24 |
| 11 | 26 |
| 15 | 31 |
| 16 | 33 |
| 19 | 41 |
| 20 | 44 |
| 21 | 59 |
| 22 | 60 |
| 23 | 62 |
| 24 | 65 |
| 25 | 76 |
| 26 | 77 |
| 27 | 79 |
| 28 | 102 |
| 29 | 103 |
| 30 | 114 |
| 31 | 117 |
| 32 | 119 |
| 33 | 121 |
| 37 | 138 |
| 38 | 139 |
| 17 | 141 |
| 18 | 142 |
Увеличить |
DIP40/QFP144 специализированный адаптер для микроконтроллеров фирмы Altera. Размеры корпуса: 20.0 x 20.0 x 1.4 мм, (корпус с выводами -22.0 x 22.0 мм), 0.5 мм шаг. |
| DIP-40 | TQFP-144 | C1, 0.1мкФ | C2, 0.1мкФ |
| 11 | 34 |   |   |
| 12 | 33 |   |   |
| 20 | 10,17,26,47,54,65,83,92,99,115,128,135 | 1 | 1 |
| 27 | 35 |   |   |
| 32 | 19,56,90,126 | 2 |   |
| 34 | 36 |   |   |
| 39 | 9,25,46,64,82,100,116,136 |   | 2 |
Увеличить |
DIP40/QFP144 специализированный адаптер для микроконтроллеров фирмы NEC. Размеры корпуса: 20.0 x 20.0 x 1.4 мм, (корпус с выводами -22.0 x 22.0 мм), 0.5 мм шаг. |
| DIP-40 | LQFP-144 |
| 1 | 8 |
| 2 | 9 |
| 3 | 11 |
| 4 | 14 |
| 5 | 22 |
| 6 | 23 |
| 7 | 24 |
| 8 | 25 |
| 9 | 26 |
| 10 | 85 |
| 11 | 110 |
| 12 | 12 |
| 13 | 1 |
| 14 | 2 |
| 15 | 10 |
| 16 | 13 |
| 17 | 21 |
| 18 | 28 |
| 19 | 29 |
| 20 | 30 |
| 21 | 31 |
| 22 | 32 |
| 23 | 33 |
| 24 | 34 |
| 25 | 35 |
| 26 | 63 |
| 27 | 64 |
| 28 | 107 |
| 29 | 108 |
| 30 | 104 |
| 31 | 103 |
| 32 | 5 |
Увеличить |
DIP40/QFP144 специализированный адаптер для микроконтроллеров фирмы Atmel. Размеры корпуса: 20.0 x 20.0 x 1.4 мм, (корпус с выводами -22.0 x 22.0 мм), 0.5 мм шаг. |
| DIP-40 | QFP-144 | C1, 10 uF | C2..C4, 0.1 uF | |
| 1 | 128 |   |   | PGMD0 |
| 2 | 130 |   |   | PGMD1 |
| 3 | 132 |   |   | PGMD2 |
| 4 | 133 |   |   | PGMD3 |
| 5 | 134 |   |   | PGMD4 |
| 6 | 87 |   |   | PGMD5 |
| 7 | 88 |   |   | PGMD6 |
| 8 | 91 |   |   | PGMD7 |
| 9 |   |   |   |   |
| 10 | 2,16,27,34,44,50,86,125 | 1 |   | VddCORE, VddPLL |
| 11 |   |   |   |   |
| 12 | 93 |   |   | PGMD8 |
| 13 | 95 |   |   | PGMD9 |
| 14 | 99 |   |   | PGMD10 |
| 15 | 100 |   |   | PGMD11 |
| 16 | 101 |   |   | PGMD12 |
| 17 | 102 |   |   | PGMD13 |
| 18 | 77 |   |   | PGMD14 |
| 19 | 103 |   |   | PGMD15 |
| 20 | 18,33,43,52,60,75,90,126,140 | 2 | 1 | GND |
| 21 | 115 |   |   | PGMNVALID |
| 22 | 117 |   |   | PGMM0 |
| 23 | 119 |   |   | PGMM1 |
| 24 | 121 |   |   | PGMM2 |
| 25 | 123 |   |   | PGMM3 |
| 26 |   |   |   |   |
| 27 | 109 |   |   | PGMNCMD |
| 28 | 111 |   |   | PGMRDY |
| 29 | 113 |   |   | PGMNOE |
| 30 |   |   |   |   |
| 31 | 137 |   |   | ERASE |
| 32 |   |   |   |   |
| 33 |   |   |   |   |
| 34 | 3,17,40,51,73,85,104,127,135,138,139 |   | 2 | VddIO, VddFLASH |
| 35 | 1 |   |   | TDI |
| 36 | 4 |   |   | TDO |
| 37 | 7 |   |   | TMS |
| 38 | 36 |   |   | XIN |
| 39 | 9 |   |   | TCK |
| 40 | 141 |   |   | NRSTB |
Увеличить |
DIP40/QFP144 специализированный адаптер для микроконтроллеров семейства STM32 фирмы STMicro. Размеры корпуса: 20.0 x 20.0 x 1.4 мм, (корпус с выводами -22.0 x 22.0 мм), 0.5 мм шаг. |
| DIP-40 | QFP-48 | C1, 0.1 uF |
| 5 | 23 |   |
| 6 | 24 |   |
| 7 | 25 |   |
| 19 | 48 |   |
| 36 | 138 |   |
| 22 | 101 |   |
| 23 | 102 |   |
| 26 | 105 |   |
| 29 | 109 |   |
| 30 | 110 |   |
| 31 | 133 |   |
| 32 | 134 |   |
| 40 | 6,33,39,72,108,144,17,52,62,84,95,121,131 | 1 |
| 20 | 30,38,71,107,143,16,51,61,83,94,120,130 | 2 |
Увеличить |
DIP40/QFP176 специализированный адаптер для микроконтроллеров фирмы SST. Размеры корпуса: 20.0 x 20.0 x 1.5 мм, (корпус с выводами -22.0 x 22.0 мм), 0.4 мм шаг. |
| DIP-40 | LQFP-176 | C1, 1.0uF |
| 9 | 155 |   |
| 12 | 88 |   |
| 25 | 163 |   |
| 26 | 162 |   |
| 27 | 157 |   |
| 28 | 156 |   |
| 38 | 164 |   |
| 35 | 166 |   |
| 31 | 154 |   |
| 36 | 167 |   |
| 20 | 81 |   |
| 19 | 80 |   |
| 18 | 79 |   |
| 24 | 131 |   |
| 30 | 25,42,55,59,67,68,96,133,153,160,161,168,169,176,174,175 | 1 |
| 39 | 1,24,43,44,58,66,93,132,152,158,159,170,172,173 |   |
|   | 171 | 2 |
C1 - 0805
Увеличить |
DIP28/QFP32 специализированный адаптер для микроконтроллеров фирмы Atmel. Размеры корпуса: 7.0 x 7.0 x 1.2 мм, (корпус с выводами -9.0 x 9.0 мм), 0.8 мм шаг. |
Аналоги адаптера, поставляемые другими фирмами:
Logical Systems: PA32Q1498-28D6-20
| DIP-28 | TQFP-32 |
| 1 | 29 |
| 2 | 30 |
| 3 | 31 |
| 4 | 32 |
| 5 | 1 |
| 6 | 2 |
| 7 | 4,6 |
| 8 | 3,5 |
| 9 | 7 |
| 10 | 8 |
| 11 | 9 |
| 12 | 10 |
| 13 | 11 |
| 14 | 12 |
| 15 | 13 |
| 16 | 14 |
| 17 | 15 |
| 18 | 16 |
| 19 | 17 |
| 20 | 18 |
| 21 | 20 |
| 22 | 21 |
| 23 | 23 |
| 24 | 24 |
| 25 | 25 |
| 26 | 26 |
| 27 | 27 |
| 28 | 28 |
Увеличить |
DIP32/QFP32 специализированный адаптер для микроконтроллеров семейства STM8 фирмы STMicro. Размеры корпуса: 7.0 x 7.0 x 1.2 мм, (корпус с выводами -9.0 x 9.0 мм), 0.8 мм шаг. |
| DIP-32 | QFP-32 | 74AHC126 | R1,510R | C1, 1мкФ | C2, 1мкФ |
| 10 | 1 |   |   |   |   |
| 13 | 4 | 2,4,5,7,9,10,12,13 |   | 1 | 1 |
| - | 5 |   |   | 2 |   |
| 15 | 6 |   |   |   |   |
| 11 | 7 | 14 | 1 |   | 2 |
| 17 | 9 |   |   |   |   |
| 19 | 10 |   |   |   |   |
| 24 |   | 1 |   |   |   |
| 25 | 26 | 3 | 2 |   |   |
Увеличить |
DIP32/QFP32 специализированный адаптер для микроконтроллеров семейства STM8 фирмы STMicro. Размеры корпуса: 7.0 x 7.0 x 1.2 мм, (корпус с выводами -9.0 x 9.0 мм), 0.8 мм шаг. |
| DIP-32 | QFP-32 | 74AHC126 | R1,510R | C2, 1мкФ |
| 10 | 1 |   |   |   |
| 13 | 7 | 2,4,5,7,9,10,12,13 |   | 1 |
| 11 | 8 | 14 | 1 | 2 |
| 17 | 9 |   |   |   |
| 24 |   | 1 |   |   |
| 25 | 32 | 3 | 2 |   |
Увеличить |
DIP40/QFP32 специализированный адаптер для микроконтроллеров фирмы Semtech/Xemics. Размеры корпуса: 7.0 x 7.0 x 1.2 мм, (корпус с выводами -9.0 x 9.0 мм), 0.8 мм шаг. |
| DIP-40 | TQFP-32 | C1, 1мкФ |
| 1 | 19 |   |
| 2 | 20 |   |
| 3 | 3 |   |
| 4 | 15 |   |
| 5 | 18 | 1 |
| 37 | 17 |   |
| 38 | 16 |   |
| 39 | 11 |   |
| 40 | 13 |   |
|   | 14 | 2 |
Увеличить |
DIP32/QFP32 универсальный адаптер. Размеры корпуса: 7.0 x 7.0 x 1.2 мм, (корпус с выводами -9.0 x 9.0 мм), 0.8 мм шаг. |
| DIP-32 | QFP-32 |
| 1 | 1 |
| 2 | 2 |
| 3 | 3 |
| 4 | 4 |
| 5 | 5 |
| 6 | 6 |
| 7 | 7 |
| 8 | 8 |
| 9 | 9 |
| 10 | 10 |
| 11 | 11 |
| 12 | 12 |
| 13 | 13 |
| 14 | 14 |
| 15 | 15 |
| 16 | 16 |
| 17 | 17 |
| 18 | 18 |
| 19 | 19 |
| 20 | 20 |
| 21 | 21 |
| 22 | 22 |
| 23 | 23 |
| 24 | 24 |
| 25 | 25 |
| 26 | 26 |
| 27 | 27 |
| 28 | 28 |
| 29 | 29 |
| 30 | 30 |
| 31 | 31 |
| 32 | 32 |
Увеличить |
DIP40/QFP44 специализированный адаптер для микросхем фирмы Alteral. Размеры корпуса: 10.0 x 10.0 мм, 0.8 мм шаг. |
| DIP-40 | QFP-44 | 74AHC14 | C1, 0.1мкФ | C2, 0.1мкФ |
| 1 | 40 |   |   |   |
| 2 | 42 |   |   |   |
| 3 | 44 |   |   |   |
| 4 | 22 |   |   |   |
| 5 | 23 |   |   |   |
| 6 | 3 |   |   |   |
| 7 | 4 |   |   |   |
| 8 | 5 |   |   |   |
| 9 | 6 |   |   |   |
| 10 | 34 |   |   |   |
| 11 | 1 |   |   |   |
| 12 | 7 |   |   |   |
| 13 | 8 |   |   |   |
| 14 | 10 |   |   |   |
| 15 | 11 |   |   |   |
| 16 | 12 |   |   |   |
| 17 | 13 |   |   |   |
| 18 | 14 |   |   |   |
| 19 | 15 |   |   |   |
| 20 | 16,24,36 | 7 | 1 | 1 |
| 21 | 18 |   |   |   |
| 22 | 19 |   |   |   |
| 23 | 20 |   |   |   |
| 24 | 21 |   |   |   |
| 25 | 2 |   |   |   |
| 26 | 25 |   |   |   |
| 27 | 26 |   |   |   |
| 28 | 27 |   |   |   |
| 29 | 28 |   |   |   |
| 30 | 43 |   |   |   |
| 31 | 30 |   |   |   |
| 32 | 29,41,09,17 | 14 | 2 |   |
| 33 | 31 |   |   |   |
| 34 | 32 |   |   |   |
| 35 | 33 |   |   |   |
| 36 | 34 |   |   |   |
| 37 | 35 |   |   |   |
| 38 |   | 11 |   |   |
|   | 37 | 12 |   |   |
| 39 | 38 |   |   | 2 |
| 40 | 39 |   |   |   |
|   |   | 10.13 |   |   |
Увеличить |
DIP40/QFP44 специализированный адаптер для микросхем фирмы Atmel. Размеры корпуса: 10.0 x 10.0 мм, 0.8 мм шаг. |
| DIP-20 | TQFP-44 | |
|   | 1 |   |
|   | 2 |   |
|   | 3 |   |
|   | 4 |   |
|   | 5 |   |
|   | 6 |   |
|   | 7 |   |
|   | 8 |   |
|   | 9 |   |
|   | 10 |   |
|   | 11 |   |
|   | 12 |   |
| 14 | 13 | reset |
|   | 14 |   |
| 18 | 15 | CE |
|   | 16 |   |
|   | 17 |   |
| 17 | 18 | Gnd |
|   | 19 |   |
|   | 20 |   |
| 13 | 21 | CEO |
|   | 22 |   |
|   | 23 |   |
|   | 24 |   |
|   | 25 |   |
|   | 26 |   |
|   | 27 |   |
|   | 28 |   |
|   | 29 |   |
|   | 30 |   |
|   | 31 |   |
|   | 32 |   |
|   | 33 |   |
|   | 34 |   |
| 2 | 35 | SER |
|   | 36 |   |
|   | 37 |   |
| 20 | 38 | Vcc |
|   | 39 |   |
| 1 | 40 | Data |
|   | 41 |   |
|   | 42 |   |
| 3 | 43 | Clk |
|   | 44 |   |
Увеличить |
DIP40/QFP44 специализированный адаптер для микросхем фирмы Atmel. Размеры корпуса: 10.0 x 10.0 мм, 0.8 мм шаг. |
| DIP-20 | TQFP-44 |
|   | 1 |
|   | 2 |
|   | 3 |
|   | 4 |
|   | 5 |
|   | 6 |
|   | 7 |
|   | 8 |
|   | 9 |
|   | 10 |
|   | 11 |
|   | 12 |
| 8 | 13 |
|   | 14 |
| 10 | 15 |
|   | 16 |
|   | 17 |
| 11 | 18 |
|   | 19 |
|   | 20 |
|   | 21 |
|   | 22 |
|   | 23 |
|   | 24 |
|   | 25 |
|   | 26 |
|   | 27 |
|   | 28 |
|   | 29 |
|   | 30 |
|   | 31 |
|   | 32 |
|   | 33 |
|   | 34 |
| 18 | 35 |
|   | 36 |
|   | 37 |
| 20 | 38 |
|   | 39 |
| 1 | 40 |
|   | 41 |
|   | 42 |
| 3 | 43 |
|   | 44 |
Увеличить |
DIP40/QFP44 специализированный адаптер для микросхем семейства AVR фирмы Atmel. Размеры корпуса: 10.0 x 10.0 мм, 0.8 мм шаг. |
| DIP-40 | QFP-44 | |
| 1 | 8 | PB0 |
| 2 | 9 | PB1 |
| 3 | 10 | PB2 |
| 4 | 11 | PB3 |
| 5 | 28 | PB4 |
| 6 | 29 | PB5 |
| 7 | 30 | PB6 |
| 8 | 12 | PB7 |
| 9 | 13 | RESET |
| 10 | 14,24,34,44 | Vcc |
| 11 | 5,15,23,35,43 | GND |
| 12 | 16 | XTAL2 |
| 13 | 17 | XTAL1 |
| 14 | 18 | PD0 |
| 15 | 19 | PD1 |
| 16 | 20 | PD2 |
| 17 | 21 | PD3 |
| 18 | 25 | PD4 |
| 19 | 22 | PD5 |
| 20 | 26 | PD6 |
| 21 | 27 | PD7 |
| 22 |   |   |
| 23 |   |   |
| 24 |   |   |
| 25 |   |   |
| 26 |   |   |
| 27 |   |   |
| 28 |   |   |
| 29 |   |   |
| 30 |   |   |
| 31 |   |   |
| 32 |   |   |
| 33 |   |   |
| 34 |   |   |
| 35 |   |   |
| 36 |   |   |
| 37 |   |   |
| 38 |   |   |
| 39 |   |   |
| 40 | 1 | PE6(PA0) |
Увеличить |
DIP40/QFP44 специализированный адаптер для микросхем фирмы Atmel. Размеры корпуса: 10.0 x 10.0 мм, 0.8 мм шаг. |
| DIP-40 | QFP-44 | C1, 0.1мкФ | C2, 0.1мкФ |
| 1 | 39 | 2 |   |
| 2 | 40 |   |   |
| 3 | 42 |   |   |
| 4 | 43 |   |   |
| 5 | 44 |   |   |
| 6 | 1 |   |   |
| 7 | 2 |   |   |
| 8 | 3 |   |   |
| 9 | 5 |   |   |
| 10 | 6 |   |   |
| 11 | 7 |   |   |
| 12 | 8 |   |   |
| 13 | 10 |   |   |
| 14 | 11 |   |   |
| 15 | 12 |   |   |
| 16 | 13 |   |   |
| 17 | 14 |   |   |
| 18 | 15 |   |   |
| 19 |   |   |   |
| 20 | 4,16,24,36 | 1 | 1 |
| 21 | 18 |   |   |
| 22 | 19 |   |   |
| 23 | 20 |   |   |
| 24 | 21 |   |   |
| 25 | 22 |   |   |
| 26 | 23 |   |   |
| 27 |   |   |   |
| 28 | 25 |   |   |
| 29 | 26 |   |   |
| 30 | 27 |   |   |
| 31 | 28 |   |   |
| 32 | 41,09,17,29 |   | 2 |
| 33 | 30 |   |   |
| 34 | 31 |   |   |
| 35 | 32 |   |   |
| 36 | 33 |   |   |
| 37 | 34 |   |   |
| 38 | 35 |   |   |
| 39 | 37 |   |   |
| 40 | 38 |   |   |
Увеличить |
DIP40/QFP44 специализированный адаптер для микросхем семейства 8051 фирмы Atmel. Размеры корпуса: 10.0 x 10.0 мм, 0.8 мм шаг. |
| DIP-40 | TQFP-44 |
| 1 | 40 |
| 2 | 41 |
| 3 | 42 |
| 4 | 43 |
| 5 | 44 |
| 6 | 1 |
| 7 | 2 |
| 8 | 3 |
| 9 | 4 |
| 10 | 5 |
| 11 | 7 |
| 12 | 8 |
| 13 | 9 |
| 14 | 10 |
| 15 | 11 |
| 16 | 12 |
| 17 | 13 |
| 18 | 14 |
| 19 | 15 |
| 20 | 16,17 |
| 21 | 18 |
| 22 | 19 |
| 23 | 20 |
| 24 | 21 |
| 25 | 22 |
| 26 | 23 |
| 27 | 24 |
| 28 | 25 |
| 29 | 26 |
| 30 | 27 |
| 31 | 29 |
| 32 | 30 |
| 33 | 31 |
| 34 | 32 |
| 35 | 33 |
| 36 | 34 |
| 37 | 35 |
| 38 | 36 |
| 39 | 37 |
| 40 | 6,38,39 |
Увеличить |
DIP40/QFP44 специализированный адаптер для микросхем фирмы NXP/Philips. Размеры корпуса: 10.0 x 10.0 мм, 0.8 мм шаг. |
| DIP-28 | QFP-44 |
| 3 | 37 |
| 4 | 40 |
| 6 | 43 |
| 7 | 16,41 |
| 8 | 5 |
| 17 | 3 |
| 18 | 4 |
| 19 | 29 |
| 20 | 31 |
| 21 | 7,30 |
| 22 | 32 |
| 23 | 33 |
| 24 | 34 |
| 25 | 35 |
| 26 | 36 |
Увеличить |
DIP40/QFP44 специализированный адаптер для микросхем PIC фирмы Microchip. Размеры корпуса: 10.0 x 10.0 мм, 0.8 мм шаг. |
| DIP-40 | TQFP-44 |
| 1 | 18 |
| 8 | 25 |
| 9 | 26 |
| 11 | 7,17 |
| 12 | 6 |
| 20 | 16 |
| 25 | 44 |
| 26 | 1 |
| 31 | 29,39 |
| 32 | 28 |
| 40 | 40 |
Увеличить |
DIP40/QFP44 специализированный адаптер для микросхем PIC фирмы Microchip. Размеры корпуса: 10.0 x 10.0 мм, 0.8 мм шаг. |
| DIP-40 | TQFP-44 |
| 1 | 18 |
| 11 | 7,17 |
| 12 | 6 |
| 20 | 16 |
| 25 | 44 |
| 26 | 1 |
| 31 | 30,39 |
| 32 | 29 |
| 40 | 40 |
Увеличить |
DIP40/QFP44 специализированный адаптер для микроконтроллеров фирмы Cypress. Размеры корпуса: 10.0 x 10.0 мм, 0.8 мм шаг. |
| DIP-40 | TQFP-44 |
| 10 | 4 |
| 15 | 8 |
| 11 | 16 |
| 14 | 17 |
| 13 | 18 |
| 17 | 26 |
| 24 | 30 |
| 40 | 39 |
Увеличить |
DIP40/QFP44 специализированный адаптер для микросхем STM8 фирмы STMicro. Размеры корпуса: 10.0 x 10.0 мм, 0.8 мм шаг. |
| DIP-40 | QFP-44 | 74AHC126 | R1,510R | C1, 1мкФ | C2, 1мкФ |
| 14 | 1 |   |   |   |   |
| 17 | 4 |   |   |   |   |
| 18 | 5 |   |   | 1 |   |
| - | 6 |   |   | 2 |   |
| 19 | 7 |   |   |   |   |
| 15 | 8 |   |   |   |   |
| 21 | 12 |   |   |   |   |
| 23 | 13 |   |   |   |   |
| 26 | 28 | 2,4,5,7,9,10,12,13 |   |   | 1 |
| 27 | 29 | 14 | 1 |   | 2 |
| 28 |   | 1 |   |   |   |
| 29 | 38 | 3 | 2 |   |   |
Увеличить |
DIP40/QFP44 специализированный адаптер для микроконтроллеров фирмы Nuvoton/Winbond. Размеры корпуса: 10.0 x 10.0 мм, 0.8 мм шаг. |
| DIP-40 | QFP-44 |
| 1 | 41 |
| 2 | 42 |
| 3 | 43 |
| 4 | 44 |
| 5 | 1 |
| 6 | 2 |
| 7 | 3 |
| 8 | 4 |
| 9 | 5 |
| 10 | 6 |
| 11 | 7 |
| 12 | 8 |
| 13 | 9 |
| 14 | 10 |
| 15 | 11 |
| 16 | 12 |
| 17 | 13 |
| 18 | 14 |
| 19 | 15 |
| 20 | 16,38 |
| 21 | 18 |
| 22 | 19 |
| 23 | 20 |
| 24 | 21 |
| 25 | 22 |
| 26 | 23 |
| 27 | 24 |
| 28 | 25 |
| 29 | 26 |
| 30 | 27 |
| 31 | 28 |
| 32 | 29 |
| 33 | 30 |
| 34 | 31 |
| 35 | 32 |
| 36 | 33 |
| 37 | 34 |
| 38 | 35 |
| 39 | 36 |
| 40 | 37,39 |
Увеличить |
DIP40/QFP44 специализированный адаптер для микросхем фирмы Xilinx. Размеры корпуса: 10.0 x 10.0 мм, 0.8 мм шаг. |
| DIP-40 | QFP-44 | C1, 0.1мкФ | C2, 0.1мкФ |
| 1 | 39 |   |   |
| 2 | 40 |   |   |
| 3 | 41 |   |   |
| 4 | 42 |   |   |
| 5 | 1 |   |   |
| 6 | 2 |   |   |
| 7 | 3 |   |   |
| 8 | 5 |   |   |
| 9 | 6 |   |   |
| 10 | 7 |   |   |
| 11 | 8 |   |   |
| 12 | 9 |   |   |
| 13 | 10 |   |   |
| 14 | 11 |   |   |
| 15 | 12 |   |   |
| 16 | 13 |   |   |
| 17 | 14 |   |   |
| 18 | 16 |   |   |
| 19 | 18 |   |   |
| 20 | 17,43,44,04,25,33,34,37 | 1 | 1 |
| 21 | 19 |   |   |
| 22 | 20 |   |   |
| 23 | 21 |   |   |
| 24 |   |   |   |
| 25 |   |   |   |
| 26 |   |   |   |
| 27 | 21 |   |   |
| 28 | 26.15 | 2 |   |
| 29 | 23 |   |   |
| 30 | 24 |   |   |
| 31 | 27 |   |   |
| 32 | 35 |   | 2 |
| 33 | 28 |   |   |
| 34 | 29 |   |   |
| 35 | 30 |   |   |
| 36 | 31 |   |   |
| 37 | 32 |   |   |
| 38 | 36 |   |   |
| 39 | 38 |   |   |
| 40 | 22 |   |   |
Увеличить |
DIP40/QFP44 специализированный адаптер для микросхем фирмы Xilinx. Размеры корпуса: 10.0 x 10.0 мм, 0.8 мм шаг. |
| DIP-20 | TQFP-44 | SN74AHC14 | C1, 0.1uF |
|   | 1 |   |   |
|   | 2 |   |   |
|   | 3 |   |   |
|   | 4 |   |   |
|   | 5 |   |   |
| 11 | 6 |   |   |
|   | 7 |   |   |
| 20 | 8 |   |   |
|   | 9 |   |   |
|   | 10 |   |   |
|   | 11 |   |   |
|   | 12 |   |   |
| 8 | 13 |   |   |
|   | 14 |   |   |
| 10 | 15 |   |   |
| 20 | 16 |   |   |
| 20 | 17 |   |   |
| 11 | 18 |   |   |
|   | 19 |   |   |
|   | 20 |   |   |
| 13 | 21 |   |   |
|   | 22 |   |   |
|   | 23 |   |   |
| 11 | 24 |   |   |
|   | 25 |   |   |
| 20 | 26 | 14 | 1 |
|   | 27 |   |   |
| 11 | 28 | 7 | 2 |
|   | 29 |   |   |
|   | 30 |   |   |
|   | 31 |   |   |
|   | 32 |   |   |
|   | 33 |   |   |
|   | 34 |   |   |
| 18 | 35 |   |   |
| 20 | 36 |   |   |
| 11 | 37 |   |   |
| 20 | 38 |   |   |
|   | 39 |   |   |
| 1 | 40 |   |   |
| 11 | 41 |   |   |
|   | 42 |   |   |
| 3 |   | 1 |   |
|   | 44 |   |   |
|   | 43 | 4 |   |
|   |   | 2,3 |   |
Увеличить |
DIP40/QFP44 специализированный адаптер для микросхем фирмы Semtech/Xemics. Размеры корпуса: 10.0 x 10.0 мм, 0.8 мм шаг. |
| DIP-40 | TQFP-44 | C1, 0.1мкФ |
| 1 | 40 |   |
| 2 | 41 |   |
| 3 | 12 |   |
| 4 | 20 |   |
| 5 | 33 | 1 |
| 37 | 38 |   |
| 38 | 39 |   |
| 39 | 36 |   |
| 40 | 34 |   |
|   | 35 | 2 |
Увеличить |
DIP40/QFP48 специализированный адаптер для микроконтроллеров фирмы Atmel. Размеры корпуса: 7.0 x 7.0 x 1.5 мм, (с выводами - 9.0 x 9.0), 0.5 мм шаг. |
| DIP-40 | QFP-44 |
| 7 | 8 |
| 8 | 9 |
| 19 | 18 |
| 20 | 19 |
| 21 | 30 |
| 22 | 31 |
| 31 | 34 |
| 32 | 35 |
| 38 | 38 |
| 39 | 39 |
Увеличить |
DIP40/QFP44 специализированный адаптер для микросхем PIC фирмы Microchip. Размеры корпуса: 10.0 x 10.0 мм, 0.8 мм шаг. |
| DIP-40 | QFP-44 | C1, 2.2 мкФ |
| 40 | 28,40,17 |   |
| 14 | 18 |   |
| 20 | 29,39,16 | 1 |
| 31 | 7 | 2 |
| 3 | 42 |   |
| 4 | 41 |   |
| 8, 11 | 22 |   |
| 9, 6 | 21 |   |
| 28 | 6 |   |
| 5 | 8 |   |
| 36 | 9 |   |
Увеличить |
DIP40/QFP44 специализированный адаптер для микросхем PIC фирмы Microchip. Размеры корпуса: 10.0 x 10.0 мм, 0.8 мм шаг. |
| DIP-40 | QFP-44 | C1, 2.2 мкФ |
| 40 | 29,40,17 |   |
| 14 | 18 |   |
| 20 | 39,30,6,16 | 1 |
| 31 | 7 | 2 |
| 8,11 | 1 |   |
| 9,6 | 44 |   |
Верхняя плата AE-T-Q44-03
Увеличить |
DIP44/QFP44 универсальный адаптер . Размеры корпуса: 10.0 x 10.0 мм, 0.8 мм шаг. |
| DIP-44 | QFP-44 |
| 1 | 1 |
| 2 | 2 |
| 3 | 3 |
| 4 | 4 |
| 5 | 5 |
| 6 | 6 |
| 7 | 7 |
| 8 | 8 |
| 9 | 9 |
| 10 | 10 |
| 11 | 11 |
| 12 | 12 |
| 13 | 13 |
| 14 | 14 |
| 15 | 15 |
| 16 | 16 |
| 17 | 17 |
| 18 | 18 |
| 19 | 19 |
| 20 | 20 |
| 21 | 21 |
| 22 | 22 |
| 23 | 23 |
| 24 | 24 |
| 25 | 25 |
| 26 | 26 |
| 27 | 27 |
| 28 | 28 |
| 29 | 29 |
| 30 | 30 |
| 31 | 31 |
| 32 | 32 |
| 33 | 33 |
| 34 | 34 |
| 35 | 35 |
| 36 | 36 |
| 37 | 37 |
| 38 | 38 |
| 39 | 39 |
| 40 | 40 |
| 41 | 41 |
| 42 | 42 |
| 43 | 43 |
| 44 | 44 |
Увеличить |
DIP40/QFP48 специализированный адаптер для микроконтроллеров фирмы Fujitsu. Размеры корпуса: 7.0 x 7.0 x 1.5 мм, (с выводами - 9.0 x 9.0), 0.5 мм шаг. |
| DIP-40 | LQFP-48 |
| 1 | 21 |
| 2 | 23 |
| 3 | 3 |
| 4 | 4 |
| 5 | 5 |
| 6 | 6 |
| 7 | 7 |
| 8 | 8 |
| 9 | 9 |
| 10 | 10 |
| 11 | 11 |
| 12 | 12 |
| 13 | 13 |
| 14 | 14 |
| 15 | 15 |
| 16 | 16 |
| 17 | 17 |
| 18 | 18 |
| 19 | 19 |
| 20 | 25,37,45,48 |
| 21 | 27 |
| 22 | 28 |
| 23 | 29 |
| 24 | 30 |
| 25 | 31 |
| 26 | 32 |
| 27 | 33 |
| 28 | 34 |
| 29 | 35 |
| 30 | 36 |
| 31 | 20 |
| 32 | 22 |
| 33 | 42 |
| 34 | 26 |
| 35 |   |
| 36 |   |
| 37 | 38 |
| 38 | 39 |
| 39 | 40 |
| 40 | 1,2,24,41,43,44,46,47 |
Увеличить |
DIP48/QFP48 специализированный адаптер для микроконтроллеров фирмы Motorola/Freescale. Размеры корпуса: 7.0 x 7.0 x 1.5 мм, (с выводами - 9.0 x 9.0), 0.5 мм шаг. |
| DIP-48 | QFP-48 | C1, 0.1 мкФ |
| 1 | 1 |   |
| 2 | 2 |   |
| 3 | 3 |   |
| 4 | 4 |   |
| 5 | 5 | 1 |
| 6 | 6 | 2 |
| 7 | 7 |   |
| 8 | 8 |   |
| 9 | 9 |   |
| 10 | 10 |   |
| 11 | 11 |   |
| 12 | 12 |   |
| 13 | 13 |   |
| 14 | 14 |   |
| 15 | 15 |   |
| 16 | 16 |   |
| 17 | 17 |   |
| 18 | 18 |   |
| 19 | 19 |   |
| 20 | 20 |   |
| 21 | 21 |   |
| 22 | 22 |   |
| 23 | 23 |   |
| 24 | 24 |   |
| 25 | 25 |   |
| 26 | 26 |   |
| 27 | 27 |   |
| 28 | 28 |   |
| 29 | 29 |   |
| 30 | 30 |   |
| 31 | 31 |   |
| 32 | 32 |   |
| 33 | 33 |   |
| 34 | 34 |   |
| 35 | 35 |   |
| 36 | 36 |   |
| 37 | 37 |   |
| 38 | 38 |   |
| 39 | 39 |   |
| 40 | 40 |   |
| 41 | 41 |   |
| 42 | 42 |   |
| 43 | 43 |   |
| 44 | 44 |   |
| 45 | 45 |   |
| 46 | 46 |   |
| 47 | 47 |   |
| 48 | 48 |   |
Увеличить |
DIP28/QFP48 специализированный адаптер для микроконтроллеров фирмы TI/Luminary. Размеры корпуса: 7.0 x 7.0 x 1.5 мм, (с выводами - 9.0 x 9.0), 0.5 мм шаг. |
| DIP-28 | QFP-48 | C1, 1uF | C2..C5, 1uF |
| 1 | 41 |   |   |
| 28 | 40 |   |   |
| 27 | 39 |   |   |
| 26 | 38 |   |   |
| 25 | 37 |   |   |
| 5 | 5 |   |   |
| 11 | 17 |   |   |
| 12 | 18 |   |   |
| - | 6 | 1 |   |
| 7 | 7,15,23,32 |   | 1 |
| 8 | 8,16,24,31 | 2 | 2 |
Увеличить |
DIP40/QFP48 специализированный адаптер для микроконтроллеров фирмы Atmel. Размеры корпуса: 7.0 x 7.0 x 1.5 мм, (с выводами - 9.0 x 9.0), 0.5 мм шаг. |
| DIP-40 | QFP-48 | |
| 1 | 19 | PGMD0 |
| 2 | 17 | PGMD1 |
| 3 | 16 | PGMD2 |
| 4 | 15 | PGMD3 |
| 5 | 14 | PGMD4 |
| 6 | 9 | PGMD5 |
| 7 | 10 | PGMD6 |
| 8 | 11 | PGMD7 |
| 9 |   |   |
| 10 | 18, 41, 48 | VddCORE, VddPLL |
| 11 |   |   |
| 12 |   | PGMD8 |
| 13 |   | PGMD9 |
| 14 |   | PGMD10 |
| 15 |   | PGMD11 |
| 16 |   | PGMD12 |
| 17 |   | PGMD13 |
| 18 |   | PGMD14 |
| 19 |   | PGMD15 |
| 20 | 2, 32, 34, 44 | GND |
| 21 | 24 | PGMNVALID |
| 22 | 23 | PGMM0 |
| 23 | 22 | PGMM1 |
| 24 | 21 | PGMM2 |
| 25 | 20 | PGMM3 |
| 26 |   |   |
| 27 | 28 | PGMNCMD |
| 28 | 27 | PGMRDY |
| 29 | 26 | PGMNOE |
| 30 |   |   |
| 31 | 42 | ERASE |
| 32 |   |   |
| 33 |   |   |
| 34 | 13,30,33,35,36,43 | VddIO, VddFLASH |
| 35 |   |   |
| 36 |   |   |
| 37 |   |   |
| 38 | 46 | XIN |
| 39 |   |   |
| 40 |   |   |
Увеличить |
DIP40/QFP48 специализированный адаптер для микроконтроллеров фирмы STMicro. Размеры корпуса: 7.0 x 7.0 x 1.5 мм, (с выводами - 9.0 x 9.0), 0.5 мм шаг. |
| DIP-40 | QFP-48 | C1, 0.1 uF |
| 5 | 5 |   |
| 6 | 6 |   |
| 7 | 7 |   |
| 19 | 20 |   |
| 36 | 44 |   |
| 22 | 30 |   |
| 23 | 31 |   |
| 26 | 34 |   |
| 29 | 37 |   |
| 30 | 38 |   |
| 31 | 39 |   |
| 32 | 40 |   |
| 40 | 1,9,24,36,48 | 1 |
| 20 | 8,23,35,47 | 2 |
Увеличить |
DIP40/QFP48 специализированный адаптер для микроконтроллеров фирмы STMicro. Размеры корпуса: 7.0 x 7.0 x 1.5 мм, (с выводами - 9.0 x 9.0), 0.5 мм шаг. |
| DIP-40 | QFP-48 | 74AHC126 | R1,510R | C1, 1мкФ | C2, 1мкФ |
| 14 | 1 |   |   |   |   |
| 15 | 8 |   |   |   |   |
| 17 | 4 |   |   |   |   |
| 18 | 5 |   |   |   |   |
|   | 6 |   |   | 1 |   |
| 19 | 7 |   |   |   |   |
| 21 | 13 |   |   |   |   |
| 23 | 14 |   |   |   |   |
| 26 | 31 | 2,5,7,9,10,12,13 |   | 2 | 1 |
| 27 | 32 | 14 | 1 |   | 2 |
| 28 |   | 1 |   |   |   |
| 29 | 42 | 3 | 2 |   |   |
Увеличить |
DIP40/QFP48 специализированный адаптер для микроконтроллеров фирмы STMicro. Размеры корпуса: 7.0 x 7.0 x 1.5 мм, (с выводами - 9.0 x 9.0), 0.5 мм шаг. |
| DIP-40 | QFP-48 | 74AHC126 | R1,510R | C2, 1мкФ |
| 14 | 2 |   |   |   |
| 18 | 40 |   |   |   |
| 19 | 39 |   |   |   |
| 15 | 13 |   |   |   |
| 21 | 11 |   |   |   |
| 26 | 9 | 2,4,5,7,9,10,12,13 |   | 1 |
| 27 | 10 | 14 | 1 | 2 |
| 28 |   | 1 |   |   |
| 29 | 1 | 3 | 2 |   |
Увеличить |
DIP40/QFP48 специализированный адаптер для микроконтроллеров фирмы Nuvoton/Winbond. Размеры корпуса: 7.0 x 7.0 x 1.5 мм, (с выводами - 9.0 x 9.0), 0.5 мм шаг. |
| DIP-40 | LQFP-48 |
| 1 | 47 |
| 2 | 46 |
| 3 | 45 |
| 4 | 44 |
| 5 | 43 |
| 6 | 42 |
| 7 | 41 |
| 8 | 40 |
| 9 | 24 |
| 10 | 36 |
| 11 | 35 |
| 12 | 34 |
| 13 | 33 |
| 14 | 32 |
| 15 | 31 |
| 16 | 30 |
| 17 | 29 |
| 18 | 10 |
| 19 | 9 |
| 20 | 11.48 |
| 21 | 23 |
| 22 | 22 |
| 23 | 21 |
| 24 | 20 |
| 25 | 19 |
| 26 | 18 |
| 27 | 17 |
| 28 | 16 |
| 29 | 13 |
| 30 | 12 |
| 31 | 26 |
| 32 | 8 |
| 33 | 7 |
| 34 | 6 |
| 35 | 5 |
| 36 | 4 |
| 37 | 3 |
| 38 | 2 |
| 39 | 1 |
| 40 | 25.39 |
Увеличить |
DIP40/QFP48 специализированный адаптер для микроконтроллеров фирмы Nuvoton/Winbond. Размеры корпуса: 7.0 x 7.0 x 1.5 мм, (с выводами - 9.0 x 9.0), 0.5 мм шаг. |
| DIP-40 | TQFP-48 |
| 1 | 43 |
| 2 | 44 |
| 3 | 45 |
| 4 | 46 |
| 5 | 47 |
| 6 | 1 |
| 7 | 2 |
| 8 | 3 |
| 9 | 4 |
| 10 | 5 |
| 11 | 7 |
| 12 | 8 |
| 13 | 9 |
| 14 | 10 |
| 15 | 11 |
| 16 | 13 |
| 17 | 14 |
| 18 | 15 |
| 19 | 16 |
| 20 | 17 |
| 21 | 19 |
| 22 | 20 |
| 23 | 21 |
| 24 | 22 |
| 25 | 23 |
| 26 | 25 |
| 27 | 26 |
| 28 | 27 |
| 29 | 28 |
| 30 | 29 |
| 31 | 31 |
| 32 | 32 |
| 33 | 33 |
| 34 | 34 |
| 35 | 35 |
| 36 | 37 |
| 37 | 38 |
| 38 | 39 |
| 39 | 40 |
| 40 | 41 |
Увеличить |
DIP40/QFP48 специализированный адаптер для микроконтроллеров фирмы Nuvoton/Winbond. Размеры корпуса: 7.0 x 7.0 x 1.5 мм, (с выводами - 9.0 x 9.0), 0.5 мм шаг. |
| DIP-40 | TQFP-48 |
| 1 | 21 |
| 2 | 22 |
| 3 | 23 |
| 4 | 24 |
| 5 | 25 |
| 6 | 26 |
| 7 | 27 |
| 8 | 28 |
| 9 | 29 |
| 10 | 30 |
| 11 | 31 |
| 12 | 32 |
| 13 | 33 |
| 14 | 34 |
| 15 | 35 |
| 16 | 36 |
| 17 | 37 |
| 18 | 38 |
| 19 | 39 |
| 20 | 40,18 |
| 21 | 46 |
| 22 | 47 |
| 23 | 48 |
| 24 | 1 |
| 25 | 2 |
| 26 | 3 |
| 27 | 4 |
| 28 | 5 |
| 29 | 6 |
| 30 | 7 |
| 31 | 8 |
| 32 | 9 |
| 33 | 10 |
| 34 | 11 |
| 35 | 12 |
| 36 | 13 |
| 37 | 14 |
| 38 | 15 |
| 39 | 16 |
| 40 | 17,19 |
Увеличить |
DIP40/QFP48 специализированный адаптер для микроконтроллеров фирмы Nuvoton/Winbond. Размеры корпуса: 7.0 x 7.0 x 1.5 мм, (с выводами - 9.0 x 9.0), 0.5 мм шаг. |
| DIP-40 | TQFP-48 |
| 1 | 8 |
| 2 | 9 |
| 3 | 12 |
| 4 | 14 |
| 5 | - |
| 6 | 16 |
| 7 | 17 |
| 8 | 18 |
| 9 | - |
| 10 | 41 |
| 11 | 40 |
| 12 | 39 |
| 13 | 38 |
| 14 | 35 |
| 15 | 34 |
| 16 | 33 |
| 17 | 32 |
| 18 | - |
| 19 | - |
| 20 | 10,11,19,20 |
| 21 | 44 |
| 22 | 45 |
| 23 | 46 |
| 24 | 47 |
| 25 | 48 |
| 26 | 1 |
| 27 | 2 |
| 28 | 3 |
| 29 | - |
| 30 | - |
| 31 | 15 |
| 32 | 21 |
| 33 | 22 |
| 34 | 23 |
| 35 | 24 |
| 36 | 26 |
| 37 | 27 |
| 38 | 30 |
| 39 | 31 |
| 40 | 36,37 |
Увеличить |
DIP40/QFP48 специализированный адаптер для микроконтроллеров фирмы Infineon. Размеры корпуса: 7.0 x 7.0 x 1.5 мм, (с выводами - 9.0 x 9.0), 0.5 мм шаг. |
| DIP-40 | QFP-48 | C1, 0.1мкФ |
| 16 | 10 |   |
| 20 | 5,18,23,42 | 1 |
| 28 | 26 |   |
| 29 | 27 |   |
| 32 | 41 |   |
| 35 | 44 |   |
|   | 6 | 2 |
| 40 | 7,17,24,43 |   |
Увеличить |
DIP40/QFP48 специализированный адаптер для микроконтроллеров семейства 8051. Размеры корпуса: 7.0 x 7.0 x 1.5 мм, (с выводами - 9.0 x 9.0), 0.5 мм шаг. |
| DIP-40 | TQFP-48 |
| 1 | 43 |
| 2 | 44 |
| 3 | 45 |
| 4 | 46 |
| 5 | 47 |
| 6 | 2 |
| 7 | 3 |
| 8 | 4 |
| 9 | 5 |
| 10 | 6 |
| 11 | 8 |
| 12 | 9 |
| 13 | 10 |
| 14 | 11 |
| 15 | 12 |
| 16 | 13 |
| 17 | 14 |
| 18 | 15 |
| 19 | 16 |
| 20 | 17 |
| 21 | 19 |
| 22 | 20 |
| 23 | 21 |
| 24 | 22 |
| 25 | 23 |
| 26 | 26 |
| 27 | 27 |
| 28 | 28 |
| 29 | 29 |
| 30 | 30 |
| 31 | 32 |
| 32 | 33 |
| 33 | 34 |
| 34 | 35 |
| 35 | 36 |
| 36 | 37 |
| 37 | 38 |
| 38 | 39 |
| 39 | 40 |
| 40 | 41 |
Увеличить |
DIP48/QFP48 универсальный адаптер. Размеры корпуса: 7.0 x 7.0 x 1.5 мм, (с выводами - 9.0 x 9.0), 0.5 мм шаг. |
| DIP-48 | QFP-48 |
| 1 | 1 |
| 2 | 2 |
| 3 | 3 |
| 4 | 4 |
| 5 | 5 |
| 6 | 6 |
| 7 | 7 |
| 8 | 8 |
| 9 | 9 |
| 10 | 10 |
| 11 | 11 |
| 12 | 12 |
| 13 | 13 |
| 14 | 14 |
| 15 | 15 |
| 16 | 16 |
| 17 | 17 |
| 18 | 18 |
| 19 | 19 |
| 20 | 20 |
| 21 | 21 |
| 22 | 22 |
| 23 | 23 |
| 24 | 24 |
| 25 | 25 |
| 26 | 26 |
| 27 | 27 |
| 28 | 28 |
| 29 | 29 |
| 30 | 30 |
| 31 | 31 |
| 32 | 32 |
| 33 | 33 |
| 34 | 34 |
| 35 | 35 |
| 36 | 36 |
| 37 | 37 |
| 38 | 38 |
| 39 | 39 |
| 40 | 40 |
| 41 | 41 |
| 42 | 42 |
| 43 | 43 |
| 44 | 44 |
| 45 | 45 |
| 46 | 46 |
| 47 | 47 |
| 48 | 48 |
Увеличить |
DIP40/QFP52 специализированный адаптер для микроконтроллеров фирмы Motorola/Freescale. Размеры корпуса: 10.0 x 10.0 x 1.7 мм, (с выводами - 12.0 x 12.0), 0.65 мм шаг. |
| DIP-40 | LQFP-52 | C1, 0.1 мкФ |
| 6 | 6 | 1 |
| 7 | 7 | 2 |
| 12 | 12 |   |
| 14 | 14 |   |
| 15 | 16 |   |
| 17 | 17 |   |
| 19 | 18 |   |
| 20 | 19 |   |
| 13 | 21 |   |
| 16 | 22 |   |
| 18 | 24 |   |
| 32 | 38 |   |
| 34 | 40 |   |
| 37 | 49 |   |
| 38 | 50 |   |
Увеличить |
DIP28/QFP52 specialized adapter for STMicroelectronics microcontrollers. |
| DIP-28 | PQFP-52 | C1, 0.1мкФ | C2, 0.1мкФ |
| 1 | 11,9 | 1 |   |
| 2 |   |   |   |
| 3 | 2 |   |   |
| 4 | 3 |   |   |
| 5 |   |   |   |
| 6 |   |   |   |
| 7 |   |   |   |
| 8 |   |   |   |
| 9 |   |   |   |
| 10 | 11 |   | 1 |
| 11 | 13 |   |   |
| 12 | 15 |   |   |
| 13 | 16 |   |   |
| 14 | 17 |   |   |
| 15 |   |   |   |
| 16 |   |   |   |
| 17 |   |   |   |
| 18 |   |   |   |
| 19 |   |   |   |
| 20 |   |   |   |
| 21 |   |   |   |
| 22 |   |   |   |
| 23 |   |   |   |
| 24 |   |   |   |
| 25 |   |   |   |
| 26 |   |   |   |
| 27 |   |   |   |
| 28 | 10,8 | 2 | 2 |
Увеличить |
DIP28/QFP52 specialized adapter for STMicroelectronics microcontrollers. |
| DIP-28 | PQFP-52 | C1, 0.1мкФ | C2, 0.1мкФ |
| 1 | 11,9 | 1 |   |
| 2 |   |   |   |
| 3 | 2 |   |   |
| 4 | 3 |   |   |
| 5 |   |   |   |
| 6 |   |   |   |
| 7 |   |   |   |
| 8 |   |   |   |
| 9 |   |   |   |
| 10 | 11 |   | 1 |
| 11 | 13 |   |   |
| 12 | 15 |   |   |
| 13 | 16 |   |   |
| 14 | 17 |   |   |
| 15 |   |   |   |
| 16 |   |   |   |
| 17 |   |   |   |
| 18 |   |   |   |
| 19 |   |   |   |
| 20 |   |   |   |
| 21 |   |   |   |
| 22 |   |   |   |
| 23 |   |   |   |
| 24 |   |   |   |
| 25 |   |   |   |
| 26 |   |   |   |
| 27 |   |   |   |
| 28 | 10,8 | 2 | 2 |
Увеличить |
DIP28/QFP52 specialized adapter for STMicroelectronics microcontrollers. |
| DIP-28 | PQFP-52 | C1, 0.1мкФ | C2, 0.1мкФ |
| 1 | 12 | 1 |   |
| 2 |   |   |   |
| 3 | 16 |   |   |
| 4 | 15 |   |   |
| 5 |   |   |   |
| 6 |   |   |   |
| 7 |   |   |   |
| 8 |   |   |   |
| 9 |   |   |   |
| 10 | 11 |   | 1 |
| 11 | 14 |   |   |
| 12 | 8 |   |   |
| 13 | 9 |   |   |
| 14 | 10 |   |   |
| 15 |   |   |   |
| 16 |   |   |   |
| 17 |   |   |   |
| 18 |   |   |   |
| 19 |   |   |   |
| 20 |   |   |   |
| 21 |   |   |   |
| 22 |   |   |   |
| 23 |   |   |   |
| 24 |   |   |   |
| 25 |   |   |   |
| 26 |   |   |   |
| 27 |   |   |   |
| 28 | 13 | 2 | 2 |
Увеличить |
DIP40/QFP64 специализированный адаптер для микроконтроллеров AVR фирмы Atmel. Размеры корпуса: 14.0 x 14.0 x 1.2 мм, (с выводами - 16.0 x 16.0), 0.8 мм шаг. |
| DIP-40 | QFP-64 |
| 1 | 10 |
| 2 | 11 |
| 3 | 12 |
| 4 | 13 |
| 5 | 14 |
| 6 | 15 |
| 7 | 16 |
| 8 | 17 |
| 9 | 20 |
| 10 | 25 |
| 11 | 26 |
| 12 | 27 |
| 13 | 28 |
| 14 | 29 |
| 15 | 30 |
| 16 | 31 |
| 17 | 32 |
| 18 | 23 |
| 19 | 24 |
| 20 | 22,53,63 |
| 21 | 35 |
| 22 | 36 |
| 23 | 37 |
| 24 | 38 |
| 25 | 39 |
| 26 | 40 |
| 27 | 41 |
| 28 | 42 |
| 29 | 4 |
| 30 | 3 |
| 31 | 2 |
| 32 | 44 |
| 33 | 45 |
| 34 | 46 |
| 35 | 47 |
| 36 | 48 |
| 37 | 49 |
| 38 | 50 |
| 39 | 51 |
| 40 | 21,52,64 |
Увеличить |
DIP40/QFP64 специализированный адаптер для микроконтроллеров фирмы Fujitsu. Размеры корпуса: 12.0 x 12.0 x 1.7 мм, (с выводами - 14.0 x 14.0), 0.65 мм шаг. |
| DIP-40 | LQFP-64 |
| 1 | 13 |
| 2 | 27 |
| 3 | 12 |
| 4 | 11 |
| 5 | 10 |
| 6 | 9 |
| 7 | 8 |
| 8 | 7 |
| 9 | 6 |
| 10 | 5 |
| 11 | 63 |
| 12 | 36 |
| 13 | 37 |
| 14 | 38 |
| 15 | 39 |
| 16 | 40 |
| 17 | 41 |
| 18 | 42 |
| 19 | 43 |
| 20 | 1,2,3,16,20,55 |
| 21 | 14 |
| 22 | 15 |
| 23 | 28 |
| 24 | 29 |
| 25 | 30 |
| 26 | 31 |
| 27 | 32 |
| 28 | 33 |
| 29 | 34 |
| 30 | 35 |
| 31 | 21 |
| 32 |   |
| 33 | 44 |
| 34 | 18 |
| 35 | 47 |
| 36 | 48 |
| 37 | 24 |
| 38 | 25 |
| 39 | 26 |
| 40 | 4,17,19,22,23,45,46,49...54,56...62,64 |
Увеличить |
DIP40/QFP64 специализированный адаптер для микроконтроллеров фирмы Fujitsu. Размеры корпуса: 10.0 x 10.0 x 1.7 мм, (с выводами - 12.0 x 12.0), 0.5 мм шаг. |
| DIP-40 | LQFP-64 |
| 1 | 13 |
| 2 | 27 |
| 3 | 12 |
| 4 | 11 |
| 5 | 10 |
| 6 | 9 |
| 7 | 8 |
| 8 | 7 |
| 9 | 6 |
| 10 | 5 |
| 11 | 63 |
| 12 | 36 |
| 13 | 37 |
| 14 | 38 |
| 15 | 39 |
| 16 | 40 |
| 17 | 41 |
| 18 | 42 |
| 19 | 43 |
| 20 | 1,2,3,16,20,55 |
| 21 | 14 |
| 22 | 15 |
| 23 | 28 |
| 24 | 29 |
| 25 | 30 |
| 26 | 31 |
| 27 | 32 |
| 28 | 33 |
| 29 | 34 |
| 30 | 35 |
| 31 | 21 |
| 32 |   |
| 33 | 44 |
| 34 | 18 |
| 35 | 47 |
| 36 | 48 |
| 37 | 24 |
| 38 | 25 |
| 39 | 26 |
| 40 | 4,17,19,22,23,45,46,49...54,56...62,64 |
Увеличить |
DIP40/QFP64 специализированный адаптер для микроконтроллеров фирмы Hitachi. Размеры корпуса: 10.0 x 10.0 x 1.1 мм, (с выводами - 12.0 x 12.0), 0.5 мм шаг. |
| DIP-40 | QFP-64 | R1, 10kOм | C1, 0.1мкФ |
| 1 |   |   |   |
| 2 |   |   |   |
| 3 | 30 |   |   |
| 4 | 27 |   |   |
| 5 | 19 |   |   |
| 6 | 14 |   |   |
| 7 | 13 |   |   |
| 8 | 54 |   |   |
| 9 | 53 |   |   |
| 10 | 52 |   |   |
| 11 | 51 |   |   |
| 12 | 23 |   |   |
| 13 | 36 |   |   |
| 14 | 37 |   |   |
| 15 | 38 |   |   |
| 16 | 5,9,60,61,62 |   | 1 |
| 17 | 7 |   |   |
| 18 | 11 |   |   |
| 19 | 10 |   |   |
| 20 |   |   |   |
| 21 |   |   |   |
| 22 |   |   |   |
| 23 |   |   |   |
| 24 |   |   |   |
| 25 | 39 |   |   |
| 26 | 40 |   |   |
| 27 | 41 |   |   |
| 28 | 42 |   |   |
| 29 | 43 |   |   |
| 30 | 46 |   |   |
| 31 | 22 |   |   |
| 32 | 45 |   |   |
| 33 | 26 |   |   |
| 34 | 21 |   |   |
| 35 | 20 |   |   |
| 36 | 28 |   |   |
| 37 | 29 |   |   |
| 38 |   |   |   |
| 39 | 44 |   |   |
| 40 | 8,35,3,12 | 1 |   |
|   | 59 | 2 |   |
|   | 6 |   | 2 |
Увеличить |
DIP40/QFP64 специализированный адаптер для микроконтроллеров фирмы Motorola/Freescale. Размеры корпуса: 10.0 x 10.0 x 1.1 мм, (с выводами - 12.0 x 12.0), 0.5 мм шаг. |
| DIP-40 | QFP-64 | C1, 0,1мкФ | С2, 0,1uf |
| 1 | 1 |   |   |
| 2 | 2 |   |   |
| 3 | 3 |   |   |
| 4 | 12 |   |   |
| 5 | 17 |   |   |
| 6 | 18 |   |   |
| 7 | 21 |   |   |
| 8 | 22 |   |   |
| 9 | 26 |   |   |
| 10 | 30 |   |   |
| 11 | 31 |   |   |
| 12 | 32 |   |   |
| 13 | 33 |   |   |
| 14 | 34 |   |   |
| 15 | 35 |   |   |
| 16 | 36 |   |   |
| 17 | 37 |   |   |
| 18 | 38 |   |   |
| 19 | 39 |   |   |
| 20 | 40 |   |   |
| 21 | 41 |   |   |
| 22 | 44 |   |   |
| 23 | 45 |   |   |
| 24 | 46 |   |   |
| 25 | 47 |   |   |
| 26 | 51 |   |   |
| 27 | 52 |   |   |
| 28 | 55 |   |   |
| 29 | 56 | 1 | 1 |
| 30 | 59 |   |   |
| 31 | 60 |   |   |
| 32 | 61 |   |   |
| 33 | 63 |   |   |
| 34 | 64 |   |   |
| 35 | 27 |   |   |
| 36 | 48 |   |   |
| 37 | 49 |   |   |
| 38 | 50 |   |   |
| 39 |   |   |   |
| 40 | 57 | 2 |   |
|   |   |   |   |
|   | 54 |   | 2 |
Увеличить |
DIP40/QFP64 специализированный адаптер для микроконтроллеров фирмы Motorola/Freescale. Размеры корпуса: 14.0 x 14.0 x 1.2 мм, (с выводами - 16.0 x 16.0), 0.8 мм шаг. |
| DIP-40 | QFP-64 | C1, 0,1мкФ |
| 1 | 1 |   |
| 2 | 2 |   |
| 3 | 3 |   |
| 4 | 12 |   |
| 5 | 17 |   |
| 6 | 18 |   |
| 7 | 21 |   |
| 8 | 22 |   |
| 9 | 26 |   |
| 10 | 30 |   |
| 11 | 31 |   |
| 12 | 32 |   |
| 13 | 33 |   |
| 14 | 34 |   |
| 15 | 35 |   |
| 16 | 36 |   |
| 17 | 37 |   |
| 18 | 38 |   |
| 19 | 39 |   |
| 20 | 40 |   |
| 21 | 41 |   |
| 22 | 44 |   |
| 23 | 45 |   |
| 24 | 46 |   |
| 25 | 47 |   |
| 26 | 51 |   |
| 27 | 52 |   |
| 28 | 55 |   |
| 29 | 56 | 1 |
| 30 | 59 |   |
| 31 | 60 |   |
| 32 | 61 |   |
| 33 | 63 |   |
| 34 | 64 |   |
| 35 | 27 |   |
| 36 | 48 |   |
| 37 | 49 |   |
| 38 | 50 |   |
| 39 |   |   |
| 40 | 57 | 2 |
|   |   |   |
Увеличить |
DIP40/QFP64 специализированный адаптер для микроконтроллеров фирмы Motorola/Freescale. Размеры корпуса: 14.0 x 14.0 x 1.2 мм, (с выводами - 16.0 x 16.0), 0.8 мм шаг. |
| DIP-40 | QFP-64 | C1, 0,1uF |
| 1 | 1 |   |
| 2 | 2 |   |
| 3 | 3 |   |
| 4 | 4 |   |
| 5 | 5 |   |
| 6 | 6 |   |
| 7 | 7 |   |
| 8 | 8 |   |
| 9 | 9 |   |
| 10 | 10 |   |
| 11 | 11 |   |
| 12 | 12 |   |
| 13 | 13 |   |
| 14 | 14 |   |
| 15 | 15 |   |
| 16 | 17 |   |
| 17 | 30 |   |
| 18 | 32 |   |
| 19 | 33 |   |
| 20 | 40 |   |
| 21 | 41 |   |
| 22 | 44 |   |
| 23 | 45 |   |
| 24 | 48 |   |
| 25 | 49 |   |
| 26 | 50 |   |
| 27 | 52 |   |
| 28 | 54 |   |
| 29 | 55 |   |
| 30 | 57 |   |
| 31 | 59 |   |
| 32 | 60 |   |
| 33 | 62 |   |
| 34 | 63 |   |
| 35 | 64 |   |
| 36 | 29 |   |
| 37 | 28 |   |
| 38 | 16 |   |
| 39 | 51 |   |
| 40 |   |   |
|   |   |   |
OTQ-64-0,8-01 (это бывшие ФУ-й64-РС908-2
Добавил 16 контакт QFP его почему-то нет.
конденсатор убрать
Увеличить |
DIP40/QFP64 специализированный адаптер для микроконтроллеров фирмы Motorola/Freescale. Размеры корпуса: 10.0 x 10.0 x 1.1 мм, (с выводами - 12.0 x 12.0), 0.5 мм шаг. |
| DIP-40 | QFP-64 |
| 1 | 1 |
| 3 | 3 |
| 7 | 6 |
| 8 | 7 |
| 10 | 8 |
| 11 | 11 |
| 12 | 21 |
| 13 | 22 |
| 14 | 23 |
| 15 | 24 |
| 16 | 25 |
| 22 | 37 |
| 23 | 38 |
| 24 | 39 |
| 25 | 40 |
| 26 | 41 |
| 27 | 42 |
| 32 | 56 |
| 35 | 58 |
| 33 | 59 |
| 39 | 63 |
| 38 | 64 |
Увеличить |
DIP40/QFP64 специализированный адаптер для микроконтроллеров фирмы Motorola/Freescale. Размеры корпуса: 14.0 x 14.0 x 2.4 мм, (с выводами - 17.0 x 17.0), 0.8 мм шаг. |
| DIP-40 | QFP-64 |
| 1 | 1 |
| 3 | 3 |
| 7 | 6 |
| 8 | 7 |
| 10 | 8 |
| 11 | 11 |
| 12 | 21 |
| 13 | 22 |
| 14 | 23 |
| 15 | 24 |
| 16 | 25 |
| 22 | 37 |
| 23 | 38 |
| 24 | 39 |
| 25 | 40 |
| 26 | 41 |
| 27 | 42 |
| 32 | 56 |
| 35 | 58 |
| 33 | 59 |
| 39 | 63 |
| 38 | 64 |
Увеличить |
DIP40/QFP64 специализированный адаптер для микроконтроллеров фирмы Motorola/Freescale. Размеры корпуса: 10.0 x 10.0 x 1.1 мм, (с выводами - 12.0 x 12.0), 0.5 мм шаг. |
| DIP-40 | LQFP-64 |
| 1 | 1 |
| 2 | 3 |
| 3 | 4 |
| 4 | 5 |
| 5 | 6 |
| 6 | 7 |
| 7 | 8 |
| 8 | 9 |
| 9 | 10 |
| 10 | 15 |
| 11 | 17 |
| 12 | 18 |
| 13 | 20 |
| 14 | 21 |
| 15 | 22 |
| 16 | 23 |
| 17 | 24 |
| 18 | 25 |
| 19 | 26 |
| 20 | 27 |
| 21 | 28 |
| 22 | 30 |
| 23 | 37 |
| 24 | 38 |
| 25 | 42 |
| 26 | 43 |
| 27 | 47 |
| 28 | 49 |
| 29 | 50 |
| 30 | 51 |
| 31 | 53 |
| 32 | 54 |
| 33 | 58 |
| 34 | 59 |
| 35 | 60 |
| 36 | 61 |
| 37 | 62 |
| 38 | 64 |
Увеличить |
DIP40/QFP64 специализированный адаптер для микроконтроллеров фирмы TI/Luminary. Размеры корпуса: 10.0 x 10.0 x 1.1 мм, (с выводами - 12.0 x 12.0), 0.5 мм шаг. |
| DIP-28 | QFP-64 | C1, 1uF | C2..C5, 1uF |
| 1 | - |   |   |
| 28 | 52 |   |   |
| 27 | 51 |   |   |
| 26 | 50 |   |   |
| 25 | 49 |   |   |
| 5 | 40 |   |   |
| 11 | 17 |   |   |
| 12 | 18 |   |   |
| - | 7,9,23,38,54 | 1 |   |
| 7 | 3,12,28,37,43,59 |   | 1 |
| 8 | 4,10,13,24,29,36,39,44,53,60 | 2 | 2 |
Увеличить |
DIP40/QFP64 специализированный адаптер для микроконтроллеров фирмы NXP/Philips. Размеры корпуса: 10.0 x 10.0 x 1.1 мм, (с выводами - 12.0 x 12.0), 0.5 мм шаг. |
| DIP-40 | LQFP-64 |
|   |   |
| 5 | 6 |
| 6 | 7 |
| 9 | 17 |
| 11 | 18 |
| 17 | 19 |
| 18 | 21 |
| 19 | 23 |
| 20 | 25 |
| 25 | 41 |
| 27 | 42 |
| 28 | 43 |
| 30 | 49 |
| 31 | 50 |
| 32 | 51 |
| 10 | 57 |
| 34 | 58 |
| 35 | 59 |
| 16 | 61 |
| 15 | 62 |
| 39 | 63 |
Увеличить |
DIP40/QFP64 специализированный адаптер для микроконтроллеров фирмы Maxim. Размеры корпуса: 10.0 x 10.0 x 1.1 мм, (с выводами - 12.0 x 12.0), 0.5 мм шаг. |
| DIP-40 | TQFP-64 |
| 1 | 49 |
| 2 | 50 |
| 3 | 51 |
| 4 | 52 |
| 5 | 53 |
| 6 | 54 |
| 7 | 55 |
| 8 | 56 |
| 9 | 58 |
| 10 | 26 |
| 11 | 25 |
| 12 | 24 |
| 13 | 23 |
| 14 | 22 |
| 15 | 21 |
| 16 | 20 |
| 17 | 19 |
| 18 | 59 |
| 19 | 60 |
| 20 | 10,12,27,39,61 |
| 21 | 29 |
| 22 | 30 |
| 23 | 31 |
| 24 | 32 |
| 25 | 33 |
| 26 | 34 |
| 27 | 35 |
| 28 | 36 |
| 29 | 37 |
| 30 | 38 |
| 31 | 57 |
| 32 | 48 |
| 33 | 47 |
| 34 | 46 |
| 35 | 45 |
| 36 | 44 |
| 37 | 43 |
| 38 | 42 |
| 39 | 41 |
| 40 | 9,11,28,40,62 |
Увеличить |
DIP40/QFP64 специализированный адаптер для микроконтроллеров фирмы TI. Размеры корпуса: 10.0 x 10.0 x 1.1 мм, (с выводами - 12.0 x 12.0), 0.5 мм шаг. |
| DIP-40 | LQFP-64 |
| 40 | 1 |
| 6 | 8 |
| 8 | 9 |
| 7 | 10 |
| 10 | 13 |
| 13 | 22 |
| 28 | 52 |
| 29 | 53 |
| 30 | 54 |
| 32 | 55 |
| 33 | 56 |
| 34 | 57 |
| 35 | 58 |
| 31 | 62 |
| 20 | 63 |
| 36 | 64 |
Увеличить |
DIP40/QFP64 специализированный адаптер для микроконтроллеров фирмы NEC. Размеры корпуса: 10.0 x 10.0 x 1.1 мм, (с выводами - 12.0 x 12.0), 0.5 мм шаг. |
| DIP-40 | QFP-64 |
| 1 | 9 |
| 2 | 15 |
| 3 | 13 |
| 4 | 6 |
| 5 | 19 |
| 6 | 44 |
| 7 | 21 |
| 8 | 46 |
| 9 | 45 |
| 10 | 2 |
| 11 | 52 |
| 12 | 3 |
| 13 | 8 |
| 14 | 7 |
| 15 | 64 |
| 16 | 4 |
| 17 | 48 |
| 18 | 12 |
| 19 | 50 |
| 20 | 49 |
| 21 | 20 |
| 22 | 25 |
| 23 | 30 |
| 24 | 32 |
| 25 | 38 |
| 26 | 39 |
| 27 | 40 |
| 28 | 61 |
| 29 | 62 |
| 30 | 63 |
| 31 | 47 |
| 32 | 16 |
| 33 | 14 |
| 34 | 10 |
| 35 | 11 |
| 36 | 33 |
| 37 | 1,51 |
| 38 | 5 |
| 39 | 59 |
| 40 | 60 |
Увеличить |
DIP40/QFP64 специализированный адаптер для микроконтроллеров фирмы NEC. Размеры корпуса: 14.0 x 14.0 x 1.2 мм, (с выводами - 16.0 x 16.0), 0.8 мм шаг. |
| DIP-40 | QFP-64 |
| 1 | 9 |
| 2 | 15 |
| 3 | 13 |
| 4 | 6 |
| 5 | 19 |
| 6 | 44 |
| 7 | 21 |
| 8 | 46 |
| 9 | 45 |
| 10 | 2 |
| 11 | 52 |
| 12 | 3 |
| 13 | 8 |
| 14 | 7 |
| 15 | 64 |
| 16 | 4 |
| 17 | 48 |
| 18 | 12 |
| 19 | 50 |
| 20 | 49 |
| 21 | 20 |
| 22 | 25 |
| 23 | 30 |
| 24 | 32 |
| 25 | 38 |
| 26 | 39 |
| 27 | 40 |
| 28 | 61 |
| 29 | 62 |
| 30 | 63 |
| 31 | 47 |
| 32 | 16 |
| 33 | 14 |
| 34 | 10 |
| 35 | 11 |
| 36 | 33 |
| 37 | 1,51 |
| 38 | 5 |
| 39 | 59 |
| 40 | 60 |
Увеличить |
DIP40/QFP64 специализированный адаптер для микроконтроллеров фирмы NEC. Размеры корпуса: 12.0x12.0, 0.65 мм шаг. |
| DIP-40 | QFP-64 |
| 1 | 9 |
| 2 | 15 |
| 3 | 13 |
| 4 | 6 |
| 5 | 19 |
| 6 | 44 |
| 7 | 21 |
| 8 | 46 |
| 9 | 45 |
| 10 | 2 |
| 11 | 52 |
| 12 | 3 |
| 13 | 8 |
| 14 | 7 |
| 15 | 64 |
| 16 | 4 |
| 17 | 48 |
| 18 | 12 |
| 19 | 50 |
| 20 | 49 |
| 21 | 20 |
| 22 | 25 |
| 23 | 30 |
| 24 | 32 |
| 25 | 38 |
| 26 | 39 |
| 27 | 40 |
| 28 | 61 |
| 29 | 62 |
| 30 | 63 |
| 31 | 47 |
| 32 | 16 |
| 33 | 14 |
| 34 | 10 |
| 35 | 11 |
| 36 | 33 |
| 37 | 1,51 |
| 38 | 5 |
| 39 | 59 |
| 40 | 60 |
Увеличить |
DIP40/QFP64 специализированный адаптер для микроконтроллеров фирмы NEC. Размеры корпуса: 7.0x 7.0, 0.4 мм шаг. |
| DIP-40 | QFP-64 |
| 1 | 9 |
| 2 | 15 |
| 3 | 13 |
| 4 | 6 |
| 5 | 19 |
| 6 | 44 |
| 7 | 21 |
| 8 | 46 |
| 9 | 45 |
| 10 | 2 |
| 11 | 52 |
| 12 | 3 |
| 13 | 8 |
| 14 | 7 |
| 15 | 64 |
| 16 | 4 |
| 17 | 48 |
| 18 | 12 |
| 19 | 50 |
| 20 | 49 |
| 21 | 20 |
| 22 | 25 |
| 23 | 30 |
| 24 | 32 |
| 25 | 38 |
| 26 | 39 |
| 27 | 40 |
| 28 | 61 |
| 29 | 62 |
| 30 | 63 |
| 31 | 47 |
| 32 | 16 |
| 33 | 14 |
| 34 | 10 |
| 35 | 11 |
| 36 | 33 |
| 37 | 1,51 |
| 38 | 5 |
| 39 | 59 |
| 40 | 60 |
Увеличить |
DIP40/QFP64 специализированный адаптер для PIC микроконтроллеров фирмы Microchip. Размеры корпуса: 10.0 x 10.0 x 1.1 мм, (с выводами - 12.0 x 12.0), 0.5 мм шаг. |
| DIP-40 | TQFP-64 |
| 1 | 7 |
| 11 | 10,26 |
| 32 | 38,57 |
| 40 | 19 |
| 12 | 9 |
| 20 | 20,25 |
| 31 | 41,56 |
| 8 | 17 |
| 9 | 18 |
Увеличить |
DIP40/QFP64 специализированный адаптер для PIC микроконтроллеров фирмы Microchip. Размеры корпуса: 14.0 x 14.0 x 1.2 мм, (с выводами - 16.0 x 16.0), 0.8 мм шаг. |
| DIP-40 | TQFP-64 |
| 1 | 7 |
| 11 | 10,26 |
| 32 | 38,57 |
| 40 | 19 |
| 12 | 9 |
| 20 | 20,25 |
| 31 | 41,56 |
| 8 | 17,15 |
| 9 | 18,16 |
Увеличить |
DIP40/QFP64 специализированный адаптер для микроконтроллеров фирмы Atmel. Размеры корпуса: 10.0 x 10.0 x 1.1 мм, (с выводами - 12.0 x 12.0), 0.5 мм шаг. |
| DIP-40 | QFP-64 | |
| 1 | 27 | PGMD0 |
| 2 | 22 | PGMD1 |
| 3 | 21 | PGMD2 |
| 4 | 20 | PGMD3 |
| 5 | 19 | PGMD4 |
| 6 | 9 | PGMD5 |
| 7 | 10 | PGMD6 |
| 8 | 13 | PGMD7 |
| 9 |   |   |
| 10 | 12, 24,54,64 | VddCORE, VddPLL |
| 11 |   |   |
| 12 | 16 | PGMD8 |
| 13 | 11 | PGMD9 |
| 14 | 14 | PGMD10 |
| 15 | 15 | PGMD11 |
| 16 | 23 | PGMD12 |
| 17 | 25 | PGMD13 |
| 18 | 26 | PGMD14 |
| 19 | 37 | PGMD15 |
| 20 | 2, 17, 44, 46, 60 | GND |
| 21 | 32 | PGMNVALID |
| 22 | 31 | PGMM0 |
| 23 | 30 | PGMM1 |
| 24 | 29 | PGMM2 |
| 25 | 28 | PGMM3 |
| 26 |   |   |
| 27 | 36 | PGMNCMD |
| 28 | 35 | PGMRDY |
| 29 | 34 | PGMNOE |
| 30 |   |   |
| 31 | 55 | ERASE |
| 32 |   |   |
| 33 |   |   |
| 34 | 18,40,45,47,48,58,59 | VddIO, VddFLASH |
| 35 |   |   |
| 36 |   |   |
| 37 |   |   |
| 38 | 62 | XIN |
| 39 |   |   |
| 40 |   |   |
Увеличить |
DIP40/QFP64 specialized adapter for Silabs/Cygnal microcontrollers. |
| DIP-40 | TQFP-64 |
| 1 | 3 |
| 2 | 4 |
| 3 | 5 |
| 4 | 6 |
| 5 | 7 |
| 6 | 10 |
| 7 | 11 |
| 8 | 14 |
| 9 | 15 |
| 10 | 16 |
| 11 | 17 |
| 12 | 18 |
| 13 | 19 |
| 14 | 20 |
| 15 | 21 |
| 16 | 22 |
| 17 | 23 |
| 18 | 8,24 |
| 19 | 9,25 |
| 20 | 26 |
| 21 | 27 |
| 22 | 28 |
| 23 | 29 |
| 24 | 30 |
| 25 | 31 |
| 26 | 39 |
| 27 | 40 |
| 28 | 41 |
| 29 | 52 |
| 30 | 53 |
| 31 | 54 |
| 32 | 55 |
| 33 | 56 |
| 34 | 57 |
| 35 | 58 |
| 36 | 59 |
| 37 | 60 |
| 38 | 61 |
| 39 | 62 |
| 40 | 63 |
Увеличить |
DIP28/QFP64 specialized adapter for STMicroelectronics microcontrollers. |
| DIP-28 | PQFP-64 | C1, 0.1мкФ | C2, 0.1мкФ |
| 1 | 17 | 1 |   |
| 2 |   |   |   |
| 3 | 21 |   |   |
| 4 | 20 |   |   |
| 5 |   |   |   |
| 6 |   |   |   |
| 7 |   |   |   |
| 8 |   |   |   |
| 9 |   |   |   |
| 10 | 16 |   | 1 |
| 11 | 19 |   |   |
| 12 | 12 |   |   |
| 13 | 13 |   |   |
| 14 | 14 |   |   |
| 15 |   |   |   |
| 16 |   |   |   |
| 17 |   |   |   |
| 18 |   |   |   |
| 19 |   |   |   |
| 20 |   |   |   |
| 21 |   |   |   |
| 22 |   |   |   |
| 23 |   |   |   |
| 24 |   |   |   |
| 25 |   |   |   |
| 26 |   |   |   |
| 27 |   |   |   |
| 28 | 18 | 2 | 2 |
Увеличить |
DIP40/QFP64 специализированный адаптер для микроконтроллеров фирмы STM. Размеры корпуса: 10.0 x 10.0 x 1.1 мм, (с выводами - 12.0 x 12.0), 0.5 мм шаг. |
| DIP-40 | QFP-64 | C1, 1мкФ |
| 14 | 1 |   |
| 17 | 4 |   |
| 18 | 5 | 1 |
|   | 6 | 2 |
| 19 | 7 |   |
| 20 | 8 |   |
| 7 | 9 |   |
| 21 | 19 |   |
| 22 | 20 |   |
| 11 | 22 |   |
| 8 | 23 |   |
| 12 | 24 |   |
| 13 | 25 |   |
| 16 | 31 |   |
| 15 | 32 |   |
| 10 | 33 |   |
| 9 | 34 |   |
| 26 | 39 |   |
| 27 | 40 |   |
| 5 | 41 |   |
| 23 | 47 |   |
| 24 | 48 |   |
| 25 | 50 |   |
| 30 | 51 |   |
| 31 | 53 |   |
| 32 | 54 |   |
| 33 | 55 |   |
| 34 | 56 |   |
| 35 | 57 |   |
| 28.29 | 58 |   |
| 36 | 59 |   |
| 37 | 60 |   |
| 38 | 61 |   |
| 39 | 62 |   |
| 40 | 63 |   |
Увеличить |
DIP40/QFP64 специализированный адаптер для микроконтроллеров фирмы STM. Размеры корпуса: 14.0 x 14.0 x 1.2 мм, (с выводами - 16.0 x 16.0), 0.8 мм шаг. |
| DIP-40 | QFP-64 | C1, 1мкФ |
| 14 | 1 |   |
| 17 | 4 |   |
| 18 | 5 | 1 |
|   | 6 | 2 |
| 19 | 7 |   |
| 20 | 8 |   |
| 7 | 9 |   |
| 21 | 19 |   |
| 22 | 20 |   |
| 11 | 22 |   |
| 8 | 23 |   |
| 12 | 24 |   |
| 13 | 25 |   |
| 16 | 31 |   |
| 15 | 32 |   |
| 10 | 33 |   |
| 9 | 34 |   |
| 26 | 39 |   |
| 27 | 40 |   |
| 5 | 41 |   |
| 23 | 47 |   |
| 24 | 48 |   |
| 25 | 50 |   |
| 30 | 51 |   |
| 31 | 53 |   |
| 32 | 54 |   |
| 33 | 55 |   |
| 34 | 56 |   |
| 35 | 57 |   |
| 28.29 | 58 |   |
| 36 | 59 |   |
| 37 | 60 |   |
| 38 | 61 |   |
| 39 | 62 |   |
| 40 | 63 |   |
Увеличить |
DIP40/QFP64 специализированный адаптер для микроконтроллеров фирмы STM. Размеры корпуса: 10.0 x 10.0 x 1.1 мм, (с выводами - 12.0 x 12.0), 0.5 мм шаг. |
| DIP-40 | QFP-48 | C1, 0.1 uF |
| 5 | 5 |   |
| 6 | 6 |   |
| 7 | 7 |   |
| 19 | 28 |   |
| 36 | 60 |   |
| 22 | 42 |   |
| 23 | 43 |   |
| 26 | 46 |   |
| 29 | 49 |   |
| 30 | 50 |   |
| 31 | 55 |   |
| 32 | 56 |   |
| 40 | 1,13,19,32,48,64 | 1 |
| 20 | 12,18,31,47,63 | 2 |
Увеличить |
DIP40/QFP64 специализированный адаптер для микроконтроллеров фирмы STM. Размеры корпуса: 10.0 x 10.0 x 1.1 мм, (с выводами - 12.0 x 12.0), 0.5 мм шаг. |
| DIP-40 | QFP-64 | 74AHC126 | R1,510R | C1, 1мкФ | C2, 1мкФ |
| 14 | 1 |   |   |   |   |
| 17 | 4 |   |   |   |   |
| 18 | 5 |   |   | 1 |   |
|   | 6 |   |   | 2 |   |
| 19 | 7 |   |   |   |   |
| 15 | 8 |   |   |   |   |
| 21 | 19 |   |   |   |   |
| 23 | 20 |   |   |   |   |
| 26 | 39 | 2,4,5,7,9,10,12,13 |   |   | 1 |
| 27 | 40 | 14 | 1 |   | 2 |
| 28 |   | 1 |   |   |   |
| 29 | 58 | 3 | 2 |   |   |
Увеличить |
DIP40/QFP64 специализированный адаптер для микроконтроллеров фирмы STM. Размеры корпуса: 10.0 x 10.0 x 1.1 мм, (с выводами - 12.0 x 12.0), 0.5 мм шаг. |
| DIP-40 | QFP-64 | 74AHC126 | R1,510R | C2, 1мкФ |
| 14 | 2 |   |   |   |
| 17 | 10 |   |   |   |
| 18 | 30 |   |   |   |
|   | - |   |   |   |
| 19 | 11 |   |   |   |
| 15 | 18 |   |   |   |
| 21 | 12 |   |   |   |
| 23 | 9 |   |   |   |
| 26 | 56 | 2,4,5,7,9,10,12,13 |   | 1 |
| 27 | 29,55 | 14 | 1 | 2 |
| 28 |   | 1 |   |   |
| 29 | 1 | 3 | 2 |   |
Увеличить |
DIP40/QFP64 специализированный адаптер для микроконтроллеров фирмы STM. Размеры корпуса: 14.0 x 14.0 x 1.2 мм, (с выводами - 16.0 x 16.0), 0.8 мм шаг. |
| DIP-40 | QFP-64 | 74AHC126 | R1,510R | C1, 1мкФ | C2, 1мкФ |
| 14 | 1 |   |   |   |   |
| 17 | 4 |   |   |   |   |
| 18 | 5 |   |   | 1 |   |
|   | 6 |   |   | 2 |   |
| 19 | 7 |   |   |   |   |
| 15 | 8 |   |   |   |   |
| 21 | 19 |   |   |   |   |
| 23 | 20 |   |   |   |   |
| 26 | 39 | 2,4,5,7,9,10,12,13 |   |   | 1 |
| 27 | 40 | 14 | 1 |   | 2 |
| 28 |   | 1 |   |   |   |
| 29 | 58 | 3 | 2 |   |   |
Увеличить |
DIP40/QFP64 специализированный адаптер для микроконтроллеров фирмы Atmel. Размеры корпуса: 10.0 x 10.0 x 1.1 мм, (с выводами - 12.0 x 12.0), 0.5 мм шаг. |
| DIP-40 | QFP-64 |
| 1 | 10 |
| 2 | 12 |
| 3 | 13 |
| 4 | 14 |
| 5 | 16 |
| 6 | 18 |
| 7 | 19 |
| 8 | 20 |
| 9 | 21 |
| 10 | 25 |
| 11 | 28 |
| 12 | 29 |
| 13 | 30 |
| 14 | 31 |
| 15 | 32 |
| 16 | 34 |
| 17 | 36 |
| 18 | 37 |
| 19 | 38 |
| 20 | 40 |
| 21 | 43 |
| 22 | 44 |
| 23 | 45 |
| 24 | 47 |
| 25 | 48 |
| 26 | 50 |
| 27 | 53 |
| 28 | 54 |
| 29 | 55 |
| 30 | 56 |
| 31 | 58 |
| 32 | 59 |
| 33 | 60 |
| 34 | 61 |
| 35 | 64 |
| 36 | 2 |
| 37 | 3 |
| 38 | 5 |
| 39 | 6 |
| 40 | 8 |
Увеличить |
DIP40/QFP64 специализированный адаптер для микроконтроллеров фирмы Atmel. Размеры корпуса: 10.0 x 10.0 x 1.1 мм, (с выводами - 12.0 x 12.0), 0.5 мм шаг. |
| DIP-40 | QFP-64 |
| 1 | 50 |
| 2 | 51 |
| 3 | 52 |
| 4 | 53 |
| 5 | 54 |
| 6 | 59 |
| 7 | 60 |
| 8 | 61 |
| 9 | 44 |
| 10 | 14 |
| 11 | 27 |
| 12 | 28 |
| 13 | 29 |
| 14 | 30 |
| 15 | 31 |
| 16 | 35 |
| 17 | 39 |
| 18 | 5 |
| 19 | 6 |
| 20 | 12.42 |
| 21 | 56 |
| 22 | 57 |
| 23 | 58 |
| 24 | 2 |
| 25 | 3 |
| 26 | 4 |
| 27 | 7 |
| 28 | 8 |
| 29 | 26 |
| 30 | 25 |
| 31 | 24 |
| 32 | 36 |
| 33 | 37 |
| 34 | 38 |
| 35 | 40 |
| 36 | 43 |
| 37 | 45 |
| 38 | 46 |
| 39 | 55 |
| 40 | 9, 10 |
Увеличить |
DIP40/QFP64 специализированный адаптер для микроконтроллеров фирмы Infineon. Размеры корпуса: 10.0 x 10.0 x 1.1 мм, (с выводами - 12.0 x 12.0), 0.5 мм шаг. |
| DIP-40 | QFP-64 | C1, 0.1мкФ |
| 16 | 16 |   |
| 20 | 5,26,31,54 | 1 |
| 28 | 34 |   |
| 29 | 35 |   |
| 32 | 53 |   |
| 35 | 58 |   |
|   | 6 | 2 |
| 40 | 7,25,32,55 |   |
Увеличить |
DIP40/QFP64 специализированный адаптер для микроконтроллеров фирмы Semtech/Xemics. Размеры корпуса: 10.0 x 10.0 x 1.1 мм, (с выводами - 12.0 x 12.0), 0.5 мм шаг. |
| DIP-40 | QFP-64 | C1, 1мкФ |
| 1 | 1 |   |
| 2 | 2 |   |
| 3 | 17 |   |
| 4 | 33 |   |
| 5 | 56,57 | 1 |
| 37 | 63 |   |
| 38 | 62 |   |
| 39 | 61 |   |
| 40 | 55 |   |
|   | 58 | 2 |
Увеличить |
DIP40/QFP64 специализированный адаптер для микроконтроллеров AVR фирмы Atmel. Размеры корпуса: 14.0 x 14.0 x 1.2 мм, (с выводами - 16.0 x 16.0), 0.8 мм шаг. |
| DIP-40 | QFP-64 |
| 7 | 14 |
| 8 | 15 |
| 19 | 24 |
| 20 | 25 |
| 21 | 34 |
| 22 | 35 |
| 27 | 44 |
| 28 | 45 |
| 29 | 52 |
| 30 | 53 |
| 31 | 56 |
| 32 | 57 |
| 38 | 60 |
| 39 | 61 |
Увеличить |
DIP40/QFP64 специализированный адаптер для PIC микроконтроллеров фирмы Microchip. Размеры корпуса: 10.0 x 10.0 x 1.1 мм, (с выводами - 12.0 x 12.0), 0.5 мм шаг. |
| DIP-40 | QFP-64 | C1, 2.2 мкФ | C2, 2.2 мкФ |
| 40 | 26,38,57,19 |   |   |
| 14 | 7 |   |   |
| 19 | 39 |   |   |
| 20 | 9,25,41,20 | 1 | 1 |
| 31 | 56 | 2 |   |
| 3 | 15 |   |   |
| 4 | 16 |   |   |
| 8, 11 | 17 |   |   |
| 9, 6 | 18 |   |   |
| 28 | 37 |   |   |
| 32 | 42 |   |   |
| 5 | 47 |   |   |
| 36 | 48 |   |   |
| 1 | 10 |   | 2 |
Увеличить |
DIP40/QFP64 специализированный адаптер для PIC микроконтроллеров фирмы Microchip. Размеры корпуса: 10.0 x 10.0 x 1.1 мм, (с выводами - 12.0 x 12.0), 0.5 мм шаг. |
| DIP-40 | QFP-64 |
| 1,5 | 8 |
| 4,31 | 57 |
| 11 | 26,38,10,19 |
| 14 | 7 |
| 19 | 33, 39 |
| 20 | 9,25,41,56,20 |
| 21 | 32 |
| 22 | 31 |
| 28 | 37 |
| 32 | 42 |
| 34 | 53 |
| 35 | 54 |
| 36 | 12,52 |
| 40 | 57 |
Увеличить |
DIP40/QFP64 специализированный адаптер для PIC микроконтроллеров фирмы Microchip. Размеры корпуса: 10.0 x 10.0 x 1.1 мм, (с выводами - 12.0 x 12.0), 0.5 мм шаг. |
| DIP-40 | QFP-64 |
| 1 | 36 |
| 13 | 39 |
| 31 | 9,25,41,56,20 |
| 40 | 24 |
| 39 | 23 |
| 32 | 26,38,10,19,57 |
Увеличить |
DIP40/QFP64 специализированный адаптер для микроконтроллеров фирмы Philips/NXP. Размеры корпуса: 10.0 x 10.0 x 1.1 мм, (с выводами - 12.0 x 12.0), 0.5 мм шаг. |
| DIP-40 | QFP-64 |
| 1 | 23 |
| 2 | 24 |
| 3 | 25 |
| 4 | 26 |
| 5 | 27 |
| 6 | 28 |
| 7 | 29 |
| 8 | 30 |
| 9 | 22 |
| 10 | 31 |
| 11 | 32 |
| 12 | 33 |
| 13 | 34 |
| 14 | 35 |
| 15 | 36 |
| 16 | 37 |
| 17 | 38 |
| 18 | 39 |
| 19 | 40 |
| 20 | 41,42,64 |
| 21 | 43 |
| 22 | 44 |
| 23 | 45 |
| 24 | 46 |
| 25 | 47 |
| 26 | 48 |
| 27 | 49 |
| 28 | 50 |
| 29 | 51 |
| 30 | 52 |
| 31 | 53 |
| 32 | 54 |
| 33 | 55 |
| 34 | 56 |
| 35 | 57 |
| 36 | 58 |
| 37 | 59 |
| 38 | 60 |
| 39 | 61 |
| 40 | 9 |
Увеличить |
DIP40/QFP80 специализированный адаптер для 32-bit Flash памяти. |
| DIP-40 | QFP-80 | U1, 74AHC573 | U2, 74AHC573 | U3, 74AHC573 | C1, 150пФ | C2, 0.1мкФ |
| 1 | 74 |   |   |   |   |   |
| 2 | 75 |   |   |   |   |   |
| 3 | 76 |   |   |   |   |   |
| 4 | 1 |   | 2 |   |   |   |
| 5 | 2 |   | 3 |   |   |   |
| 6 | 3 |   | 4 |   |   |   |
| 7 | 4 |   | 5 |   |   |   |
| 8 | 7 |   | 6 |   |   |   |
| 9 | 8 |   | 7 |   |   |   |
| 10 | 9 |   | 8 |   |   |   |
| 11 | 10 |   | 9 |   |   |   |
| 12 | 11 |   |   | 2 |   |   |
| 13 | 12 |   |   | 3 |   |   |
| 14 | 13 |   |   | 4 |   |   |
| 15 | 14 |   |   | 5 |   |   |
| 16 | 17 |   |   | 6 |   |   |
| 17 | 18 |   |   | 7 |   |   |
| 18 | 19 |   |   | 8 |   |   |
| 19 | 20 |   |   | 9 |   |   |
| 20 | 6,16,31,50,60,70,71 | 1, 10 | 1, 10 | 1, 10 | 2 | 2 |
| 21 |   | 11 | 11 | 11 | 1 |   |
| 22 | 32 |   |   |   |   |   |
| 23 | 45 |   |   |   |   |   |
| 24 | 46 |   |   |   |   |   |
| 25 | 47 |   |   |   |   |   |
| 26 | 48 |   |   |   |   |   |
| 27 | 51 |   |   |   |   |   |
| 28 | 52 |   |   |   |   |   |
| 29 | 53 |   |   |   |   |   |
| 30 | 54 |   |   |   |   |   |
| 31 | 55 | 2 |   |   |   |   |
| 32 | 56 | 3 |   |   |   |   |
| 33 | 57 | 4 |   |   |   |   |
| 34 | 58 | 5 |   |   |   |   |
| 35 | 61 | 6 |   |   |   |   |
| 36 | 62 | 7 |   |   |   |   |
| 37 | 63 | 8 |   |   |   |   |
| 38 | 64 | 9 |   |   |   |   |
| 39 | 66 |   |   |   |   |   |
| 40 | 5,15,21,33,49,59,65,73,77,78,80 | 20 | 20 | 20 |   | 1 |
|   | 22 | 19 |   |   |   |   |
|   | 23 | 18 |   |   |   |   |
|   | 24 | 17 |   |   |   |   |
|   | 25 | 16 |   |   |   |   |
|   | 26 | 15 |   |   |   |   |
|   | 27 | 14 |   |   |   |   |
|   | 28 | 13 |   |   |   |   |
|   | 29 | 12 |   |   |   |   |
|   | 30 |   | 19 |   |   |   |
|   | 34 |   | 18 |   |   |   |
|   | 35 |   | 17 |   |   |   |
|   | 36 |   | 16 |   |   |   |
|   | 37 |   | 15 |   |   |   |
|   | 38 |   | 14 |   |   |   |
|   | 39 |   | 13 |   |   |   |
|   | 40 |   | 12 |   |   |   |
|   | 41 |   |   | 19 |   |   |
|   | 42 |   |   | 18 |   |   |
|   | 43 |   |   | 17 |   |   |
|   | 44 |   |   | 16 |   |   |
Увеличить |
DIP40/QFP80 специализированный адаптер для микроконтроллеров фирмы Motorola/Freescale. Размеры корпуса: 12.0 x 12.0 x 1.1 мм, (с выводами - 14.0 x 14.0), 0.5 мм шаг. |
| DIP-40 | QFP-80 |
| 7 | 8 |
| 10 | 13 |
| 14 | 32 |
| 15 | 33 |
| 17 | 34 |
| 23 | 46 |
| 25 | 50 |
| 26 | 51 |
| 39 | 79 |
| 40 | 80 |
Увеличить |
DIP48/QFP80 специализированный адаптер для микроконтроллеров фирмы Motorola/Freescale. Размеры корпуса: 14.0 x 14.0 x 1.2 мм, (с выводами - 16.0 x 16.0), 0.65 мм шаг. |
| DIP-48 | QFP-80 | C1 | C2 | C3 | C4 |
| 1 | 9 | 1 |   |   |   |
| 2 | 10 | 2 |   |   |   |
| 3 | 11 |   |   |   |   |
| 4 | 14 |   |   |   |   |
| 5 | 15 |   |   |   |   |
| 6 | 25 |   |   |   |   |
| 7 | 26 |   |   |   |   |
| 8 | 27 |   |   |   |   |
| 9 | 28 |   |   |   |   |
| 10 | 29 |   |   |   |   |
| 11 | 30 |   |   |   |   |
| 12 | 31 |   |   |   |   |
| 13 | 32 |   |   |   |   |
| 14 | 33 |   |   |   |   |
| 15 | 34 |   |   |   |   |
| 16 | 35 |   |   |   |   |
| 17 | 36 |   |   |   |   |
| 18 | 38 |   |   |   |   |
| 19 | 24 |   |   |   |   |
| 20 |   |   |   |   |   |
| 21 |   |   |   |   |   |
| 30 | 41 |   |   |   |   |
| 31 | 43 |   |   |   |   |
| 32 | 44 |   | 1 |   |   |
| 33 | 45 |   | 2 |   |   |
| 34 | 49 |   |   | 1 |   |
| 35 | 50 |   |   | 2 |   |
| 36 | 52 |   |   |   |   |
| 37 | 53 |   |   |   |   |
| 38 | 58 |   |   |   |   |
| 39 | 59 |   |   |   |   |
| 40 | 62 |   |   |   |   |
| 41 | 67 |   |   |   |   |
| 42 | 69 |   |   |   |   |
| 43 | 72 |   |   |   |   |
| 44 | 73 |   |   |   | 1 |
| 45 | 74 |   |   |   | 2 |
| 46 | 75 |   |   |   |   |
| 47 | 76 |   |   |   |   |
| 48 | 77 |   |   |   |   |
C1..C4 - 0.1 мкФ
Увеличить |
DIP48/QFP80 специализированный адаптер для микроконтроллеров фирмы Motorola/Freescale. Размеры корпуса: 14.0 x 14.0 x 2.3 мм, (с выводами - 17.0 x 17.0), 0.65 мм шаг. |
| DIP-48 | QFP-80 | C1 | C2 | C3 | C4 |
| 1 | 9 | 1 |   |   |   |
| 2 | 10 | 2 |   |   |   |
| 3 | 11 |   |   |   |   |
| 4 | 14 |   |   |   |   |
| 5 | 15 |   |   |   |   |
| 6 | 25 |   |   |   |   |
| 7 | 26 |   |   |   |   |
| 8 | 27 |   |   |   |   |
| 9 | 28 |   |   |   |   |
| 10 | 29 |   |   |   |   |
| 11 | 30 |   |   |   |   |
| 12 | 31 |   |   |   |   |
| 13 | 32 |   |   |   |   |
| 14 | 33 |   |   |   |   |
| 15 | 34 |   |   |   |   |
| 16 | 35 |   |   |   |   |
| 17 | 36 |   |   |   |   |
| 18 | 38 |   |   |   |   |
| 19 | 24 |   |   |   |   |
| 20 |   |   |   |   |   |
| 21 |   |   |   |   |   |
| 30 | 41 |   |   |   |   |
| 31 | 43 |   |   |   |   |
| 32 | 44 |   | 1 |   |   |
| 33 | 45 |   | 2 |   |   |
| 34 | 49 |   |   | 1 |   |
| 35 | 50 |   |   | 2 |   |
| 36 | 52 |   |   |   |   |
| 37 | 53 |   |   |   |   |
| 38 | 58 |   |   |   |   |
| 39 | 59 |   |   |   |   |
| 40 | 62 |   |   |   |   |
| 41 | 67 |   |   |   |   |
| 42 | 69 |   |   |   |   |
| 43 | 72 |   |   |   |   |
| 44 | 73 |   |   |   | 1 |
| 45 | 74 |   |   |   | 2 |
| 46 | 75 |   |   |   |   |
| 47 | 76 |   |   |   |   |
| 48 | 77 |   |   |   |   |
C1..C4 - 0.1 мкФ
Увеличить |
DIP40/QFP80 специализированный адаптер для микроконтроллеров фирмы NXP/Phlips. Размеры корпуса: 12.0 x 12.0 x 1.1 мм, (корпус с выводами -14.0 x 14.0 мм), 0.5 мм шаг. |
| DIP-40 | LQFP-80 |
| 7 | 24 |
| 9 | 33 |
| 20 | 43 |
| 21 | 57 |
| 26 | 66 |
| 27 | 78 |
| 31 | 9 |
| 39 | - |
| 17 | 79 |
| 18 | 80 |
| 10 | 14 |
| 25 | 41 |
| 16 | 20 |
| 15 | 19 |
| 4 | 21 |
| 8 | 42 |
| 19 | 56 |
| 22 | 77 |
| 23 | 34 |
| 28 | 67 |
| 32 | 8 |
| 38 | 16 |
Увеличить |
DIP40/QFP80 специализированный адаптер для микроконтроллеров фирмы TI. Размеры корпуса: 12.0 x 12.0 x 1.1 мм, (с выводами - 14.0 x 14.0), 0.5 мм шаг. |
| DIP-40 | QFP-80 | |
| 40 | 1,52 |   |
| 6 | 8 |   |
| 8 | 9 |   |
| 10 | 13 | TxD |
| 13 | 22 | RxD |
| 28 | 66 |   |
| 29 | 67 |   |
| 30 | 70 |   |
| 32 | 71 |   |
| 33 | 72 |   |
| 34 | 73 |   |
| 35 | 74 |   |
| 31 | 78 |   |
| 20 | 10,11,53,79 |   |
| 36 | 80 |   |
Увеличить |
DIP40/QFP80 специализированный адаптер для микроконтроллеров PIC фирмы Microchip. Размеры корпуса: 12.0 x 12.0 x 1.1 мм, (с выводами - 14.0 x 14.0), 0.5 мм шаг. |
| DIP-40 | QFP-80 |
| 1 | 8 |
| 2 | 9 |
| 3 | 11 |
| 4 | 14 |
| 5 | 19 |
| 6 | 20 |
| 7 | 21 |
| 8 | 22 |
| 9 | 23 |
| 10 | 49 |
| 11 | 62 |
| 12 | 3 |
| 13 | 15 |
| 14 | 7 |
| 15 | 80 |
| 16 | 16 |
| 17 | 61 |
| 18 | 18 |
| 19 | 59 |
| 20 | 60 |
| 21 | 30 |
| 22 | 31 |
| 23 | 6 |
| 24 | 1 |
| 25 | 2 |
| 26 | 50 |
| 27 | 12 |
| 28 | 57 |
| 29 | 4 |
| 30 | 5 |
| 31 | 58 |
| 32 | 13 |
| 33 |   |
| 34 | 17 |
| 35 | 10 |
| 36 |   |
| 37 | 52 |
| 38 |   |
| 39 | 54 |
| 40 | 53 |
|   |   |
Увеличить |
DIP40/QFP80 специализированный адаптер для микроконтроллеров PIC фирмы Microchip. Размеры корпуса: 14.0 x 14.0 x 1.2 мм, (с выводами - 16.0 x 16.0), 0.65 мм шаг. |
| DIP-40 | QFP-80 |
| 1 | 8 |
| 2 | 9 |
| 3 | 11 |
| 4 | 14 |
| 5 | 19 |
| 6 | 20 |
| 7 | 21 |
| 8 | 22 |
| 9 | 23 |
| 10 | 49 |
| 11 | 62 |
| 12 | 3 |
| 13 | 15 |
| 14 | 7 |
| 15 | 80 |
| 16 | 16 |
| 17 | 61 |
| 18 | 18 |
| 19 | 59 |
| 20 | 60 |
| 21 | 30 |
| 22 | 31 |
| 23 | 6 |
| 24 | 1 |
| 25 | 2 |
| 26 | 50 |
| 27 | 12 |
| 28 | 57 |
| 29 | 4 |
| 30 | 5 |
| 31 | 58 |
| 32 | 13 |
| 33 |   |
| 34 | 17 |
| 35 | 10 |
| 36 |   |
| 37 | 52 |
| 38 |   |
| 39 | 54 |
| 40 | 53 |
|   |   |
Увеличить |
DIP40/QFP80 специализированный адаптер для микроконтроллеров PIC фирмы Microchip. Размеры корпуса: 12.0 x 12.0 x 1.1 мм, (с выводами - 14.0 x 14.0), 0.5 мм шаг. |
| DIP-40 | TQFP-80 |
| 1 | 9 |
| 11 | 12,32 |
| 32 | 48,71 |
| 40 | 25 |
| 12 | 11 |
| 20 | 26,31 |
| 31 | 70,51 |
| 8 | 19 |
| 9 | 20 |
Увеличить |
DIP40/QFP80 специализированный адаптер для микроконтроллеров PIC фирмы Microchip. Размеры корпуса: 14.0 x 14.0 x 1.2 мм, (с выводами - 16.0 x 16.0), 0.65 мм шаг. |
| DIP-40 | TQFP-80 |
| 1 | 9 |
| 11 | 12,32 |
| 32 | 48,71 |
| 40 | 25 |
| 12 | 11 |
| 20 | 26,31 |
| 31 | 70,51 |
| 8 | 19 |
| 9 | 20 |
Увеличить |
DIP28/QFP80 specialized adapter for STMicroelectronics microcontrollers. |
| DIP-28 | PQFP-80 | C1, 0.1мкФ | C2, 0.1мкФ |
| 1 | 23 | 1 |   |
| 2 |   |   |   |
| 3 | 27 |   |   |
| 4 | 26 |   |   |
| 5 |   |   |   |
| 6 |   |   |   |
| 7 |   |   |   |
| 8 |   |   |   |
| 9 |   |   |   |
| 10 | 18 |   | 1 |
| 11 | 25 |   |   |
| 12 | 14 |   |   |
| 13 | 15 |   |   |
| 14 | 16 |   |   |
| 15 |   |   |   |
| 16 |   |   |   |
| 17 |   |   |   |
| 18 |   |   |   |
| 19 |   |   |   |
| 20 |   |   |   |
| 21 |   |   |   |
| 22 |   |   |   |
| 23 |   |   |   |
| 24 |   |   |   |
| 25 |   |   |   |
| 26 |   |   |   |
| 27 |   |   |   |
| 28 | 24 | 2 | 2 |
Увеличить |
DIP28/QFP80 specialized adapter for STMicroelectronics microcontrollers. |
| DIP-28 | PQFP-80 | C1, 0.1мкФ | C2, 0.1мкФ |
| 1 | 30 | 1 |   |
| 2 |   |   |   |
| 3 | 23 |   |   |
| 4 | 22 |   |   |
| 5 |   |   |   |
| 6 |   |   |   |
| 7 |   |   |   |
| 8 |   |   |   |
| 9 |   |   |   |
| 10 | 21 |   | 1 |
| 11 | 24 |   |   |
| 12 | 25 |   |   |
| 13 | 26 |   |   |
| 14 | 27 |   |   |
| 15 |   |   |   |
| 16 |   |   |   |
| 17 |   |   |   |
| 18 |   |   |   |
| 19 |   |   |   |
| 20 |   |   |   |
| 21 |   |   |   |
| 22 |   |   |   |
| 23 |   |   |   |
| 24 |   |   |   |
| 25 |   |   |   |
| 26 |   |   |   |
| 27 |   |   |   |
| 28 | 31 | 2 | 2 |
Увеличить |
DIP40/QFP80 специализированный адаптер для микроконтроллеров фирмы STM. Размеры корпуса: 14.0 x 14.0 x 1.6 мм, (с выводами - 16.0 x 16.0), 0.65 мм шаг. |
| DIP-40 | QFP-80 | C1, 1мкФ |
| 14 | 1 |   |
| 17 | 4 |   |
| 18 | 5 | 1 |
|   | 6 | 2 |
| 19 | 7 |   |
| 20 | 8 |   |
| 5 | 9 |   |
| 7 | 11 |   |
| 6 | 12 |   |
| 21 | 23 |   |
| 22 | 24 |   |
| 9 | 28 |   |
| 10 | 29 |   |
| 11 | 30 |   |
| 15 | 41 |   |
| 16 | 42 |   |
| 12 | 43 |   |
| 13 | 44 |   |
| 24 | 45 |   |
| 23 | 46 |   |
| 25 | 47 |   |
| 26 | 48 |   |
| 27 | 49 |   |
| 30 | 53 |   |
| 32 | 59 |   |
| 31 | 60 |   |
| 34 | 61 |   |
| 33 | 62 |   |
| 36 | 65 |   |
| 35 | 66 |   |
| 37 | 73 |   |
| 28,29 | 74 |   |
| 39 | 75 |   |
| 38 | 76 |   |
| 40 | 77 |   |
Увеличить |
DIP40/QFP80 специализированный адаптер для микроконтроллеров фирмы STM. Размеры корпуса: 14.0 x 14.0 x 1.6 мм, (с выводами - 16.0 x 16.0), 0.65 мм шаг. |
| DIP-40 | QFP-80 | 74AHC126 | R1,510R | C1, 1мкФ | C2, 1мкФ |
| 14 | 1 |   |   |   |   |
| 17 | 4 |   |   |   |   |
| 18 | 5 |   |   | 1 |   |
|   | 6 |   |   | 2 |   |
| 19 | 7 |   |   |   |   |
| 15 | 8 |   |   |   |   |
| 21 | 23 |   |   |   |   |
| 22 | 24 |   |   |   |   |
| 26 | 48 | 2,4,5,7,9,10,12,13 |   |   | 1 |
| 27 | 49 | 14 | 1 |   | 2 |
| 28 |   | 1 |   |   |   |
| 29 | 74 | 3 | 2 |   |   |
Увеличить |
DIP40/QFP80 специализированный адаптер для микроконтроллеров фирмы STM. Размеры корпуса: 14.0 x 14.0 x 1.6 мм, (с выводами - 16.0 x 16.0), 0.65 мм шаг. |
| DIP-40 | QFP-80 | 74AHC126 | R1,510R | C2, 1мкФ |
| 14 | 6 |   |   |   |
| 17 | 14 |   |   |   |
| 18 | 38 |   |   |   |
|   | - |   |   |   |
| 19 | 15,22 |   |   |   |
| 15 |   |   |   |   |
| 21 | 16 |   |   |   |
| 23 | 13 |   |   |   |
| 26 | 48,68 | 2,4,5,7,9,10,12,13 |   | 1 |
| 27 | 37,47,67 | 14 | 1 | 2 |
| 28 |   | 1 |   |   |
| 29 | 5 | 3 | 2 |   |
Увеличить |
DIP40/QFP80 специализированный адаптер для микроконтроллеров фирмы Atmel. Размеры корпуса: 14.0 x 14.0 x 1.2 мм, (с выводами - 16.0 x 16.0), 0.65 мм шаг. |
| DIP-40 | TQFP-80 |
| 1 | 3 |
| 2 | 4 |
| 3 | 5 |
| 4 | 6 |
| 5 | 7 |
| 6 | 8 |
| 7 | 9 |
| 8 | 10 |
| 9 | 47 |
| 10 | 25 |
| 11 | 26 |
| 12 | 27 |
| 13 | 28 |
| 14 | 29 |
| 15 | 30 |
| 16 | 31 |
| 17 | 32 |
| 18 | 16 |
| 19 | 17 |
| 20 | 14,15,18,20,24,34,42,52,72 |
| 21 | 64 |
| 22 | 63 |
| 23 | 58 |
| 24 | 57 |
| 25 | 56 |
| 26 | 55 |
| 27 | 54 |
| 28 | 53 |
| 29 | 67 |
| 30 | 68 |
| 31 | 65 |
| 32 | 69 |
| 33 | 70 |
| 34 | 73 |
| 35 | 74 |
| 36 | 75 |
| 37 | 76 |
| 38 | 77 |
| 39 | 78 |
| 40 | 11,12,19,23,33,41,51,71 |
Увеличить |
DIP40/QFP80 специализированный адаптер для микроконтроллеров PIC фирмы Microchip. Размеры корпуса: 12.0 x 12.0 x 1.1 мм, (с выводами - 14.0 x 14.0), 0.5 мм шаг. |
| DIP-40 | QFP-80 | C1, 2.2 мкФ | C2, 2.2 мкФ |
| 40 | 32,48,61,66,71,25 |   |   |
| 14 | 9 |   |   |
| 19 | 49 |   |   |
| 20 | 11,31,51,57,64,67,26 | 1 | 1 |
| 31 | 70 | 2 |   |
| 3 | 19 |   |   |
| 4 | 20 |   |   |
| 8 | 21 |   |   |
| 9 | 22 |   |   |
| 11 | 23 |   |   |
| 6 | 24 |   |   |
| 28 | 47 |   |   |
| 32 | 52 |   |   |
| 5 | 59 |   |   |
| 36 | 60 |   |   |
| 1 | 12 |   | 2 |
Увеличить |
DIP40/QFP80 специализированный адаптер для микроконтроллеров PIC фирмы Microchip. Размеры корпуса: 12.0 x 12.0 x 1.1 мм, (с выводами - 14.0 x 14.0), 0.5 мм шаг. |
| DIP-40 | QFP-80 |
| 1 | 10 |
| 11 | 32,48,71,25 |
| 14 | 9 |
| 19 | 43 |
| 20 | 11,31,51,70,26 |
| 21 | 38 |
| 22 | 37 |
| 28 | 47 |
| 32 | 52 |
| 40 | 12 |
Увеличить |
DIP14/QFN16 специализированный адаптер для микроконтроллеров фирмы Microchip. Размеры корпуса: 4.0 x 4.0 x 0.9 мм, 0.65 мм шаг. |
| DIP-14 | QFN-16 |
| 1 | 16 |
| 2 | 1 |
| 3 | 2 |
| 4 | 3 |
| 5 | 4 |
| 6 | 5 |
| 7 | 6 |
| 8 | 7 |
| 9 | 8 |
| 10 | 9 |
| 11 | 10 |
| 12 | 11 |
| 13 | 12 |
| 14 | 13 |
Увеличить |
DIP16/QFN16 универсальный адаптер. Размеры корпуса: 4.0 x 4.0 x 0.9 мм, 0.65 мм шаг. |
| DIP-16 | QFN-16 |
| 1 | 1 |
| 2 | 2 |
| 3 | 3 |
| 4 | 4 |
| 5 | 5 |
| 6 | 6 |
| 7 | 7 |
| 8 | 8 |
| 9 | 9 |
| 10 | 10 |
| 11 | 11 |
| 12 | 12 |
| 13 | 13 |
| 14 | 14 |
| 15 | 15 |
| 16 | 16 |
Увеличить |
DIP8/QFN20 специализированный адаптер для микроконтроллеров фирмы Atmel. Размеры корпуса: 4.0 x 4.0 x 0.9 мм, 0.5 мм шаг. |
| DIP-8 | QFN-20 |
| 1 | 1 |
| 2 | 2 |
| 3 | 5 |
| 4 | 8 |
| 5 | 11 |
| 6 | 12 |
| 7 | 14 |
| 8 | 15 |
Увеличить |
DIP20/QFN20 специализированный адаптер для микроконтроллеров фирмы Atmel. Размеры корпуса: 4.0 x 4.0 x 0.9 мм, 0.5 мм шаг. |
| DIP-20 | QFN-20 |
| 1 | 19 |
| 2 | 20 |
| 3 | 1 |
| 4 | 2 |
| 5 | 3 |
| 6 | 4 |
| 7 | 5 |
| 8 | 6 |
| 9 | 7 |
| 10 | 8 |
| 11 | 9 |
| 12 | 10 |
| 13 | 11 |
| 14 | 12 |
| 15 | 13 |
| 16 | 14 |
| 17 | 15 |
| 18 | 16 |
| 19 | 17 |
| 20 | 18 |
Увеличить |
DIP20/QFN20 специализированный адаптер для микроконтроллеров фирмы Microchip. Размеры корпуса: 4.0 x 4.0 x 0.9 мм, 0.5 мм шаг. |
| DIP-20 | QFN-20 |
| 1 | 18 |
| 2 | 19 |
| 3 | 20 |
| 4 | 1 |
| 5 | 2 |
| 6 | 3 |
| 7 | 4 |
| 8 | 5 |
| 9 | 6 |
| 10 | 7 |
| 11 | 8 |
| 12 | 9 |
| 13 | 10 |
| 14 | 11 |
| 15 | 12 |
| 16 | 13 |
| 17 | 14 |
| 18 | 15 |
| 19 | 16 |
| 20 | 17 |
Увеличить |
DIP20/QFN20 универсальный адаптер. Размеры корпуса: 4.0 x 4.0 x 0.9 мм, 0.5 мм шаг. |
| DIP-20 | QFN-20 |
| 1 | 1 |
| 2 | 2 |
| 3 | 3 |
| 4 | 4 |
| 5 | 5 |
| 6 | 6 |
| 7 | 7 |
| 8 | 8 |
| 9 | 9 |
| 10 | 10 |
| 11 | 11 |
| 12 | 12 |
| 13 | 13 |
| 14 | 14 |
| 15 | 15 |
| 16 | 16 |
| 17 | 17 |
| 18 | 18 |
| 19 | 19 |
| 20 | 20 |
Увеличить |
DIP24/QFN24 универсальный адаптер. Размеры корпуса: 4.0 x 4.0 x 0.9 мм, 0.5 мм шаг. |
| DIP-24 | QFN-24 |
| 1 | 1 |
| 2 | 2 |
| 3 | 3 |
| 4 | 4 |
| 5 | 5 |
| 6 | 6 |
| 7 | 7 |
| 8 | 8 |
| 9 | 9 |
| 10 | 10 |
| 11 | 11 |
| 12 | 12 |
| 13 | 13 |
| 14 | 14 |
| 15 | 15 |
| 16 | 16 |
| 17 | 17 |
| 18 | 18 |
| 19 | 19 |
| 20 | 20 |
| 21 | 21 |
| 22 | 22 |
| 23 | 23 |
| 24 | 24 |
Увеличить |
DIP28/QFN28 специализированный адаптер для микроконтроллеров фирмы Atmel. Размеры корпуса: 4.0 x 4.0 мм, 0.45 мм шаг. |
| DIP-28 | QFN-28 |
| 1 | 25 |
| 2 | 26 |
| 3 | 27 |
| 4 | 28 |
| 5 | 1 |
| 6 | 2 |
| 7 | 3 |
| 8 | 4 |
| 9 | 5 |
| 10 | 6 |
| 11 | 7 |
| 12 | 8 |
| 13 | 9 |
| 14 | 10 |
| 15 | 11 |
| 16 | 12 |
| 17 | 13 |
| 18 | 14 |
| 19 | 15 |
| 20 | 16 |
| 21 | 17 |
| 22 | 18 |
| 23 | 19 |
| 24 | 20 |
| 25 | 21 |
| 26 | 22 |
| 27 | 23 |
| 28 | 24 |
Увеличить |
DIP28/QFN28 специализированный адаптер для микроконтроллеров фирмы Microchip. Размеры корпуса: 6.0 x 6.0 x 0.9 мм, 0.65 мм шаг. |
| DIP-18 | MLF-28 |
| 1 | 26 |
| 2 | 27 |
| 3 | 28 |
| 4 | 1 |
| 5 | 3,5 |
| 6 | 7 |
| 7 | 8 |
| 8 | 9 |
| 9 | 10 |
| 10 | 12 |
| 11 | 13 |
| 12 | 15 |
| 13 | 16 |
| 14 | 17,19 |
| 15 | 20 |
| 16 | 21 |
| 17 | 23 |
| 18 | 24 |
Увеличить |
DIP28/QFN28 универсальный адаптер. Размеры корпуса: 6.0 x 6.0 x 0.9 мм, 0.65 мм шаг. |
| DIP-28 | QFN-28 |
| 1 | 1 |
| 2 | 2 |
| 3 | 3 |
| 4 | 4 |
| 5 | 5 |
| 6 | 6 |
| 7 | 7 |
| 8 | 8 |
| 9 | 9 |
| 10 | 10 |
| 11 | 11 |
| 12 | 12 |
| 13 | 13 |
| 14 | 14 |
| 15 | 15 |
| 16 | 16 |
| 17 | 17 |
| 18 | 18 |
| 19 | 19 |
| 20 | 20 |
| 21 | 21 |
| 22 | 22 |
| 23 | 23 |
| 24 | 24 |
| 25 | 25 |
| 26 | 26 |
| 27 | 27 |
| 28 | 28 |
Увеличить |
DIP28/QFN32 специализированный адаптер для микроконтроллеров фирмы Atmel. Размеры корпуса: 5.0 x 5.0 x 1.0 мм, 0.5 мм шаг. |
Аналоги адаптера, поставляемые другими фирмами:
Emulation Technology: AS-32-28-01ML-3
| DIP-28 | QFN-32 |
| 1 | 29 |
| 2 | 30 |
| 3 | 31 |
| 4 | 32 |
| 5 | 1 |
| 6 | 2 |
| 7 | 4,6 |
| 8 | 3,5 |
| 9 | 7 |
| 10 | 8 |
| 11 | 9 |
| 12 | 10 |
| 13 | 11 |
| 14 | 12 |
| 15 | 13 |
| 16 | 14 |
| 17 | 15 |
| 18 | 16 |
| 19 | 17 |
| 20 | 18 |
| 21 | 20 |
| 22 | 21 |
| 23 | 23 |
| 24 | 24 |
| 25 | 25 |
| 26 | 26 |
| 27 | 27 |
| 28 | 28 |
Увеличить |
DIP32/QFN32 специализированный адаптер для микроконтроллеров фирмы Atmel. Размеры корпуса: 7.0 x 7.0 x 1.0 мм, 0.65 мм шаг. |
| DIP-32 | QFN-32 |
| 1 | 29 |
| 2 | 30 |
| 3 | 31 |
| 4 | 32 |
| 5 | 1 |
| 6 | 2 |
| 7 | 3 |
| 8 | 4 |
| 9 | 5 |
| 10 | 6 |
| 11 | 7 |
| 12 | 8 |
| 13 | 9 |
| 14 | 10 |
| 15 | 11 |
| 16 | 12 |
| 17 | 13 |
| 18 | 14 |
| 19 | 15 |
| 20 | 16 |
| 21 | 17 |
| 22 | 18 |
| 23 | 19 |
| 24 | 20 |
| 25 | 21 |
| 26 | 22 |
| 27 | 23 |
| 28 | 24 |
| 29 | 25 |
| 30 | 26 |
| 31 | 27 |
| 32 | 28 |
Увеличить |
DIP20/QFN32 специализированный адаптер для микроконтроллеров фирмы Atmel. Размеры корпуса: 5.0 x 5.0 x 1.0 мм, 0.5 мм шаг. |
| DIP-20 | QFN-32 |
| 1 | 30 |
| 2 | 31 |
| 3 | 32 |
| 4 | 2 |
| 5 | 4 |
| 6 | 5 |
| 7 | 7 |
| 8 | 8 |
| 9 | 10 |
| 10 | 11 |
| 11 | 13 |
| 12 | 14 |
| 13 | 15 |
| 14 | 17 |
| 15 | 18 |
| 16 | 21 |
| 17 | 22 |
| 18 | 23 |
| 19 | 25 |
| 20 | 26 |
Увеличить |
DIP24/QFN32 специализированный адаптер для микроконтроллеров фирмы Atmel. Размеры корпуса: 7.0 x 7.0 x 1.0 мм, 0.65 мм шаг. |
| DIP-24 | QFN-32 |
| 1 | 29 |
| 2 | 31 |
| 3 | 32 |
| 4 | 1 |
| 5 | 2 |
| 6 | 4 |
| 7 | 5 |
| 8 | 8 |
| 9 | 9 |
| 10 | 10 |
| 11 | 11 |
| 12 | 12 |
| 13 | 13 |
| 14 | 14 |
| 15 | 15 |
| 16 | 16 |
| 17 | 19 |
| 18 | 20 |
| 19 | 21 |
| 20 | 23 |
| 21 | 24 |
| 22 | 26 |
| 23 | 27 |
| 24 | 28 |
Увеличить |
DIP32/QFN32 специализированный адаптер для микроконтроллеров фирмы STMicro. Размеры корпуса: 5.0 x 5.0 x 1.0 мм, 0.5 мм шаг. |
| DIP-32 | QFN-32 | 74AHC126 | R1,510R | C1, 1мкФ | C2, 1мкФ |
| 10 | 1 |   |   |   |   |
| 13 | 4 | 2,4,5,7,9,10,12,13 |   | 1 | 1 |
| - | 5 |   |   | 2 |   |
| 15 | 6 |   |   |   |   |
| 11 | 7 | 14 | 1 |   | 2 |
| 17 | 9 |   |   |   |   |
| 19 | 10 |   |   |   |   |
| 24 |   | 1 |   |   |   |
| 25 | 26 | 3 | 2 |   |   |
Увеличить |
DIP32/QFN32 специализированный адаптер для микроконтроллеров фирмы STMicro. Размеры корпуса: 5.0 x 5.0 x 1.0 мм, 0.5 мм шаг. |
| DIP-32 | QFN-32 | 74AHC126 | R1,510R | C2, 1мкФ |
| 10 | 1 |   |   |   |
| 13 | 7 | 2,4,5,7,9,10,12,13 |   | 1 |
| 11 | 8 | 14 | 1 | 2 |
| 17 | 9 |   |   |   |
| 24 |   | 1 |   |   |
| 25 | 32 | 3 | 2 |   |
Увеличить |
DIP32/QFN32 универсальный адаптер. Размеры корпуса: 7.0 x 7.0 x 1.0 мм, 0.65 мм шаг. |
| DIP-32 | QFN-32 |
| 1 | 1 |
| 2 | 2 |
| 3 | 3 |
| 4 | 4 |
| 5 | 5 |
| 6 | 6 |
| 7 | 7 |
| 8 | 8 |
| 9 | 9 |
| 10 | 10 |
| 11 | 11 |
| 12 | 12 |
| 13 | 13 |
| 14 | 14 |
| 15 | 15 |
| 16 | 16 |
| 17 | 17 |
| 18 | 18 |
| 19 | 19 |
| 20 | 20 |
| 21 | 21 |
| 22 | 22 |
| 23 | 23 |
| 24 | 24 |
| 25 | 25 |
| 26 | 26 |
| 27 | 27 |
| 28 | 28 |
| 29 | 29 |
| 30 | 30 |
| 31 | 31 |
| 32 | 32 |
Увеличить |
DIP32/QFN32 универсальный адаптер. Размеры корпуса: 5.0 x 5.0 x 0.8-0.9 мм, 0.5 мм шаг. |
| DIP-32 | QFN-32 |
| 1 | 1 |
| 2 | 2 |
| 3 | 3 |
| 4 | 4 |
| 5 | 5 |
| 6 | 6 |
| 7 | 7 |
| 8 | 8 |
| 9 | 9 |
| 10 | 10 |
| 11 | 11 |
| 12 | 12 |
| 13 | 13 |
| 14 | 14 |
| 15 | 15 |
| 16 | 16 |
| 17 | 17 |
| 18 | 18 |
| 19 | 19 |
| 20 | 20 |
| 21 | 21 |
| 22 | 22 |
| 23 | 23 |
| 24 | 24 |
| 25 | 25 |
| 26 | 26 |
| 27 | 27 |
| 28 | 28 |
| 29 | 29 |
| 30 | 30 |
| 31 | 31 |
| 32 | 32 |
Увеличить |
DIP40/QFN40 универсальный адаптер. Размеры корпуса: 6.0 x 6.0 x 0.75 мм, 0.5 мм шаг. |
| DIP-40 | WQFN-40 |
| 1 | 1 |
| 2 | 2 |
| 3 | 3 |
| 4 | 4 |
| 5 | 5 |
| 6 | 6 |
| 7 | 7 |
| 8 | 8 |
| 9 | 9 |
| 10 | 10 |
| 11 | 11 |
| 12 | 12 |
| 13 | 13 |
| 14 | 14 |
| 15 | 15 |
| 16 | 16 |
| 17 | 17 |
| 18 | 18 |
| 19 | 19 |
| 20 | 20 |
| 21 | 21 |
| 22 | 22 |
| 23 | 23 |
| 24 | 24 |
| 25 | 25 |
| 26 | 26 |
| 27 | 27 |
| 28 | 28 |
| 29 | 29 |
| 30 | 30 |
| 31 | 31 |
| 32 | 32 |
| 33 | 33 |
| 34 | 34 |
| 35 | 35 |
| 36 | 36 |
| 37 | 37 |
| 38 | 38 |
| 39 | 39 |
| 40 | 40 |
Увеличить |
DIP40/QFN44 специализированный адаптер для AVR микроконтроллеров фирмы Atmel. Размеры корпуса: 7.0 x 7.0 x 1.0 мм, 0.5 мм шаг. |
| DIP-40 | QFP-44 | |
| 1 | 8 | PB0 |
| 2 | 9 | PB1 |
| 3 | 10 | PB2 |
| 4 | 11 | PB3 |
| 5 | 28 | PB4 |
| 6 | 29 | PB5 |
| 7 | 30 | PB6 |
| 8 | 12 | PB7 |
| 9 | 13 | RESET |
| 10 | 14,24,34,44 | Vcc |
| 11 | 5,15,23,35,43 | GND |
| 12 | 16 | XTAL2 |
| 13 | 17 | XTAL1 |
| 14 | 18 | PD0 |
| 15 | 19 | PD1 |
| 16 | 20 | PD2 |
| 17 | 21 | PD3 |
| 18 | 25 | PD4 |
| 19 | 22 | PD5 |
| 20 | 26 | PD6 |
| 21 | 27 | PD7 |
| 22 |   |   |
| 23 |   |   |
| 24 |   |   |
| 25 |   |   |
| 26 |   |   |
| 27 |   |   |
| 28 |   |   |
| 29 |   |   |
| 30 |   |   |
| 31 |   |   |
| 32 |   |   |
| 33 |   |   |
| 34 |   |   |
| 35 |   |   |
| 36 |   |   |
| 37 |   |   |
| 38 |   |   |
| 39 |   |   |
| 40 | 1 | PE6(PA0) |
Увеличить |
DIP40/QFN44 специализированный адаптер для AVR микроконтроллеров фирмы Atmel. Размеры корпуса: 7.0 x 7.0 x 1.0 мм, 0.5 мм шаг. |
| DIP-40 | QFN-44 |
| 1 | 40 |
| 2 | 41 |
| 3 | 42 |
| 4 | 43 |
| 5 | 44 |
| 6 | 1 |
| 7 | 2 |
| 8 | 3 |
| 9 | 4 |
| 10 | 5,17,38 |
| 11 | 6,18,28 |
| 12 | 7 |
| 13 | 8 |
| 14 | 9 |
| 15 | 10 |
| 16 | 11 |
| 17 | 12 |
| 18 | 13 |
| 19 | 14 |
| 20 | 15 |
| 21 | 16 |
| 22 | 19 |
| 23 | 20 |
| 24 | 21 |
| 25 | 22 |
| 26 | 23 |
| 27 | 24 |
| 28 | 25 |
| 29 | 26 |
| 30 | 27 |
| 31 | 39 |
| 32 | 29 |
| 33 | 30 |
| 34 | 31 |
| 35 | 32 |
| 36 | 33 |
| 37 | 34 |
| 38 | 35 |
| 39 | 36 |
| 40 | 37 |
Увеличить |
DIP40/QFN44 специализированный адаптер для AVR микроконтроллеров фирмы Atmel. Размеры корпуса: 7.0 x 7.0 x 0.9 мм, 0.5 мм шаг. |
| DIP-40 | QFN-44 |
| 7 | 8 |
| 8 | 9 |
| 19 | 18 |
| 20 | 19 |
| 21 | 30 |
| 22 | 31 |
| 31 | 34 |
| 32 | 35 |
| 38 | 38 |
| 39 | 39 |
Увеличить |
DIP40/QFN44 специализированный адаптер для микроконтроллеров фирмы Microchip. Размеры корпуса: 8.0 x 8.0 x 0.9 мм, 0.65 мм шаг. |
| DIP-40 | QFN-44 |
| 1 | 18 |
| 2 | 19 |
| 3 | 20 |
| 4 | 21 |
| 5 | 22 |
| 6 | 23 |
| 7 | 24 |
| 8 | 25 |
| 9 | 26 |
| 10 | 27 |
| 11 | 28,29 |
| 12 | 30,31 |
| 13 | 32 |
| 14 | 33 |
| 15 | 34 |
| 16 | 35 |
| 17 | 36 |
| 18 | 37 |
| 19 | 38 |
| 20 | 39 |
| 21 | 40 |
| 22 | 41 |
| 23 | 42 |
| 24 | 43 |
| 25 | 44 |
| 26 | 1 |
| 27 | 2 |
| 28 | 3 |
| 29 | 4 |
| 30 | 5 |
| 31 | 6 |
| 32 | 7,8 |
| 33 | 9 |
| 34 | 10 |
| 35 | 11 |
| 36 | 12 |
| 37 | 14 |
| 38 | 15 |
| 39 | 16 |
| 40 | 17 |
Увеличить |
DIP40/QFN44 специализированный адаптер для микроконтроллеров фирмы Microchip. Размеры корпуса: 8.0 x 8.0 x 0.9 мм, 0.65 мм шаг. |
| DIP-40 | QFN-44 | C1, 2.2 мкФ |
| 40 | 28,40,17 |   |
| 14 | 18 |   |
| 20 | 29,39,16 | 1 |
| 31 | 7 | 2 |
| 3 | 42 |   |
| 4 | 41 |   |
| 8, 11 | 22 |   |
| 9, 6 | 21 |   |
| 28 | 6 |   |
| 5 | 8 |   |
| 36 | 9 |   |
Увеличить |
DIP40/QFN44 специализированный адаптер для микроконтроллеров фирмы Microchip. Размеры корпуса: 8.0 x 8.0 x 0.9 мм, 0.65 мм шаг. |
| DIP-40 | QFN-44 | C1, 2.2 мкФ |
| 40 | 29,40,17 |   |
| 14 | 18 |   |
| 20 | 30,39,6,16 | 1 |
| 31 | 7 | 2 |
| 8, 11 | 1 |   |
| 9, 6 | 44 |   |
Увеличить |
DIP40/QFN48 специализированный адаптер для микроконтроллеров Cypress POSC1. Размеры корпуса: 7.0 x 7.0 x 1.0 мм, 0.5 мм шаг. |
| DIP-40 | QFN-48 |
| 11 | 17 |
| 14 | 18 |
| 13 | 19 |
| 17 | 29 |
| 40 | 42 |
Увеличить |
DIP40/QFN48 специализированный адаптер для микроконтроллеров фирмы Atmel. . Размеры корпуса: 7.0 x 7.0 x 1.0 мм, 0.5 мм шаг. |
| DIP-40 | QFN-48 | |
| 1 | 19 | PGMD0 |
| 2 | 17 | PGMD1 |
| 3 | 16 | PGMD2 |
| 4 | 15 | PGMD3 |
| 5 | 14 | PGMD4 |
| 6 | 9 | PGMD5 |
| 7 | 10 | PGMD6 |
| 8 | 11 | PGMD7 |
| 9 |   |   |
| 10 | 18, 41, 48 | VddCORE, VddPLL |
| 11 |   |   |
| 12 |   | PGMD8 |
| 13 |   | PGMD9 |
| 14 |   | PGMD10 |
| 15 |   | PGMD11 |
| 16 |   | PGMD12 |
| 17 |   | PGMD13 |
| 18 |   | PGMD14 |
| 19 |   | PGMD15 |
| 20 | 2, 32, 34, 44 | GND |
| 21 | 24 | PGMNVALID |
| 22 | 23 | PGMM0 |
| 23 | 22 | PGMM1 |
| 24 | 21 | PGMM2 |
| 25 | 20 | PGMM3 |
| 26 |   |   |
| 27 | 28 | PGMNCMD |
| 28 | 27 | PGMRDY |
| 29 | 26 | PGMNOE |
| 30 |   |   |
| 31 | 42 | ERASE |
| 32 |   |   |
| 33 |   |   |
| 34 | 13,30,33,35,36,43 | VddIO, VddFLASH |
| 35 |   |   |
| 36 |   |   |
| 37 |   |   |
| 38 | 46 | XIN |
| 39 |   |   |
| 40 |   |   |
Увеличить |
DIP40/QFN48 специализированный адаптер для микроконтроллеров фирмы STMicro. . Размеры корпуса: 7.0 x 7.0 x 1.0 мм, 0.5 мм шаг. |
| DIP-40 | QFN-48 | C1, 0.1 uF |
| 5 | 5 |   |
| 6 | 6 |   |
| 7 | 7 |   |
| 19 | 20 |   |
| 36 | 44 |   |
| 22 | 30 |   |
| 23 | 31 |   |
| 26 | 34 |   |
| 29 | 37 |   |
| 30 | 38 |   |
| 31 | 39 |   |
| 32 | 40 |   |
| 40 | 1,9,24,36,48 | 1 |
| 20 | 8,23,35,47 | 2 |
Увеличить |
DIP40/QFN48 специализированный адаптер для микроконтроллеров фирмы STMicro. . Размеры корпуса: 7.0 x 7.0 x 1.0 мм, 0.5 мм шаг. |
| DIP-40 | QFN-48 | C1,2.2uF | C2,2.2uF | C3,2.2uF |
| 5 | 48 |   |   |   |
| 6 | 47 |   |   |   |
| 7 | 12 |   |   |   |
| 19 | 18 |   |   |   |
| 36 | 27 |   |   |   |
| 22 | 30 |   |   |   |
| 23 | 31 |   |   |   |
| 26 | 35 |   |   |   |
| 29 | 32 |   |   |   |
| 30 | 34 |   |   |   |
| 31 | 33 |   |   |   |
| 32 | 40 |   |   |   |
| 40 | 16,23,28,37 | 1 |   |   |
| - | 17,44 |   | 1 |   |
| - | 1,2,5,8,10,15,39,45,46 |   |   | 1 |
| 20 | 49 | 2 | 2 | 2 |
Увеличить |
DIP40/QFN48 специализированный адаптер для микроконтроллеров фирмы STMicro. . Размеры корпуса: 7.0 x 7.0 x 1.0 мм, 0.5 мм шаг. |
| DIP-40 | QFN-48 | 74AHC126 | R1,510R | C1, 1мкФ | C2, 1мкФ |
| 14 | 1 |   |   |   |   |
| 17 | 4 |   |   |   |   |
| 18 | 5 |   |   | 1 |   |
|   | 6 |   |   | 2 |   |
| 19 | 7 |   |   |   |   |
| 20 | 8 |   |   |   |   |
| 21 | 13 |   |   |   |   |
| 22 | 14 |   |   |   |   |
| 26 | 31 | 2,4,5,7,9,10,12,13 |   |   | 1 |
| 27 | 32 | 14 | 1 |   | 2 |
| 28 |   | 1 |   |   |   |
| 29 | 42 | 3 | 2 |   |   |
Увеличить |
DIP40/QFN48 специализированный адаптер для микроконтроллеров фирмы STMicro. . Размеры корпуса: 7.0 x 7.0 x 1.0 мм, 0.5 мм шаг. |
| DIP-40 | QFN-48 | 74AHC126 | R1,510R | C2, 1мкФ |
| 14 | 2 |   |   |   |
| 18 | 40 |   |   |   |
| 19 | 39 |   |   |   |
| 15 | 13 |   |   |   |
| 21 | 11 |   |   |   |
| 26 | 9 | 2,4,5,7,9,10,12,13 |   | 1 |
| 27 | 10 | 14 | 1 | 2 |
| 28 |   | 1 |   |   |
| 29 | 1 | 3 | 2 |   |
Увеличить |
DIP48/QFN48 универсальный адаптер. Размеры корпуса: 7.0 x 7.0 x 1.0 мм, 0.5 мм шаг. |
| DIP-48 | QFN-48 |
| 1 | 1 |
| 2 | 2 |
| 3 | 3 |
| 4 | 4 |
| 5 | 5 |
| 6 | 6 |
| 7 | 7 |
| 8 | 8 |
| 9 | 9 |
| 10 | 10 |
| 11 | 11 |
| 12 | 12 |
| 13 | 13 |
| 14 | 14 |
| 15 | 15 |
| 16 | 16 |
| 17 | 17 |
| 18 | 18 |
| 19 | 19 |
| 20 | 20 |
| 21 | 21 |
| 22 | 22 |
| 23 | 23 |
| 24 | 24 |
| 25 | 25 |
| 26 | 26 |
| 27 | 27 |
| 28 | 28 |
| 29 | 29 |
| 30 | 30 |
| 31 | 31 |
| 32 | 32 |
| 33 | 33 |
| 34 | 34 |
| 35 | 35 |
| 36 | 36 |
| 37 | 37 |
| 38 | 38 |
| 39 | 39 |
| 40 | 40 |
| 41 | 41 |
| 42 | 42 |
| 43 | 43 |
| 44 | 44 |
| 45 | 45 |
| 46 | 46 |
| 47 | 47 |
| 48 | 48 |
Увеличить |
DIP40/QFN64 специализированный адаптер для микроконтроллеров фирмы Atmel. Размеры корпуса: 9.0 x 9.0 x 0.9 мм, 0.5 мм шаг. |
| DIP-40 | QFN-64 |
| 1 | 10 |
| 2 | 11 |
| 3 | 12 |
| 4 | 13 |
| 5 | 14 |
| 6 | 15 |
| 7 | 16 |
| 8 | 17 |
| 9 | 20 |
| 10 | 25 |
| 11 | 26 |
| 12 | 27 |
| 13 | 28 |
| 14 | 29 |
| 15 | 30 |
| 16 | 31 |
| 17 | 32 |
| 18 | 23 |
| 19 | 24 |
| 20 | 22,53,63 |
| 21 | 35 |
| 22 | 36 |
| 23 | 37 |
| 24 | 38 |
| 25 | 39 |
| 26 | 40 |
| 27 | 41 |
| 28 | 42 |
| 29 | 4 |
| 30 | 3 |
| 31 | 2 |
| 32 | 44 |
| 33 | 45 |
| 34 | 46 |
| 35 | 47 |
| 36 | 48 |
| 37 | 49 |
| 38 | 50 |
| 39 | 51 |
| 40 | 21,52,64 |
Увеличить |
DIP40/QFN64 специализированный адаптер для микроконтроллеров фирмы Atmel. Размеры корпуса: 9.0 x 9.0 x 0.9 мм, 0.5 мм шаг. |
| DIP-40 | QFN-64 |
| 1 | 36 |
| 2 | 37 |
| 3 | 38 |
| 4 | 39 |
| 5 | 40 |
| 6 | 41 |
| 7 | 42 |
| 8 | 43 |
| 9 | 20 |
| 10 | 25 |
| 11 | 26 |
| 12 | 27 |
| 13 | 28 |
| 14 | 29 |
| 15 | 30 |
| 16 | 31 |
| 17 | 32 |
| 18 | 11 |
| 19 | 33 |
| 20 | 20,24,35,45,55,58 |
| 21 | - |
| 22 | - |
| 23 | - |
| 24 | - |
| 25 | - |
| 26 | - |
| 27 | - |
| 28 | - |
| 29 |   |
| 30 |   |
| 31 |   |
| 32 |   |
| 33 |   |
| 34 |   |
| 35 |   |
| 36 |   |
| 37 |   |
| 38 |   |
| 39 | 48 |
| 40 | 23,34,44,54,59 |
Увеличить |
DIP40/QFN64 специализированный адаптер для микроконтроллеров фирмы Energy Micro. . Размеры корпуса: 9.0 x 9.0 x 1.0 мм, 0.5 мм шаг. |
| DIP-40 | QFN-64 | C1,1uF | C2,1uF |
| 1 | 1 |   |   |
| 2 | 2 |   |   |
| 3 | 3 |   |   |
| 4 | 4 |   |   |
| 5 | 5 |   |   |
| 6 | 6 |   |   |
| 7 | 20 |   |   |
| 8 | 9 |   |   |
| 9 | 10 |   |   |
| 10 | 11 |   |   |
| 26 | 50 |   |   |
| 29 | 49 |   |   |
| - | 40 |   | 1 |
| 33 | 39 |   |   |
| 32 | 23,27 |   |   |
| 40 | 8,26,55 | 1 |   |
| 20 | 0 | 2 | 2 |
| 34 | 59 |   |   |
| 35 | 60 |   |   |
| 36 | 61 |   |   |
| 37 | 62 |   |   |
| 38 | 63 |   |   |
Увеличить |
DIP40/QFN64 специализированный адаптер для микроконтроллеров фирмы TI. Размеры корпуса: 9.0 x 9.0 x 0.9 мм, 0.5 мм шаг. |
| DIP-40 | QFN-64 | ||
| 40 | 1 |   |   |
| 6 | 8 |   |   |
| 8 | 9 |   |   |
| 7 | 10 |   |   |
| 10 | 13 | P1.1 | TxD |
| 13 | 22 | P2.2 | RxD |
| 28 | 52 |   |   |
| 29 | 53 |   |   |
| 30 | 54 |   |   |
| 32 | 55 |   |   |
| 33 | 56 |   |   |
| 34 | 57 |   |   |
| 35 | 58 |   |   |
| 31 | 62 |   |   |
| 20 | 63 |   |   |
| 36 | 64 |   |   |
Увеличить |
DIP40/QFN64 специализированный адаптер для микроконтроллеров фирмы Atmel. Размеры корпуса: 9.0 x 9.0 x 0.9 мм, 0.5 мм шаг. |
| DIP-40 | QFN-64 | |
| 1 | 27 | PGMD0 |
| 2 | 22 | PGMD1 |
| 3 | 21 | PGMD2 |
| 4 | 20 | PGMD3 |
| 5 | 19 | PGMD4 |
| 6 | 9 | PGMD5 |
| 7 | 10 | PGMD6 |
| 8 | 13 | PGMD7 |
| 9 |   |   |
| 10 | 12, 24,54,64 | VddCORE, VddPLL |
| 11 |   |   |
| 12 | 16 | PGMD8 |
| 13 | 11 | PGMD9 |
| 14 | 14 | PGMD10 |
| 15 | 15 | PGMD11 |
| 16 | 23 | PGMD12 |
| 17 | 25 | PGMD13 |
| 18 | 26 | PGMD14 |
| 19 | 37 | PGMD15 |
| 20 | 2, 17, 44, 46, 60 | GND |
| 21 | 32 | PGMNVALID |
| 22 | 31 | PGMM0 |
| 23 | 30 | PGMM1 |
| 24 | 29 | PGMM2 |
| 25 | 28 | PGMM3 |
| 26 |   |   |
| 27 | 36 | PGMNCMD |
| 28 | 35 | PGMRDY |
| 29 | 34 | PGMNOE |
| 30 |   |   |
| 31 | 55 | ERASE |
| 32 |   |   |
| 33 |   |   |
| 34 | 18,40,45,47,48,58,59 | VddIO, VddFLASH |
| 35 |   |   |
| 36 |   |   |
| 37 |   |   |
| 38 | 62 | XIN |
| 39 |   |   |
| 40 |   |   |
Увеличить |
DIP40/QFN64 специализированный адаптер для микроконтроллеров фирмы Atmel. Размеры корпуса: 9.0 x 9.0 x 0.9 мм, 0.5 мм шаг. |
| DIP-40 | QFN-64 |
| 7 | 14 |
| 8 | 15 |
| 19 | 24 |
| 20 | 25 |
| 21 | 34 |
| 22 | 35 |
| 27 | 44 |
| 28 | 45 |
| 29 | 52 |
| 30 | 53 |
| 31 | 56 |
| 32 | 57 |
| 38 | 60 |
| 39 | 61 |
Увеличить |
DIP40/QFN68 специализированный адаптер для микроконтроллеров фирмы Cypress. Размеры корпуса: 8.0 x 8.0 x 0.9 мм, 0.4 мм шаг. |
| DIP-40 | QFN68 |
| 14 | 7 |
| 11 | 19 |
| 15 | 20 |
| 18 | 23 |
| 13 | 32 |
| 17 | 46 |
| 23 | 59 |
| 40 | 60 |
Увеличить |
DIP28/SOIC28 специализированный адаптер для микросхем памяти серии 25xxx. Размеры корпуса: ширина - 7.65 мм (300mil), 1.27мм шаг. |
| DIP-28 | SOIC-28 | 74AHC14 | С1, 0.1мкФ | С2, 75пФ |
| 1 | 1 |   |   |   |
| 2 | 2 | 14 | 1 |   |
| 3 | 3 |   |   |   |
| 4 | 4 |   |   |   |
| 5 | 5 |   |   |   |
| 6 | 6 |   |   |   |
| 7 | 7 |   |   |   |
| 8 | 8 |   |   |   |
| 9 | 9 |   |   |   |
| 10 | 10 |   |   |   |
| 11 | 11 |   |   |   |
| 12 | 12 |   |   |   |
| 13 | 13 |   |   |   |
| 14 | 14 |   |   |   |
| 15 | 15 |   |   |   |
| 16 | 16 |   |   |   |
| 17 | 17 |   |   |   |
| 18 | 18 |   |   |   |
| 19 | 19 |   |   |   |
| 20 | 20 |   |   |   |
| 21 | 21 |   |   |   |
| 22 | 22 | 5,7,9,11,13 | 2 | 1 |
| 23 | 23 |   |   |   |
| 24 | 24 |   |   |   |
| 25 | 25 |   |   |   |
| 26 | 26 |   |   |   |
| 27 | 27 |   |   |   |
|   | 28 | 4 |   |   |
| 28 |   | 1 |   | 2 |
|   |   | 2.3 |   |   |
Увеличить |
DIP28/SOIC28 универсальный адаптер. Размеры корпуса микросхемы: ширина - 7.65 мм (300mil), 1.27мм шаг. |
Аналоги адаптера, поставляемые другими фирмами:
Logical Systems: PA28SO1-08-3
| DIP-28 | SOIC-28 |
| 1 | 1 |
| 2 | 2 |
| 3 | 3 |
| 4 | 4 |
| 5 | 5 |
| 6 | 6 |
| 7 | 7 |
| 8 | 8 |
| 9 | 9 |
| 10 | 10 |
| 11 | 11 |
| 12 | 12 |
| 13 | 13 |
| 14 | 14 |
| 15 | 15 |
| 16 | 16 |
| 17 | 17 |
| 18 | 18 |
| 19 | 19 |
| 20 | 20 |
| 21 | 21 |
| 22 | 22 |
| 23 | 23 |
| 24 | 24 |
| 25 | 25 |
| 26 | 26 |
| 27 | 27 |
| 28 | 28 |
Увеличить |
DIP20/SOIC20 специализированный адаптер для микросхем памяти серии 25xxx. Размеры корпуса: ширина - 5.3 мм (208mil), 1.27мм шаг. |
| DIP-20 | SOIC-20 | 74AHC14 | C1, 0.1мкФ |
| 1 | 1 |   |   |
| 2 | 2 |   |   |
| 3 | 3 |   |   |
| 4 | 4 | 1,3,5,7,13 | 1 |
| 5 | 5 |   |   |
| 6 | 6 |   |   |
| 7 | 7 |   |   |
| 8 | 8 |   |   |
| 9 | 9 |   |   |
| 10 | 10 |   |   |
| 11 | 11 |   |   |
| 12 | 12 |   |   |
| 13 | 13 |   |   |
| 14 | 14 |   |   |
| 15 | 15 |   |   |
| 16 | 16 |   |   |
| 17 | 17 |   |   |
|   | 18 | 8 |   |
| 18 |   | 11 |   |
| 19 | 19 |   |   |
| 20 | 20 | 14 | 2 |
|   |   | 9,10 |   |
Увеличить |
DIP28/SOIC20 specialized adapter for STMicroelectronics STM8 family. |
| DIP-28 | SOIC-28 | 74AHC126 | R1,510R | R2,510R | C1, 1мкФ | C2, 1мкФ |
| 8 | 8 |   |   |   |   |   |
| 11 | 11 | 2,5,7,9,10,12,13 |   |   | 1 | 1 |
| 12 | 12 |   |   |   | 2 |   |
| 13,14 | 13 | 14 | 1 | 1 |   | 2 |
| 15 | - |   |   |   |   |   |
| 16 | - |   |   |   |   |   |
| 22 |   | 1,4 |   |   |   |   |
| 23 | 22 | 3 | 2 |   |   |   |
| 21 | 7 | 6 |   | 2 |   |   |
Увеличить |
DIP20/SOIC20 универсальный адаптер. Размеры корпуса микросхемы: ширина - 5.3 мм (208mil), 1.27мм шаг. |
| DIP-20 | SOIC-20 |
| 1 | 1 |
| 2 | 2 |
| 3 | 3 |
| 4 | 4 |
| 5 | 5 |
| 6 | 6 |
| 7 | 7 |
| 8 | 8 |
| 9 | 9 |
| 10 | 10 |
| 11 | 11 |
| 12 | 12 |
| 13 | 13 |
| 14 | 14 |
| 15 | 15 |
| 16 | 16 |
| 17 | 17 |
| 18 | 18 |
| 19 | 19 |
| 20 | 20 |
Увеличить |
DIP28/SOIC28 универсальный адаптер. Размеры корпуса микросхемы: ширина - 8.7 мм (330mil), 1.27мм шаг. |
Аналоги адаптера, поставляемые другими фирмами:
Logical Systems: PA28SO1-06-3
| DIP-28 | SOIC-28 |
| 1 | 1 |
| 2 | 2 |
| 3 | 3 |
| 4 | 4 |
| 5 | 5 |
| 6 | 6 |
| 7 | 7 |
| 8 | 8 |
| 9 | 9 |
| 10 | 10 |
| 11 | 11 |
| 12 | 12 |
| 13 | 13 |
| 14 | 14 |
| 15 | 15 |
| 16 | 16 |
| 17 | 17 |
| 18 | 18 |
| 19 | 19 |
| 20 | 20 |
| 21 | 21 |
| 22 | 22 |
| 23 | 23 |
| 24 | 24 |
| 25 | 25 |
| 26 | 26 |
| 27 | 27 |
| 28 | 28 |
Увеличить |
DIP32/SOIC32 универсальный адаптер. Размеры корпуса микросхемы: ширина - 7.5 мм (300mil), 1.27мм шаг. |
| DIP-32 | SOIC-32 |
| 1 | 1 |
| 2 | 2 |
| 3 | 3 |
| 4 | 4 |
| 5 | 5 |
| 6 | 6 |
| 7 | 7 |
| 8 | 8 |
| 9 | 9 |
| 10 | 10 |
| 11 | 11 |
| 12 | 12 |
| 13 | 13 |
| 14 | 14 |
| 15 | 15 |
| 16 | 16 |
| 17 | 17 |
| 18 | 18 |
| 19 | 19 |
| 20 | 20 |
| 21 | 21 |
| 22 | 22 |
| 23 | 23 |
| 24 | 24 |
| 25 | 25 |
| 26 | 26 |
| 27 | 27 |
| 28 | 28 |
| 29 | 29 |
| 30 | 30 |
| 31 | 31 |
| 32 | 32 |
Увеличить |
DIP16/SOIC16 специализированный адаптер для микросхем памяти серии 25xxx. Размеры корпуса: ширина - 5.3 мм (208mil), 1.27мм шаг. |
| DIP-16 | SOIC-16 | 74AHC14 | C1, 0.1мкФ |
| 1 | 1 |   |   |
| 2 | 2 |   |   |
| 3 | 3 |   |   |
| 4 | 4 | 1,3,5,7,13 | 1 |
| 5 | 5 |   |   |
| 6 | 6 |   |   |
| 7 | 7 |   |   |
| 8 | 8 |   |   |
| 9 | 9 |   |   |
| 10 | 10 |   |   |
| 11 | 11 |   |   |
| 12 | 12 |   |   |
| 13 | 13 |   |   |
|   | 14 | 8 |   |
| 14 |   | 11 |   |
| 15 | 15 |   |   |
| 16 | 16 | 14 | 2 |
|   |   | 9,10 |   |
Увеличить |
DIP16/SOIC16 специализированный адаптер для микросхем памяти серии 45xxx. Размеры корпуса: ширина - 5.3 мм (208mil), 1.27мм шаг. |
| DIP-16 | SOIC-16 | 74AHC14 | C1, 0.1мкФ |
| 1 | 1 |   |   |
|   | 2 | 4 |   |
| 2 |   | 1 |   |
| 3 | 3 |   |   |
| 4 | 4 |   |   |
| 5 | 5 |   |   |
| 6 | 6 |   |   |
| 7 | 7 |   |   |
| 8 | 8 |   |   |
| 9 | 9 |   |   |
| 10 | 10 |   |   |
| 11 | 11 |   |   |
| 12 | 12 |   |   |
| 13 | 13 |   |   |
| 14 | 14 | 14 | 2 |
| 15 | 15 | 5,7,9,11,13 | 1 |
| 16 | 16 |   |   |
|   |   | 2,3 |   |
Увеличить |
DIP16/SOIC16 специализированный адаптер для микросхем памяти серии 25xxx. Размеры корпуса: ширина - 3.9 мм (150mil), 1.27мм шаг. |
| DIP-16 | SOIC-16 | 74AHC14 | C1, 0.1мкФ |
| 1 | 1 |   |   |
| 2 | 2 |   |   |
| 3 | 3 |   |   |
| 4 | 4 | 1,3,5,7,13 | 1 |
| 5 | 5 |   |   |
| 6 | 6 |   |   |
| 7 | 7 |   |   |
| 8 | 8 |   |   |
| 9 | 9 |   |   |
| 10 | 10 |   |   |
| 11 | 11 |   |   |
| 12 | 12 |   |   |
| 13 | 13 |   |   |
|   | 14 | 8 |   |
| 14 |   | 11 |   |
| 15 | 15 |   |   |
| 16 | 16 |   | 2 |
|   |   | 9,10 |   |
Увеличить |
DIP16/SOIC16 специализированный адаптер для микросхем памяти серии 45xxx. Размеры корпуса: ширина - 3.9 мм (150mil), 1.27мм шаг. |
| DIP-16 | SOIC-16 | 74AHC14 | C1, 0.1мкФ |
| 1 | 1 |   |   |
|   | 2 | 4 |   |
| 2 |   | 1 |   |
| 3 | 3 |   |   |
| 4 | 4 |   |   |
| 5 | 5 |   |   |
| 6 | 6 |   |   |
| 7 | 7 |   |   |
| 8 | 8 |   |   |
| 9 | 9 |   |   |
| 10 | 10 |   |   |
| 11 | 11 |   |   |
| 12 | 12 |   |   |
| 13 | 13 |   |   |
| 14 | 14 | 14 | 2 |
| 15 | 15 | 5,7,9,11,13 | 1 |
| 16 | 16 |   |   |
|   |   | 2,3 |   |
Увеличить |
DIP16/SOIC16 специализированный адаптер для микросхем памяти серии 25xxx. Размеры корпуса: ширина - 4.4 мм (173mil), 1.27мм шаг. |
| DIP-16 | SOIC-16 | 74AHC14 | C1, 0.1мкФ |
| 1 | 1 |   |   |
| 2 | 2 |   |   |
| 3 | 3 |   |   |
| 4 | 4 | 1,3,5,7,13 | 1 |
| 5 | 5 |   |   |
| 6 | 6 |   |   |
| 7 | 7 |   |   |
| 8 | 8 |   |   |
| 9 | 9 |   |   |
| 10 | 10 |   |   |
| 11 | 11 |   |   |
| 12 | 12 |   |   |
| 13 | 13 |   |   |
|   | 14 | 8 |   |
| 14 |   | 11 |   |
| 15 | 15 |   |   |
| 16 | 16 |   | 2 |
|   |   | 9,10 |   |
Увеличить |
DIP16/SOIC16 специализированный адаптер для микросхем памяти серии 45xxx. Размеры корпуса: ширина - 4.4 мм (173mil), 1.27мм шаг. |
| DIP-16 | SOIC-16 | 74AHC14 | C1, 0.1мкФ |
| 1 | 1 |   |   |
|   | 2 | 4 |   |
| 2 |   | 1 |   |
| 3 | 3 |   |   |
| 4 | 4 |   |   |
| 5 | 5 |   |   |
| 6 | 6 |   |   |
| 7 | 7 |   |   |
| 8 | 8 |   |   |
| 9 | 9 |   |   |
| 10 | 10 |   |   |
| 11 | 11 |   |   |
| 12 | 12 |   |   |
| 13 | 13 |   |   |
| 14 | 14 | 14 | 2 |
| 15 | 15 | 5,7,9,11,13 | 1 |
| 16 | 16 |   |   |
|   |   | 2,3 |   |
Увеличить |
DIP16/SOIC16 универсальный адаптер. Размеры корпуса микросхемы: ширина - 5.3 мм (208mil), 1.27мм шаг. |
Аналоги адаптера, поставляемые другими фирмами:
Logical Systems: PA16SO1-2006-3
| DIP-16 | SOIC-16 |
| 1 | 1 |
| 2 | 2 |
| 3 | 3 |
| 4 | 4 |
| 5 | 5 |
| 6 | 6 |
| 7 | 7 |
| 8 | 8 |
| 9 | 9 |
| 10 | 10 |
| 11 | 11 |
| 12 | 12 |
| 13 | 13 |
| 14 | 14 |
| 15 | 15 |
| 16 | 16 |
Увеличить |
DIP16/SOIC16 универсальный адаптер. Размеры корпуса микросхемы: ширина - 3.9 мм (150mil), 1.27мм шаг. |
Аналоги адаптера, поставляемые другими фирмами:
Logical Systems: PA16S01-03-03
| DIP-16 | SOIC-16 |
| 1 | 1 |
| 2 | 2 |
| 3 | 3 |
| 4 | 4 |
| 5 | 5 |
| 6 | 6 |
| 7 | 7 |
| 8 | 8 |
| 9 | 9 |
| 10 | 10 |
| 11 | 11 |
| 12 | 12 |
| 13 | 13 |
| 14 | 14 |
| 15 | 15 |
| 16 | 16 |
Увеличить |
DIP16/SOIC16 универсальный адаптер. Размеры корпуса микросхемы: ширина - 4.4 мм (173mil), 1.27мм шаг. |
| DIP-16 | MSOP-16 |
| 1 | 1 |
| 2 | 2 |
| 3 | 3 |
| 4 | 4 |
| 5 | 5 |
| 6 | 6 |
| 7 | 7 |
| 8 | 8 |
| 9 | 9 |
| 10 | 10 |
| 11 | 11 |
| 12 | 12 |
| 13 | 13 |
| 14 | 14 |
| 15 | 15 |
| 16 | 16 |
Увеличить |
DIP28/SDIP42 specialized adapter. |
| DIP-28 | SDIP-42 | C1, 0.1мкФ | C2, 0.1мкФ |
| 1 | 12,14 | 1 |   |
| 2 |   |   |   |
| 3 | 6 |   |   |
| 4 | 7 |   |   |
| 5 |   |   |   |
| 6 |   |   |   |
| 7 |   |   |   |
| 8 |   |   |   |
| 9 |   |   |   |
| 10 | 15 |   | 1 |
| 11 | 16 |   |   |
| 12 | 18 |   |   |
| 13 | 19 |   |   |
| 14 | 20 |   |   |
| 15 |   |   |   |
| 16 |   |   |   |
| 17 |   |   |   |
| 18 |   |   |   |
| 19 |   |   |   |
| 20 |   |   |   |
| 21 |   |   |   |
| 22 |   |   |   |
| 23 |   |   |   |
| 24 |   |   |   |
| 25 |   |   |   |
| 26 |   |   |   |
| 27 |   |   |   |
| 28 | 11,13 | 2 | 2 |
Первый вывод микросхемы необходимо устанавливать в первый вывод сокетки SDIP-56.
Увеличить |
DIP42/SDIP42 universal shrink DIP adapter. |
| DIP-42 | DIP-56 |
| 1 | 8 |
| 2 | 9 |
| 3 | 10 |
| 4 | 11 |
| 5 | 12 |
| 6 | 13 |
| 7 | 14 |
| 8 | 15 |
| 9 | 16 |
| 10 | 17 |
| 11 | 18 |
| 12 | 19 |
| 13 | 20 |
| 14 | 21 |
| 15 | 22 |
| 16 | 23 |
| 17 | 24 |
| 18 | 25 |
| 19 | 26 |
| 20 | 27 |
| 21 | 28 |
| 22 | 29 |
| 23 | 30 |
| 24 | 31 |
| 25 | 32 |
| 26 | 33 |
| 27 | 34 |
| 28 | 35 |
| 29 | 36 |
| 30 | 37 |
| 31 | 38 |
| 32 | 39 |
| 33 | 40 |
| 34 | 41 |
| 35 | 42 |
| 36 | 43 |
| 37 | 44 |
| 38 | 45 |
| 39 | 46 |
| 40 | 47 |
| 41 | 48 |
| 42 | 49 |
21 вывод микросхемы необходимо устанавливать в 28 вывод сокетки SDIP-56.
Увеличить |
DIP40/SDIP56 specialized adapter. |
| DIP-40 | SDIP-56 |
| 1 | 1 |
| 2 | 2 |
| 3 | 3 |
| 4 | 4 |
| 5 | 5 |
| 6 | 6 |
| 7 | 7 |
| 8 | 8 |
| 9 | 9 |
| 10 | 10 |
| 11 | 11 |
| 12 | 13 |
| 13 | 14 |
| 14 | 31 |
| 15 |   |
| 16 |   |
| 17 |   |
| 18 |   |
| 19 |   |
| 20 |   |
| 21 |   |
| 22 |   |
| 23 |   |
| 24 |   |
| 25 |   |
| 26 | 37 |
| 27 | 33 |
| 28 | 40 |
| 29 | 41 |
| 30 | 46 |
| 31 | 47 |
| 32 | 48 |
| 33 | 49 |
| 34 | 50 |
| 35 | 51 |
| 36 | 52 |
| 37 | 53 |
| 38 | 54 |
| 39 | 55 |
| 40 | 56 |
Первый вывод микросхемы необходимо устанавливать в первый вывод сокетки SDIP-56.
Увеличить |
DIP40/SDIP56 specialized adapter for Motorola/Freescale microcontrollers. |
| DIP-40 | SDIP-56 | C1, 0.1мкФ |
| 1 | 1 |   |
| 2 | 2 |   |
| 3 | 3 |   |
| 4 | 4 |   |
| 5 | 5 |   |
| 6 | 6 |   |
| 7 | 7 |   |
| 8 | 8 |   |
| 9 | 9 |   |
| 10 | 15 |   |
| 11 | 16 |   |
| 12 | 17 |   |
| 13 | 18 |   |
| 14 | 19 |   |
| 15 | 20 |   |
| 16 | 21 |   |
| 17 | 35 |   |
| 18 | 36 |   |
| 19 | 37 |   |
| 20 | 38 |   |
| 21 | 44 |   |
| 22 | 45 | 2 |
| 23 | 48 |   |
| 24 | 49 |   |
| 25 | 50 |   |
| 26 | 51 | 1 |
| 27 | 52 |   |
| 28 | 54 |   |
| 29 | 55 |   |
| 30 | 56 |   |
| 31 |   |   |
| 32 |   |   |
| 33 |   |   |
| 34 |   |   |
| 35 |   |   |
| 36 |   |   |
| 37 |   |   |
| 38 |   |   |
| 39 |   |   |
| 40 |   |   |
Увеличить |
DIP28/SDIP56 specialized adapter for STMicroelectronics microcontrollers. |
| DIP-28 | SDIP-56 | C1, 0.1мкФ | C2, 0.1мкФ |
| 1 | 21 | 1 |   |
| 2 |   |   |   |
| 3 | 25 |   |   |
| 4 | 24 |   |   |
| 5 |   |   |   |
| 6 |   |   |   |
| 7 |   |   |   |
| 8 |   |   |   |
| 9 |   |   |   |
| 10 | 20 |   | 1 |
| 11 | 23 |   |   |
| 12 | 16 |   |   |
| 13 | 17 |   |   |
| 14 | 18 |   |   |
| 15 |   |   |   |
| 16 |   |   |   |
| 17 |   |   |   |
| 18 |   |   |   |
| 19 |   |   |   |
| 20 |   |   |   |
| 21 |   |   |   |
| 22 |   |   |   |
| 23 |   |   |   |
| 24 |   |   |   |
| 25 |   |   |   |
| 26 |   |   |   |
| 27 |   |   |   |
| 28 | 22 | 2 | 2 |
Увеличить |
DIP40/SO44 specialized adapter for FLASH memory. |
| SOIC-44 | DIP-40 | 74AHC573 | C1,150пФ | C2,0.1мкФ |
| 1 | 16 |   |   |   |
| 2 |   | 13 |   |   |
| 3 |   | 14 |   |   |
| 4 | 8 | 9 |   |   |
| 5 | 7 | 8 |   |   |
| 6 | 6 | 7 |   |   |
| 7 | 5 | 6 |   |   |
| 8 | 4 | 5 |   |   |
| 9 | 3 | 4 |   |   |
| 10 | 2 | 3 |   |   |
| 11 | 1 | 2 |   |   |
| 12 | 37 |   |   |   |
| 13 | 20 |   |   |   |
| 14 | 38 |   |   |   |
| 15 | 21 |   |   |   |
| 16 | 29 |   |   |   |
| 17 | 22 |   |   |   |
| 18 | 30 |   |   |   |
| 19 | 23 |   |   |   |
| 20 | 31 |   |   |   |
| 21 | 24 |   |   |   |
| 22 | 32 |   |   |   |
| 23 | 40 | 20 |   | 2 |
| 24 | 25 |   |   |   |
| 25 | 33 |   |   |   |
| 26 | 26 |   |   |   |
| 27 | 34 |   |   |   |
| 28 | 27 |   |   |   |
| 29 | 35 |   |   |   |
| 30 | 28 |   |   |   |
| 31 | 36 |   |   |   |
| 32 | 20 | 1, 10 | 1 | 1 |
| 33 | 39 |   |   |   |
| 34 |   | 15 |   |   |
| 35 |   | 16 |   |   |
| 36 |   | 17 |   |   |
| 37 |   | 18 |   |   |
| 38 |   | 19 |   |   |
| 39 | 12 |   |   |   |
| 40 | 11 |   |   |   |
| 41 | 10 |   |   |   |
| 42 | 9 |   |   |   |
| 43 | 15 |   |   |   |
| 44 | 14 |   |   |   |
|   | 19 | 11 | 2 |   |
Увеличить |
DIP44/SO44 universal adapter. |
Аналоги адаптера, поставляемые другими фирмами:
Logical Systems: PA44S01-OT
| SOIC-44 | DIP-44 |
| 1 | 1 |
| 2 | 2 |
| 3 | 3 |
| 4 | 4 |
| 5 | 5 |
| 6 | 6 |
| 7 | 7 |
| 8 | 8 |
| 9 | 9 |
| 10 | 10 |
| 11 | 11 |
| 12 | 12 |
| 13 | 13 |
| 14 | 14 |
| 15 | 15 |
| 16 | 16 |
| 17 | 17 |
| 18 | 18 |
| 19 | 19 |
| 20 | 20 |
| 21 | 21 |
| 22 | 22 |
| 23 | 23 |
| 24 | 24 |
| 25 | 25 |
| 26 | 26 |
| 27 | 27 |
| 28 | 28 |
| 29 | 29 |
| 30 | 30 |
| 31 | 31 |
| 32 | 32 |
| 33 | 33 |
| 34 | 34 |
| 35 | 35 |
| 36 | 36 |
| 37 | 37 |
| 38 | 38 |
| 39 | 39 |
| 40 | 40 |
| 41 | 41 |
| 42 | 42 |
| 43 | 43 |
| 44 | 44 |
Увеличить |
DIP8/SOT-23-6 specialized adapter for 24XXX serial FLASH. |
| DIP-8 | SOT-23-6 |
| 1 | - |
| 2 | - |
| 3 | - |
| 4 | 2 |
| 5 | 3 |
| 6 | 1 |
| 7 | 6 |
| 8 | 4 |
Увеличить |
DIP8/SOT-23-6 specialized adapter for 93XXX serial FLASH. |
| DIP-8 | SOT-23-6 |
| 1 | 5 |
| 2 | 4 |
| 3 | 3 |
| 4 | 1 |
| 5 | 2 |
| 6 | - |
| 7 | - |
| 8 | 6 |
Увеличить |
DIP8/SOT-23-6 specialized adapter for Microchip PIC. |
| DIP-8 | SOT-23-6 |
| 1 | - |
| 2 | 5 |
| 3 | 4 |
| 4 | 3 |
| 5 | 1 |
| 6 | - |
| 7 | 2 |
| 8 | 6 |
Увеличить |
DIP6/SOT-23-6 universal adapter. |
| DIP-6 | SOT-23-6 |
| 1 | 1 |
| 2 | 2 |
| 3 | 3 |
| 4 | 4 |
| 5 | 5 |
| 6 | 6 |
Увеличить |
DIP28/TSSOP20 specialized adapter for STMicroelectronics STM8 family. |
| DIP-28 | TSSOP-28 | 74AHC126 | R1,510R | R2,510R | C1, 1мкФ | C2, 1мкФ |
| 8 | 8 |   |   |   |   |   |
| 11 | 11 | 2,5,7,9,10,12,13 |   |   | 1 | 1 |
| 12 | 12 |   |   |   | 2 |   |
| 13,14 | 13 | 14 | 1 | 1 |   | 2 |
| 15 | - |   |   |   |   |   |
| 16 | - |   |   |   |   |   |
| 22 |   | 1,4 |   |   |   |   |
| 23 | 22 | 3 | 2 |   |   |   |
| 21 | 7 | 6 |   | 2 |   |   |
Увеличить |
DIP18/SSOP20 specialized adapter for Microchip PIC. |
Аналоги адаптера, поставляемые другими фирмами:
Logical Systems: PA20SS-BP54
| DIP-18 | SSOP-20 |
| 1 | 1 |
| 2 | 2 |
| 3 | 3 |
| 4 | 4 |
| 5 | 5,6 |
| 6 | 7 |
| 7 | 8 |
| 8 | 9 |
| 9 | 10 |
| 10 | 11 |
| 11 | 12 |
| 12 | 13 |
| 13 | 14 |
| 14 | 15,16 |
| 15 | 17 |
| 16 | 18 |
| 17 | 19 |
| 18 | 20 |
Увеличить |
DIP28/SSOP28 specialized adapter for Microchip PIC. |
Аналоги адаптера, поставляемые другими фирмами:
Logical Systems: PA28SS-P55
| DIP-28 | SSOP-28 |
| 1 | 2 |
| 2 | 3,4 |
| 3 |   |
| 4 | 1,14 |
| 5 |   |
| 6 | 5 |
| 7 | 6 |
| 8 | 7 |
| 9 | 8 |
| 10 | 9 |
| 11 | 10 |
| 12 | 11 |
| 13 | 12 |
| 14 | 13 |
| 15 | 15 |
| 16 | 16 |
| 17 | 17 |
| 18 | 18 |
| 19 | 19 |
| 20 | 20 |
| 21 | 21 |
| 22 | 22 |
| 23 | 23 |
| 24 | 24 |
| 25 | 25 |
| 26 | 26 |
| 27 | 27 |
| 28 | 28 |
Увеличить |
DIP28/SSOP28 universal adapter. |
Аналоги адаптера, поставляемые другими фирмами:
Logical Systems: PA28SS-OT-3
| DIP-28 | SSOP-28 |
| 1 | 1 |
| 2 | 2 |
| 3 | 3 |
| 4 | 4 |
| 5 | 5 |
| 6 | 6 |
| 7 | 7 |
| 8 | 8 |
| 9 | 9 |
| 10 | 10 |
| 11 | 11 |
| 12 | 12 |
| 13 | 13 |
| 14 | 14 |
| 15 | 15 |
| 16 | 16 |
| 17 | 17 |
| 18 | 18 |
| 19 | 19 |
| 20 | 20 |
| 21 | 21 |
| 22 | 22 |
| 23 | 23 |
| 24 | 24 |
| 25 | 25 |
| 26 | 26 |
| 27 | 27 |
| 28 | 28 |
Увеличить |
DIP28/SSOP28 universal adapter. |
Аналоги адаптера, поставляемые другими фирмами:
Logical Systems: PA28TSS-OT-3
| DIP-28 | SSOP-28 |
| 1 | 1 |
| 2 | 2 |
| 3 | 3 |
| 4 | 4 |
| 5 | 5 |
| 6 | 6 |
| 7 | 7 |
| 8 | 8 |
| 9 | 9 |
| 10 | 10 |
| 11 | 11 |
| 12 | 12 |
| 13 | 13 |
| 14 | 14 |
| 15 | 15 |
| 16 | 16 |
| 17 | 17 |
| 18 | 18 |
| 19 | 19 |
| 20 | 20 |
| 21 | 21 |
| 22 | 22 |
| 23 | 23 |
| 24 | 24 |
| 25 | 25 |
| 26 | 26 |
| 27 | 27 |
| 28 | 28 |
Увеличить |
DIP28/SSOP28 universal adapter. |
| DIP-28 | SSOP-28 |
| 1 | 1 |
| 2 | 2 |
| 3 | 3 |
| 4 | 4 |
| 5 | 5 |
| 6 | 6 |
| 7 | 7 |
| 8 | 8 |
| 9 | 9 |
| 10 | 10 |
| 11 | 11 |
| 12 | 12 |
| 13 | 13 |
| 14 | 14 |
| 15 | 15 |
| 16 | 16 |
| 17 | 17 |
| 18 | 18 |
| 19 | 19 |
| 20 | 20 |
| 21 | 21 |
| 22 | 22 |
| 23 | 23 |
| 24 | 24 |
| 25 | 25 |
| 26 | 26 |
| 27 | 27 |
| 28 | 28 |
Увеличить |
DIP30/SSOP30 universal adapter. |
| DIP-30 | SSOP-30 |
| 1 | 1 |
| 2 | 2 |
| 3 | 3 |
| 4 | 4 |
| 5 | 5 |
| 6 | 6 |
| 7 | 7 |
| 8 | 8 |
| 9 | 9 |
| 10 | 10 |
| 11 | 11 |
| 12 | 12 |
| 13 | 13 |
| 14 | 14 |
| 15 | 15 |
| 16 | 16 |
| 17 | 17 |
| 18 | 18 |
| 19 | 19 |
| 20 | 20 |
| 21 | 21 |
| 22 | 22 |
| 23 | 23 |
| 24 | 24 |
| 25 | 25 |
| 26 | 26 |
| 27 | 27 |
| 28 | 28 |
| 29 | 29 |
| 30 | 30 |
Увеличить |
DIP38/SSOP38 universal adapter. |
| DIP-38 | SSOP-38 |
| 1 | 1 |
| 2 | 2 |
| 3 | 3 |
| 4 | 4 |
| 5 | 5 |
| 6 | 6 |
| 7 | 7 |
| 8 | 8 |
| 9 | 9 |
| 10 | 10 |
| 11 | 11 |
| 12 | 12 |
| 13 | 13 |
| 14 | 14 |
| 15 | 15 |
| 16 | 16 |
| 17 | 17 |
| 18 | 18 |
| 19 | 19 |
| 20 | 20 |
| 21 | 21 |
| 22 | 22 |
| 23 | 23 |
| 24 | 24 |
| 25 | 25 |
| 26 | 26 |
| 27 | 27 |
| 28 | 28 |
| 29 | 29 |
| 30 | 30 |
| 31 | 31 |
| 32 | 32 |
| 33 | 33 |
| 34 | 34 |
| 35 | 35 |
| 36 | 36 |
| 37 | 37 |
| 38 | 38 |
Увеличить |
DIP8/SSOP8 universal adapter. |
| DIP-8 | SSOP-8 |
| 1 | 1 |
| 2 | 2 |
| 3 | 3 |
| 4 | 4 |
| 5 | 5 |
| 6 | 6 |
| 7 | 7 |
| 8 | 8 |
Увеличить |
DIP40/SSOP48 adapter for microcontrollers Cypress PSoC1. |
| DIP-40 | SSOP-48 |
| 15 | 13 |
| 11 | 23 |
| 14 | 24 |
| 13 | 25 |
| 17 | 35 |
| 40 | 48 |
Увеличить |
DIP48/SSOP48 universal adapter. |
| DIP-48 | SSOP-48 |
| 1 | 1 |
| 2 | 2 |
| 3 | 3 |
| 4 | 4 |
| 5 | 5 |
| 6 | 6 |
| 7 | 7 |
| 8 | 8 |
| 9 | 9 |
| 10 | 10 |
| 11 | 11 |
| 12 | 12 |
| 13 | 13 |
| 14 | 14 |
| 15 | 15 |
| 16 | 16 |
| 17 | 17 |
| 18 | 18 |
| 19 | 19 |
| 20 | 20 |
| 21 | 21 |
| 22 | 22 |
| 23 | 23 |
| 24 | 24 |
| 25 | 25 |
| 26 | 26 |
| 27 | 27 |
| 28 | 28 |
| 29 | 29 |
| 30 | 30 |
| 31 | 31 |
| 32 | 32 |
| 33 | 33 |
| 34 | 34 |
| 35 | 35 |
| 36 | 36 |
| 37 | 37 |
| 38 | 38 |
| 39 | 39 |
| 40 | 40 |
| 41 | 41 |
| 42 | 42 |
| 43 | 43 |
| 44 | 44 |
| 45 | 45 |
| 46 | 46 |
| 47 | 47 |
| 48 | 48 |
Увеличить |
DIP40/SSOP56 specialized adapter for FLASH memory. |
| DIP-40 | SSOP-56 | 74AHC573 | C1, 150пФ | C2, 0.1мкФ |
| 1 | 17 | 2 |   |   |
| 2 | 12 | 3 |   |   |
| 3 | 11 | 4 |   |   |
| 4 | 10 | 5 |   |   |
| 5 | 9 | 6 |   |   |
| 6 | 8 | 7 |   |   |
| 7 | 7 | 8 |   |   |
| 8 | 6 | 9 |   |   |
| 9 | 52 |   |   |   |
| 10 | 51 |   |   |   |
| 11 | 50 |   |   |   |
| 12 | 49 |   |   |   |
| 13 | 54 |   |   |   |
| 14 | 56 |   |   |   |
| 15 | 55 |   |   |   |
| 16 | 53 |   |   |   |
| 17 | 1 |   |   |   |
| 18 | 2 |   |   |   |
| 19 |   | 11 | 2 |   |
| 20 | 19.38 | 1, 10 | 1 | 2 |
| 21 | 21 |   |   |   |
| 22 | 23 |   |   |   |
| 23 | 25 |   |   |   |
| 24 | 27 |   |   |   |
| 25 | 30 |   |   |   |
| 26 | 32 |   |   |   |
| 27 | 34 |   |   |   |
| 28 | 36 |   |   |   |
| 29 | 22 |   |   |   |
| 30 | 24 |   |   |   |
| 31 | 26 |   |   |   |
| 32 | 28 |   |   |   |
| 33 | 31 |   |   |   |
| 34 | 33 |   |   |   |
| 35 | 35 |   |   |   |
| 36 | 37 |   |   |   |
| 37 | 18 |   |   |   |
| 38 | 20 |   |   |   |
| 39 | 39 |   |   |   |
| 40 | 29 | 20 |   | 1 |
|   | 3 | 12 |   |   |
|   | 4 | 13 |   |   |
|   | 5 | 14 |   |   |
|   | 40 | 15 |   |   |
|   | 45 | 16 |   |   |
|   | 46 | 17 |   |   |
|   | 47 | 18 |   |   |
|   | 48 | 19 |   |   |
Увеличить |
DIP40/SSOP56 specialized adapter for FLASH memory. |
| DIP-40 | SSOP-56 | 74AHC573 | C1, 150пФ | C2, 0.1мкФ |
| 1 | 13 | 2 |   |   |
| 2 | 12 | 3 |   |   |
| 3 | 11 | 4 |   |   |
| 4 | 10 | 5 |   |   |
| 5 | 9 | 6 |   |   |
| 6 | 8 | 7 |   |   |
| 7 | 7 | 8 |   |   |
| 8 | 6 | 9 |   |   |
| 9 | 52 |   |   |   |
| 10 | 51 |   |   |   |
| 11 | 50 |   |   |   |
| 12 | 49 |   |   |   |
| 13 | 54 |   |   |   |
| 14 | 2 |   |   |   |
| 15 | 1 |   |   |   |
| 16 | 3 |   |   |   |
| 17 |   |   |   |   |
| 18 |   |   |   |   |
| 19 |   | 11 | 2 |   |
| 20 | 16, 26, 41 | 1, 10 | 1 | 2 |
| 21 | 18 |   |   |   |
| 22 | 20 |   |   |   |
| 23 | 22 |   |   |   |
| 24 | 24 |   |   |   |
| 25 | 33 |   |   |   |
| 26 | 35 |   |   |   |
| 27 | 37 |   |   |   |
| 28 | 39 |   |   |   |
| 29 | 19 |   |   |   |
| 30 | 21 |   |   |   |
| 31 | 23 |   |   |   |
| 32 | 25 |   |   |   |
| 33 | 34 |   |   |   |
| 34 | 36 |   |   |   |
| 35 | 38 |   |   |   |
| 36 | 40 |   |   |   |
| 37 | 14 |   |   |   |
| 38 | 17 |   |   |   |
| 39 | 43 |   |   |   |
| 40 | 31, 32, 55 | 20 |   | 1 |
|   | 53 | 12 |   |   |
|   | 4 | 13 |   |   |
|   | 5 | 14 |   |   |
|   | 44 | 15 |   |   |
|   | 45 | 16 |   |   |
|   | 46 | 17 |   |   |
|   | 47 | 18 |   |   |
|   | 48 | 19 |   |   |
Увеличить |
DIP40/SSOP56 specialized adapter for FLASH memory. |
| DIP-40 | SSOP-56 | U1, 74AHC573 | U2, 74AHC573 | C1, 150pF | C2, 0.1uF |
| 1 | 28 |   |   |   |   |
| 2 | 7 |   |   |   |   |
| 3 |   | 11 | 11 | 1 |   |
| 4 | 55 |   |   |   |   |
| 7 | 22 |   |   |   |   |
| 8 | 20 |   |   |   |   |
| 9 | 56 |   |   |   |   |
| 10 | 43 |   |   |   |   |
| 11 | 45 |   |   |   |   |
| 12 | 46 |   |   |   |   |
| 13 | 47 |   |   |   |   |
| 14 | 48 |   |   |   |   |
| 15 | 49 |   |   |   |   |
| 16 | 50 |   |   |   |   |
| 17 | 51 |   |   |   |   |
| 18 | 37 |   |   |   |   |
| 19 | 34 |   |   |   |   |
| 20 | 15,29,44 | 1, 10 | 1, 10 | 2 | 2 |
| 21 | 1 |   |   |   |   |
| 22 | 21 |   |   |   |   |
| 23 | 38 | 2 |   |   |   |
| 24 | 39 |   | 2 |   |   |
| 25 | 40 | 3 |   |   |   |
| 26 | 41 |   | 3 |   |   |
| 27 | 33 | 4 |   |   |   |
| 28 | 32 |   | 4 |   |   |
| 29 | 31 | 5 |   |   |   |
| 30 | 30 |   | 5 |   |   |
| 31 | 27 | 6 |   |   |   |
| 32 | 26 |   | 6 |   |   |
| 33 | 25 | 7 |   |   |   |
| 34 | 24 |   | 7 |   |   |
| 35 | 16 | 8 |   |   |   |
| 36 | 17 |   | 8 |   |   |
| 37 | 18 | 9 |   |   |   |
| 38 | 19 |   | 9 |   |   |
| 39 | 36 |   |   |   |   |
| 40 | 14.42 | 20 | 20 |   | 1 |
|   | 2 | 16 |   |   |   |
|   | 3 | 15 |   |   |   |
|   | 4 | 14 |   |   |   |
|   | 5 | 13 |   |   |   |
|   | 6 |   | 14 |   |   |
|   | 8 |   | 15 |   |   |
|   | 9 |   | 16 |   |   |
|   | 10 |   | 17 |   |   |
|   | 11 |   | 18 |   |   |
|   | 12 |   | 19 |   |   |
|   | 13 | 12 |   |   |   |
|   | 23 |   | 13 |   |   |
|   | 35 |   | 12 |   |   |
|   | 52 | 19 |   |   |   |
|   | 53 | 18 |   |   |   |
|   | 54 | 17 |   |   |   |
Увеличить |
DIP40/SSOP56 specialized adapter for FLASH memory. |
| DIP-40 | SSOP-56 | 74AHC573 | C1, 150пФ | C2, 0.1мкФ |
| 1 | 21, 33 |   |   |   |
| 2 | 44 |   |   |   |
| 3 | 43 |   |   |   |
| 4 | 38 |   |   |   |
| 5 | 5 |   |   |   |
| 6 | 45 | 4 |   |   |
| 7 |   | 11 | 1 |   |
| 8 | 56 |   |   |   |
| 9 | 31 |   |   |   |
| 10 | 47 | 7 |   |   |
| 11 | 53 |   |   |   |
| 12 | 55 |   |   |   |
| 13 | 51 | 3 |   |   |
| 14 | 39 |   |   |   |
| 15 | 26 |   |   |   |
| 16 | 16 |   |   |   |
| 17 | 18 |   |   |   |
| 18 | 17 |   |   |   |
| 19 | 42 |   |   |   |
| 20 | 4,15,20,37 | 1, 10 | 2 | 1 |
| 21 | 40 |   |   |   |
| 22 | 19 |   |   |   |
| 23 | 50 | 8 |   |   |
| 24 | 35 | 9 |   |   |
| 25 | 27 |   |   |   |
| 26 | 24 |   |   |   |
| 27 | 25 |   |   |   |
| 28 | 49 | 6 |   |   |
| 29 | 54 |   |   |   |
| 30 | 52 |   |   |   |
| 31 | 29 |   |   |   |
| 32 | 41 |   |   |   |
| 33 | 46 | 5 |   |   |
| 34 | 32 |   |   |   |
| 35 | 48 | 2 |   |   |
| 36 | 22 |   |   |   |
| 37 | 30 |   |   |   |
| 38 | 3 |   |   |   |
| 39 | 36 |   |   |   |
| 40 | 1.28 | 20 |   | 2 |
|   | 6 | 17 |   |   |
|   | 7 | 16 |   |   |
|   | 8 | 14 |   |   |
|   | 9 | 19 |   |   |
|   | 10 | 15 |   |   |
|   | 11 | 13 |   |   |
|   | 12 | 18 |   |   |
|   | 13 | 12 |   |   |
Увеличить |
DIP40/QFP44 specialized adapter for Atmel AVR devices. |
| DIP-40 | QFP-44 |
| 1 | 40 |
| 2 | 41 |
| 3 | 42 |
| 4 | 43 |
| 5 | 44 |
| 6 | 1 |
| 7 | 2 |
| 8 | 3 |
| 9 | 4 |
| 10 | 5,17,38 |
| 11 | 6,18,28 |
| 12 | 7 |
| 13 | 8 |
| 14 | 9 |
| 15 | 10 |
| 16 | 11 |
| 17 | 12 |
| 18 | 13 |
| 19 | 14 |
| 20 | 15 |
| 21 | 16 |
| 22 | 19 |
| 23 | 20 |
| 24 | 21 |
| 25 | 22 |
| 26 | 23 |
| 27 | 24 |
| 28 | 25 |
| 29 | 26 |
| 30 | 27 |
| 31 | 39 |
| 32 | 29 |
| 33 | 30 |
| 34 | 31 |
| 35 | 32 |
| 36 | 33 |
| 37 | 34 |
| 38 | 35 |
| 39 | 36 |
| 40 | 37 |
Увеличить |
DIP40/QFP44 specialized adapter for Atmel devices. |
| DIP-40 | TQFP-44 |
| 1 | 41 |
| 2 | 42 |
| 3 | 43 |
| 4 | 44 |
| 5 | 1 |
| 6 | 2 |
| 7 | 3 |
| 8 | 4 |
| 9 | 38 |
| 10 | 6 |
| 11 | 7 |
| 12 | 8 |
| 13 | 9 |
| 14 | 10 |
| 15 | 11 |
| 16 | 12 |
| 17 | 13 |
| 18 | 34 |
| 19 | 35 |
| 20 | 37.39 |
| 21 | 23 |
| 22 | 22 |
| 23 | 21 |
| 24 | 20 |
| 25 | 19 |
| 26 | 18 |
| 27 | 17 |
| 28 | 16 |
| 29 | 32 |
| 30 | 33 |
| 31 | 5 |
| 32 | 31 |
| 33 | 30 |
| 34 | 29 |
| 35 | 28 |
| 36 | 27 |
| 37 | 26 |
| 38 | 25 |
| 39 | 24 |
| 40 | 36.4 |
Увеличить |
DIP40/QFP44 specialized adapter for microcontrollers. |
Аналоги адаптера, поставляемые другими фирмами:
Logical Systems: PA51-QD-03
| DIP-40 | TQFP-44 |
| 1 | 40 |
| 2 | 41 |
| 3 | 42 |
| 4 | 43 |
| 5 | 44 |
| 6 | 1 |
| 7 | 2 |
| 8 | 3 |
| 9 | 4 |
| 10 | 5 |
| 11 | 7 |
| 12 | 8 |
| 13 | 9 |
| 14 | 10 |
| 15 | 11 |
| 16 | 12 |
| 17 | 13 |
| 18 | 14 |
| 19 | 15 |
| 20 | 16,17 |
| 21 | 18 |
| 22 | 19 |
| 23 | 20 |
| 24 | 21 |
| 25 | 22 |
| 26 | 23 |
| 27 | 24 |
| 28 | 25 |
| 29 | 26 |
| 30 | 27 |
| 31 | 29 |
| 32 | 30 |
| 33 | 31 |
| 34 | 32 |
| 35 | 33 |
| 36 | 34 |
| 37 | 35 |
| 38 | 36 |
| 39 | 37 |
| 40 | 38 |
Увеличить |
DIP40/QFP44 specialized adapter for microcontrollers. |
| DIP-40 | TQFP-44 |
| 1 | 40 |
| 2 | 41 |
| 3 | 42 |
| 4 | 43 |
| 5 | 44 |
| 6 | 1 |
| 7 | 2 |
| 8 | 3 |
| 9 | 4 |
| 10 | 5 |
| 11 | 7 |
| 12 | 8 |
| 13 | 9 |
| 14 | 10 |
| 15 | 11 |
| 16 | 12 |
| 17 | 13 |
| 18 | 14 |
| 19 | 15 |
| 20 | 16,39 |
| 21 | 18 |
| 22 | 19 |
| 23 | 20 |
| 24 | 21 |
| 25 | 22 |
| 26 | 23 |
| 27 | 24 |
| 28 | 25 |
| 29 | 26 |
| 30 | 27 |
| 31 | 29 |
| 32 | 30 |
| 33 | 31 |
| 34 | 32 |
| 35 | 33 |
| 36 | 34 |
| 37 | 35 |
| 38 | 36 |
| 39 | 37 |
| 40 | 38,17 |
Увеличить |
DIP40/QFP44 specialized adapter for Microchip PIC devices. |
Аналоги адаптера, поставляемые другими фирмами:
Logical Systems: PA16C64-QD-03
| DIP-40 | QFP-44 |
| 1 | 18 |
| 2 | 19 |
| 3 | 20 |
| 4 | 21 |
| 5 | 22 |
| 6 | 23 |
| 7 | 24 |
| 8 | 25 |
| 9 | 26 |
| 10 | 27 |
| 11 | 28 |
| 12 | 29 |
| 13 | 30 |
| 14 | 31 |
| 15 | 32 |
| 16 | 35 |
| 17 | 36 |
| 18 | 37 |
| 19 | 38 |
| 20 | 39 |
| 21 | 40 |
| 22 | 41 |
| 23 | 42 |
| 24 | 43 |
| 25 | 44 |
| 26 | 1 |
| 27 | 2 |
| 28 | 3 |
| 29 | 4 |
| 30 | 5 |
| 31 | 6 |
| 32 | 7 |
| 33 | 8 |
| 34 | 9 |
| 35 | 10 |
| 36 | 11 |
| 37 | 14 |
| 38 | 15 |
| 39 | 16 |
| 40 | 17 |
Увеличить |
DIP40/QFP44 specialized adapter for Microchip PIC devices. |
Аналоги адаптера, поставляемые другими фирмами:
Logical Systems: PA1742-QD-03
| DIP-40 | QFP-44 |
| 1 | 16,17 |
| 2 | 19 |
| 3 | 20 |
| 4 | 21 |
| 5 | 22 |
| 6 | 23 |
| 7 | 24 |
| 8 | 25 |
| 9 | 26 |
| 10 | 27,28 |
| 11 | 29 |
| 12 | 30 |
| 13 | 31 |
| 14 | 32 |
| 15 | 33 |
| 16 | 34 |
| 17 | 35 |
| 18 | 36 |
| 19 | 37 |
| 20 | 38 |
| 21 | 39 |
| 22 | 40 |
| 23 | 41 |
| 24 | 42 |
| 25 | 43 |
| 26 | 44 |
| 27 | 1 |
| 28 | 2 |
| 29 | 3 |
| 30 | 4 |
| 31 | 5,6 |
| 32 | 7 |
| 33 | 8 |
| 34 | 9 |
| 35 | 10 |
| 36 | 11 |
| 37 | 12 |
| 38 | 13 |
| 39 | 14 |
| 40 | 15 |
Увеличить |
DIP28/TSOP28 specialized adapter for Flash memory. |
Аналоги адаптера, поставляемые другими фирмами:
Logical Systems: PA28TSOP3
| DIP-28 | TSOP-28 |
| 1 | 8 |
| 2 | 9 |
| 3 | 10 |
| 4 | 11 |
| 5 | 12 |
| 6 | 13 |
| 7 | 14 |
| 8 | 15 |
| 9 | 16 |
| 10 | 17 |
| 11 | 18 |
| 12 | 19 |
| 13 | 20 |
| 14 | 21 |
| 15 | 22 |
| 16 | 23 |
| 17 | 24 |
| 18 | 25 |
| 19 | 26 |
| 20 | 27 |
| 21 | 28 |
| 22 | 1 |
| 23 | 2 |
| 24 | 3 |
| 25 | 4 |
| 26 | 5 |
| 27 | 6 |
| 28 | 7 |
Увеличить |
DIP28/TSOP28 specialized adapter for Atmel AT45xx devices. |
| DIP-28 | TSOP-28 | 74AHC14 | C1, 0.1 uF |
| 1 | 8 |   |   |
| 2 | 9 |   |   |
| 3 | 10 |   |   |
| 4 |   | 1 |   |
|   | 11 | 4 |   |
| 5 |   | 5 |   |
|   | 12 | 8 |   |
| 6 |   | 13 |   |
|   | 13 | 10 |   |
| 7 | 14 |   |   |
| 8 | 15 |   |   |
| 9 | 16 |   |   |
| 10 | 17 |   |   |
| 11 | 18 |   |   |
| 12 | 19 |   |   |
| 13 | 20 |   |   |
| 14 | 21 |   |   |
| 15 | 22 |   |   |
| 16 | 23 |   |   |
| 17 | 24 |   |   |
| 18 | 25 |   |   |
| 19 | 26 |   |   |
| 20 | 27 |   |   |
| 21 | 28 |   |   |
| 22 | 1 |   |   |
| 23 | 2 |   |   |
| 24 | 3 |   |   |
| 25 | 4 |   |   |
| 26 | 5 |   |   |
| 27 | 6 | 14 | 1 |
| 28 | 7 | 7 | 2 |
|   |   | 2,3 |   |
|   |   | 6,9 |   |
|   |   | 11,12 |   |
Увеличить |
DIP32/TSOP32 specialized adapter for Flash memory. |
Аналоги адаптера, поставляемые другими фирмами:
Logical Systems: PA32TS14-OT
| DIP-32 | TSOP-32 |
| 1 | 9 |
| 2 | 10 |
| 3 | 11 |
| 4 | 12 |
| 5 | 13 |
| 6 | 14 |
| 7 | 15 |
| 8 | 16 |
| 9 | 17 |
| 10 | 18 |
| 11 | 19 |
| 12 | 20 |
| 13 | 21 |
| 14 | 22 |
| 15 | 23 |
| 16 | 24 |
| 17 | 25 |
| 18 | 26 |
| 19 | 27 |
| 20 | 28 |
| 21 | 29 |
| 22 | 30 |
| 23 | 31 |
| 24 | 32 |
| 25 | 1 |
| 26 | 2 |
| 27 | 3 |
| 28 | 4 |
| 29 | 5 |
| 30 | 6 |
| 31 | 7 |
| 32 | 8 |
Увеличить |
DIP32/TSOP32 specialized adapter. |
| DIP-32 | TSOP-32 |
| 1 | 9 |
| 2 | 10 |
| 3 | 11 |
| 4 | 12 |
| 5 | 13 |
| 6 | 14 |
| 7 | 15 |
| 8 | 16 |
| 9 | 17 |
| 10 | 18 |
| 11 | 19 |
| 12 | 20 |
| 13 | 21 |
| 14 | 22 |
| 15 | 23 |
| 16 | 24 |
| 17 | 25 |
| 18 | 26 |
| 19 | 27 |
| 20 | 28 |
| 21 | 29 |
| 32 | 30 |
| 23 | 31 |
| 24 | 32 |
| 32 | 1 |
| 16 | 2 |
| 32 | 3 |
| 16 | 4 |
| 29 | 5 |
| 30 | 6 |
| 31 | 7 |
| 32 | 8 |
Увеличить |
DIP32/TSOP32 specialized adapter for Flash memory. |
Аналоги адаптера, поставляемые другими фирмами:
Logical Systems: PA32TS20-OT
| DIP-32 | TSOP-32 |
| 1 | 9 |
| 2 | 10 |
| 3 | 11 |
| 4 | 12 |
| 5 | 13 |
| 6 | 14 |
| 7 | 15 |
| 8 | 16 |
| 9 | 17 |
| 10 | 18 |
| 11 | 19 |
| 12 | 20 |
| 13 | 21 |
| 14 | 22 |
| 15 | 23 |
| 16 | 24 |
| 17 | 25 |
| 18 | 26 |
| 19 | 27 |
| 20 | 28 |
| 21 | 29 |
| 22 | 30 |
| 23 | 31 |
| 24 | 32 |
| 25 | 1 |
| 26 | 2 |
| 27 | 3 |
| 28 | 4 |
| 29 | 5 |
| 30 | 6 |
| 31 | 7 |
| 32 | 8 |
Увеличить |
DIP40/TSOP40 universal adapter. |
| DIP-40 | TSOP-40 |
| 1 | 1 |
| 2 | 2 |
| 3 | 3 |
| 4 | 4 |
| 5 | 5 |
| 6 | 6 |
| 7 | 7 |
| 8 | 8 |
| 9 | 9 |
| 10 | 10 |
| 11 | 11 |
| 12 | 12 |
| 13 | 13 |
| 14 | 14 |
| 15 | 15 |
| 16 | 16 |
| 17 | 17 |
| 18 | 18 |
| 19 | 19 |
| 20 | 20 |
| 21 | 21 |
| 22 | 22 |
| 23 | 23 |
| 24 | 24 |
| 25 | 25 |
| 26 | 26 |
| 27 | 27 |
| 28 | 28 |
| 29 | 29 |
| 30 | 30 |
| 31 | 31 |
| 32 | 32 |
| 33 | 33 |
| 34 | 34 |
| 35 | 35 |
| 36 | 36 |
| 37 | 37 |
| 38 | 38 |
| 39 | 39 |
| 40 | 40 |
Увеличить |
DIP40/TSOP40 specialized adapter. |
| DIP-40 | TSOP-40 |
| 31 | 1 |
| 2 | 2 |
| 3 | 3 |
| 4 | 4 |
| 5 | 5 |
| 6 | 6 |
| 7 | 7 |
| 8 | 8 |
| 9 | 9 |
| 39 | 10 |
| 11 | 11 |
| 12 | 12 |
| 13 | 13 |
| 14 | 14 |
| 15 | 15 |
| 16 | 16 |
| 17 | 17 |
| 18 | 18 |
| 19 | 19 |
| 23 | 20 |
| 21 | 21 |
| 22 | 22 |
| 20 | 23 |
| 24 | 24 |
| 25 | 25 |
| 26 | 26 |
| 27 | 27 |
| 28 | 28 |
| 29 | 29 |
| 40 | 30 |
| 1 | 31 |
| 32 | 32 |
| 33 | 33 |
| 34 | 34 |
| 35 | 35 |
| 36 | 36 |
| 37 | 37 |
| 38 | 38 |
| 10 | 39 |
| 30 | 40 |
Увеличить |
DIP40/TSOP40 specialized adapter. |
| DIP-40 | TSOP-40 |
| 1 | 1 |
| 2 | 2 |
| 3 | 3 |
| 4 | 4 |
| 5 | 5 |
| 6 | 6 |
| 7 | 7 |
| 8 | 8 |
| 9 | 9 |
| 10 | 10 |
| 11 | 11 |
| 12 | 12 |
| 13 | 13 |
| 14 | 14 |
| 15 | 15 |
| 16 | 16 |
| 17 | 17 |
| 18 | 18 |
| 19 | 19 |
| 20 | 22 |
| 21 | 21 |
| 22 | 20 |
| 23 | 23 |
| 24 | 24 |
| 25 | 25 |
| 26 | 26 |
| 27 | 27 |
| 28 | 29 |
| 29 | 28 |
| 30 | 30 |
| 31 | 32 |
| 32 | 31 |
| 33 | 33 |
| 34 | 34 |
| 35 | 35 |
| 36 | 36 |
| 37 | 37 |
| 38 | 38 |
| 39 | 40 |
| 40 | 39 |
Увеличить |
DIP40/TSOP40 universal adapter. |
Аналоги адаптера, поставляемые другими фирмами:
Logical Systems: PA40TS20-1OT
| DIP-40 | TSOP-40 |
| 1 | 1 |
| 2 | 2 |
| 3 | 3 |
| 4 | 4 |
| 5 | 5 |
| 6 | 6 |
| 7 | 7 |
| 8 | 8 |
| 9 | 9 |
| 10 | 10 |
| 11 | 11 |
| 12 | 12 |
| 13 | 13 |
| 14 | 14 |
| 15 | 15 |
| 16 | 16 |
| 17 | 17 |
| 18 | 18 |
| 19 | 19 |
| 20 | 20 |
| 21 | 21 |
| 22 | 22 |
| 23 | 23 |
| 24 | 24 |
| 25 | 25 |
| 26 | 26 |
| 27 | 27 |
| 28 | 28 |
| 29 | 29 |
| 30 | 30 |
| 31 | 31 |
| 32 | 32 |
| 33 | 33 |
| 34 | 34 |
| 35 | 35 |
| 36 | 36 |
| 37 | 37 |
| 38 | 38 |
| 39 | 39 |
| 40 | 40 |
Увеличить |
DIP40/TSOP40 specialized adapter. |
| DIP-40 | TSOP-40 |
| 31 | 1 |
| 2 | 2 |
| 3 | 3 |
| 4 | 4 |
| 5 | 5 |
| 6 | 6 |
| 7 | 7 |
| 8 | 8 |
| 9 | 9 |
| 39 | 10 |
| 11 | 11 |
| 12 | 12 |
| 13 | 13 |
| 14 | 14 |
| 15 | 15 |
| 16 | 16 |
| 17 | 17 |
| 18 | 18 |
| 19 | 19 |
| 23 | 20 |
| 21 | 21 |
| 22 | 22 |
| 20 | 23 |
| 24 | 24 |
| 25 | 25 |
| 26 | 26 |
| 27 | 27 |
| 28 | 28 |
| 29 | 29 |
| 40 | 30 |
| 1 | 31 |
| 32 | 32 |
| 33 | 33 |
| 34 | 34 |
| 35 | 35 |
| 36 | 36 |
| 37 | 37 |
| 38 | 38 |
| 10 | 39 |
| 30 | 40 |
Увеличить |
DIP40/TSOP40 specialized adapter. |
| DIP-40 | TSOP-40 |
| 1 | 1 |
| 2 | 2 |
| 3 | 3 |
| 4 | 4 |
| 5 | 5 |
| 6 | 6 |
| 7 | 7 |
| 8 | 8 |
| 9 | 9 |
| 10 | 10 |
| 11 | 11 |
| 12 | 12 |
| 13 | 13 |
| 14 | 14 |
| 15 | 15 |
| 16 | 16 |
| 17 | 17 |
| 18 | 18 |
| 19 | 19 |
| 20 | 22 |
| 21 | 21 |
| 22 | 20 |
| 23 | 23 |
| 24 | 24 |
| 25 | 25 |
| 26 | 26 |
| 27 | 27 |
| 28 | 29 |
| 29 | 28 |
| 30 | 30 |
| 31 | 32 |
| 32 | 31 |
| 33 | 33 |
| 34 | 34 |
| 35 | 35 |
| 36 | 36 |
| 37 | 37 |
| 38 | 38 |
| 39 | 40 |
| 40 | 39 |
Увеличить |
DIP40/TSOP40 specialized adapter. |
| DIP-40 | TSOP-40 |
| 1 | - |
| 2 | 2 |
| 3 | 3 |
| 4 | 4 |
| 5 | 5 |
| 6 | 6 |
| 7 | 7 |
| 8 | 8 |
| 9 | 9 |
| 40 | 10 |
| 1 | 11 |
| 12 | 12 |
| 13 | 13 |
| 14 | 14 |
| 15 | 15 |
| 16 | 16 |
| 17 | 17 |
| 18 | 18 |
| 19 | 19 |
| 20 | 20 |
| 21 | 21 |
| 22 | 22 |
| 23 | 23 |
| 24 | 24 |
| 25 | 25 |
| 26 | 26 |
| 27 | 27 |
| 28 | 28 |
| 10 | 29 |
| 10 | 30 |
| 40 | 31 |
| 32 | 32 |
| 33 | 33 |
| 34 | 34 |
| 35 | 35 |
| 36 | 36 |
| 37 | 37 |
| 38 | 38 |
| 40 | 39 |
| 10 | 40 |
Увеличить |
DIP40/TSOP-II-44 specialized adapter. |
| DIP-40 | TSOP-II-44 |
| 1 | 1 |
| 2 | 2 |
| 3 | 3 |
| 4 | 4 |
| 5 | 5 |
| 6 | 6 |
| 7 | 7 |
| 8 | 8 |
| 9 | 9 |
| 10 | 10 |
|   | 11 |
|   | 12 |
| 11 | 13 |
| 12 | 14 |
| 13 | 15 |
| 14 | 16 |
| 15 | 17 |
| 16 | 18 |
| 17 | 19 |
| 18 | 20 |
| 19 | 21 |
| 20 | 22 |
| 21 | 23 |
| 22 | 24 |
| 23 | 25 |
| 24 | 26 |
| 25 | 27 |
| 26 | 28 |
| 27 | 29 |
| 28 | 30 |
| 29 | 31 |
| 30 | 32 |
|   | 33 |
|   | 34 |
| 31 | 35 |
| 32 | 36 |
| 33 | 37 |
| 34 | 38 |
| 35 | 39 |
| 36 | 40 |
| 37 | 41 |
| 38 | 42 |
| 39 | 43 |
| 40 | 44 |
Увеличить |
DIP40/TSOP48 specialized adapter. |
| DIP-40 | TSOP-48 | 74AHC573 | C1, 150пФ | C2, 0.1мкФ |
| 1 | 47 |   |   |   |
| 2 | 17 |   |   |   |
| 3 | 16 |   |   |   |
| 4 | 28 |   |   |   |
| 5 | 10 |   |   |   |
| 6 | 18 | 4 |   |   |
| 7 |   | 11 | 1 |   |
| 8 | 11 |   |   |   |
| 9 | 34 |   |   |   |
| 10 | 20 | 7 |   |   |
| 11 | 14 |   |   |   |
| 12 | 12 |   |   |   |
| 13 | 24 | 3 |   |   |
| 14 | 29 |   |   |   |
| 15 | 39 |   |   |   |
| 16 | 42 |   |   |   |
| 17 | 44 |   |   |   |
| 18 | 43 |   |   |   |
| 19 | 32 |   |   |   |
| 20 | 27.46 | 1,10 | 2 | 1 |
| 21 | 30 |   |   |   |
| 22 | 45 |   |   |   |
| 23 | 23 | 8 |   |   |
| 24 | 25 | 9 |   |   |
| 25 | 38 |   |   |   |
| 26 | 41 |   |   |   |
| 27 | 40 |   |   |   |
| 28 | 22 | 6 |   |   |
| 29 | 13 |   |   |   |
| 30 | 15 |   |   |   |
| 31 | 36 |   |   |   |
| 32 | 31 |   |   |   |
| 33 | 19 | 5 |   |   |
| 34 | 33 |   |   |   |
| 35 | 21 | 2 |   |   |
| 36 | 48 |   |   |   |
| 37 | 35 |   |   |   |
| 38 | 9 |   |   |   |
| 39 | 26 |   |   |   |
| 40 | 37 | 20 |   | 2 |
|   | 1 | 17 |   |   |
|   | 2 | 16 |   |   |
|   | 3 | 14 |   |   |
|   | 4 | 19 |   |   |
|   | 5 | 15 |   |   |
|   | 6 | 13 |   |   |
|   | 7 | 18 |   |   |
|   | 8 | 12 |   |   |
Увеличить |
DIP40/TSOP48 specialized adapter. |
| DIP-40 | TSOP-48 | |
| 1 | 1 | N.C. |
| 2 | 27 | CE |
| 3 | 28 | D15 |
| 4 | 29 | D14 |
| 5 | 30 | D13 |
| 6 | 31 | D12 |
| 7 | 32 | D11 |
| 8 | 34 | D10 |
| 9 | 35 | D9 |
| 10 | 36 | D8 |
| 11 | 37 | GND |
| 12 | 38 | D7 |
| 13 | 39 | D6 |
| 14 | 40 | D5 |
| 15 | 42 | D4 |
| 16 | 43 | D3 |
| 17 | 44 | D2 |
| 18 | 45 | D1 |
| 19 | 46 | D0 |
| 20 | 47 | OE |
| 21 | 2 | A0 |
| 22 | 3 | A1 |
| 23 | 4 | A2 |
| 24 | 5 | A3 |
| 25 | 6 | A4 |
| 26 | 7 | A5 |
| 27 | 9 | A6 |
| 28 | 10 | A7 |
| 29 | 11 | A8 |
| 30 | 12 | GND |
| 31 | 13 | A9 |
| 32 | 14 | A10 |
| 33 | 15 | A11 |
| 34 | 17 | A12 |
| 35 | 18 | A13 |
| 36 | 19 | A14 |
| 37 | 20 | A15 |
| 38 | 21 | N.C. |
| 39 | 22 | WE |
| 40 | 23 | Vcc |
Увеличить |
DIP40/TSOP48 specialized adapter. |
| DIP-40 | TSOP-48 | 74AHC573 | C1, 150пФ | C2, 0.1мкФ |
|   | 1 | 16 |   |   |
|   | 2 | 17 |   |   |
|   | 3 | 18 |   |   |
|   | 4 | 19 |   |   |
| 12 | 5 |   |   |   |
| 11 | 6 |   |   |   |
| 10 | 7 |   |   |   |
| 9 | 8 |   |   |   |
|   | 9 | 12 |   |   |
| 13 | 10 |   |   |   |
| 15 | 11 |   |   |   |
| 14 | 12 |   |   |   |
| 17 | 13 |   |   |   |
| 18 | 14 |   |   |   |
| 16 | 15 |   |   |   |
|   | 16 | 13 |   |   |
|   | 17 | 14 |   |   |
| 8 | 18 | 9 |   |   |
| 7 | 19 | 8 |   |   |
| 6 | 20 | 7 |   |   |
| 5 | 21 | 6 |   |   |
| 4 | 22 | 5 |   |   |
| 3 | 23 | 4 |   |   |
| 2 | 24 | 3 |   |   |
| 1 | 25 | 2 |   |   |
| 37 | 26 |   |   |   |
| 20 | 27 | 1 |   |   |
| 38 | 28 |   |   |   |
| 21 | 29 |   |   |   |
| 29 | 30 |   |   |   |
| 22 | 31 |   |   |   |
| 30 | 32 |   |   |   |
| 23 | 33 |   |   |   |
| 31 | 34 |   |   |   |
| 24 | 35 |   |   |   |
| 32 | 36 |   |   |   |
| 40 | 37 | 20 |   | 1 |
| 25 | 38 |   |   |   |
| 33 | 39 |   |   |   |
| 26 | 40 |   |   |   |
| 34 | 41 |   |   |   |
| 27 | 42 |   |   |   |
| 35 | 43 |   |   |   |
| 28 | 44 |   |   |   |
| 36 | 45 |   |   |   |
| 20 | 46 | 10 | 1 | 2 |
| 39 | 47 |   |   |   |
|   | 48 | 15 |   |   |
| 19 |   | 11 | 2 |   |
Увеличить |
DIP40/TSOP48 specialized adapter. |
| DIP-40 | TSOP-48 |
| 1 | 3 |
| 2 | 4 |
| 3 | 5 |
| 4 | 6 |
| 5 | 7 |
| 6 | 8 |
| 7 | 9 |
| 8 | 10 |
| 9 | 11 |
| 10 | 12 |
| 11 | 13 |
| 12 | 14 |
| 13 | 15 |
| 14 | 16 |
| 15 | 17 |
| 16 | 18 |
| 17 | 19 |
| 18 | 20 |
| 19 | 21 |
| 20 | 22 |
| 21 | 27 |
| 22 | 28 |
| 23 | 29 |
| 24 | 30 |
| 25 | 31 |
| 26 | 32 |
| 27 | 33 |
| 28 | 34 |
| 29 | 35 |
| 30 | 36 |
| 31 | 37 |
| 32 | 38 |
| 33 | 39 |
| 34 | 40 |
| 35 | 41 |
| 36 | 42 |
| 37 | 43 |
| 38 | 44 |
| 39 | 45 |
| 40 | 46 |
Увеличить |
DIP40/TSOP48 specialized adapter. |
| DIP-40 | TSOP-48 |
| 1 | 3 |
| 2 | 4 |
| 3 | 5 |
| 4 | 6 |
| 5 | 7 |
| 6 | 8 |
| 7 | 9 |
| 8 | 10 |
| 9 | 11 |
| 10 | 12 |
| 11 | 13 |
| 12 | 14 |
| 13 | 15 |
| 14 | 16 |
| 15 | 17 |
| 16 | 18 |
| 17 | 19 |
| 18 | 20 |
| 19 | 21 |
| 20 | 22 |
| 21 | 27 |
| 22 | 28 |
| 23 | 29,45 |
| 24 | 30 |
| 25 | 31 |
| 26 | 32 |
| 27 | 33 |
| 28 | 34 |
| 29 | 35 |
| 30 | 36 |
| 31 | 37 |
| 32 | 38 |
| 33 | 39 |
| 34 | 40 |
| 35 | 41 |
| 36 | 42 |
| 37 | 43 |
| 38 | 44 |
| 39 | 2 |
| 40 | 46 |
Увеличить |
DIP40/TSOP48 specialized adapter for NAND Flash devices. |
| DIP-40 | TSOP-48 | 74AHC14 | C1, 0.1 uF |
| 1 | 35 |   |   |
| 2 |   |   |   |
| 3 |   |   |   |
| 4 | 4 |   |   |
| 5 | 5 |   |   |
| 6 | 6 |   |   |
| 7 | 7 |   |   |
| 8 |   | 1 |   |
|   | 8 | 4 |   |
| 9 | 9 |   |   |
| 10 | 10 |   |   |
| 11 | 14 |   |   |
| 12 | 15 |   |   |
| 13 |   |   |   |
| 14 |   |   |   |
| 15 | 20 |   |   |
| 16 | 16 |   |   |
| 17 | 17 |   |   |
| 18 |   | 13 |   |
|   | 18 | 10 |   |
| 19 | 19 |   |   |
| 20 | 13,25,36,48 | 7 | 1 |
| 21 | 26 |   |   |
| 22 | 27 |   |   |
| 23 | 28 |   |   |
| 24 | 29 |   |   |
| 25 | 30 |   |   |
| 26 | 31 |   |   |
| 27 | 32 |   |   |
| 28 | 33 |   |   |
| 29 | 40 |   |   |
| 30 | 41 |   |   |
| 31 | 42 |   |   |
| 32 | 43 |   |   |
| 33 | 44 |   |   |
| 34 | 45 |   |   |
| 35 | 46 |   |   |
| 36 | 47 |   |   |
| 37 |   |   |   |
| 38 |   |   |   |
| 39 | 38 |   |   |
| 40 | 12,37 | 14 | 2 |
|   |   | 2,3 |   |
|   |   | 11,12 |   |
Увеличить |
DIP40/TSOP48 specialized adapter for NAND Flash devices. |
| DIP-40 | TSOP-48 | 74LVC245 | 74LVC245 | 74LVC245 | C1,1uF | C2,1uF | R1,5.1k | R2,5.1k | R3,5.1k | R4,5.1k |
| 1 | 35 |   |   |   |   |   |   |   |   |   |
| 2 | 2 |   |   |   |   |   |   |   |   |   |
| 3 | 3 |   |   |   | 1 |   |   |   |   |   |
| 4 | 4 |   |   |   |   |   | 1 |   |   |   |
| 5 | 5 |   |   |   |   |   |   | 1 |   |   |
| 6 | 6 |   |   |   |   |   |   |   | 1 |   |
| 7 | 7 |   |   |   |   |   |   |   |   | 1 |
| 8 |   | 2 |   |   |   |   |   |   |   |   |
|   | 8 | 18 |   |   |   |   |   |   |   |   |
| 9 | 9 |   |   |   |   |   |   |   |   |   |
| 10 | 10 |   |   |   |   |   |   |   |   |   |
| 11 | 14 |   |   |   |   |   |   |   |   |   |
| 12 | 15 |   |   |   |   |   |   |   |   |   |
| 13 | 23 |   |   |   |   |   |   |   |   |   |
| 14 |   |   | 1 | 1 |   |   |   |   |   |   |
| 15 | 20 |   |   |   |   |   |   |   |   |   |
| 16 | 16 |   |   |   |   |   |   |   |   |   |
| 17 | 17 |   |   |   |   |   |   |   |   |   |
| 18 |   | 3 |   |   |   |   |   |   |   |   |
|   | 18 | 17 |   |   |   |   |   |   |   |   |
| 19 | 19 |   |   |   |   |   |   |   |   |   |
| 20 | 13,25,36,48 | 4,5,6,7,8,9,10,19 | 10,19 | 10,19 | 2 | 1 |   |   |   |   |
| 21 |   |   | 2 |   |   |   |   |   |   |   |
|   | 26 |   | 18 |   |   |   |   |   |   |   |
| 22 |   |   | 3 |   |   |   |   |   |   |   |
|   | 27 |   | 17 |   |   |   |   |   |   |   |
| 23 |   |   | 4 |   |   |   |   |   |   |   |
|   | 28 |   | 16 |   |   |   |   |   |   |   |
| 24 |   |   | 5 |   |   |   |   |   |   |   |
|   | 29 |   | 15 |   |   |   |   |   |   |   |
| 25 |   |   | 6 |   |   |   |   |   |   |   |
|   | 30 |   | 14 |   |   |   |   |   |   |   |
| 26 |   |   | 7 |   |   |   |   |   |   |   |
|   | 31 |   | 13 |   |   |   |   |   |   |   |
| 27 |   |   | 8 |   |   |   |   |   |   |   |
|   | 32 |   | 12 |   |   |   |   |   |   |   |
| 28 |   |   | 9 |   |   |   |   |   |   |   |
|   | 33 |   | 11 |   |   |   |   |   |   |   |
| 29 |   |   |   | 2 |   |   |   |   |   |   |
|   | 40 |   |   | 18 |   |   |   |   |   |   |
| 30 |   |   |   | 3 |   |   |   |   |   |   |
|   | 41 |   |   | 17 |   |   |   |   |   |   |
| 31 |   |   |   | 4 |   |   |   |   |   |   |
|   | 42 |   |   | 16 |   |   |   |   |   |   |
| 32 |   |   |   | 5 |   |   |   |   |   |   |
|   | 43 |   |   | 15 |   |   |   |   |   |   |
| 33 |   |   |   | 6 |   |   |   |   |   |   |
|   | 44 |   |   | 14 |   |   |   |   |   |   |
| 34 |   |   |   | 7 |   |   |   |   |   |   |
|   | 45 |   |   | 13 |   |   |   |   |   |   |
| 35 |   |   |   | 8 |   |   |   |   |   |   |
|   | 46 |   |   | 12 |   |   |   |   |   |   |
| 36 |   |   |   | 9 |   |   |   |   |   |   |
|   | 47 |   |   | 11 |   |   |   |   |   |   |
| 37 | 34 |   |   |   |   |   |   |   |   |   |
| 38 | 39 |   |   |   |   |   |   |   |   |   |
| 39 | 38 |   |   |   |   |   |   |   |   |   |
| 40 | 12,37 | 1,20 | 20 | 20 |   | 2 | 2 | 2 | 2 | 2 |
Увеличить |
DIP48/TSOP48 universal adapter. |
Аналоги адаптера, поставляемые другими фирмами:
Logical Systems: PA48TS20-1OT
| DIP-48 | TSOP-48 |
| 1 | 1 |
| 2 | 2 |
| 3 | 3 |
| 4 | 4 |
| 5 | 5 |
| 6 | 6 |
| 7 | 7 |
| 8 | 8 |
| 9 | 9 |
| 10 | 10 |
| 11 | 11 |
| 12 | 12 |
| 13 | 13 |
| 14 | 14 |
| 15 | 15 |
| 16 | 16 |
| 17 | 17 |
| 18 | 18 |
| 19 | 19 |
| 20 | 20 |
| 21 | 21 |
| 22 | 22 |
| 23 | 23 |
| 24 | 24 |
| 25 | 25 |
| 26 | 26 |
| 27 | 27 |
| 28 | 28 |
| 29 | 29 |
| 30 | 30 |
| 31 | 31 |
| 32 | 32 |
| 33 | 33 |
| 34 | 34 |
| 35 | 35 |
| 36 | 36 |
| 37 | 37 |
| 38 | 38 |
| 39 | 39 |
| 40 | 40 |
| 41 | 41 |
| 42 | 42 |
| 43 | 43 |
| 44 | 44 |
| 45 | 45 |
| 46 | 46 |
| 47 | 47 |
| 48 | 48 |
Увеличить |
DIP40/TSOP56 specialized adapter for FLASH memory. |
| DIP-40 | TSOP-56 | U1, 74AHC573 | U2, 74AHC573 | C1, 150пФ | C2, 0.1мкФ |
| 1 | 29 |   |   |   |   |
| 2 | 28 |   |   |   |   |
| 3 |   | 11 | 11 | 1 |   |
| 4 | 14 |   |   |   |   |
| 5 | 56 |   |   |   |   |
| 6 | 55 |   |   |   |   |
| 7 | 13 |   |   |   |   |
| 8 | 17 |   |   |   |   |
| 9 | 16 |   |   |   |   |
| 10 | 20 |   |   |   |   |
| 11 | 21 |   |   |   |   |
| 12 | 22 |   |   |   |   |
| 13 | 23 |   |   |   |   |
| 14 | 24 |   |   |   |   |
| 15 | 25 |   |   |   |   |
| 16 | 26 |   |   |   |   |
| 17 | 31 |   |   |   |   |
| 18 | 27 |   |   |   |   |
| 19 | 30 |   |   |   |   |
| 20 | 33.52 | 1, 10 | 1, 10 | 2 | 2 |
| 21 | 32 |   |   |   |   |
| 22 | 34 |   |   |   |   |
| 23 | 35 | 2 |   |   |   |
| 24 | 36 |   | 2 |   |   |
| 25 | 37 | 3 |   |   |   |
| 26 | 38 |   | 3 |   |   |
| 27 | 39 | 4 |   |   |   |
| 28 | 40 |   | 4 |   |   |
| 29 | 41 | 5 |   |   |   |
| 30 | 42 |   | 5 |   |   |
| 31 | 44 | 6 |   |   |   |
| 32 | 45 |   | 6 |   |   |
| 33 | 46 | 7 |   |   |   |
| 34 | 47 |   | 7 |   |   |
| 35 | 48 | 8 |   |   |   |
| 36 | 49 |   | 8 |   |   |
| 37 | 50 | 9 |   |   |   |
| 38 | 51 |   | 9 |   |   |
| 39 | 53 |   |   |   |   |
| 40 | 43 | 20 | 20 |   | 1 |
|   | 1 |   | 12 |   |   |
|   | 2 |   | 13 |   |   |
|   | 3 | 12 |   |   |   |
|   | 4 | 13 |   |   |   |
|   | 5 | 14 |   |   |   |
|   | 6 | 15 |   |   |   |
|   | 7 | 16 |   |   |   |
|   | 8 | 17 |   |   |   |
|   | 9 | 18 |   |   |   |
|   | 10 | 19 |   |   |   |
|   | 11 |   | 16 |   |   |
|   | 12 |   | 15 |   |   |
|   | 15 |   | 14 |   |   |
|   | 18 |   | 17 |   |   |
|   | 19 |   | 18 |   |   |
|   | 54 |   | 19 |   |   |
Увеличить |
DIP40/TSOP56 specialized adapter for FLASH memory. |
| DIP-40 | TSOP-56 | U1, 74AHC573 | U2, 74AHC573 | C1, 150пФ | C2, 0.1мкФ |
| 1 | 43 |   |   |   |   |
| 2 | 2 |   |   |   |   |
| 3 |   | 11 | 11 | 1 |   |
| 4 | 16 |   |   |   |   |
| 7 | 55 |   |   |   |   |
| 8 | 53 |   |   |   |   |
| 9 | 15 |   |   |   |   |
| 10 | 20 |   |   |   |   |
| 11 | 22 |   |   |   |   |
| 12 | 23 |   |   |   |   |
| 13 | 24 |   |   |   |   |
| 14 | 25 |   |   |   |   |
| 15 | 26 |   |   |   |   |
| 16 | 27 |   |   |   |   |
| 17 | 28 |   |   |   |   |
| 18 | 32 |   |   |   |   |
| 19 | 29 |   |   |   |   |
| 20 | 21,42,48 | 1, 10 | 1, 10 | 2 | 2 |
| 21 | 14 |   |   |   |   |
| 22 | 54 |   |   |   |   |
| 23 | 33 | 2 |   |   |   |
| 24 | 34 |   | 2 |   |   |
| 25 | 35 | 3 |   |   |   |
| 26 | 36 |   | 3 |   |   |
| 27 | 38 | 4 |   |   |   |
| 28 | 39 |   | 4 |   |   |
| 29 | 40 | 5 |   |   |   |
| 30 | 41 |   | 5 |   |   |
| 31 | 44 | 6 |   |   |   |
| 32 | 45 |   | 6 |   |   |
| 33 | 46 | 7 |   |   |   |
| 34 | 47 |   | 7 |   |   |
| 35 | 49 | 8 |   |   |   |
| 36 | 50 |   | 8 |   |   |
| 37 | 51 | 9 |   |   |   |
| 38 | 52 |   | 9 |   |   |
| 39 | 31 |   |   |   |   |
| 40 | 9.37 | 20 | 20 |   | 1 |
|   | 1 |   | 14 |   |   |
|   | 3 |   | 15 |   |   |
|   | 4 |   | 16 |   |   |
|   | 5 |   | 17 |   |   |
|   | 6 |   | 18 |   |   |
|   | 7 |   | 19 |   |   |
|   | 8 | 12 |   |   |   |
|   | 10 | 13 |   |   |   |
|   | 11 | 14 |   |   |   |
|   | 12 | 15 |   |   |   |
|   | 13 | 16 |   |   |   |
|   | 17 | 17 |   |   |   |
|   | 18 | 18 |   |   |   |
|   | 19 | 19 |   |   |   |
|   | 30 |   | 13 |   |   |
|   | 56 |   | 12 |   |   |
Увеличить |
DIP40/TSOP56 specialized adapter for FLASH memory. |
| DIP-40 | TSOP-56 | 74AHC573 | C1, 150пФ | C2, 0.1мкФ |
| 1 | 38,54 |   |   |   |
| 2 | 21 |   |   |   |
| 3 | 20 |   |   |   |
| 4 | 33 |   |   |   |
| 5 | 10 |   |   |   |
| 6 | 22 | 4 |   |   |
| 7 |   | 11 | 1 |   |
| 8 | 15 |   |   |   |
| 9 | 40 |   |   |   |
| 10 | 24 | 7 |   |   |
| 11 | 18 |   |   |   |
| 12 | 16 |   |   |   |
| 13 | 28 | 3 |   |   |
| 14 | 34 |   |   |   |
| 15 | 45 |   |   |   |
| 16 | 49 |   |   |   |
| 17 | 51 |   |   |   |
| 18 | 50 |   |   |   |
| 19 | 37 |   |   |   |
| 20 | 11,32,48,53 | 1, 10 | 2 | 1 |
| 21 | 35 |   |   |   |
| 22 | 52 |   |   |   |
| 23 | 27 | 8 |   |   |
| 24 | 30 | 9 |   |   |
| 25 | 44 |   |   |   |
| 26 | 47 |   |   |   |
| 27 | 46 |   |   |   |
| 28 | 26 | 6 |   |   |
| 29 | 17 |   |   |   |
| 30 | 19 |   |   |   |
| 31 | 42 |   |   |   |
| 32 | 36 |   |   |   |
| 33 | 23 | 5 |   |   |
| 34 | 39 |   |   |   |
| 35 | 25 | 2 |   |   |
| 36 | 55 |   |   |   |
| 37 | 41 |   |   |   |
| 38 | 12 |   |   |   |
| 39 | 31 |   |   |   |
| 40 | 14,43 | 20 |   | 2 |
|   | 1 | 17 |   |   |
|   | 2 | 16 |   |   |
|   | 3 | 14 |   |   |
|   | 4 | 19 |   |   |
|   | 5 | 15 |   |   |
|   | 6 | 13 |   |   |
|   | 7 | 18 |   |   |
|   | 8 | 12 |   |   |
Увеличить |
DIP40/TSOP56 specialized adapter for FLASH memory. |
| DIP-40 | TSOP-56 | U1, 74AHC573 | U2, 74AHC573 | C1, 150пФ | C2, 0.1мкФ |
| 1 | 38 |   |   |   |   |
| 2 |   |   |   |   |   |
| 3 |   | 11 | 11 | 1 |   |
| 4 | 44 |   |   |   |   |
| 5 | 27 |   |   |   |   |
| 6 |   |   |   |   |   |
| 7 | 14 |   |   |   |   |
| 8 | 56 |   |   |   |   |
| 9 | 43 |   |   |   |   |
| 10 | 19 |   |   |   |   |
| 11 | 20 |   |   |   |   |
| 12 | 21 |   |   |   |   |
| 13 | 22 |   |   |   |   |
| 14 | 23 |   |   |   |   |
| 15 | 24 |   |   |   |   |
| 16 | 25 |   |   |   |   |
| 17 | 29 |   |   |   |   |
| 18 |   |   |   |   |   |
| 19 |   |   |   |   |   |
| 20 | 12,28,31,45,46 | 1, 10 | 1, 10 | 2 | 2 |
| 21 | 30 |   |   |   |   |
| 22 | 32 |   |   |   |   |
| 23 | 34 | 2 |   |   |   |
| 24 | 35 |   | 2 |   |   |
| 25 | 36 | 3 |   |   |   |
| 26 | 37 |   | 3 |   |   |
| 27 | 39 | 4 |   |   |   |
| 28 | 40 |   | 4 |   |   |
| 29 | 41 | 5 |   |   |   |
| 30 | 42 |   | 5 |   |   |
| 31 | 47 | 6 |   |   |   |
| 32 | 48 |   | 6 |   |   |
| 33 | 49 | 7 |   |   |   |
| 34 | 50 |   | 7 |   |   |
| 35 | 51 | 8 |   |   |   |
| 36 | 52 |   | 8 |   |   |
| 37 | 53 | 9 |   |   |   |
| 38 | 54 |   | 9 |   |   |
| 39 |   |   |   |   |   |
| 40 | 13,33,15 | 20 | 20 |   | 1 |
|   | 10 |   | 14 |   |   |
|   | 11 |   | 15 |   |   |
|   | 16 |   | 16 |   |   |
|   | 17 |   | 17 |   |   |
|   | 18 |   | 18 |   |   |
|   | 55 |   | 19 |   |   |
|   | 1 | 12 |   |   |   |
|   | 2 | 13 |   |   |   |
|   | 3 | 14 |   |   |   |
|   | 4 | 15 |   |   |   |
|   | 5 | 16 |   |   |   |
|   | 6 | 17 |   |   |   |
|   | 7 | 18 |   |   |   |
|   | 8 | 19 |   |   |   |
|   | 9 |   | 13 |   |   |
|   | 26 |   | 12 |   |   |
Увеличить |
DIP40/TSOP56 specialized adapter for FLASH memory. |
| DIP-40 | TSOP-56 | U1, 74AHC573 | U2, 74AHC573 | C1, 150пФ | C2, 0.1мкФ |
| 1 | 38 |   |   |   |   |
| 2 |   |   |   |   |   |
| 3 |   | 11 | 11 | 1 |   |
| 4 | 44 |   |   |   |   |
| 5 | 27 |   |   |   |   |
| 6 | 28 |   |   |   |   |
| 7 | 14 |   |   |   |   |
| 8 | 56 |   |   |   |   |
| 9 | 43 |   |   |   |   |
| 10 | 19 |   |   |   |   |
| 11 | 20 |   |   |   |   |
| 12 | 21 |   |   |   |   |
| 13 | 22 |   |   |   |   |
| 14 | 23 |   |   |   |   |
| 15 | 24 |   |   |   |   |
| 16 | 25 |   |   |   |   |
| 17 | 29 |   |   |   |   |
| 18 | 13 |   |   |   |   |
| 19 |   |   |   |   |   |
| 20 | 12,31,45,46 | 1, 10 | 1, 10 | 2 | 2 |
| 21 | 30 |   |   |   |   |
| 22 | 32 |   |   |   |   |
| 23 | 34 | 2 |   |   |   |
| 24 | 35 |   | 2 |   |   |
| 25 | 36 | 3 |   |   |   |
| 26 | 37 |   | 3 |   |   |
| 27 | 39 | 4 |   |   |   |
| 28 | 40 |   | 4 |   |   |
| 29 | 41 | 5 |   |   |   |
| 30 | 42 |   | 5 |   |   |
| 31 | 47 | 6 |   |   |   |
| 32 | 48 |   | 6 |   |   |
| 33 | 49 | 7 |   |   |   |
| 34 | 50 |   | 7 |   |   |
| 35 | 51 | 8 |   |   |   |
| 36 | 52 |   | 8 |   |   |
| 37 | 53 | 9 |   |   |   |
| 38 | 54 |   | 9 |   |   |
| 39 |   |   |   |   |   |
| 40 | 33,15 | 20 | 20 |   | 1 |
|   | 10 |   | 14 |   |   |
|   | 11 |   | 15 |   |   |
|   | 16 |   | 16 |   |   |
|   | 17 |   | 17 |   |   |
|   | 18 |   | 18 |   |   |
|   | 55 |   | 19 |   |   |
|   | 1 | 12 |   |   |   |
|   | 2 | 13 |   |   |   |
|   | 3 | 14 |   |   |   |
|   | 4 | 15 |   |   |   |
|   | 5 | 16 |   |   |   |
|   | 6 | 17 |   |   |   |
|   | 7 | 18 |   |   |   |
|   | 8 | 19 |   |   |   |
|   | 9 |   | 13 |   |   |
|   | 26 |   | 12 |   |   |
Увеличить |
DIP16/SOIC16 универсальный адаптер. Размеры корпуса микросхемы: ширина - 3.76 mm, 1.27мм шаг. |
| DIP-6 | TSOC-6 |
| 1 | 1 |
| 2 | 2 |
| 3 | 3 |
| 4 | 4 |
| 5 | 5 |
| 6 | 6 |
Увеличить |
DIP8/WS8 specialized adapter for 25xx serial EEPROM, FLASH memory. |
| DIP-8 | WSON-8 | 74AHC14 | C1, 0.1мкФ | C2, 75пФ |
| 1 | 1 |   |   |   |
| 2 | 2 |   |   |   |
| 3 | 3 |   |   |   |
| 4 | 4 | 1,3,5,7,13 | 1 | 1 |
| 5 | 5 |   |   |   |
|   | 6 | 8 |   |   |
| 6 |   | 11 |   | 2 |
| 7 | 7 |   |   |   |
| 8 | 8 | 14 | 2 |   |
|   |   | 9,10 |   |   |
Увеличить |
DIP8/WS8 specialized adapter for 25xx serial EEPROM, FLASH memory. |
| DIP-8 | WSON-8 | 74AHC14 | C1, 0.1мкФ | C2, 75пФ |
| 1 | 1 |   |   |   |
| 2 | 2 |   |   |   |
| 3 | 3 |   |   |   |
| 4 | 4 | 1,3,5,7,13 | 1 | 1 |
| 5 | 5 |   |   |   |
|   | 6 | 8 |   |   |
| 6 |   | 11 |   | 2 |
| 7 | 7 |   |   |   |
| 8 | 8 | 14 | 2 |   |
|   |   | 9,10 |   |   |
Увеличить |
DIP8/WS8 specialized adapter for 25xx serial EEPROM, FLASH memory. |
| DIP-8 | WSON-8 | 74AHC14 | C1, 0.1мкФ | C2, 75пФ |
| 1 | 1 |   |   |   |
| 2 | 2 |   |   |   |
| 3 | 3 |   |   |   |
| 4 | 4 | 1,3,5,7,13 | 1 | 1 |
| 5 | 5 |   |   |   |
|   | 6 | 8 |   |   |
| 6 |   | 11 |   | 2 |
| 7 | 7 |   |   |   |
| 8 | 8 | 14 | 2 |   |
|   |   | 9,10 |   |   |
Увеличить |
DIP8/WS8 specialized adapter for 25xx serial EEPROM, FLASH memory. |
| DIP-8 | WSON-8 | 74AHC14 | C1, 0.1мкФ | C2, 75пФ |
| 1 | 1 |   |   |   |
| 2 | 2 |   |   |   |
| 3 | 3 |   |   |   |
| 4 | 4 | 1,3,5,7,13 | 1 | 1 |
| 5 | 5 |   |   |   |
|   | 6 | 8 |   |   |
| 6 |   | 11 |   | 2 |
| 7 | 7 |   |   |   |
| 8 | 8 | 14 | 2 |   |
|   |   | 9,10 |   |   |
Увеличить |
DIP8/WS8 specialized adapter for Atmel AT45xx Data Flash memory. |
| DIP-8 | WSON-8 | 74AHC14 | C1, 0.1 uF |
| 1 |   | 13 |   |
|   | 1 | 10 |   |
| 2 |   | 5 |   |
|   | 2 | 8 |   |
| 3 | 3 |   |   |
| 4 |   | 1 |   |
|   | 4 | 4 |   |
| 5 | 5 |   |   |
| 6 | 6 | 14 | 1 |
| 7 | 7 | 7 | 2 |
| 8 | 8 |   |   |
|   |   | 2,3 |   |
|   |   | 6,9 |   |
|   |   | 11,12 |   |
Увеличить |
DIP8/WS8 specialized adapter for Atmel AT45xx Data Flash memory. |
| DIP-8 | WSON-8 | 74AHC14 | C1, 0.1 uF |
| 1 |   | 13 |   |
|   | 1 | 10 |   |
| 2 |   | 5 |   |
|   | 2 | 8 |   |
| 3 | 3 |   |   |
| 4 |   | 1 |   |
|   | 4 | 4 |   |
| 5 | 5 |   |   |
| 6 | 6 | 14 | 1 |
| 7 | 7 | 7 | 2 |
| 8 | 8 |   |   |
|   |   | 2,3 |   |
|   |   | 6,9 |   |
|   |   | 11,12 |   |
Увеличить |
DIP8/WSON8 universal adapter. |
| DIP-8 | WSON-8 |
| 1 | 1 |
| 2 | 2 |
| 3 | 3 |
| 4 | 4 |
| 5 | 5 |
| 6 | 6 |
| 7 | 7 |
| 8 | 8 |
Увеличить |
DIP8/WSON8 universal adapter. |
| DIP-8 | WSON-8 |
| 1 | 1 |
| 2 | 2 |
| 3 | 3 |
| 4 | 4 |
| 5 | 5 |
| 6 | 6 |
| 7 | 7 |
| 8 | 8 |
Увеличить |
DIP8/WSON8 universal adapter. |
| DIP-8 | WSON-8 |
| 1 | 1 |
| 2 | 2 |
| 3 | 3 |
| 4 | 4 |
| 5 | 5 |
| 6 | 6 |
| 7 | 7 |
| 8 | 8 |
Увеличить |
DIP8/WSON8 universal adapter. |
| DIP-8 | WSON-8 |
| 1 | 1 |
| 2 | 2 |
| 3 | 3 |
| 4 | 4 |
| 5 | 5 |
| 6 | 6 |
| 7 | 7 |
| 8 | 8 |
Увеличить |
ChipProg-ISP BH14/BH20 specialized adapter for in system programming of ARM microcontrollers . |
| From Programmer Output Connector, BH-14 | To the Target Device, BH-20 | Status and Control Signals from Programmer | Signal names |
| 1 | 1,2 |   | VCC |
| 2 | 9 |   | TCK |
| 3 | 5 |   | TDI |
| 4 | 7 |   | TMS |
| 5 | 13 |   | TDO |
| 6 | 3 |   | TRST |
| 7 | - |   | - |
| 8 | - |   | - |
| 9 | 4,6,8,10,12,14,16,18,20 |   | GND |
| 10 | 15 |   | RESET |
| 11 |   | /Start |   |
| 12 |   | /Error |   |
| 13 |   | /Good |   |
| 14 |   | /Busy |   |
/Start - входной сигнал, активный уровень - 0. Этот вход эквивалентен кнопке Start на программаторе.
/Error, /Good, /Busy - логические выходы, активный уровень - 0. Эти сигналы индицируют состояние программатора и эквивалентны светодиодам на корпусе программатора.
Для просмотра списка микросхем, которые поддерживает программатор при наличии данного адаптера, выберите программатор из списка:
Схема подсоединения к адаптеру: |
Подача питания на устройство пользователя::
Подача питания на устройство пользователя может подаваться как от программатора, так и от внешнего источника питания. При подаче питания от внешнего источника, питание от программатора не должно подаваться на программируемое устройство.
Развязывающие резисторы::
Резисторы R1..R6 предназначены для изолирования программатора от устройства пользователя. Номинал этих резисторов должен быть не меньше 2к. Вместо резисторов можно использовать джамперы.
Параметры ISP программирования:
1. Нагрузочная способность программатора:
1.1 по цепи питания - 80 mA;
1.2 по напряжению программирования - 50 mA;
1.3 по логическим выходам - 5 mA.
2. Длина кабеля должна быть не более 30 см.
| Выходной разъем адаптера, BH-20 | Микросхема CY8C38 |
| 1 | VCC |
| 2 | VCC |
| 3 | TRST |
| 4 | GND |
| 5 | TDI |
| 6 | GND |
| 7 | TMS |
| 8 | GND |
| 9 | TCK |
| 10 | GND |
| 11 | - |
| 12 | GND |
| 13 | TDO |
| 14 | GND |
| 15 | RESET |
| 16 | GND |
| 17 | - |
| 18 | GND |
| 19 | - |
| 20 | GND |
Для просмотра списка микросхем, которые поддерживает программатор при наличии данного адаптера, выберите программатор из списка:
Схема подсоединения к адаптеру: |
Подача питания на устройство пользователя::
Подача питания на устройство пользователя может подаваться как от программатора, так и от внешнего источника питания. При подаче питания от внешнего источника, питание от программатора не должно подаваться на программируемое устройство.
Развязывающие резисторы::
Резисторы R1..R6 предназначены для изолирования программатора от устройства пользователя. Номинал этих резисторов должен быть не меньше 2к. Вместо резисторов можно использовать джамперы.
Параметры ISP программирования:
1. Нагрузочная способность программатора:
1.1 по цепи питания - 80 mA;
1.2 по напряжению программирования - 50 mA;
1.3 по логическим выходам - 5 mA.
2. Длина кабеля должна быть не более 30 см.
| Выходной разъем адаптера, BH-20 | Микросхема CY8C38 |
| 1 | VCC |
| 2 | VCC |
| 3 | TRST |
| 4 | GND |
| 5 | TDI |
| 6 | GND |
| 7 | TMS |
| 8 | GND |
| 9 | TCK |
| 10 | GND |
| 11 | - |
| 12 | GND |
| 13 | TDO |
| 14 | GND |
| 15 | RESET |
| 16 | GND |
| 17 | - |
| 18 | GND |
| 19 | - |
| 20 | GND |
Увеличить |
Standard ISP cable for ChipProg-ISP programmer. |
| BH-14 | IDC-14 | IDC-10 | Status and Control Signals from Programmer |
| 1 | 1 | 1 |   |
| 2 | 2 | 2 |   |
| 3 | 3 | 3 |   |
| 4 | 4 | 4 |   |
| 5 | 5 | 5 |   |
| 6 | 6 | 6 |   |
| 7 | 7 | 7 |   |
| 8 | 8 | 8 |   |
| 9 | 9 | 9 |   |
| 10 | 10 | 10 |   |
| 11 | 11 |   | /Start |
| 12 | 12 |   | /Error |
| 13 | 13 |   | /Good |
| 14 | 14 |   | /Busy |
Для просмотра списка микросхем, которые поддерживает программатор при наличии данного адаптера, выберите программатор из списка:
Схема подсоединения к адаптеру:
Подача питания на устройство пользователя:: |
| Выходной разъем адаптера, BH-14 | Микросхема 93xx |
| 1 | DO |
| 3 | CLK |
| 5 | ORG* |
| 7 | - |
| 9 | GND |
| 10 | PE* |
| 8 | - |
| 6 | CS |
| 4 | DI |
| 2 | Vcc |
* Подсоединяется при отсутствии соединения в устройстве пользователя.
Для просмотра списка микросхем, которые поддерживает программатор при наличии данного адаптера, выберите программатор из списка:
Схема подсоединения к адаптеру:
Подача питания на устройство пользователя:: |
| Выходной разъем адаптера, BH-14 | Микросхема AT45xxx |
| 1 | CS |
| 3 | VCC |
| 5 | WP |
| 7 |   |
| 9 | GND |
| 10 | SI |
| 8 | SO |
| 6 | SCK |
| 4 | RESET |
| 2 | GND |
Для просмотра списка микросхем, которые поддерживает программатор при наличии данного адаптера, выберите программатор из списка:
Схема подсоединения к адаптеру:
Подача питания на устройство пользователя:: |
| Выходной разъем адаптера, BH-14 | Микросхема AT89LP21x |
| 1 | MISO |
| 3 | SCK |
| 5 | RESET |
| 7 | - |
| 9 | GND |
| 10 | SS |
| 8 | - |
| 6 | - |
| 4 | MOSI |
| 2 | Vcc |
Для просмотра списка микросхем, которые поддерживает программатор при наличии данного адаптера, выберите программатор из списка:
Схема подсоединения к адаптеру:
Подача питания на устройство пользователя:: |
| Выходной разъем адаптера, BH-14 | Микросхема AT90/AT89S (кроме AT90CAN128), ATtinyXX, ATmegaXXXX (кроме ATmega103, ATmega128, AT90CAN128, ATMega1281, ATMega2561) |
| 1 | MISO |
| 3 | SCK |
| 5 | RESET |
| 7 | - |
| 9 | GND |
| 10 | XTAL1* |
| 8 | - |
| 6 | - |
| 4 | MOSI |
| 2 | Vcc |
* Подсоединяется при отсутствии внешнего генератора в устройстве пользователя.
Для просмотра списка микросхем, которые поддерживает программатор при наличии данного адаптера, выберите программатор из списка:
Схема подсоединения к адаптеру:
Подача питания на устройство пользователя:: |
| Выходной разъем адаптера, BH-10 | Микросхема ATtinyXX, высоковольтный режим |
| 1 | DATA |
| 2 | Vcc |
| 3 | - |
| 4 | - |
| 5 | CLOCK |
| 6 | GND |
| 7 | - |
| 8 | - |
| 9 | - |
| 10 | - |
Для просмотра списка микросхем, которые поддерживает программатор при наличии данного адаптера, выберите программатор из списка:
Схема подсоединения к адаптеру:
Подача питания на устройство пользователя:: |
| Выходной разъем адаптера, BH-14 | Микросхема ATmega103, ATmega128, AT90CAN128, ATMega1281, ATMega2561 |
| 1 | TXD |
| 3 | SCK |
| 5 | RESET |
| 7 | - |
| 9 | GND |
| 10 | XTAL1* |
| 8 | - |
| 6 | - |
| 4 | RXD |
| 2 | Vcc |
* Подсоединяется при отсутствии внешнего генератора в устройстве пользователя.
Для просмотра списка микросхем, которые поддерживает программатор при наличии данного адаптера, выберите программатор из списка:
Схема подсоединения к адаптеру:
Подача питания на устройство пользователя:: |
| Выходной разъем адаптера, BH-10 | Микросхема ATtinyXX, высоковольтный режим |
| 1 | - |
| 2 | - |
| 3 | DATA |
| 4 | VCC |
| 5 | CLOCK |
| 6 | - |
| 7 | RESET |
| 8 | GND |
| 9 | - |
| 10 | - |
| 11 |   |
| 12 |   |
| 13 |   |
| 14 |   |
Для просмотра списка микросхем, которые поддерживает программатор при наличии данного адаптера, выберите программатор из списка:
Схема подсоединения к адаптеру:
Подача питания на устройство пользователя:: |
| Выходной разъем адаптера, BH-14 | Микросхема CY8C2xxxx |
| 1 |   |
| 2 | DATA |
| 3 |   |
| 4 | SCLK |
| 5 |   |
| 6 | Xres |
| 7 |   |
| 8 | GND |
| 9 |   |
| 10 | Vcc |
Для просмотра списка микросхем, которые поддерживает программатор при наличии данного адаптера, выберите программатор из списка:
Схема подсоединения к адаптеру:
Подача питания на устройство пользователя:: |
| Выходной разъем адаптера, BH-10 | Tagret Device 1-Wire |
| 1 |   |
| 3 |   |
| 5 |   |
| 7 |   |
| 9 | Gnd |
| 10 |   |
| 8 | DQ |
| 6 |   |
| 4 |   |
| 2 |   |
Для просмотра списка микросхем, которые поддерживает программатор при наличии данного адаптера, выберите программатор из списка:
Схема подсоединения к адаптеру:
Подача питания на устройство пользователя:: |
| Выходной разъем адаптера, BH-14 | Микросхема DS89C4x0 |
| 1 | 40 |
| 3 | 11 |
| 5 | 31 |
| 7 | - |
| 9 | 20 |
| 10 | 9 |
| 8 | - |
| 6 | 19 |
| 4 | 10 |
| 2 | 29 |
Для просмотра списка микросхем, которые поддерживает программатор при наличии данного адаптера, выберите программатор из списка:
Схема подсоединения к адаптеру:
Подача питания на устройство пользователя:: |
| Выходной разъем адаптера, BH-10 | Микросхема AT26xxx | Tagret Device OneWire |
| 1 |   | Vcc |
| 3 |   |   |
| 5 |   |   |
| 7 |   |   |
| 9 | Gnd | Gnd |
| 10 |   |   |
| 8 |   |   |
| 6 |   |   |
| 4 | IO | DQ |
| 2 |   |   |
Для просмотра списка микросхем, которые поддерживает программатор при наличии данного адаптера, выберите программатор из списка:
Схема подсоединения к адаптеру:
Подача питания на устройство пользователя:: |
| Выходной разъем адаптера, BH-14 | Микросхема HCS08, HCS12 |
| 1 | BKGD |
| 2 | GND |
| 3 | - |
| 4 | RESET |
| 5 | - |
| 6 | VDD |
| 7 | - |
| 8 | - |
| 9 | - |
| 10 |   |
Для просмотра списка микросхем, которые поддерживает программатор при наличии данного адаптера, выберите программатор из списка:
Схема подсоединения к адаптеру:
Подача питания на устройство пользователя:: |
| Выходной разъем адаптера, BH-14 | Микросхема MCP250XX |
| 1 | Vdd |
| 2 | GND |
| 3 | CLOCK |
| 4 | - |
| 5 | - |
| 6 | - |
| 7 | RST/Vpp |
| 8 | - |
| 9 | GND |
| 10 | DATA |
Для просмотра списка микросхем, которые поддерживает программатор при наличии данного адаптера, выберите программатор из списка:
Схема подсоединения к адаптеру:
Подача питания на устройство пользователя:: |
| Выходной разъем адаптера, BH-14 | Микросхема PIC10/PIC12 |
| 1 | Vdd |
| 2 | GND |
| 3 | GP1 |
| 4 | - |
| 5 | - |
| 6 | - |
| 7 | MCLR/Vpp |
| 8 | - |
| 9 | GND |
| 10 | GP0 |
На все выводы питания микросхемы, включая AVdd, должно быть подано напряжение питания. Все выводы земли микросхемы, включая AVss, должны быть соединены между собой.
Для просмотра списка микросхем, которые поддерживает программатор при наличии данного адаптера, выберите программатор из списка:
Схема подсоединения к адаптеру:
Подача питания на устройство пользователя:: |
| Выходной разъем адаптера, BH-14 | Микросхема PIC16/PIC18 |
| 1 | Vdd |
| 2 | GND |
| 3 | RB6 |
| 4 | - |
| 5 | - |
| 6 | - |
| 7 | MCLR/Vpp |
| 8 | - |
| 9 | GND |
| 10 | RB7 |
На все выводы питания микросхемы, включая AVdd, должно быть подано напряжение питания. Все выводы земли микросхемы, включая AVss, должны быть соединены между собой.
Для просмотра списка микросхем, которые поддерживает программатор при наличии данного адаптера, выберите программатор из списка:
Схема подсоединения к адаптеру:
Подача питания на устройство пользователя:: |
| Выходной разъем адаптера, BH-14 | Микросхема PIC16Fxxx, корпус 14 выводов |
| 1 | Vdd |
| 2 | GND |
| 3 | RA1 |
| 4 | - |
| 5 | - |
| 6 | - |
| 7 | MCLR/Vpp |
| 8 | - |
| 9 | GND |
| 10 | RA0 |
Для просмотра списка микросхем, которые поддерживает программатор при наличии данного адаптера, выберите программатор из списка:
Схема подсоединения к адаптеру:
Подача питания на устройство пользователя:: |
| Выходной разъем адаптера, BH-14 | Микросхема PIC17 |
| 1 | Vdd |
| 2 | GND |
| 3 | RA5 |
| 4 | - |
| 5 | - |
| 6 | RA1 |
| 7 | MCLR/Vpp |
| 8 | TEST |
| 9 | GND |
| 10 | RA4 |
Для просмотра списка микросхем, которые поддерживает программатор при наличии данного адаптера, выберите программатор из списка:
Схема подсоединения к адаптеру:
Подача питания на устройство пользователя:: |
| Выходной разъем адаптера, BH-14 | Микросхема PIC18FxxJ |
| 1 | Vdd |
| 2 | GND |
| 3 | RB6 |
| 4 | - |
| 5 | - |
| 6 | MCLR |
| 7 | Vddcore |
| 8 | - |
| 9 | GND |
| 10 | RB7 |
На все выводы питания микросхемы, включая AVdd, должно быть подано напряжение питания. Все выводы земли микросхемы, включая AVss, должны быть соединены между собой.
Для просмотра списка микросхем, которые поддерживает программатор при наличии данного адаптера, выберите программатор из списка:
Схема подсоединения к адаптеру:
Подача питания на устройство пользователя:: |
| Выходной разъем адаптера, BH-14 | Микросхема dsPIC30F |
| 1 | Vdd |
| 2 | GND |
| 3 | PGC |
| 4 |   |
| 5 |   |
| 6 |   |
| 7 | MCLR/Vpp |
| 8 |   |
| 9 | GND |
| 10 | PGD |
На все выводы питания микросхемы, включая AVdd, должно быть подано напряжение питания. Все выводы земли микросхемы, включая AVss, должны быть соединены между собой.
Для просмотра списка микросхем, которые поддерживает программатор при наличии данного адаптера, выберите программатор из списка:
Схема подсоединения к адаптеру:
Подача питания на устройство пользователя:: |
| Выходной разъем адаптера, BH-14 | Микросхема dsPIC33FJ |
| 1 | Vdd |
| 2 | GND |
| 3 | PGC |
| 4 |   |
| 5 |   |
| 6 | MCLR |
| 7 | Vddcore |
| 8 |   |
| 9 | GND |
| 10 | PGD |
На все выводы питания микросхемы, включая AVdd, должно быть подано напряжение питания. Все выводы земли микросхемы, включая AVss, должны быть соединены между собой.
Для просмотра списка микросхем, которые поддерживает программатор при наличии данного адаптера, выберите программатор из списка:
Схема подсоединения к адаптеру:
Подача питания на устройство пользователя:: |
| Выходной разъем адаптера, BH-14 | Микросхема UPD78F9210 | Микросхема UPD78F9211 |
| 1 | 4 | 4 |
| 2 | 12 | 12 |
| 3 | 8 | 8 |
| 4 | 5 | 5 |
| 5 | 9 | 9 |
| 6 | -- | -- |
| 7 |   |   |
| 8 | 9 | 9 |
| 9 |   |   |
| 10 | - | - |
Для просмотра списка микросхем, которые поддерживает программатор при наличии данного адаптера, выберите программатор из списка:
Схема подсоединения к адаптеру:
Подача питания на устройство пользователя:: |
| Выходной разъем адаптера, BH-14 | Микросхема NVM3060 |
| 1 | IM Bus Data Input/Output |
| 3 | IM Bus Clock Input |
| 5 | RESET |
| 7 | - |
| 9 | GND |
| 10 | Option Input |
| 8 | - |
| 6 | Safe Input S |
| 4 | IM Bus Ident Input |
| 2 | Vcc |
Для просмотра списка микросхем, которые поддерживает программатор при наличии данного адаптера, выберите программатор из списка:
Схема подсоединения к адаптеру:
Подача питания на устройство пользователя:: |
| Выходной разъем адаптера, BH-14 | Микросхема LPC23xx/LPC24xx |
| 1 | - |
| 3 | UART0.TXD |
| 5 | UART0.RXD |
| 7 | PIO0_1 |
| 9 | Vss |
| 10 | PIO0_3 |
| 8 | - |
| 6 | - |
| 4 | RESET |
| 2 | Vdd |
Для просмотра списка микросхем, которые поддерживает программатор при наличии данного адаптера, выберите программатор из списка:
Схема подсоединения к адаптеру:
Подача питания на устройство пользователя:: |
| Выходной разъем адаптера, BH-14 | Микросхема LPC23xx/LPC24xx |
| 1 | - |
| 3 | UART0.TXD |
| 5 | UART0.RXD |
| 7 | P2.10 |
| 9 | Vss |
| 10 | - |
| 8 | - |
| 6 | - |
| 4 | RESET |
| 2 | Vdd |
Для просмотра списка микросхем, которые поддерживает программатор при наличии данного адаптера, выберите программатор из списка:
Схема подсоединения к адаптеру:
Подача питания на устройство пользователя:: |
| Выходной разъем адаптера, BH-14 | Микросхема LPC21xx/LPC22xx |
| 1 | - |
| 3 | UART0.TXD |
| 5 | UART0.RXD |
| 7 | P0.14 |
| 9 | Vss |
| 10 | - |
| 8 | - |
| 6 | - |
| 4 | RESET |
| 2 | Vdd |
Для просмотра списка микросхем, которые поддерживает программатор при наличии данного адаптера, выберите программатор из списка:
Схема подсоединения к адаптеру:
Подача питания на устройство пользователя:: |
| Выходной разъем адаптера, BH-14 | Микросхема P89LPC9xx |
| 1 | VCC |
| 3 | TXD |
| 5 |   |
| 7 |   |
| 9 | GND |
| 10 | XTAL1 |
| 8 |   |
| 6 | RST |
| 4 | RXD |
| 2 |   |
Для просмотра списка микросхем, которые поддерживает программатор при наличии данного адаптера, выберите программатор из списка:
Схема подсоединения к адаптеру:
Подача питания на устройство пользователя:: |
| Выходной разъем адаптера, BH-14 | Микросхема P89LPC9xx | Микросхема P89V52X2 |
| 1 | Vdd | Vdd |
| 3 | P0.5 | P0.5 |
| 5 | - | - |
| 7 | - | - |
| 9 | Vss | Vss |
| 10 | P0.4 | P0.4 |
| 8 | - | - |
| 6 | RST | RST |
| 4 | - | - |
| 2 | Vss | Vss |
Для просмотра списка микросхем, которые поддерживает программатор при наличии данного адаптера, выберите программатор из списка:
Схема подсоединения к адаптеру:
Подача питания на устройство пользователя:: |
| Выходной разъем адаптера, BH-14 | Микросхема STM32Fxxx |
| 1 | BOOT0 |
| 3 | UART0.TXD |
| 5 | UART0.RXD |
| 7 | - |
| 9 | Vss |
| 10 | - |
| 8 | - |
| 6 | BOOT1 |
| 4 | RESET |
| 2 | Vdd |
Для просмотра списка микросхем, которые поддерживает программатор при наличии данного адаптера, выберите программатор из списка:
Схема подсоединения к адаптеру:
Подача питания на устройство пользователя:: |
| Выходной разъем адаптера, BH-10 | Микросхема STM8 |
| 1 | VDD |
| 3 | SWIM |
| 5 | GND |
| 7 | RESET |
| 9 | - |
| 10 | - |
| 8 | - |
| 6 | - |
| 4 | - |
| 2 | - |
Для просмотра списка микросхем, которые поддерживает программатор при наличии данного адаптера, выберите программатор из списка:
Схема подсоединения к адаптеру:
Подача питания на устройство пользователя:: |
| Выходной разъем адаптера, BH-14 | Микросхема Nordic nRF24xxx |
| 1 | Vcc |
| 3 | GND |
| 5 | TMS |
| 7 | TDI(C2CK) |
| 9 | GND |
| 10 |   |
| 8 |   |
| 6 | TDO |
| 4 | TCK(C2D) |
| 2 | GND |
Для просмотра списка микросхем, которые поддерживает программатор при наличии данного адаптера, выберите программатор из списка:
Схема подсоединения к адаптеру:
Подача питания на устройство пользователя:: |
| Выходной разъем адаптера, BH-14 | Микросхема MSP430F13x, MSP430F14x |
| 1 | P1.1 |
| 2 | TCK |
| 3 | P2.2 |
| 4 | RST/NMI |
| 5 | GND |
| 6 | VCC |
| 7 | - |
| 8 | - |
| 9 | - |
| 10 | - |
Для просмотра списка микросхем, которые поддерживает программатор при наличии данного адаптера, выберите программатор из списка:
Схема подсоединения к адаптеру:
Подача питания на устройство пользователя:: |
| Выходной разъем адаптера, BH-14 | Микросхема MSP430F4xx |
| 1 | P1.0 |
| 2 | TCK |
| 3 | P1.1 |
| 4 | RST/NMI |
| 5 | GND |
| 6 | VCC |
| 7 | - |
| 8 | - |
| 9 | - |
| 10 | - |
Для просмотра списка микросхем, которые поддерживает программатор при наличии данного адаптера, выберите программатор из списка:
Схема подсоединения к адаптеру:
Подача питания на устройство пользователя:: |
| Выходной разъем адаптера, BH-14 | Микросхема Z8Fxxxx |
| 1 | Vcc |
| 2 | RESET |
| 3 | GND |
| 4 | DBG |
| 5 | GND |
| 6 |   |
| 7 |   |
| 8 |   |
| 9 |   |
| 10 |   |
Увеличить |
ChipProg-ISP BH14/BH10 specialized adapter for in system programming of Altera EPM300A PLD family . |
| From Programmer Output Connector, BH-14 | To the Target Device | Status and Control Signals from Programmer |
| 1 | 1 |   |
| 2 | 2 |   |
| 3 | 3 |   |
| 4 | 4 |   |
| 5 | 5 |   |
| 6 | 6 |   |
| 7 | 7 |   |
| 8 | 8 |   |
| 9 | 10 |   |
| 10 | 9 |   |
| 11 |   | /Start |
| 12 |   | /Error |
| 13 |   | /Good |
| 14 |   | /Busy |
Увеличить |
ChipProg-ISP BH14/BH10 specialized adapter for in system programming of Micronas HVC 2480. |
Подсоединение к AS-ISP-HVC для Micronas HVC 2480Подсоединение к AS-ISP-HVC для Micronas HVC 2480Для просмотра списка микросхем, которые поддерживает программатор при наличии данного адаптера, выберите программатор из списка:
Таблица подсоединений выходного разъема адаптера к выводам микросхемы:
AS-ISP-MC908
AS-ISP-MSP430
Таблица соединений адаптера:
AS-ISP-NEC
Таблица соединений адаптера:
Подсоединение к адаптеру AE-ISP-NEC для NEC микроконтроллеров в режиме однопроводного UART Подсоединение к адаптеру AE-ISP-NEC для NEC микроконтроллеров по UART протоколуДля просмотра списка микросхем, которые поддерживает программатор при наличии данного адаптера, выберите программатор из списка:
Таблица подсоединений выходного разъема адаптера к выводам микросхемы:
Подсоединение к адаптеру AE-ISP-NEC для NEC микроконтроллеров в режиме однопроводного UARTДля просмотра списка микросхем, которые поддерживает программатор при наличии данного адаптера, выберите программатор из списка:
Таблица подсоединений выходного разъема адаптера к выводам микросхемы:
AS-ISP-ST7
Таблица соединений адаптера:
Подсоединение к адаптеру AE-ISP-ST7 для микроконтроллеров ST7Для просмотра списка микросхем, которые поддерживает программатор при наличии данного адаптера, выберите программатор из списка: Схема подсоединения к адаптеру:
Таблица подсоединений выходного разъема адаптера к выводам микросхемы:
COP8-PGMA-28CSP
COP8-PGMA-44CSF
COP8-PGMA-44CSP
COP8-PGMA-44PF1
COP8-PGMA-44QFP
COP8-PGMA-48TF1
COP8-PGMA-56TF1
COP8-PGMA-68PF1
M-P44-40x
Таблица соединений адаптера:
M-P84-40x
Таблица соединений адаптера:
MHW-COP8-PGMA-EB
NIIET48-40
NIIET88-DIP40G
Таблица соединений адаптера:
NIIET88-DIP40T
Таблица соединений адаптера:
PA51CC2-PDZ
PA51CC2-QD
PA51CC2-SD
|