Описание адаптеров


Этот документ содержит информацию об адаптерах фирмы Фитон, их фотографии, таблицы соединений и схемы подключений. Для получения информации об интересующем Вас адаптере щелкните на его названии в одном из списков, представленных ниже.

Названия адаптеров, используемых в параллельных программаторах (программаторы ChipProg, ChipProg-2, ChipProg+, ChipProg-40, ChipProg-48, ChipProg-G4), начинаются с префикса "AE-" или "M-" (например, AE-P44-i51, AE-ISP-U1).

Названия адаптеров, используемых в последовательных программаторах (программатор ChipProg-ISP), начинаются с префикса "AS-" (например, AS-ISP-Cable, AS-ISP-MSP430).

Список адаптеров по категориям:

Универсальные (1-в-1) адаптеры
Специализированные адаптеры
Адаптеры для программирования в сокетке программатора
Адаптеры для программирования в устройстве пользователя, предназначенные для не ISP программаторов
Снятые с производства адаптеры
Адаптеры для программирования в устройстве пользователя, предназначенные для ISP программаторов

Алфавитный список адаптеров:

АдаптерОписаниеАналоги
AE-B48-16MX3

DIP40/BGA48 специализированный адаптер для FLASH памяти.
Размеры корпуса микросхемы - 8.0x 6.0 x 1.3 мм, шаг выводов - 0.8 мм.

 
AE-B48-16NM1

DIP40/BGA48 специализированный адаптер для FLASH памяти.
Размеры корпуса микросхемы - 6.39 x 6.37 x 1.0 мм, шаг выводов - 0.75 мм.

 
AE-B48-16SP1

DIP40/BGA48 специализированный адаптер для FLASH памяти.
Размеры корпуса микросхемы - 10.0 x 6.0 x 1.0 мм, шаг выводов - 0.8 мм.

 
AE-B48-16SP2

DIP40/BGA48 специализированный адаптер для FLASH памяти.
Размеры корпуса микросхемы - 8.15 x 6.15 x 1.0 мм, шаг выводов - 0.8 мм.

 
AE-B48-16SST1

DIP40/BGA48 специализированный адаптер для FLASH памяти.
Размеры корпуса микросхемы - 8.0x 6.0 x 1.1 мм, шаг выводов - 0.8 мм.

 
AE-B48-8SP1

DIP40/BGA48 специализированный адаптер для FLASH памяти.
Размеры корпуса микросхемы - 10.0 x 6.0 x 1.0 мм, шаг выводов - 0.8 мм.

 
AE-B48-8SST1

DIP32/BGA48 специализированный адаптер для FLASH памяти.
Размеры корпуса микросхемы - 10.0 x 6.0 x 1.0 мм, шаг выводов - 0.8 мм.

 
AE-B48-MX3

DIP48/BGA48 специализированный адаптер для FLASH памяти.
Размеры корпуса микросхемы - 8.0 x 6.0 x 1.3 мм, шаг выводов - 0.8 мм.

 
AE-B48-NM1

DIP48/BGA48 специализированный адаптер для FLASH памяти.
Размеры корпуса микросхемы - 6.39 x 6.37 x 1.0 мм, шаг выводов - 0.75 мм.

 
AE-B48-SP1

DIP48/BGA48 специализированный адаптер для FLASH памяти.
Размеры корпуса микросхемы - 10.0 x 6.0 x 1.0 мм, шаг выводов - 0.8 мм.

 
AE-B48-SP2

DIP48/BGA48 специализированный адаптер для FLASH памяти.
Размеры корпуса микросхемы - 8.15 x 6.15 x 1.0 мм, шаг выводов - 0.8 мм.

 
AE-B55-NAND-1

DIP48/BGA55 специализированный адаптер для NAND FLASH памяти.
Размеры корпуса микросхемы: x 10.0 x 1.0 mm, 0.8 mm pitch.

 
AE-B55-NAND-2

DIP40/BGA55 специализированный адаптер для NAND FLASH памяти.
Размеры корпуса микросхемы: x 10.0 x 1.0 mm, 0.8 mm pitch.

 
AE-B56-NM1

DIP40/BGA56 специализированный адаптер для FLASH памяти.
Размеры корпуса микросхемы: 7.7 x 9.0 x 1.0 mm, 0.75 mm pitch.

 
AE-B56-SP1

DIP40/BGA64 специализированный адаптер для FLASH памяти.
Размеры корпуса микросхемы: 9.0 x 7.0 x 1.2 mm, шаг-0.8 mm

 
AE-B64-MX2

DIP40/BGA64 специализированный адаптер для FLASH памяти.
Размеры корпуса микросхемы: 13.0 x 10.0 x 1.2 mm, 1.0 mm pitch.

 
AE-B64-NM2

DIP40/BGA64 специализированный адаптер для FLASH памяти.
Размеры корпуса микросхемы: 10.0 x 8.0 x 1.2 mm, 1.0 mm pitch.

 
AE-B64-NM3

DIP40/BGA64 специализированный адаптер для FLASH памяти.
Размеры корпуса микросхемы: 10.0 x 8.0 x 1.2 mm, 1.0 mm pitch.

 
AE-B64-NM4

DIP40/BGA64 специализированный адаптер для FLASH памяти.
Размеры корпуса микросхемы: 13.0 x 10.0 x 1.2 mm, 1.0 mm pitch.

 
AE-B64-SP1

DIP40/BGA64 специализированный адаптер для FLASH памяти.
Размеры корпуса микросхемы: 13.0 x 11.0 x 1.4 mm, 1.0 mm pitch.

 
AE-B64-SP2

DIP40/BGA64 специализированный адаптер для FLASH памяти.
Размеры корпуса микросхемы: 13.0 x 10.0 x 1.2 mm, 1.0 mm pitch.

 
AE-B64-SP3

DIP40/BGA64 специализированный адаптер для FLASH памяти.
Размеры корпуса микросхемы: 11.6 x 8.0 x 1.2 mm, 0.8 mm pitch.

 
AE-B64-SP4

DIP40/BGA64 специализированный адаптер для FLASH памяти.
Размеры корпуса микросхемы: 13.0 x 10.0 x 1.2 mm, 1.0 mm pitch.

 
AE-B64-SP5

DIP40/BGA64 специализированный адаптер для FLASH памяти.
Размеры корпуса микросхемы: 9.0 x 9.0 x 1.4 mm, 1.0 mm pitch.

 
AE-B84-SP1

DIP40/BGA84 специализированный адаптер для FLASH памяти.
Размеры корпуса микросхемы: 11.6 x 8.0 x 1.2 mm, 0.8 mm pitch.

 
AE-B84-SP3

DIP40/BGA84 специализированный адаптер для FLASH памяти.
Размеры корпуса микросхемы: 11.6 x 8.0 x 1.0 mm, 0.8 mm pitch.

 
AE-B88-NM1

DIP40/BGA88 специализированный адаптер для FLASH памяти.
Размеры корпуса микросхемы: 11.0 x 8.0 x 1.2(1.0) mm, 0.8 mm pitch.

 
AE-D28-32

DIP32/DIP28 специализированный адаптер для EPROM/FLASH памяти.

 
AE-D48-D40-16

DIP40/DIP48 специализированный адаптер для EPROM/FLASH памяти.

 
AE-D48-D40-16A

DIP40/DIP48 специализированный адаптер для EPROM/FLASH памяти.

 
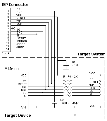
AE-ISP-ARM

DIP28/BH20 специализированный адаптер для программирования микроконтроллеров ARM/Cortex в устройстве пользователя.

 
AE-ISP-MSP430

DIP28/BH16 специализированный адаптер для программирования микроконтроллеров семейства MSP430 в устройстве пользователя с помощью JTAG интерфейса.

 
AE-ISP-NEC

DIP28/BH16 специализированный адаптер для программирования микроконтроллеров фирмы NEC в устройстве пользователя.

 
AE-ISP-ST7

DIP28/BH10 специализированный адаптер для программирования микроконтроллеров семейства ST7 и ST8 в устройстве пользователя.

 
AE-ISP-U1

DIP28/BH10 универсальный адаптер для программирования микрокосхем в устройстве пользователя.

 
AE-ISP-U2

DIP28/BH10 универсальный адаптер для программирования микрокосхем в устройстве пользователя.

 
AE-M42-1

DIP32/M42 специализированный адаптер для микросхемы памяти 1636PP1 фирмы Milandr .

 
AE-M42-2

DIP32/M42 специализированный адаптер для микросхемы памяти 1638PP1 фирмы Angstrem.

 
AE-M44-p17

DIP40/QFP44 specialized adapter for Microchip PIC devices.
Device package dimensions: body - 10.0 x 10.0 mm, 0.8 mm pitch.

 
AE-M48-1

DIP40/M48 специализированный адаптер для микросхемы памяти 1636PP2 фирмы Milandr .

 
AE-M88-BE76

DIP40/M88 специализированный адаптер для микроконтроллера 1874BE76T фирмы НИИЭТ.

 
AE-M88-BE86

DIP40/M88 специализированный адаптер для микроконтроллера 1874BE86T фирмы НИИЭТ.

 
AE-ML28-p16

DIP28/MLF28 специализированный адаптер для микроконтроллеров PIC фирмы Microchip в MLF/QFN корпусах.
Размеры корпуса: 6.0 x 6.0 x 0.9 мм, 0.65 мм шаг.

Emulation Technology: AS028-28-02ML-6
AE-P20U

DIP20/PLCC20 universal adapter with open top socket.

Logical Systems: PA20-20-1PD3
AE-P20U-Z

DIP20/PLCC20 universal adapter with clam shell socket.

Logical Systems: PA20-20-1PZ3
AE-P28U

DIP28/PLCC28 universal adapter with open top socket.

Logical Systems: PA28-28
AE-P28U-Z

DIP28/PLCC28 universal adapter with clam shell socket.

Logical Systems: PA28-28(Z)
AE-P32-28

DIP28/PLCC32 specialized adapter for EPROM/FLASH with open top socket.

Logical Systems: PA32-28
AE-P32-28-Z

DIP28/PLCC32 specialized adapter for EPROM/FLASH with clam shell socket.

Logical Systems: PA32-28Z
AE-P32-32

DIP32/PLCC32 specialized adapter for EPROM/FLASH with open top socket.

 
AE-P32-32-Z

DIP32/PLCC32 specialized adapter for EPROM/FLASH with clam shell socket.

 
AE-P32-CP49

DIP32/PLCC32 specialized adapter for EPROM/FLASH with open top socket.

 
AE-P32-CP49-Z

DIP32/PLCC32 specialized adapter for EPROM/FLASH with clam shell socket.

 
AE-P32U

DIP32/PLCC32 universal adapter with open top socket.

Logical Systems: PA32-32
AE-P32U-Z

DIP32/PLCC32 universal adapter with clam shell socket.

Logical Systems: PA32-32Z
AE-P44-4096

DIP40/PLCC44 specialized adapter for EPROM/FLASH with open top socket.

Logical Systems: PA280-44
AE-P44-4096-Z

DIP40/PLCC44 specialized adapter for EPROM/FLASH with clam shell socket.

Logical Systems: PA280-44Z
AE-P44-A32/64

DIP40/PLCC44 specialized adapter for Altera EPMxxx devices with open top socket.

 
AE-P44-A32/64-Z

DIP40/PLCC44 specialized adapter for Altera EPMxxx devices with clam shell socket.

 
AE-P44-AT17

DIP20/PLCC44 specialized adapter for Atmel AT17xxx devices with open top socket.

 
AE-P44-AT17-Z

DIP20/PLCC44 specialized adapter for Atmel AT17xxx devices with clam shell socket.

 
AE-P44-AT17FA

DIP20/PLCC44 specialized adapter for Atmel AT17xxx devices with open top socket.

 
AE-P44-AT17FA-Z

DIP20/PLCC44 specialized adapter for Atmel AT17xxx devices with clam shell socket.

 
AE-P44-AT35

DIP40/PLCC44 specialized adapter for Atmel AVR devices with open top socket.

Logical Systems: PA44-40-30-PD
AE-P44-AT35-Z

DIP40/PLCC44 specialized adapter for Atmel AVR devices with clam shellsocket.

 
AE-P44-ATF1500

DIP40/PLCC44 specialized adapter for Atmel ATF1500 devices with open top socket.

 
AE-P44-ATF1500-Z

DIP40/PLCC44 specialized adapter for Atmel ATF1500 devices with clam shell socket.

 
AE-P44-ATF2500

DIP40/PLCC44 specialized adapter for Atmel ATF2500 devices with open top socket.

 
AE-P44-ATF2500-Z

DIP40/PLCC44 specialized adapter for Atmel ATF2500 devices with clam shell socket.

 
AE-P44-C541

DIP40/PLCC44 specialized adapter with open top socket.

 
AE-P44-C541-Z

DIP40/PLCC44 specialized adapter with clam shell socket.

 
AE-P44-COP

DIP40/PLCC44 specialized adapter.

 
AE-P44-LP6440

DIP40/PLCC44 specialized adapter for 8051 family microcontrollers with open top socket.

 
AE-P44-LP6440-Z

DIP40/PLCC44 specialized adapter for 8051 family microcontrollers with clam shell socket.

 
AE-P44-P591

DIP40/PLCC44 specialized adapter for Philips/NXP microcontrollers with open top socket.

 
AE-P44-P591-Z

DIP40/PLCC44 specialized adapter for Philips/NXP microcontrollers with clam shell socket.

 
AE-P44-P952

DIP40/PLCC44 specialized adapter for Philips/NXP microcontrollers with open top socket.

 
AE-P44-P952-Z

DIP40/PLCC44 specialized adapter for Philips/NXP microcontrollers with clam shell socket.

 
AE-P44-PLD

DIP40/PLCC44 specialized adapter PLD devices with open top socket.

 
AE-P44-PLD-Z

DIP40/PLCC44 specialized adapter PLD devices with clam shell socket.

 
AE-P44-T51CC

DIP40/PLCC44 specialized adapter with open top socket.

Logical Systems: PA51CC-PD
AE-P44-T51CC-Z

DIP40/PLCC44 specialized adapter with clam shell socket.

 
AE-P44-TMS15

DIP40/PLCC44 specialized adapter with open top socket.

 
AE-P44-TMS17

DIP40/PLCC44 specialized adapter with open top socket.

 
AE-P44-W79

DIP40/PLCC44 specialized adapter for Nuvoton/Winbond microcontrollers with open top socket.

 
AE-P44-W79-2

DIP40/PLCC44 specialized adapter for Nuvoton/Winbond microcontrollers with open top socket.

 
AE-P44-W79-2-Z

DIP40/PLCC44 specialized adapter for Nuvoton/Winbond microcontrollers with clam shell socket.

 
AE-P44-W79-Z

DIP40/PLCC44 specialized adapter for Nuvoton/Winbond microcontrollers with clam shell socket.

 
AE-P44-XC17

DIP20/PLCC44 specialized adapter for Xilinx devices with open top socket.

 
AE-P44-XC17-Z

DIP20/PLCC44 specialized adapter for Xilinx devices with open top socket.

 
AE-P44-i51

DIP40/PLCC44 specialized adapter for microcontrollers with open top socket.

Logical Systems: PA51-44
AE-P44-i51-Z

DIP40/PLCC44 specialized adapter for microcontrollers with clam shell socket.

Logical Systems: PA51-44Z
AE-P44-p16

DIP40/PLCC44 specialized adapter for Microchip microcontrollers with open top socket.

Logical Systems: PA44-40-P64
AE-P44-p16-Z

DIP40/PLCC44 specialized adapter for Microchip microcontrollers with clam shell socket.

 
AE-P44-p17

DIP40/PLCC44 specialized adapter for Microchip microcontrollers with open top socket.

Logical Systems: PA17C42-PD
AE-P44-p17-Z

DIP40/PLCC44 specialized adapter for Microchip microcontrollers with clam shell socket.

 
AE-P44U

DIP44/PLCC44 universal adapter with open top socket.

Logical Systems: PA44-PD
AE-P44U-Z

DIP44/PLCC44 universal adapter with clam shell socket.

Logical Systems: PA44-PDZ
AE-P52-HC908

DIP40/PLCC52 specialized adapter for Motorola/Freescale microcontrollers with open top socket.

 
AE-P52-HC908-Z

DIP40/PLCC52 specialized adapter for Motorola/Freescale microcontrollers with clam shell socket.

 
AE-P52-T5112

DIP40/PLCC52 specialized adapter for Atmel microcontrollers with open top socket.

 
AE-P52-T5112-Z

DIP40/PLCC52 specialized adapter for Atmel microcontrollers with clam shell socket.

 
AE-P52-T5131

DIP40/PLCC52 specialized adapter for Atmel microcontrollers with open top socket.

 
AE-P52-T5131-Z

DIP40/PLCC52 specialized adapter for Atmel microcontrollers with clam shell socket.

 
AE-P52-T51CC03

DIP40/PLCC52 specialized adapter for Atmel microcontrollers with open top socket.

 
AE-P52-T51CC03-Z

DIP40/PLCC52 specialized adapter for Atmel microcontrollers with clam shell socket.

 
AE-P52-d530

DIP40/PLCC52 specialized adapter for Dallas/Maxim microcontrollers with open top socket.

Logical Systems: PA530-52
AE-P52-d530-Z

DIP40/PLCC52 specialized adapter for Dallas/Maxim microcontrollers with clam shell socket.

 
AE-P52-i196JQ

DIP40/PLCC52 specialized adapter for Intel microcontrollers with open top socket,

 
AE-P52-i196JQ-Z

DIP40/PLCC52 specialized adapter for Intel microcontrollers with clam shell socket,

 
AE-P68-T51

DIP40/PLCC68 specialized adapter for Atmel microcontrollers with open top socket.

 
AE-P68-T51-Z

DIP40/PLCC68 specialized adapter for Atmel microcontrollers with clam shell socket.

 
AE-P68-TMS14

DIP40/PLCC68 specialized adapter with open top socket.

 
AE-P68-W79

DIP40/PLCC68 specialized adapter for Nuvoton/Winbond microcontrollers with open top socket.

 
AE-P68-W79-Z

DIP40/PLCC68 specialized adapter for Nuvoton/Winbond microcontrollers with clam shell socket.

 
AE-P68-i196CA

DIP40/PLCC68 specialized adapter for Intel microcontrollers with open top socket.

 
AE-P68-i196CA-Z

DIP40/PLCC68 specialized adapter for Intel microcontrollers with clam shell socket.

 
AE-P68-i196KD

DIP40/PLCC68 specialized adapter for Intel microcontrollers with open top socket.

 
AE-P68-i196KD-Z

DIP40/PLCC68 specialized adapter for Intel microcontrollers with clam shell socket.

 
AE-P68-i196KR

DIP40/PLCC68 specialized adapter for Intel microcontrollers with oprn top socket.

 
AE-P68-i196KR-Z

DIP40/PLCC68 specialized adapter for Intel microcontrollers with clam shell socket.

 
AE-P68-i196NT

DIP40/PLCC68 specialized adapter for Intel microcontrollers with open top socket.

 
AE-P68-i196NT-Z

DIP40/PLCC68 specialized adapter for Intel microcontrollers with clam shell socket.

 
AE-P68-i51GB

DIP40/PLCC68 specialized adapter for Intel microcontrollers with open top socket.

 
AE-P68-i51GB-Z

DIP40/PLCC68 specialized adapter for Intel microcontrollers with clam shell socket.

 
AE-P68-p658

DIP40/PLCC68 specialized adapter for Microchip PIC microcontrollers with open top socket.

 
AE-P68-p658-1

DIP40/PLCC68 specialized adapter for Microchip PIC microcontrollers with open top socket.

 
AE-P68-p658-1-Z

DIP40/PLCC68 specialized adapter for Microchip PIC microcontrollers with clam shell socket.

 
AE-P68-p658-Z

DIP40/PLCC68 specialized adapter for Microchip PIC microcontrollers with clam shell socket.

 
AE-P68-ph552

DIP40/PLCC68 specialized adapter for Philips/NXP microcontrollers with open top socket.

Logical Systems: PA552-68
AE-P68-ph552-Z

DIP40/PLCC68 specialized adapter for Philips/NXP microcontrollers with clam shell socket.

 
AE-P84-A128

DIP40/PLCC84 specialized adapter for Altera EPMxxx devices with open top socket.

 
AE-P84-A128-Z

DIP40/PLCC84 specialized adapter for Altera EPMxxx devices with clam shell socket.

 
AE-P84-A64

DIP40/PLCC84 specialized adapter for Altera EPMxxx devices with open top socket.

 
AE-P84-A64-Z

DIP40/PLCC84 specialized adapter for Altera EPMxxx devices with clam shell socket.

 
AE-P84-i196CB

DIP40/PLCC84 specialized adapter for Intel devices with open top socket.

 
AE-P84-i196CB-Z

DIP40/PLCC84 specialized adapter for Intel devices with clam shell socket.

 
AE-P84-i196MC

DIP40/PLCC84 specialized adapter for Intel devices with open top socket.

 
AE-P84-i196MC-Z

DIP40/PLCC84 specialized adapter for Intel devices with clam shell socket.

 
AE-P84-p858

DIP40/PLCC84 specialized adapter for Microchip PIC devices with open top socket.

 
AE-P84-p858-Z

DIP40/PLCC84 specialized adapter for Microchip PIC devices with clam shell socket.

 
AE-PR35-DS

DIP8/PR35 специализированный адаптер для микросхем фирмы Dallas.

 
AE-Q100-A128

DIP40/QFP100 специализированный адаптер для микросхем фирмы Altera.

 
AE-Q100-A3064

DIP40/QFP100 специализированный адаптер для микросхем фирмы Altera.
Размеры корпуса: 14.0 x 14.0 x 1.0 мм, (корпус с выводами -16.0 x 16.0 мм), 0.5 мм шаг.

 
AE-Q100-ATm1280

DIP40/QFP100 специализированный адаптер для микроконтроллеров семейства AVR фирмы Atmel.
Размеры корпуса: 14.0 x 14.0 x 1.0 мм, корпус с выводами -16.0 x 16.0 мм, 0.5 мм шаг.

 
AE-Q100-CY8C38

DIP40/QFP100 специализированный адаптер для микроконтроллеров фирмы Cypress. Размеры корпуса: 14.0 x 14.0 x 1.0 мм, (корпус с выводами -16.0 x 16.0 мм), 0.5 мм шаг.

 
AE-Q100-H8/3062(64)F

DIP40/QFP100 специализированный адаптер для микросхем фирмы Hitachi.

 
AE-Q100-HCS12

DIP40/QFP100 специализированный адаптер для микроконтроллеров MC9S12xxx фирмы Motorola/Freescale.Размеры корпуса: 14.0 x 14.0 x 1.0 мм, (корпус с выводами -16.0 x 16.0 мм), 0.5 мм шаг.

 
AE-Q100-LM3S

DIP28/QFP100 специализированный адаптер для микроконтроллеров фирмы TI/Luminary. Размеры корпуса: 14.0 x 14.0 x 1.0 мм, (корпус с выводами -16.0 x 16.0 мм), 0.5 мм шаг.

 
AE-Q100-LPC2000-1

DIP40/QFP100 специализированный адаптер для микроконтроллеров фирмы NXP/Phlips. Размеры корпуса: 14.0 x 14.0 x 1.0 мм, (корпус с выводами -16.0 x 16.0 мм), 0.5 мм шаг.

 
AE-Q100-LPC2000-2

DIP40/QFP100 специализированный адаптер для микроконтроллеров фирмы NXP/Phlips. Размеры корпуса: 14.0 x 14.0 x 1.0 мм, (корпус с выводами -16.0 x 16.0 мм), 0.5 мм шаг.

 
AE-Q100-MAX2

DIP40/QFP100 специализированный адаптер для микросхем фирмы Altera.
Размеры корпуса: 14.0 x 14.0 x 1.0 мм, (корпус с выводами -16.0 x 16.0 мм), 0.5 мм шаг.

 
AE-Q100-MSP430

DIP40/QFP100 специализированный адаптер для микроконтроллеров фирмы TI. Размеры корпуса: 14.0 x 14.0 x 1.0 мм, (корпус с выводами -16.0 x 16.0 мм), 0.5 мм шаг.

 
AE-Q100-NEC-1

DIP40/QFP100 специализированный адаптер для микроконтроллеров фирмы NEC. Размеры корпуса: 14.0 x 14.0 x 1.0 мм, (корпус с выводами -16.0 x 16.0 мм), 0.5 мм шаг.

 
AE-Q100-PSOC1

DIP40/QFP100 специализированный адаптер для микроконтроллеров фирмы Cypress. Размеры корпуса: 14.0 x 14.0 x 1.0 мм, (корпус с выводами -16.0 x 16.0 мм), 0.5 мм шаг.

 
AE-Q100-RSC

DIP40/QFP100 специализированный адаптер для микроконтроллеров фирмы Sensory. Размеры корпуса: 14.0 x 14.0 x 1.0 мм, (корпус с выводами -16.0 x 16.0 мм), 0.5 мм шаг.

 
AE-Q100-SAM3

DIP40/QFP100 специализированный адаптер для микроконтроллеров фирмы Atmel. Размеры корпуса: 14.0 x 14.0 x 1.0 мм, (корпус с выводами -16.0 x 16.0 мм), 0.5 мм шаг.

 
AE-Q100-SAM7

DIP40/QFP100 специализированный адаптер для микроконтроллеров фирмы Atmel. Размеры корпуса: 14.0 x 14.0 x 1.0 мм, (корпус с выводами -16.0 x 16.0 мм), 0.5 мм шаг.

 
AE-Q100-ST6280

DIP28/QFP100 specialized adapter for STMicroelectronics devices.

 
AE-Q100-STM32

DIP40/QFP100 специализированный адаптер для микроконтроллеров семейства STM32 фирмы STMicro. Размеры корпуса: 14.0 x 14.0 x 1.0 мм, (корпус с выводами -16.0 x 16.0 мм), 0.5 мм шаг.

 
AE-Q100-W217

DIP40/QFP100 специализированный адаптер для микроконтроллеров фирмы Nuvoton/Winbond. Размеры корпуса: 14.0 x 20.0 x 2.75 мм, (корпус с выводами -117.4 x 23.4 мм), 0.65 мм шаг.

 
AE-Q100-X72/108

DIP40/QFP100 specialized adapter for Xilinx devices.

 
AE-Q100-XMEGA

DIP40/QFP100 специализированный адаптер для микроконтроллеров фирмы Atmel. Размеры корпуса: 14.0 x 14.0 x 1.0 мм, (корпус с выводами -16.0 x 16.0 мм), 0.5 мм шаг.

 
AE-Q100-p33

DIP40/QFP100 специализированный адаптер для микроконтроллеров PIC фирмы Microchip. Размеры корпуса: 14.0 x 14.0 x 1.0 мм, (корпус с выводами -16.0 x 16.0 мм), 0.5 мм шаг.

 
AE-Q100-p33-1

DIP40/QFP100 специализированный адаптер для микроконтроллеров PIC фирмы Microchip. Размеры корпуса: 12.0 x 12.0 x 1.4 мм, (корпус с выводами -14.0 x 14.0 мм), 0.4 мм шаг.

 
AE-Q100Q-M16

DIP40/QFP100 специализированный адаптер для микроконтроллеров фирмы Renesas (Mitsubishi). Размеры корпуса: 14.0 x 14.0 x 1.4 мм, (корпус с выводами -16.0 x 16.0 мм), 0.5 мм шаг.

 
AE-Q100S-M16

DIP40/QFP100 специализированный адаптер для микроконтроллеров фирмы Renesas (Mitsubishi). Размеры корпуса: 14.0 x 20.0 x 2.8 мм, (корпус с выводами -16.8 x 22.8 мм), 0.65 мм шаг.

 
AE-Q112-HCS12

DIP40/QFP112 специализированный адаптер для микроконтроллеров фирмы Motorola/Freescale MC9S12xxx . Размеры корпуса: 20.0 x 20.0 x 1.6 мм, (корпус с выводами -22.0 x 22.0 мм), 0.65 мм шаг.

 
AE-Q144-A3128

DIP40/QFP144 специализированный адаптер для микроконтроллеров фирмы Altera. Размеры корпуса: 20.0 x 20.0 x 1.4 мм, (корпус с выводами -22.0 x 22.0 мм), 0.5 мм шаг.

 
AE-Q144-HCS12

DIP40/QFP144 специализированный адаптер для микроконтроллеров фирмы Motorola/Freescale MC9S12xxx . Размеры корпуса: 20.0 x 20.0 x 1.4 мм, (корпус с выводами -22.0 x 22.0 мм), 0.5 мм шаг.

 
AE-Q144-LPC2000-1

DIP40/QFP144 специализированный адаптер для микроконтроллеров фирмы NXP/Philips . Размеры корпуса: 20.0 x 20.0 x 1.4 мм, (корпус с выводами -22.0 x 22.0 мм), 0.5 мм шаг.

 
AE-Q144-LPC2000-2

DIP40/QFP144 специализированный адаптер для микроконтроллеров фирмы NXP/Philips . Размеры корпуса: 20.0 x 20.0 x 1.4 мм, (корпус с выводами -22.0 x 22.0 мм), 0.5 мм шаг.

 
AE-Q144-MAX2

DIP40/QFP144 специализированный адаптер для микроконтроллеров фирмы Altera. Размеры корпуса: 20.0 x 20.0 x 1.4 мм, (корпус с выводами -22.0 x 22.0 мм), 0.5 мм шаг.

 
AE-Q144-NEC

DIP40/QFP144 специализированный адаптер для микроконтроллеров фирмы NEC. Размеры корпуса: 20.0 x 20.0 x 1.4 мм, (корпус с выводами -22.0 x 22.0 мм), 0.5 мм шаг.

 
AE-Q144-SAM3  
AE-Q144-STM32

DIP40/QFP144 специализированный адаптер для микроконтроллеров семейства STM32 фирмы STMicro. Размеры корпуса: 20.0 x 20.0 x 1.4 мм, (корпус с выводами -22.0 x 22.0 мм), 0.5 мм шаг.

 
AE-Q176-SST79

DIP40/QFP176 специализированный адаптер для микроконтроллеров фирмы SST. Размеры корпуса: 20.0 x 20.0 x 1.5 мм, (корпус с выводами -22.0 x 22.0 мм), 0.4 мм шаг.

 
AE-Q32-AV1

DIP28/QFP32 специализированный адаптер для микроконтроллеров фирмы Atmel. Размеры корпуса: 7.0 x 7.0 x 1.2 мм, (корпус с выводами -9.0 x 9.0 мм), 0.8 мм шаг.

Logical Systems: PA32Q1498-28D6-20
AE-Q32-STM8

DIP32/QFP32 специализированный адаптер для микроконтроллеров семейства STM8 фирмы STMicro. Размеры корпуса: 7.0 x 7.0 x 1.2 мм, (корпус с выводами -9.0 x 9.0 мм), 0.8 мм шаг.

 
AE-Q32-XE03

DIP40/QFP32 специализированный адаптер для микроконтроллеров фирмы Semtech/Xemics. Размеры корпуса: 7.0 x 7.0 x 1.2 мм, (корпус с выводами -9.0 x 9.0 мм), 0.8 мм шаг.

 
AE-Q32U

DIP32/QFP32 универсальный адаптер. Размеры корпуса: 7.0 x 7.0 x 1.2 мм, (корпус с выводами -9.0 x 9.0 мм), 0.8 мм шаг.

 
AE-Q44-A32/64

DIP40/QFP44 специализированный адаптер для микросхем фирмы Alteral. Размеры корпуса: 10.0 x 10.0 мм, 0.8 мм шаг.

 
AE-Q44-AT17F

DIP40/QFP44 специализированный адаптер для микросхем фирмы Atmel. Размеры корпуса: 10.0 x 10.0 мм, 0.8 мм шаг.

 
AE-Q44-AT17N

DIP40/QFP44 специализированный адаптер для микросхем фирмы Atmel. Размеры корпуса: 10.0 x 10.0 мм, 0.8 мм шаг.

 
AE-Q44-AT32U4

DIP40/QFP44 специализированный адаптер для микросхем семейства AVR фирмы Atmel. Размеры корпуса: 10.0 x 10.0 мм, 0.8 мм шаг.

 
AE-Q44-ATF1500

DIP40/QFP44 специализированный адаптер для микросхем фирмы Atmel. Размеры корпуса: 10.0 x 10.0 мм, 0.8 мм шаг.

 
AE-Q44-LP6440

DIP40/QFP44 специализированный адаптер для микросхем семейства 8051 фирмы Atmel. Размеры корпуса: 10.0 x 10.0 мм, 0.8 мм шаг.

 
AE-Q44-P952

DIP40/QFP44 специализированный адаптер для микросхем фирмы NXP/Philips. Размеры корпуса: 10.0 x 10.0 мм, 0.8 мм шаг.

 
AE-Q44-PIC30

DIP40/QFP44 специализированный адаптер для микросхем PIC фирмы Microchip. Размеры корпуса: 10.0 x 10.0 мм, 0.8 мм шаг.

 
AE-Q44-PIC30-1

DIP40/QFP44 специализированный адаптер для микросхем PIC фирмы Microchip. Размеры корпуса: 10.0 x 10.0 мм, 0.8 мм шаг.

 
AE-Q44-PSOC1

DIP40/QFP44 специализированный адаптер для микроконтроллеров фирмы Cypress. Размеры корпуса: 10.0 x 10.0 мм, 0.8 мм шаг.

 
AE-Q44-STM8

DIP40/QFP44 специализированный адаптер для микросхем STM8 фирмы STMicro. Размеры корпуса: 10.0 x 10.0 мм, 0.8 мм шаг.

 
AE-Q44-W79

DIP40/QFP44 специализированный адаптер для микроконтроллеров фирмы Nuvoton/Winbond. Размеры корпуса: 10.0 x 10.0 мм, 0.8 мм шаг.

 
AE-Q44-X36

DIP40/QFP44 специализированный адаптер для микросхем фирмы Xilinx. Размеры корпуса: 10.0 x 10.0 мм, 0.8 мм шаг.

 
AE-Q44-XC17

DIP40/QFP44 специализированный адаптер для микросхем фирмы Xilinx. Размеры корпуса: 10.0 x 10.0 мм, 0.8 мм шаг.

 
AE-Q44-XE01

DIP40/QFP44 специализированный адаптер для микросхем фирмы Semtech/Xemics. Размеры корпуса: 10.0 x 10.0 мм, 0.8 мм шаг.

 
AE-Q44-XMEGA

DIP40/QFP48 специализированный адаптер для микроконтроллеров фирмы Atmel. Размеры корпуса: 7.0 x 7.0 x 1.5 мм, (с выводами - 9.0 x 9.0), 0.5 мм шаг.

 
AE-Q44-p33

DIP40/QFP44 специализированный адаптер для микросхем PIC фирмы Microchip. Размеры корпуса: 10.0 x 10.0 мм, 0.8 мм шаг.

 
AE-Q44-p33GS

DIP40/QFP44 специализированный адаптер для микросхем PIC фирмы Microchip. Размеры корпуса: 10.0 x 10.0 мм, 0.8 мм шаг.

 
AE-Q44U

DIP44/QFP44 универсальный адаптер . Размеры корпуса: 10.0 x 10.0 мм, 0.8 мм шаг.

 
AE-Q48-F387

DIP40/QFP48 специализированный адаптер для микроконтроллеров фирмы Fujitsu. Размеры корпуса: 7.0 x 7.0 x 1.5 мм, (с выводами - 9.0 x 9.0), 0.5 мм шаг.

 
AE-Q48-HCS12

DIP48/QFP48 специализированный адаптер для микроконтроллеров фирмы Motorola/Freescale. Размеры корпуса: 7.0 x 7.0 x 1.5 мм, (с выводами - 9.0 x 9.0), 0.5 мм шаг.

 
AE-Q48-LM3S

DIP28/QFP48 специализированный адаптер для микроконтроллеров фирмы TI/Luminary. Размеры корпуса: 7.0 x 7.0 x 1.5 мм, (с выводами - 9.0 x 9.0), 0.5 мм шаг.

 
AE-Q48-SAM7

DIP40/QFP48 специализированный адаптер для микроконтроллеров фирмы Atmel. Размеры корпуса: 7.0 x 7.0 x 1.5 мм, (с выводами - 9.0 x 9.0), 0.5 мм шаг.

 
AE-Q48-STM32

DIP40/QFP48 специализированный адаптер для микроконтроллеров фирмы STMicro. Размеры корпуса: 7.0 x 7.0 x 1.5 мм, (с выводами - 9.0 x 9.0), 0.5 мм шаг.

 
AE-Q48-STM8

DIP40/QFP48 специализированный адаптер для микроконтроллеров фирмы STMicro. Размеры корпуса: 7.0 x 7.0 x 1.5 мм, (с выводами - 9.0 x 9.0), 0.5 мм шаг.

 
AE-Q48-W79

DIP40/QFP48 специализированный адаптер для микроконтроллеров фирмы Nuvoton/Winbond. Размеры корпуса: 7.0 x 7.0 x 1.5 мм, (с выводами - 9.0 x 9.0), 0.5 мм шаг.

 
AE-Q48-W79-2

DIP40/QFP48 специализированный адаптер для микроконтроллеров фирмы Nuvoton/Winbond. Размеры корпуса: 7.0 x 7.0 x 1.5 мм, (с выводами - 9.0 x 9.0), 0.5 мм шаг.

 
AE-Q48-W79-3

DIP40/QFP48 специализированный адаптер для микроконтроллеров фирмы Nuvoton/Winbond. Размеры корпуса: 7.0 x 7.0 x 1.5 мм, (с выводами - 9.0 x 9.0), 0.5 мм шаг.

 
AE-Q48-W79-4

DIP40/QFP48 специализированный адаптер для микроконтроллеров фирмы Nuvoton/Winbond. Размеры корпуса: 7.0 x 7.0 x 1.5 мм, (с выводами - 9.0 x 9.0), 0.5 мм шаг.

 
AE-Q48-XC800

DIP40/QFP48 специализированный адаптер для микроконтроллеров фирмы Infineon. Размеры корпуса: 7.0 x 7.0 x 1.5 мм, (с выводами - 9.0 x 9.0), 0.5 мм шаг.

 
AE-Q48-i51

DIP40/QFP48 специализированный адаптер для микроконтроллеров семейства 8051. Размеры корпуса: 7.0 x 7.0 x 1.5 мм, (с выводами - 9.0 x 9.0), 0.5 мм шаг.

 
AE-Q48U

DIP48/QFP48 универсальный адаптер. Размеры корпуса: 7.0 x 7.0 x 1.5 мм, (с выводами - 9.0 x 9.0), 0.5 мм шаг.

 
AE-Q52-HCS12

DIP40/QFP52 специализированный адаптер для микроконтроллеров фирмы Motorola/Freescale. Размеры корпуса: 10.0 x 10.0 x 1.7 мм, (с выводами - 12.0 x 12.0), 0.65 мм шаг.

 
AE-Q52-ST6232

DIP28/QFP52 specialized adapter for STMicroelectronics microcontrollers.

 
AE-Q52-ST6235

DIP28/QFP52 specialized adapter for STMicroelectronics microcontrollers.

 
AE-Q52-ST6245

DIP28/QFP52 specialized adapter for STMicroelectronics microcontrollers.

 
AE-Q64-ATm128

DIP40/QFP64 специализированный адаптер для микроконтроллеров AVR фирмы Atmel. Размеры корпуса: 14.0 x 14.0 x 1.2 мм, (с выводами - 16.0 x 16.0), 0.8 мм шаг.

 
AE-Q64-F176-M23

DIP40/QFP64 специализированный адаптер для микроконтроллеров фирмы Fujitsu. Размеры корпуса: 12.0 x 12.0 x 1.7 мм, (с выводами - 14.0 x 14.0), 0.65 мм шаг.

 
AE-Q64-F176-M24

DIP40/QFP64 специализированный адаптер для микроконтроллеров фирмы Fujitsu. Размеры корпуса: 10.0 x 10.0 x 1.7 мм, (с выводами - 12.0 x 12.0), 0.5 мм шаг.

 
AE-Q64-H8/3664FP

DIP40/QFP64 специализированный адаптер для микроконтроллеров фирмы Hitachi. Размеры корпуса: 10.0 x 10.0 x 1.1 мм, (с выводами - 12.0 x 12.0), 0.5 мм шаг.

 
AE-Q64-HC908-1

DIP40/QFP64 специализированный адаптер для микроконтроллеров фирмы Motorola/Freescale. Размеры корпуса: 10.0 x 10.0 x 1.1 мм, (с выводами - 12.0 x 12.0), 0.5 мм шаг.

 
AE-Q64-HC908-2

DIP40/QFP64 специализированный адаптер для микроконтроллеров фирмы Motorola/Freescale. Размеры корпуса: 14.0 x 14.0 x 1.2 мм, (с выводами - 16.0 x 16.0), 0.8 мм шаг.

 
AE-Q64-HC908-LD/MR

DIP40/QFP64 специализированный адаптер для микроконтроллеров фирмы Motorola/Freescale. Размеры корпуса: 14.0 x 14.0 x 1.2 мм, (с выводами - 16.0 x 16.0), 0.8 мм шаг.

 
AE-Q64-HCS08-1

DIP40/QFP64 специализированный адаптер для микроконтроллеров фирмы Motorola/Freescale. Размеры корпуса: 10.0 x 10.0 x 1.1 мм, (с выводами - 12.0 x 12.0), 0.5 мм шаг.

 
AE-Q64-HCS08-2

DIP40/QFP64 специализированный адаптер для микроконтроллеров фирмы Motorola/Freescale. Размеры корпуса: 14.0 x 14.0 x 2.4 мм, (с выводами - 17.0 x 17.0), 0.8 мм шаг.

 
AE-Q64-HCS12

DIP40/QFP64 специализированный адаптер для микроконтроллеров фирмы Motorola/Freescale. Размеры корпуса: 10.0 x 10.0 x 1.1 мм, (с выводами - 12.0 x 12.0), 0.5 мм шаг.

 
AE-Q64-LM3S

DIP40/QFP64 специализированный адаптер для микроконтроллеров фирмы TI/Luminary. Размеры корпуса: 10.0 x 10.0 x 1.1 мм, (с выводами - 12.0 x 12.0), 0.5 мм шаг.

 
AE-Q64-LPC2000

DIP40/QFP64 специализированный адаптер для микроконтроллеров фирмы NXP/Philips. Размеры корпуса: 10.0 x 10.0 x 1.1 мм, (с выводами - 12.0 x 12.0), 0.5 мм шаг.

 
AE-Q64-MAX51

DIP40/QFP64 специализированный адаптер для микроконтроллеров фирмы Maxim. Размеры корпуса: 10.0 x 10.0 x 1.1 мм, (с выводами - 12.0 x 12.0), 0.5 мм шаг.

 
AE-Q64-MSP430

DIP40/QFP64 специализированный адаптер для микроконтроллеров фирмы TI. Размеры корпуса: 10.0 x 10.0 x 1.1 мм, (с выводами - 12.0 x 12.0), 0.5 мм шаг.

 
AE-Q64-NEC-1

DIP40/QFP64 специализированный адаптер для микроконтроллеров фирмы NEC. Размеры корпуса: 10.0 x 10.0 x 1.1 мм, (с выводами - 12.0 x 12.0), 0.5 мм шаг.

 
AE-Q64-NEC-2

DIP40/QFP64 специализированный адаптер для микроконтроллеров фирмы NEC. Размеры корпуса: 14.0 x 14.0 x 1.2 мм, (с выводами - 16.0 x 16.0), 0.8 мм шаг.

 
AE-Q64-NEC-3

DIP40/QFP64 специализированный адаптер для микроконтроллеров фирмы NEC. Размеры корпуса: 0.65 мм шаг.

 
AE-Q64-NEC-4

DIP40/QFP64 специализированный адаптер для микроконтроллеров фирмы NEC. Размеры корпуса: 0.4 мм шаг.

 
AE-Q64-PIC30-1

DIP40/QFP64 специализированный адаптер для PIC микроконтроллеров фирмы Microchip. Размеры корпуса: 10.0 x 10.0 x 1.1 мм, (с выводами - 12.0 x 12.0), 0.5 мм шаг.

 
AE-Q64-PIC30-2

DIP40/QFP64 специализированный адаптер для PIC микроконтроллеров фирмы Microchip. Размеры корпуса: 14.0 x 14.0 x 1.2 мм, (с выводами - 16.0 x 16.0), 0.8 мм шаг.

 
AE-Q64-SAM7

DIP40/QFP64 специализированный адаптер для микроконтроллеров фирмы Atmel. Размеры корпуса: 10.0 x 10.0 x 1.1 мм, (с выводами - 12.0 x 12.0), 0.5 мм шаг.

 
AE-Q64-ST6242

DIP28/QFP64 specialized adapter for STMicroelectronics microcontrollers.

 
AE-Q64-ST7-1

DIP40/QFP64 специализированный адаптер для микроконтроллеров фирмы STM. Размеры корпуса: 10.0 x 10.0 x 1.1 мм, (с выводами - 12.0 x 12.0), 0.5 мм шаг.

 
AE-Q64-ST7-2

DIP40/QFP64 специализированный адаптер для микроконтроллеров фирмы STM. Размеры корпуса: 14.0 x 14.0 x 1.2 мм, (с выводами - 16.0 x 16.0), 0.8 мм шаг.

 
AE-Q64-STM32

DIP40/QFP64 специализированный адаптер для микроконтроллеров фирмы STM. Размеры корпуса: 10.0 x 10.0 x 1.1 мм, (с выводами - 12.0 x 12.0), 0.5 мм шаг.

 
AE-Q64-STM8

DIP40/QFP64 специализированный адаптер для микроконтроллеров фирмы STM. Размеры корпуса: 10.0 x 10.0 x 1.1 мм, (с выводами - 12.0 x 12.0), 0.5 мм шаг.

 
AE-Q64-T51

DIP40/QFP64 специализированный адаптер для микроконтроллеров фирмы Atmel. Размеры корпуса: 10.0 x 10.0 x 1.1 мм, (с выводами - 12.0 x 12.0), 0.5 мм шаг.

 
AE-Q64-T5131

DIP40/QFP64 специализированный адаптер для микроконтроллеров фирмы Atmel. Размеры корпуса: 10.0 x 10.0 x 1.1 мм, (с выводами - 12.0 x 12.0), 0.5 мм шаг.

 
AE-Q64-XC800

DIP40/QFP64 специализированный адаптер для микроконтроллеров фирмы Infineon. Размеры корпуса: 10.0 x 10.0 x 1.1 мм, (с выводами - 12.0 x 12.0), 0.5 мм шаг.

 
AE-Q64-XE05

DIP40/QFP64 специализированный адаптер для микроконтроллеров фирмы Semtech/Xemics. Размеры корпуса: 10.0 x 10.0 x 1.1 мм, (с выводами - 12.0 x 12.0), 0.5 мм шаг.

 
AE-Q64-XMEGA

DIP40/QFP64 специализированный адаптер для микроконтроллеров AVR фирмы Atmel. Размеры корпуса: 14.0 x 14.0 x 1.2 мм, (с выводами - 16.0 x 16.0), 0.8 мм шаг.

 
AE-Q64-p33

DIP40/QFP64 специализированный адаптер для PIC микроконтроллеров фирмы Microchip. Размеры корпуса: 10.0 x 10.0 x 1.1 мм, (с выводами - 12.0 x 12.0), 0.5 мм шаг.

 
AE-Q64-p658

DIP40/QFP64 специализированный адаптер для PIC микроконтроллеров фирмы Microchip. Размеры корпуса: 10.0 x 10.0 x 1.1 мм, (с выводами - 12.0 x 12.0), 0.5 мм шаг.

 
AE-Q64-p946

DIP40/QFP64 специализированный адаптер для PIC микроконтроллеров фирмы Microchip. Размеры корпуса: 10.0 x 10.0 x 1.1 мм, (с выводами - 12.0 x 12.0), 0.5 мм шаг.

 
AE-Q64-ph554

DIP40/QFP64 специализированный адаптер для микроконтроллеров фирмы Philips/NXP. Размеры корпуса: 10.0 x 10.0 x 1.1 мм, (с выводами - 12.0 x 12.0), 0.5 мм шаг.

 
AE-Q80-F32

DIP40/QFP80 специализированный адаптер для 32-bit Flash памяти.
Размеры корпуса: 20.0 x 14.0 x 3.2 мм, (с выводами - 23.2 x 17.2), 0.8 мм шаг.

 
AE-Q80-HCS08

DIP40/QFP80 специализированный адаптер для микроконтроллеров фирмы Motorola/Freescale. Размеры корпуса: 12.0 x 12.0 x 1.1 мм, (с выводами - 14.0 x 14.0), 0.5 мм шаг.

 
AE-Q80-HCS12-1

DIP48/QFP80 специализированный адаптер для микроконтроллеров фирмы Motorola/Freescale. Размеры корпуса: 14.0 x 14.0 x 1.2 мм, (с выводами - 16.0 x 16.0), 0.65 мм шаг.

 
AE-Q80-HCS12-2

DIP48/QFP80 специализированный адаптер для микроконтроллеров фирмы Motorola/Freescale. Размеры корпуса: 14.0 x 14.0 x 2.3 мм, (с выводами - 17.0 x 17.0), 0.65 мм шаг.

 
AE-Q80-MSP430

DIP40/QFP80 специализированный адаптер для микроконтроллеров фирмы TI. Размеры корпуса: 12.0 x 12.0 x 1.1 мм, (с выводами - 14.0 x 14.0), 0.5 мм шаг.

 
AE-Q80-PIC30-1

DIP40/QFP80 специализированный адаптер для микроконтроллеров PIC фирмы Microchip. Размеры корпуса: 12.0 x 12.0 x 1.1 мм, (с выводами - 14.0 x 14.0), 0.5 мм шаг.

 
AE-Q80-PIC30-2

DIP40/QFP80 специализированный адаптер для микроконтроллеров PIC фирмы Microchip. Размеры корпуса: 14.0 x 14.0 x 1.2 мм, (с выводами - 16.0 x 16.0), 0.65 мм шаг.

 
AE-Q80-ST6240

DIP28/QFP80 specialized adapter for STMicroelectronics microcontrollers.

 
AE-Q80-ST6285

DIP28/QFP80 specialized adapter for STMicroelectronics microcontrollers.

 
AE-Q80-ST7

DIP40/QFP80 специализированный адаптер для микроконтроллеров фирмы STM. Размеры корпуса: 14.0 x 14.0 x 1.6 мм, (с выводами - 16.0 x 16.0), 0.65 мм шаг.

 
AE-Q80-STM8

DIP40/QFP80 специализированный адаптер для микроконтроллеров фирмы STM. Размеры корпуса: 14.0 x 14.0 x 1.6 мм, (с выводами - 16.0 x 16.0), 0.65 мм шаг.

 
AE-Q80-T5132

DIP40/QFP80 специализированный адаптер для микроконтроллеров фирмы Atmel. Размеры корпуса: 14.0 x 14.0 x 1.2 мм, (с выводами - 16.0 x 16.0), 0.65 мм шаг.

 
AE-Q80-p33

DIP40/QFP80 специализированный адаптер для микроконтроллеров PIC фирмы Microchip. Размеры корпуса: 12.0 x 12.0 x 1.1 мм, (с выводами - 14.0 x 14.0), 0.5 мм шаг.

 
AE-Q80-p858

DIP40/QFP80 специализированный адаптер для микроконтроллеров PIC фирмы Microchip. Размеры корпуса: 12.0 x 12.0 x 1.1 мм, (с выводами - 14.0 x 14.0), 0.5 мм шаг.

 
AE-QFN16U

DIP16/QFN16 универсальный адаптер. Размеры корпуса: 4.0 x 4.0 x 0.9 мм, 0.65 мм шаг.

 
AE-QFN20-AV1

DIP8/QFN20 специализированный адаптер для микроконтроллеров фирмы Atmel. Размеры корпуса: 4.0 x 4.0 x 0.9 мм, 0.5 мм шаг.

 
AE-QFN20-AV2

DIP20/QFN20 специализированный адаптер для микроконтроллеров фирмы Atmel. Размеры корпуса: 4.0 x 4.0 x 0.9 мм, 0.5 мм шаг.

 
AE-QFN20-p16

DIP20/QFN20 специализированный адаптер для микроконтроллеров фирмы Microchip. Размеры корпуса: 4.0 x 4.0 x 0.9 мм, 0.5 мм шаг.

 
AE-QFN24U

DIP24/QFN24 универсальный адаптер. Размеры корпуса: 4.0 x 4.0 x 0.9 мм, 0.5 мм шаг.

 
AE-QFN28-p16-2

DIP28/QFN28 специализированный адаптер для микроконтроллеров фирмы Microchip. Размеры корпуса: 6.0 x 6.0 x 0.9 мм, 0.65 мм шаг.

 
AE-QFN28U

DIP28/QFN28 универсальный адаптер. Размеры корпуса: 6.0 x 6.0 x 0.9 мм, 0.65 мм шаг.

 
AE-QFN32-AV1

DIP28/QFN32 специализированный адаптер для микроконтроллеров фирмы Atmel. Размеры корпуса: 5.0 x 5.0 x 1.0 мм, 0.5 мм шаг.

Emulation Technology: AS-32-28-01ML-3
AE-QFN32-AV2

DIP32/QFN32 специализированный адаптер для микроконтроллеров фирмы Atmel. Размеры корпуса: 7.0 x 7.0 x 1.0 мм, 0.65 мм шаг.

 
AE-QFN32-AV3

DIP20/QFN32 специализированный адаптер для микроконтроллеров фирмы Atmel. Размеры корпуса: 5.0 x 5.0 x 1.0 мм, 0.5 мм шаг.

 
AE-QFN32-AV4

DIP24/QFN32 специализированный адаптер для микроконтроллеров фирмы Atmel. Размеры корпуса: 7.0 x 7.0 x 1.0 мм, 0.65 мм шаг.

 
AE-QFN32U2

DIP32/QFN32 универсальный адаптер. Размеры корпуса: 5.0 x 5.0 x 0.8-0.9 мм, 0.5 мм шаг.

 
AE-QFN40U

DIP40/QFN40 универсальный адаптер. Размеры корпуса: 6.0 x 6.0 x 0.75 мм, 0.5 мм шаг.

 
AE-QFN44-AT32U4

DIP40/QFN44 специализированный адаптер для AVR микроконтроллеров фирмы Atmel. Размеры корпуса: 7.0 x 7.0 x 1.0 мм, 0.5 мм шаг.

 
AE-QFN44-AT35

DIP40/QFN44 специализированный адаптер для AVR микроконтроллеров фирмы Atmel. Размеры корпуса: 7.0 x 7.0 x 1.0 мм, 0.5 мм шаг.

 
AE-QFN44-XMEGA

DIP40/QFN44 специализированный адаптер для AVR микроконтроллеров фирмы Atmel. Размеры корпуса: 7.0 x 7.0 x 0.9 мм, 0.5 мм шаг.

 
AE-QFN44-p16

DIP40/QFN44 специализированный адаптер для микроконтроллеров фирмы Microchip. Размеры корпуса: 8.0 x 8.0 x 0.9 мм, 0.65 мм шаг.

 
AE-QFN44-p33

DIP40/QFN44 специализированный адаптер для микроконтроллеров фирмы Microchip. Размеры корпуса: 8.0 x 8.0 x 0.9 мм, 0.65 мм шаг.

 
AE-QFN44-p33GS

DIP40/QFN44 специализированный адаптер для микроконтроллеров фирмы Microchip. Размеры корпуса: 8.0 x 8.0 x 0.9 мм, 0.65 мм шаг.

 
AE-QFN48-PSOC1

DIP48/QFN48 универсальный адаптер. Размеры корпуса: 7.0 x 7.0 x 1.0 мм, 0.5 мм шаг.

 
AE-QFN48U

DIP48/QFN48 универсальный адаптер. Размеры корпуса: 7.0 x 7.0 x 1.0 мм, 0.5 мм шаг.

 
AE-QFN64-ATM128

DIP40/QFN64 специализированный адаптер для микроконтроллеров фирмы Atmel. Размеры корпуса: 9.0 x 9.0 x 0.9 мм, 0.5 мм шаг.

 
AE-QFN64-MSP430

DIP40/QFN64 специализированный адаптер для микроконтроллеров фирмы TI. Размеры корпуса: 9.0 x 9.0 x 0.9 мм, 0.5 мм шаг.

 
AE-QFN64-XMEGA

DIP40/QFN64 специализированный адаптер для микроконтроллеров фирмы Atmel. Размеры корпуса: 9.0 x 9.0 x 0.9 мм, 0.5 мм шаг.

 
AE-QFN68-PSOC1

DIP40/QFN68 специализированный адаптер для микроконтроллеров фирмы Cypress. Размеры корпуса: 8.0 x 8.0 x 0.9 мм, 0.4 мм шаг.

 
AE-SC18/28-25XX

DIP28/SOIC28 специализированный адаптер для микросхем памяти серии 25xxx. Размеры корпуса: ширина - 7.65 мм (300mil), 1.27мм шаг.

 
AE-SC18/28U

DIP28/SOIC28 универсальный адаптер. Размеры корпуса микросхемы: ширина - 7.65 мм (300mil), 1.27мм шаг.

Logical Systems: PA28SO1-08-3
AE-SC20-25xx

DIP20/SOIC20 специализированный адаптер для микросхем памяти серии 25xxx. Размеры корпуса: ширина - 5.3 мм (208mil), 1.27мм шаг.

 
AE-SC20U

DIP20/SOIC20 универсальный адаптер. Размеры корпуса микросхемы: ширина - 5.3 мм (208mil), 1.27мм шаг.

 
AE-SC28U1

DIP28/SOIC28 универсальный адаптер. Размеры корпуса микросхемы: ширина - 8.7 мм (330mil), 1.27мм шаг.

Logical Systems: PA28SO1-06-3
AE-SC32U

DIP32/SOIC32 универсальный адаптер. Размеры корпуса микросхемы: ширина - 7.5 мм (300mil), 1.27мм шаг.

 
AE-SC8/16M-25XX

DIP16/SOIC16 специализированный адаптер для микросхем памяти серии 25xxx. Размеры корпуса: ширина - 5.3 мм (208mil), 1.27мм шаг.

 
AE-SC8/16M-45XX

DIP16/SOIC16 специализированный адаптер для микросхем памяти серии 45xxx. Размеры корпуса: ширина - 5.3 мм (208mil), 1.27мм шаг.

 
AE-SC8/16N-25XX

DIP16/SOIC16 специализированный адаптер для микросхем памяти серии 25xxx. Размеры корпуса: ширина - 3.9 мм (150mil), 1.27мм шаг.

 
AE-SC8/16N-45XX

DIP16/SOIC16 специализированный адаптер для микросхем памяти серии 45xxx. Размеры корпуса: ширина - 3.9 мм (150mil), 1.27мм шаг.

 
AE-SC8/16S-25XX

DIP16/SOIC16 специализированный адаптер для микросхем памяти серии 25xxx. Размеры корпуса: ширина - 4.4 мм (173mil), 1.27мм шаг.

 
AE-SC8/16S-45XX

DIP16/SOIC16 специализированный адаптер для микросхем памяти серии 45xxx. Размеры корпуса: ширина - 4.4 мм (173mil), 1.27мм шаг.

 
AE-SC8/16UM

DIP16/SOIC16 универсальный адаптер. Размеры корпуса микросхемы: ширина - 5.3 мм (208mil), 1.27мм шаг.

Logical Systems: PA16SO1-2006-3
AE-SC8/16UN

DIP16/SOIC16 универсальный адаптер. Размеры корпуса микросхемы: ширина - 3.9 мм (150mil), 1.27мм шаг.

Logical Systems: PA16S01-03-03
AE-SC8/16US

DIP16/SOIC16 универсальный адаптер. Размеры корпуса микросхемы: ширина - 4.4 мм (173mil), 1.27мм шаг.

 
AE-SD42-ST6

DIP28/SDIP42 specialized adapter.
Device package dimensions: body width 600 mil (15.24 mm), 1.778 mm pitch.

 
AE-SD42U

DIP42/SDIP42 universal shrink DIP adapter.
Device package dimensions: body width 600 mil (15.24 mm), 1.778 mm pitch.

 
AE-SD52-SDA

DIP40/SDIP56 specialized adapter.
Device package dimensions: body width 600 mil (15.24 mm), 1.778 mm pitch.

 
AE-SD56-HC908

DIP40/SDIP56 specialized adapter for Motorola/Freescale microcontrollers.
Device package dimensions: body width 600 mil (15.24 mm), 1.778 mm pitch.

 
AE-SD56-ST6246

DIP28/SDIP56 specialized adapter for STMicroelectronics microcontrollers.
Device package dimensions: body width 600 mil (15.24 mm), 1.778 mm pitch.

 
AE-SO44-16

DIP40/SO44 specialized adapter for FLASH memory.
Device package dimensions: body width - 13.3 mm, body width with pins - 16.0 mm, 1.27 mm pitch.

 
AE-SO44U

DIP44/SO44 universal adapter.
Device package dimensions: body width - 13.3 mm, body width with pins - 16.0 mm, 1.27 mm pitch.

Logical Systems: PA44S01-OT
AE-SOT23-24XX

DIP8/SOT-23-6 specialized adapter for 24XXX serial FLASH.
Device package dimensions: body width - 1.6 mm, body width with pins - 2.7 mm, 0.95 mm pitch.

 
AE-SOT23-93XX

DIP8/SOT-23-6 specialized adapter for 93XXX serial FLASH.
Device package dimensions: body width - 1.6 mm, body width with pins - 2.7 mm, 0.95 mm pitch.

 
AE-SOT23-p10

DIP8/SOT-23-6 specialized adapter for Microchip PIC.
Device package dimensions: body width - 1.6 mm, body width with pins - 2.7 mm, 0.95 mm pitch.

 
AE-SOT23U

DIP6/SOT-23-6 universal adapter.
Device package dimensions: body width - 1.6 mm, body width with pins - 2.7 mm, 0.95 mm pitch.

 
AE-SP20-STM8

DIP28/TSSOP20 specialized adapter for STMicroelectronics STM8 family.
Device package dimensions: body width - 173 mil (4.4 mm), 0.65 mm pitch.

 
AE-SP20-p16

DIP18/SSOP20 specialized adapter for Microchip PIC.
Device package dimensions: body width - 209 mil (5.3 mm), 0.65 mm pitch.

Logical Systems: PA20SS-BP54
AE-SP28-p5x

DIP28/SSOP28 specialized adapter for Microchip PIC.
Device package dimensions: body width - 209 mil (5.3 mm), 0.65 mm pitch.

Logical Systems: PA28SS-P55
AE-SP28U (не поставляется)

DIP28/SSOP28 universal adapter.
Device package dimensions: body width - 209 mil (5.3 mm), 0.65 mm pitch.

Logical Systems: PA28SS-OT-3
AE-SP28U1

DIP28/SSOP28 universal adapter.
Device package dimensions: body width - 173 mil (4.4 mm), 0.65 mm pitch.

Logical Systems: PA28TSS-OT-3
AE-SP28U2

DIP28/SSOP28 universal adapter.
Device package dimensions: body width - 209 mil (5.3 mm), 0.65 mm pitch.

 
AE-SP30U

DIP30/SSOP30 universal adapter.
Device package dimensions: body width - 240 mil (6.1 mm), 0.65 mm pitch.

 
AE-SP38U

DIP38/SSOP38 universal adapter.
Device package dimensions: body width - 240 mil (6.1 mm), 0.65 mm pitch.

 
AE-SP8U

DIP8/SSOP8 universal adapter.
Device package dimensions: 3 x 3 mm, 0.65 mm pitch.

 
AE-SS48U

DIP48/SSOP48 universal adapter.
Device package dimensions: body width - 295 mil (7.5 mm), 0.635 mm pitch.

 
AE-SS56-16Am

DIP40/SSOP56 specialized adapter for FLASH memory.
Device package dimensions: body width - 13.3 mm, 0.8 mm pitch.

 
AE-SS56-16Am-2

DIP40/SSOP56 specialized adapter for FLASH memory.
Device package dimensions: body width - 13.3 mm, 0.8 mm pitch.

 
AE-SS56-16I

DIP40/SSOP56 specialized adapter for FLASH memory.
Device package dimensions: body width - 13.3 mm, 0.8 mm pitch.

 
AE-SS56-16I-2

DIP40/SSOP56 specialized adapter for FLASH memory.
Device package dimensions: body width - 13.3 mm, 0.8 mm pitch.

 
AE-T44-AT35

DIP40/QFP44 specialized adapter for Atmel AVR devices.
Device package dimensions: body - 10.0 x 10.0 mm, 0.8 mm pitch.

 
AE-T44-T51CC

DIP40/QFP44 specialized adapter for Atmel devices.
Device package dimensions: body - 10.0 x 10.0 mm, 0.8 mm pitch.

 
AE-T44-i51

DIP40/QFP44 specialized adapter for microcontrollers.
Device package dimensions: body - 10.0 x 10.0 mm, 0.8 mm pitch.

Logical Systems: PA51-QD-03
AE-T44-i51/505

DIP40/QFP44 specialized adapter for microcontrollers.
Device package dimensions: body - 10.0 x 10.0 mm, 0.8 mm pitch.

 
AE-T44-p16

DIP40/QFP44 specialized adapter for Microchip PIC devices.
Device package dimensions: body - 10.0 x 10.0 mm, 0.8 mm pitch.

Logical Systems: PA16C64-QD-03
AE-T44-p17

DIP40/QFP44 specialized adapter for Microchip PIC devices.
Device package dimensions: body - 10.0 x 10.0 mm, 0.8 mm pitch.

Logical Systems: PA1742-QD-03
AE-TS28

DIP28/TSOP28 specialized adapter for Flash memory.
Device package dimensions: body width - 11.8 mm, 0.55 mm pitch.

Logical Systems: PA28TSOP3
AE-TS28-45XX

DIP28/TSOP28 specialized adapter for Atmel AT45xx devices.
Device package dimensions: body width - 11.8 mm, 0.55 mm pitch.

 
AE-TS32N

DIP32/TSOP32 specialized adapter for Flash memory.
Device package dimensions: 8 x 14 mm, 0.5 mm pitch.

Logical Systems: PA32TS14-OT
AE-TS32N-CP49

DIP32/TSOP32 specialized adapter.
Device package dimensions: 8 x 14 mm, 0.5 mm pitch.

 
AE-TS32W

DIP32/TSOP32 specialized adapter for Flash memory.
Device package dimensions: 8 x 20 mm, 0.5 mm pitch.

Logical Systems: PA32TS20-OT
AE-TS40N

DIP40/TSOP40 universal adapter.
Device package dimensions: 10 x 14 mm, 0.5 mm pitch.

 
AE-TS40N-1

DIP40/TSOP40 specialized adapter.
Device package dimensions: 10 x 14 mm, 0.5 mm pitch.

 
AE-TS40N-2

DIP40/TSOP40 specialized adapter.
Device package dimensions: 10 x 14 mm, 0.5 mm pitch.

 
AE-TS40W

DIP40/TSOP40 universal adapter.
Device package dimensions: 10 x 20 mm, 0.5 mm pitch.

Logical Systems: PA40TS20-1OT
AE-TS40W-1

DIP40/TSOP40 specialized adapter.
Device package dimensions: 10 x 20 mm, 0.5 mm pitch.

 
AE-TS40W-2

DIP40/TSOP40 specialized adapter.
Device package dimensions: 10 x 20 mm, 0.5 mm pitch.

 
AE-TS40W-CP49

DIP40/TSOP40 specialized adapter.
Device package dimensions: 10 x 20 mm, 0.5 mm pitch.

 
AE-TS44Am

DIP40/TSOP-II-44 specialized adapter.
Device package dimensions: 10 x 18.5 mm, 0.8 mm pitch.

 
AE-TS48-16

DIP40/TSOP48 specialized adapter.
Device package dimensions: 12 x 20 mm, 0.5 mm pitch.

 
AE-TS48-16AT1024

DIP40/TSOP48 specialized adapter.
Device package dimensions: 12 x 20 mm, 0.5 mm pitch.

 
AE-TS48-16Am

DIP40/TSOP48 specialized adapter.
Device package dimensions: 12 x 20 mm, 0.5 mm pitch.

 
AE-TS48-8Am-1

DIP40/TSOP48 specialized adapter.
Device package dimensions: 12 x 20 mm, 0.5 mm pitch.

 
AE-TS48-8Am-2

DIP40/TSOP48 specialized adapter.
Device package dimensions:12 x 20 mm, 0.5 mm pitch.

 
AE-TS48-NAND-2

DIP40/TSOP48 specialized adapter for NAND Flash devices.
Device package dimensions:12 x 20 mm, 0.5 mm pitch.

 
AE-TS48U

DIP48/TSOP48 universal adapter.
Device package dimensions: 12 x 20 mm, 0.5 mm pitch.

Logical Systems: PA48TS20-1OT
AE-TS56-16Am

DIP40/TSOP56 specialized adapter for FLASH memory.
Device package dimensions: 14 x 20 mm, 0.5 mm pitch.

 
AE-TS56-16I

DIP40/TSOP56 specialized adapter for FLASH memory.
Device package dimensions: 14 x 20 mm, 0.5 mm pitch.

 
AE-TS56-16I-2

DIP40/TSOP56 specialized adapter for FLASH memory.
Device package dimensions: 14 x 20 mm, 0.5 mm pitch.

 
AE-TS56-16I-3

DIP40/TSOP56 specialized adapter for FLASH memory.
Device package dimensions: 14 x 20 mm, 0.5 mm pitch.

 
AE-TS56-16I-4

DIP40/TSOP56 specialized adapter for FLASH memory.
Device package dimensions: 14 x 20 mm, 0.5 mm pitch.

 
AE-WS8-25XX-1

DIP8/WS8 specialized adapter for 25xx serial EEPROM, FLASH memory.
Device package dimensions: 6.0 x 5.0 mm, 1.27 mm pitch.

 
AE-WS8-25XX-2

DIP8/WS8 specialized adapter for 25xx serial EEPROM, FLASH memory.
Device package dimensions: 8.0 x 6.0 mm, 1.27 mm pitch.

 
AE-WS8-25XX-3

DIP8/WS8 specialized adapter for 25xx serial EEPROM, FLASH memory.
Device package dimensions: 4.0 x 4.0 mm, 0.8 mm pitch.

 
AE-WS8-25XX-4

DIP8/WS8 specialized adapter for 25xx serial EEPROM, FLASH memory.
Device package dimensions: 3.0 x 2.0 mm, 0.5 mm pitch.

 
AE-WS8-U1

DIP8/WSON8 universal adapter.
Device package dimensions: 6.0 x 5.0 mm, 1.27 mm pitch.

 
AE-WS8-U2

DIP8/WSON8 universal adapter.
Device package dimensions: 8.0 x 6.0 mm, 1.27 mm pitch.

 
AE-WS8-U3

DIP8/WSON8 universal adapter.
Device package dimensions: 4.0 x 4.0 mm, 0.8 mm pitch.

 
AE-WS8-U4

DIP8/WSON8 universal adapter.
Device package dimensions: 3.0 x 2.0 mm, 0.5 mm pitch.

 
AS-ISP-ARM

ChipProg-ISP BH14/BH20 specialized adapter for in system programming of ARM microcontrollers .

 
AS-ISP-CABLE

Standard ISP cable for ChipProg-ISP programmer.

 
AS-ISP-EPM

ChipProg-ISP BH14/BH10 specialized adapter for in system programming of Altera EPM300A PLD family .

 
AS-ISP-MSP430

ChipProg-ISP BH14/BH14 specialized adapter for in system programming of TI MSP430 microcontrollers in JTAG and SBW modes.

 
AS-ISP-NEC

ChipProg-ISP BH14/BH16 specialized adapter for in system programming of NEC microcontrollers .

 
AS-ISP-ST7

ChipProg-ISP BH14/BH10 specialized adapter for in system programming of STMicroelectronic ST7 microcontroller family .

 
COP8-PGMA-28CSP

COP8-PGMA адаптеры поставляются фирмой National Semiconductor www.national.com.

 
COP8-PGMA-44CSF

COP8-PGMA адаптеры поставляются фирмой National Semiconductor www.national.com.

 
COP8-PGMA-44CSP

COP8-PGMA адаптеры поставляются фирмой National Semiconductor www.national.com.

 
COP8-PGMA-44PF1

COP8-PGMA адаптеры поставляются фирмой National Semiconductor www.national.com.

 
COP8-PGMA-44QFP

COP8-PGMA адаптеры поставляются фирмой National Semiconductor www.national.com.

 
COP8-PGMA-48TF1

COP8-PGMA адаптеры поставляются фирмой National Semiconductor www.national.com.

 
COP8-PGMA-56TF1

COP8-PGMA адаптеры поставляются фирмой National Semiconductor www.national.com.

 
COP8-PGMA-68PF1

COP8-PGMA адаптеры поставляются фирмой National Semiconductor www.national.com.

 
M-P44-40x

DIP40/PLCC44 specialized adapter for Xilinx devices with open top socket.

 
M-P84-40x

DIP40/PLCC84 specialized adapter for Xilinx devices with open top socket.

 
NIIET88-DIP40G

DIP40/M88 specialized adapter for NIIET 1874BE86T microcontroller.

 
NIIET88-DIP40T

DIP40/M88 specialized adapter for NIIET 1874BE76T microcontroller.

 

Универсальные (1-в-1) адаптеры

АдаптерОписаниеАналоги
AE-P20U

DIP20/PLCC20 universal adapter with open top socket.

Logical Systems: PA20-20-1PD3
AE-P20U-Z

DIP20/PLCC20 universal adapter with clam shell socket.

Logical Systems: PA20-20-1PZ3
AE-P28U

DIP28/PLCC28 universal adapter with open top socket.

Logical Systems: PA28-28
AE-P28U-Z

DIP28/PLCC28 universal adapter with clam shell socket.

Logical Systems: PA28-28(Z)
AE-P32U

DIP32/PLCC32 universal adapter with open top socket.

Logical Systems: PA32-32
AE-P32U-Z

DIP32/PLCC32 universal adapter with clam shell socket.

Logical Systems: PA32-32Z
AE-P44U

DIP44/PLCC44 universal adapter with open top socket.

Logical Systems: PA44-PD
AE-P44U-Z

DIP44/PLCC44 universal adapter with clam shell socket.

Logical Systems: PA44-PDZ
AE-Q32U

DIP32/QFP32 универсальный адаптер. Размеры корпуса: 7.0 x 7.0 x 1.2 мм, (корпус с выводами -9.0 x 9.0 мм), 0.8 мм шаг.

 
AE-Q44U

DIP44/QFP44 универсальный адаптер . Размеры корпуса: 10.0 x 10.0 мм, 0.8 мм шаг.

 
AE-Q48U

DIP48/QFP48 универсальный адаптер. Размеры корпуса: 7.0 x 7.0 x 1.5 мм, (с выводами - 9.0 x 9.0), 0.5 мм шаг.

 
AE-QFN16U

DIP16/QFN16 универсальный адаптер. Размеры корпуса: 4.0 x 4.0 x 0.9 мм, 0.65 мм шаг.

 
AE-QFN24U

DIP24/QFN24 универсальный адаптер. Размеры корпуса: 4.0 x 4.0 x 0.9 мм, 0.5 мм шаг.

 
AE-QFN28U

DIP28/QFN28 универсальный адаптер. Размеры корпуса: 6.0 x 6.0 x 0.9 мм, 0.65 мм шаг.

 
AE-QFN32U2

DIP32/QFN32 универсальный адаптер. Размеры корпуса: 5.0 x 5.0 x 0.8-0.9 мм, 0.5 мм шаг.

 
AE-QFN40U

DIP40/QFN40 универсальный адаптер. Размеры корпуса: 6.0 x 6.0 x 0.75 мм, 0.5 мм шаг.

 
AE-QFN48U

DIP48/QFN48 универсальный адаптер. Размеры корпуса: 7.0 x 7.0 x 1.0 мм, 0.5 мм шаг.

 
AE-SC18/28U

DIP28/SOIC28 универсальный адаптер. Размеры корпуса микросхемы: ширина - 7.65 мм (300mil), 1.27мм шаг.

Logical Systems: PA28SO1-08-3
AE-SC20U

DIP20/SOIC20 универсальный адаптер. Размеры корпуса микросхемы: ширина - 5.3 мм (208mil), 1.27мм шаг.

 
AE-SC28U1

DIP28/SOIC28 универсальный адаптер. Размеры корпуса микросхемы: ширина - 8.7 мм (330mil), 1.27мм шаг.

Logical Systems: PA28SO1-06-3
AE-SC32U

DIP32/SOIC32 универсальный адаптер. Размеры корпуса микросхемы: ширина - 7.5 мм (300mil), 1.27мм шаг.

 
AE-SC8/16UM

DIP16/SOIC16 универсальный адаптер. Размеры корпуса микросхемы: ширина - 5.3 мм (208mil), 1.27мм шаг.

Logical Systems: PA16SO1-2006-3
AE-SC8/16UN

DIP16/SOIC16 универсальный адаптер. Размеры корпуса микросхемы: ширина - 3.9 мм (150mil), 1.27мм шаг.

Logical Systems: PA16S01-03-03
AE-SC8/16US

DIP16/SOIC16 универсальный адаптер. Размеры корпуса микросхемы: ширина - 4.4 мм (173mil), 1.27мм шаг.

 
AE-SD42U

DIP42/SDIP42 universal shrink DIP adapter.
Device package dimensions: body width 600 mil (15.24 mm), 1.778 mm pitch.

 
AE-SO44U

DIP44/SO44 universal adapter.
Device package dimensions: body width - 13.3 mm, body width with pins - 16.0 mm, 1.27 mm pitch.

Logical Systems: PA44S01-OT
AE-SOT23U

DIP6/SOT-23-6 universal adapter.
Device package dimensions: body width - 1.6 mm, body width with pins - 2.7 mm, 0.95 mm pitch.

 
AE-SP28U1

DIP28/SSOP28 universal adapter.
Device package dimensions: body width - 173 mil (4.4 mm), 0.65 mm pitch.

Logical Systems: PA28TSS-OT-3
AE-SP28U2

DIP28/SSOP28 universal adapter.
Device package dimensions: body width - 209 mil (5.3 mm), 0.65 mm pitch.

 
AE-SP30U

DIP30/SSOP30 universal adapter.
Device package dimensions: body width - 240 mil (6.1 mm), 0.65 mm pitch.

 
AE-SP38U

DIP38/SSOP38 universal adapter.
Device package dimensions: body width - 240 mil (6.1 mm), 0.65 mm pitch.

 
AE-SP8U

DIP8/SSOP8 universal adapter.
Device package dimensions: 3 x 3 mm, 0.65 mm pitch.

 
AE-SS48U

DIP48/SSOP48 universal adapter.
Device package dimensions: body width - 295 mil (7.5 mm), 0.635 mm pitch.

 
AE-TS40N

DIP40/TSOP40 universal adapter.
Device package dimensions: 10 x 14 mm, 0.5 mm pitch.

 
AE-TS40W

DIP40/TSOP40 universal adapter.
Device package dimensions: 10 x 20 mm, 0.5 mm pitch.

Logical Systems: PA40TS20-1OT
AE-TS48U

DIP48/TSOP48 universal adapter.
Device package dimensions: 12 x 20 mm, 0.5 mm pitch.

Logical Systems: PA48TS20-1OT
AE-WS8-U1

DIP8/WSON8 universal adapter.
Device package dimensions: 6.0 x 5.0 mm, 1.27 mm pitch.

 
AE-WS8-U2

DIP8/WSON8 universal adapter.
Device package dimensions: 8.0 x 6.0 mm, 1.27 mm pitch.

 
AE-WS8-U3

DIP8/WSON8 universal adapter.
Device package dimensions: 4.0 x 4.0 mm, 0.8 mm pitch.

 
AE-WS8-U4

DIP8/WSON8 universal adapter.
Device package dimensions: 3.0 x 2.0 mm, 0.5 mm pitch.

 
AS-ISP-CABLE

Standard ISP cable for ChipProg-ISP programmer.

 

Специализированные адаптеры

АдаптерОписаниеАналоги
AE-B48-16MX3

DIP40/BGA48 специализированный адаптер для FLASH памяти.
Размеры корпуса микросхемы - 8.0x 6.0 x 1.3 мм, шаг выводов - 0.8 мм.

 
AE-B48-16NM1

DIP40/BGA48 специализированный адаптер для FLASH памяти.
Размеры корпуса микросхемы - 6.39 x 6.37 x 1.0 мм, шаг выводов - 0.75 мм.

 
AE-B48-16SP1

DIP40/BGA48 специализированный адаптер для FLASH памяти.
Размеры корпуса микросхемы - 10.0 x 6.0 x 1.0 мм, шаг выводов - 0.8 мм.

 
AE-B48-16SP2

DIP40/BGA48 специализированный адаптер для FLASH памяти.
Размеры корпуса микросхемы - 8.15 x 6.15 x 1.0 мм, шаг выводов - 0.8 мм.

 
AE-B48-16SST1

DIP40/BGA48 специализированный адаптер для FLASH памяти.
Размеры корпуса микросхемы - 8.0x 6.0 x 1.1 мм, шаг выводов - 0.8 мм.

 
AE-B48-8SP1

DIP40/BGA48 специализированный адаптер для FLASH памяти.
Размеры корпуса микросхемы - 10.0 x 6.0 x 1.0 мм, шаг выводов - 0.8 мм.

 
AE-B48-8SST1

DIP32/BGA48 специализированный адаптер для FLASH памяти.
Размеры корпуса микросхемы - 10.0 x 6.0 x 1.0 мм, шаг выводов - 0.8 мм.

 
AE-B48-MX3

DIP48/BGA48 специализированный адаптер для FLASH памяти.
Размеры корпуса микросхемы - 8.0 x 6.0 x 1.3 мм, шаг выводов - 0.8 мм.

 
AE-B48-NM1

DIP48/BGA48 специализированный адаптер для FLASH памяти.
Размеры корпуса микросхемы - 6.39 x 6.37 x 1.0 мм, шаг выводов - 0.75 мм.

 
AE-B48-SP1

DIP48/BGA48 специализированный адаптер для FLASH памяти.
Размеры корпуса микросхемы - 10.0 x 6.0 x 1.0 мм, шаг выводов - 0.8 мм.

 
AE-B48-SP2

DIP48/BGA48 специализированный адаптер для FLASH памяти.
Размеры корпуса микросхемы - 8.15 x 6.15 x 1.0 мм, шаг выводов - 0.8 мм.

 
AE-B55-NAND-1

DIP48/BGA55 специализированный адаптер для NAND FLASH памяти.
Размеры корпуса микросхемы: x 10.0 x 1.0 mm, 0.8 mm pitch.

 
AE-B55-NAND-2

DIP40/BGA55 специализированный адаптер для NAND FLASH памяти.
Размеры корпуса микросхемы: x 10.0 x 1.0 mm, 0.8 mm pitch.

 
AE-B56-NM1

DIP40/BGA56 специализированный адаптер для FLASH памяти.
Размеры корпуса микросхемы: 7.7 x 9.0 x 1.0 mm, 0.75 mm pitch.

 
AE-B56-SP1

DIP40/BGA64 специализированный адаптер для FLASH памяти.
Размеры корпуса микросхемы: 9.0 x 7.0 x 1.2 mm, шаг-0.8 mm

 
AE-B64-MX2

DIP40/BGA64 специализированный адаптер для FLASH памяти.
Размеры корпуса микросхемы: 13.0 x 10.0 x 1.2 mm, 1.0 mm pitch.

 
AE-B64-NM2

DIP40/BGA64 специализированный адаптер для FLASH памяти.
Размеры корпуса микросхемы: 10.0 x 8.0 x 1.2 mm, 1.0 mm pitch.

 
AE-B64-NM3

DIP40/BGA64 специализированный адаптер для FLASH памяти.
Размеры корпуса микросхемы: 10.0 x 8.0 x 1.2 mm, 1.0 mm pitch.

 
AE-B64-NM4

DIP40/BGA64 специализированный адаптер для FLASH памяти.
Размеры корпуса микросхемы: 13.0 x 10.0 x 1.2 mm, 1.0 mm pitch.

 
AE-B64-SP1

DIP40/BGA64 специализированный адаптер для FLASH памяти.
Размеры корпуса микросхемы: 13.0 x 11.0 x 1.4 mm, 1.0 mm pitch.

 
AE-B64-SP2

DIP40/BGA64 специализированный адаптер для FLASH памяти.
Размеры корпуса микросхемы: 13.0 x 10.0 x 1.2 mm, 1.0 mm pitch.

 
AE-B64-SP3

DIP40/BGA64 специализированный адаптер для FLASH памяти.
Размеры корпуса микросхемы: 11.6 x 8.0 x 1.2 mm, 0.8 mm pitch.

 
AE-B64-SP4

DIP40/BGA64 специализированный адаптер для FLASH памяти.
Размеры корпуса микросхемы: 13.0 x 10.0 x 1.2 mm, 1.0 mm pitch.

 
AE-B64-SP5

DIP40/BGA64 специализированный адаптер для FLASH памяти.
Размеры корпуса микросхемы: 9.0 x 9.0 x 1.4 mm, 1.0 mm pitch.

 
AE-B84-SP1

DIP40/BGA84 специализированный адаптер для FLASH памяти.
Размеры корпуса микросхемы: 11.6 x 8.0 x 1.2 mm, 0.8 mm pitch.

 
AE-B84-SP3

DIP40/BGA84 специализированный адаптер для FLASH памяти.
Размеры корпуса микросхемы: 11.6 x 8.0 x 1.0 mm, 0.8 mm pitch.

 
AE-B88-NM1

DIP40/BGA88 специализированный адаптер для FLASH памяти.
Размеры корпуса микросхемы: 11.0 x 8.0 x 1.2(1.0) mm, 0.8 mm pitch.

 
AE-D28-32

DIP32/DIP28 специализированный адаптер для EPROM/FLASH памяти.

 
AE-D48-D40-16

DIP40/DIP48 специализированный адаптер для EPROM/FLASH памяти.

 
AE-D48-D40-16A

DIP40/DIP48 специализированный адаптер для EPROM/FLASH памяти.

 
AE-ISP-ARM

DIP28/BH20 специализированный адаптер для программирования микроконтроллеров ARM/Cortex в устройстве пользователя.

 
AE-ISP-MSP430

DIP28/BH16 специализированный адаптер для программирования микроконтроллеров семейства MSP430 в устройстве пользователя с помощью JTAG интерфейса.

 
AE-ISP-NEC

DIP28/BH16 специализированный адаптер для программирования микроконтроллеров фирмы NEC в устройстве пользователя.

 
AE-ISP-ST7

DIP28/BH10 специализированный адаптер для программирования микроконтроллеров семейства ST7 и ST8 в устройстве пользователя.

 
AE-ISP-U1

DIP28/BH10 универсальный адаптер для программирования микрокосхем в устройстве пользователя.

 
AE-ISP-U2

DIP28/BH10 универсальный адаптер для программирования микрокосхем в устройстве пользователя.

 
AE-M42-1

DIP32/M42 специализированный адаптер для микросхемы памяти 1636PP1 фирмы Milandr .

 
AE-M42-2

DIP32/M42 специализированный адаптер для микросхемы памяти 1638PP1 фирмы Angstrem.

 
AE-M44-p17

DIP40/QFP44 specialized adapter for Microchip PIC devices.
Device package dimensions: body - 10.0 x 10.0 mm, 0.8 mm pitch.

 
AE-M48-1

DIP40/M48 специализированный адаптер для микросхемы памяти 1636PP2 фирмы Milandr .

 
AE-M88-BE76

DIP40/M88 специализированный адаптер для микроконтроллера 1874BE76T фирмы НИИЭТ.

 
AE-M88-BE86

DIP40/M88 специализированный адаптер для микроконтроллера 1874BE86T фирмы НИИЭТ.

 
AE-ML28-p16

DIP28/MLF28 специализированный адаптер для микроконтроллеров PIC фирмы Microchip в MLF/QFN корпусах.
Размеры корпуса: 6.0 x 6.0 x 0.9 мм, 0.65 мм шаг.

Emulation Technology: AS028-28-02ML-6
AE-P32-28

DIP28/PLCC32 specialized adapter for EPROM/FLASH with open top socket.

Logical Systems: PA32-28
AE-P32-28-Z

DIP28/PLCC32 specialized adapter for EPROM/FLASH with clam shell socket.

Logical Systems: PA32-28Z
AE-P32-32

DIP32/PLCC32 specialized adapter for EPROM/FLASH with open top socket.

 
AE-P32-32-Z

DIP32/PLCC32 specialized adapter for EPROM/FLASH with clam shell socket.

 
AE-P32-CP49

DIP32/PLCC32 specialized adapter for EPROM/FLASH with open top socket.

 
AE-P32-CP49-Z

DIP32/PLCC32 specialized adapter for EPROM/FLASH with clam shell socket.

 
AE-P44-4096

DIP40/PLCC44 specialized adapter for EPROM/FLASH with open top socket.

Logical Systems: PA280-44
AE-P44-4096-Z

DIP40/PLCC44 specialized adapter for EPROM/FLASH with clam shell socket.

Logical Systems: PA280-44Z
AE-P44-A32/64

DIP40/PLCC44 specialized adapter for Altera EPMxxx devices with open top socket.

 
AE-P44-A32/64-Z

DIP40/PLCC44 specialized adapter for Altera EPMxxx devices with clam shell socket.

 
AE-P44-AT17

DIP20/PLCC44 specialized adapter for Atmel AT17xxx devices with open top socket.

 
AE-P44-AT17-Z

DIP20/PLCC44 specialized adapter for Atmel AT17xxx devices with clam shell socket.

 
AE-P44-AT17FA

DIP20/PLCC44 specialized adapter for Atmel AT17xxx devices with open top socket.

 
AE-P44-AT17FA-Z

DIP20/PLCC44 specialized adapter for Atmel AT17xxx devices with clam shell socket.

 
AE-P44-AT35

DIP40/PLCC44 specialized adapter for Atmel AVR devices with open top socket.

Logical Systems: PA44-40-30-PD
AE-P44-AT35-Z

DIP40/PLCC44 specialized adapter for Atmel AVR devices with clam shellsocket.

 
AE-P44-ATF1500

DIP40/PLCC44 specialized adapter for Atmel ATF1500 devices with open top socket.

 
AE-P44-ATF1500-Z

DIP40/PLCC44 specialized adapter for Atmel ATF1500 devices with clam shell socket.

 
AE-P44-ATF2500

DIP40/PLCC44 specialized adapter for Atmel ATF2500 devices with open top socket.

 
AE-P44-ATF2500-Z

DIP40/PLCC44 specialized adapter for Atmel ATF2500 devices with clam shell socket.

 
AE-P44-C541

DIP40/PLCC44 specialized adapter with open top socket.

 
AE-P44-C541-Z

DIP40/PLCC44 specialized adapter with clam shell socket.

 
AE-P44-LP6440

DIP40/PLCC44 specialized adapter for 8051 family microcontrollers with open top socket.

 
AE-P44-LP6440-Z

DIP40/PLCC44 specialized adapter for 8051 family microcontrollers with clam shell socket.

 
AE-P44-P591

DIP40/PLCC44 specialized adapter for Philips/NXP microcontrollers with open top socket.

 
AE-P44-P591-Z

DIP40/PLCC44 specialized adapter for Philips/NXP microcontrollers with clam shell socket.

 
AE-P44-P952

DIP40/PLCC44 specialized adapter for Philips/NXP microcontrollers with open top socket.

 
AE-P44-P952-Z

DIP40/PLCC44 specialized adapter for Philips/NXP microcontrollers with clam shell socket.

 
AE-P44-PLD

DIP40/PLCC44 specialized adapter PLD devices with open top socket.

 
AE-P44-PLD-Z

DIP40/PLCC44 specialized adapter PLD devices with clam shell socket.

 
AE-P44-T51CC

DIP40/PLCC44 specialized adapter with open top socket.

Logical Systems: PA51CC-PD
AE-P44-T51CC-Z

DIP40/PLCC44 specialized adapter with clam shell socket.

 
AE-P44-TMS15

DIP40/PLCC44 specialized adapter with open top socket.

 
AE-P44-TMS17

DIP40/PLCC44 specialized adapter with open top socket.

 
AE-P44-W79

DIP40/PLCC44 specialized adapter for Nuvoton/Winbond microcontrollers with open top socket.

 
AE-P44-W79-2

DIP40/PLCC44 specialized adapter for Nuvoton/Winbond microcontrollers with open top socket.

 
AE-P44-W79-2-Z

DIP40/PLCC44 specialized adapter for Nuvoton/Winbond microcontrollers with clam shell socket.

 
AE-P44-W79-Z

DIP40/PLCC44 specialized adapter for Nuvoton/Winbond microcontrollers with clam shell socket.

 
AE-P44-XC17

DIP20/PLCC44 specialized adapter for Xilinx devices with open top socket.

 
AE-P44-XC17-Z

DIP20/PLCC44 specialized adapter for Xilinx devices with open top socket.

 
AE-P44-i51

DIP40/PLCC44 specialized adapter for microcontrollers with open top socket.

Logical Systems: PA51-44
AE-P44-i51-Z

DIP40/PLCC44 specialized adapter for microcontrollers with clam shell socket.

Logical Systems: PA51-44Z
AE-P44-p16

DIP40/PLCC44 specialized adapter for Microchip microcontrollers with open top socket.

Logical Systems: PA44-40-P64
AE-P44-p16-Z

DIP40/PLCC44 specialized adapter for Microchip microcontrollers with clam shell socket.

 
AE-P44-p17

DIP40/PLCC44 specialized adapter for Microchip microcontrollers with open top socket.

Logical Systems: PA17C42-PD
AE-P44-p17-Z

DIP40/PLCC44 specialized adapter for Microchip microcontrollers with clam shell socket.

 
AE-P52-HC908

DIP40/PLCC52 specialized adapter for Motorola/Freescale microcontrollers with open top socket.

 
AE-P52-HC908-Z

DIP40/PLCC52 specialized adapter for Motorola/Freescale microcontrollers with clam shell socket.

 
AE-P52-T5112

DIP40/PLCC52 specialized adapter for Atmel microcontrollers with open top socket.

 
AE-P52-T5112-Z

DIP40/PLCC52 specialized adapter for Atmel microcontrollers with clam shell socket.

 
AE-P52-T5131

DIP40/PLCC52 specialized adapter for Atmel microcontrollers with open top socket.

 
AE-P52-T5131-Z

DIP40/PLCC52 specialized adapter for Atmel microcontrollers with clam shell socket.

 
AE-P52-T51CC03

DIP40/PLCC52 specialized adapter for Atmel microcontrollers with open top socket.

 
AE-P52-T51CC03-Z

DIP40/PLCC52 specialized adapter for Atmel microcontrollers with clam shell socket.

 
AE-P52-d530

DIP40/PLCC52 specialized adapter for Dallas/Maxim microcontrollers with open top socket.

Logical Systems: PA530-52
AE-P52-d530-Z

DIP40/PLCC52 specialized adapter for Dallas/Maxim microcontrollers with clam shell socket.

 
AE-P52-i196JQ

DIP40/PLCC52 specialized adapter for Intel microcontrollers with open top socket,

 
AE-P52-i196JQ-Z

DIP40/PLCC52 specialized adapter for Intel microcontrollers with clam shell socket,

 
AE-P68-T51

DIP40/PLCC68 specialized adapter for Atmel microcontrollers with open top socket.

 
AE-P68-T51-Z

DIP40/PLCC68 specialized adapter for Atmel microcontrollers with clam shell socket.

 
AE-P68-TMS14

DIP40/PLCC68 specialized adapter with open top socket.

 
AE-P68-W79

DIP40/PLCC68 specialized adapter for Nuvoton/Winbond microcontrollers with open top socket.

 
AE-P68-W79-Z

DIP40/PLCC68 specialized adapter for Nuvoton/Winbond microcontrollers with clam shell socket.

 
AE-P68-i196CA

DIP40/PLCC68 specialized adapter for Intel microcontrollers with open top socket.

 
AE-P68-i196CA-Z

DIP40/PLCC68 specialized adapter for Intel microcontrollers with clam shell socket.

 
AE-P68-i196KD

DIP40/PLCC68 specialized adapter for Intel microcontrollers with open top socket.

 
AE-P68-i196KD-Z

DIP40/PLCC68 specialized adapter for Intel microcontrollers with clam shell socket.

 
AE-P68-i196KR

DIP40/PLCC68 specialized adapter for Intel microcontrollers with oprn top socket.

 
AE-P68-i196KR-Z

DIP40/PLCC68 specialized adapter for Intel microcontrollers with clam shell socket.

 
AE-P68-i196NT

DIP40/PLCC68 specialized adapter for Intel microcontrollers with open top socket.

 
AE-P68-i196NT-Z

DIP40/PLCC68 specialized adapter for Intel microcontrollers with clam shell socket.

 
AE-P68-i51GB

DIP40/PLCC68 specialized adapter for Intel microcontrollers with open top socket.

 
AE-P68-i51GB-Z

DIP40/PLCC68 specialized adapter for Intel microcontrollers with clam shell socket.

 
AE-P68-p658

DIP40/PLCC68 specialized adapter for Microchip PIC microcontrollers with open top socket.

 
AE-P68-p658-1

DIP40/PLCC68 specialized adapter for Microchip PIC microcontrollers with open top socket.

 
AE-P68-p658-1-Z

DIP40/PLCC68 specialized adapter for Microchip PIC microcontrollers with clam shell socket.

 
AE-P68-p658-Z

DIP40/PLCC68 specialized adapter for Microchip PIC microcontrollers with clam shell socket.

 
AE-P68-ph552

DIP40/PLCC68 specialized adapter for Philips/NXP microcontrollers with open top socket.

Logical Systems: PA552-68
AE-P68-ph552-Z

DIP40/PLCC68 specialized adapter for Philips/NXP microcontrollers with clam shell socket.

 
AE-P84-A128

DIP40/PLCC84 specialized adapter for Altera EPMxxx devices with open top socket.

 
AE-P84-A128-Z

DIP40/PLCC84 specialized adapter for Altera EPMxxx devices with clam shell socket.

 
AE-P84-A64

DIP40/PLCC84 specialized adapter for Altera EPMxxx devices with open top socket.

 
AE-P84-A64-Z

DIP40/PLCC84 specialized adapter for Altera EPMxxx devices with clam shell socket.

 
AE-P84-i196CB

DIP40/PLCC84 specialized adapter for Intel devices with open top socket.

 
AE-P84-i196CB-Z

DIP40/PLCC84 specialized adapter for Intel devices with clam shell socket.

 
AE-P84-i196MC

DIP40/PLCC84 specialized adapter for Intel devices with open top socket.

 
AE-P84-i196MC-Z

DIP40/PLCC84 specialized adapter for Intel devices with clam shell socket.

 
AE-P84-p858

DIP40/PLCC84 specialized adapter for Microchip PIC devices with open top socket.

 
AE-P84-p858-Z

DIP40/PLCC84 specialized adapter for Microchip PIC devices with clam shell socket.

 
AE-Q100-A3064

DIP40/QFP100 специализированный адаптер для микросхем фирмы Altera.
Размеры корпуса: 14.0 x 14.0 x 1.0 мм, (корпус с выводами -16.0 x 16.0 мм), 0.5 мм шаг.

 
AE-Q100-ATm1280

DIP40/QFP100 специализированный адаптер для микроконтроллеров семейства AVR фирмы Atmel.
Размеры корпуса: 14.0 x 14.0 x 1.0 мм, корпус с выводами -16.0 x 16.0 мм, 0.5 мм шаг.

 
AE-Q100-CY8C38

DIP40/QFP100 специализированный адаптер для микроконтроллеров фирмы Cypress. Размеры корпуса: 14.0 x 14.0 x 1.0 мм, (корпус с выводами -16.0 x 16.0 мм), 0.5 мм шаг.

 
AE-Q100-HCS12

DIP40/QFP100 специализированный адаптер для микроконтроллеров MC9S12xxx фирмы Motorola/Freescale.Размеры корпуса: 14.0 x 14.0 x 1.0 мм, (корпус с выводами -16.0 x 16.0 мм), 0.5 мм шаг.

 
AE-Q100-LM3S

DIP28/QFP100 специализированный адаптер для микроконтроллеров фирмы TI/Luminary. Размеры корпуса: 14.0 x 14.0 x 1.0 мм, (корпус с выводами -16.0 x 16.0 мм), 0.5 мм шаг.

 
AE-Q100-LPC2000-1

DIP40/QFP100 специализированный адаптер для микроконтроллеров фирмы NXP/Phlips. Размеры корпуса: 14.0 x 14.0 x 1.0 мм, (корпус с выводами -16.0 x 16.0 мм), 0.5 мм шаг.

 
AE-Q100-LPC2000-2

DIP40/QFP100 специализированный адаптер для микроконтроллеров фирмы NXP/Phlips. Размеры корпуса: 14.0 x 14.0 x 1.0 мм, (корпус с выводами -16.0 x 16.0 мм), 0.5 мм шаг.

 
AE-Q100-MAX2

DIP40/QFP100 специализированный адаптер для микросхем фирмы Altera.
Размеры корпуса: 14.0 x 14.0 x 1.0 мм, (корпус с выводами -16.0 x 16.0 мм), 0.5 мм шаг.

 
AE-Q100-MSP430

DIP40/QFP100 специализированный адаптер для микроконтроллеров фирмы TI. Размеры корпуса: 14.0 x 14.0 x 1.0 мм, (корпус с выводами -16.0 x 16.0 мм), 0.5 мм шаг.

 
AE-Q100-NEC-1

DIP40/QFP100 специализированный адаптер для микроконтроллеров фирмы NEC. Размеры корпуса: 14.0 x 14.0 x 1.0 мм, (корпус с выводами -16.0 x 16.0 мм), 0.5 мм шаг.

 
AE-Q100-PSOC1

DIP40/QFP100 специализированный адаптер для микроконтроллеров фирмы Cypress. Размеры корпуса: 14.0 x 14.0 x 1.0 мм, (корпус с выводами -16.0 x 16.0 мм), 0.5 мм шаг.

 
AE-Q100-RSC

DIP40/QFP100 специализированный адаптер для микроконтроллеров фирмы Sensory. Размеры корпуса: 14.0 x 14.0 x 1.0 мм, (корпус с выводами -16.0 x 16.0 мм), 0.5 мм шаг.

 
AE-Q100-SAM3

DIP40/QFP100 специализированный адаптер для микроконтроллеров фирмы Atmel. Размеры корпуса: 14.0 x 14.0 x 1.0 мм, (корпус с выводами -16.0 x 16.0 мм), 0.5 мм шаг.

 
AE-Q100-SAM7

DIP40/QFP100 специализированный адаптер для микроконтроллеров фирмы Atmel. Размеры корпуса: 14.0 x 14.0 x 1.0 мм, (корпус с выводами -16.0 x 16.0 мм), 0.5 мм шаг.

 
AE-Q100-STM32

DIP40/QFP100 специализированный адаптер для микроконтроллеров семейства STM32 фирмы STMicro. Размеры корпуса: 14.0 x 14.0 x 1.0 мм, (корпус с выводами -16.0 x 16.0 мм), 0.5 мм шаг.

 
AE-Q100-W217

DIP40/QFP100 специализированный адаптер для микроконтроллеров фирмы Nuvoton/Winbond. Размеры корпуса: 14.0 x 20.0 x 2.75 мм, (корпус с выводами -117.4 x 23.4 мм), 0.65 мм шаг.

 
AE-Q100-XMEGA

DIP40/QFP100 специализированный адаптер для микроконтроллеров фирмы Atmel. Размеры корпуса: 14.0 x 14.0 x 1.0 мм, (корпус с выводами -16.0 x 16.0 мм), 0.5 мм шаг.

 
AE-Q100-p33

DIP40/QFP100 специализированный адаптер для микроконтроллеров PIC фирмы Microchip. Размеры корпуса: 14.0 x 14.0 x 1.0 мм, (корпус с выводами -16.0 x 16.0 мм), 0.5 мм шаг.

 
AE-Q100-p33-1

DIP40/QFP100 специализированный адаптер для микроконтроллеров PIC фирмы Microchip. Размеры корпуса: 12.0 x 12.0 x 1.4 мм, (корпус с выводами -14.0 x 14.0 мм), 0.4 мм шаг.

 
AE-Q100Q-M16

DIP40/QFP100 специализированный адаптер для микроконтроллеров фирмы Renesas (Mitsubishi). Размеры корпуса: 14.0 x 14.0 x 1.4 мм, (корпус с выводами -16.0 x 16.0 мм), 0.5 мм шаг.

 
AE-Q100S-M16

DIP40/QFP100 специализированный адаптер для микроконтроллеров фирмы Renesas (Mitsubishi). Размеры корпуса: 14.0 x 20.0 x 2.8 мм, (корпус с выводами -16.8 x 22.8 мм), 0.65 мм шаг.

 
AE-Q112-HCS12

DIP40/QFP112 специализированный адаптер для микроконтроллеров фирмы Motorola/Freescale MC9S12xxx . Размеры корпуса: 20.0 x 20.0 x 1.6 мм, (корпус с выводами -22.0 x 22.0 мм), 0.65 мм шаг.

 
AE-Q144-A3128

DIP40/QFP144 специализированный адаптер для микроконтроллеров фирмы Altera. Размеры корпуса: 20.0 x 20.0 x 1.4 мм, (корпус с выводами -22.0 x 22.0 мм), 0.5 мм шаг.

 
AE-Q144-HCS12

DIP40/QFP144 специализированный адаптер для микроконтроллеров фирмы Motorola/Freescale MC9S12xxx . Размеры корпуса: 20.0 x 20.0 x 1.4 мм, (корпус с выводами -22.0 x 22.0 мм), 0.5 мм шаг.

 
AE-Q144-LPC2000-1

DIP40/QFP144 специализированный адаптер для микроконтроллеров фирмы NXP/Philips . Размеры корпуса: 20.0 x 20.0 x 1.4 мм, (корпус с выводами -22.0 x 22.0 мм), 0.5 мм шаг.

 
AE-Q144-LPC2000-2

DIP40/QFP144 специализированный адаптер для микроконтроллеров фирмы NXP/Philips . Размеры корпуса: 20.0 x 20.0 x 1.4 мм, (корпус с выводами -22.0 x 22.0 мм), 0.5 мм шаг.

 
AE-Q144-MAX2

DIP40/QFP144 специализированный адаптер для микроконтроллеров фирмы Altera. Размеры корпуса: 20.0 x 20.0 x 1.4 мм, (корпус с выводами -22.0 x 22.0 мм), 0.5 мм шаг.

 
AE-Q144-NEC

DIP40/QFP144 специализированный адаптер для микроконтроллеров фирмы NEC. Размеры корпуса: 20.0 x 20.0 x 1.4 мм, (корпус с выводами -22.0 x 22.0 мм), 0.5 мм шаг.

 
AE-Q144-STM32

DIP40/QFP144 специализированный адаптер для микроконтроллеров семейства STM32 фирмы STMicro. Размеры корпуса: 20.0 x 20.0 x 1.4 мм, (корпус с выводами -22.0 x 22.0 мм), 0.5 мм шаг.

 
AE-Q176-SST79

DIP40/QFP176 специализированный адаптер для микроконтроллеров фирмы SST. Размеры корпуса: 20.0 x 20.0 x 1.5 мм, (корпус с выводами -22.0 x 22.0 мм), 0.4 мм шаг.

 
AE-Q32-AV1

DIP28/QFP32 специализированный адаптер для микроконтроллеров фирмы Atmel. Размеры корпуса: 7.0 x 7.0 x 1.2 мм, (корпус с выводами -9.0 x 9.0 мм), 0.8 мм шаг.

Logical Systems: PA32Q1498-28D6-20
AE-Q32-STM8

DIP32/QFP32 специализированный адаптер для микроконтроллеров семейства STM8 фирмы STMicro. Размеры корпуса: 7.0 x 7.0 x 1.2 мм, (корпус с выводами -9.0 x 9.0 мм), 0.8 мм шаг.

 
AE-Q32-XE03

DIP40/QFP32 специализированный адаптер для микроконтроллеров фирмы Semtech/Xemics. Размеры корпуса: 7.0 x 7.0 x 1.2 мм, (корпус с выводами -9.0 x 9.0 мм), 0.8 мм шаг.

 
AE-Q44-A32/64

DIP40/QFP44 специализированный адаптер для микросхем фирмы Alteral. Размеры корпуса: 10.0 x 10.0 мм, 0.8 мм шаг.

 
AE-Q44-AT17F

DIP40/QFP44 специализированный адаптер для микросхем фирмы Atmel. Размеры корпуса: 10.0 x 10.0 мм, 0.8 мм шаг.

 
AE-Q44-AT17N

DIP40/QFP44 специализированный адаптер для микросхем фирмы Atmel. Размеры корпуса: 10.0 x 10.0 мм, 0.8 мм шаг.

 
AE-Q44-AT32U4

DIP40/QFP44 специализированный адаптер для микросхем семейства AVR фирмы Atmel. Размеры корпуса: 10.0 x 10.0 мм, 0.8 мм шаг.

 
AE-Q44-LP6440

DIP40/QFP44 специализированный адаптер для микросхем семейства 8051 фирмы Atmel. Размеры корпуса: 10.0 x 10.0 мм, 0.8 мм шаг.

 
AE-Q44-P952

DIP40/QFP44 специализированный адаптер для микросхем фирмы NXP/Philips. Размеры корпуса: 10.0 x 10.0 мм, 0.8 мм шаг.

 
AE-Q44-PIC30

DIP40/QFP44 специализированный адаптер для микросхем PIC фирмы Microchip. Размеры корпуса: 10.0 x 10.0 мм, 0.8 мм шаг.

 
AE-Q44-PIC30-1

DIP40/QFP44 специализированный адаптер для микросхем PIC фирмы Microchip. Размеры корпуса: 10.0 x 10.0 мм, 0.8 мм шаг.

 
AE-Q44-STM8

DIP40/QFP44 специализированный адаптер для микросхем STM8 фирмы STMicro. Размеры корпуса: 10.0 x 10.0 мм, 0.8 мм шаг.

 
AE-Q44-W79

DIP40/QFP44 специализированный адаптер для микроконтроллеров фирмы Nuvoton/Winbond. Размеры корпуса: 10.0 x 10.0 мм, 0.8 мм шаг.

 
AE-Q44-XC17

DIP40/QFP44 специализированный адаптер для микросхем фирмы Xilinx. Размеры корпуса: 10.0 x 10.0 мм, 0.8 мм шаг.

 
AE-Q44-XE01

DIP40/QFP44 специализированный адаптер для микросхем фирмы Semtech/Xemics. Размеры корпуса: 10.0 x 10.0 мм, 0.8 мм шаг.

 
AE-Q44-XMEGA

DIP40/QFP48 специализированный адаптер для микроконтроллеров фирмы Atmel. Размеры корпуса: 7.0 x 7.0 x 1.5 мм, (с выводами - 9.0 x 9.0), 0.5 мм шаг.

 
AE-Q44-p33

DIP40/QFP44 специализированный адаптер для микросхем PIC фирмы Microchip. Размеры корпуса: 10.0 x 10.0 мм, 0.8 мм шаг.

 
AE-Q44-p33GS

DIP40/QFP44 специализированный адаптер для микросхем PIC фирмы Microchip. Размеры корпуса: 10.0 x 10.0 мм, 0.8 мм шаг.

 
AE-Q48-F387

DIP40/QFP48 специализированный адаптер для микроконтроллеров фирмы Fujitsu. Размеры корпуса: 7.0 x 7.0 x 1.5 мм, (с выводами - 9.0 x 9.0), 0.5 мм шаг.

 
AE-Q48-HCS12

DIP48/QFP48 специализированный адаптер для микроконтроллеров фирмы Motorola/Freescale. Размеры корпуса: 7.0 x 7.0 x 1.5 мм, (с выводами - 9.0 x 9.0), 0.5 мм шаг.

 
AE-Q48-LM3S

DIP28/QFP48 специализированный адаптер для микроконтроллеров фирмы TI/Luminary. Размеры корпуса: 7.0 x 7.0 x 1.5 мм, (с выводами - 9.0 x 9.0), 0.5 мм шаг.

 
AE-Q48-SAM7

DIP40/QFP48 специализированный адаптер для микроконтроллеров фирмы Atmel. Размеры корпуса: 7.0 x 7.0 x 1.5 мм, (с выводами - 9.0 x 9.0), 0.5 мм шаг.

 
AE-Q48-STM32

DIP40/QFP48 специализированный адаптер для микроконтроллеров фирмы STMicro. Размеры корпуса: 7.0 x 7.0 x 1.5 мм, (с выводами - 9.0 x 9.0), 0.5 мм шаг.

 
AE-Q48-STM8

DIP40/QFP48 специализированный адаптер для микроконтроллеров фирмы STMicro. Размеры корпуса: 7.0 x 7.0 x 1.5 мм, (с выводами - 9.0 x 9.0), 0.5 мм шаг.

 
AE-Q48-W79

DIP40/QFP48 специализированный адаптер для микроконтроллеров фирмы Nuvoton/Winbond. Размеры корпуса: 7.0 x 7.0 x 1.5 мм, (с выводами - 9.0 x 9.0), 0.5 мм шаг.

 
AE-Q48-W79-2

DIP40/QFP48 специализированный адаптер для микроконтроллеров фирмы Nuvoton/Winbond. Размеры корпуса: 7.0 x 7.0 x 1.5 мм, (с выводами - 9.0 x 9.0), 0.5 мм шаг.

 
AE-Q48-W79-3

DIP40/QFP48 специализированный адаптер для микроконтроллеров фирмы Nuvoton/Winbond. Размеры корпуса: 7.0 x 7.0 x 1.5 мм, (с выводами - 9.0 x 9.0), 0.5 мм шаг.

 
AE-Q48-W79-4

DIP40/QFP48 специализированный адаптер для микроконтроллеров фирмы Nuvoton/Winbond. Размеры корпуса: 7.0 x 7.0 x 1.5 мм, (с выводами - 9.0 x 9.0), 0.5 мм шаг.

 
AE-Q48-XC800

DIP40/QFP48 специализированный адаптер для микроконтроллеров фирмы Infineon. Размеры корпуса: 7.0 x 7.0 x 1.5 мм, (с выводами - 9.0 x 9.0), 0.5 мм шаг.

 
AE-Q48-i51

DIP40/QFP48 специализированный адаптер для микроконтроллеров семейства 8051. Размеры корпуса: 7.0 x 7.0 x 1.5 мм, (с выводами - 9.0 x 9.0), 0.5 мм шаг.

 
AE-Q52-HCS12

DIP40/QFP52 специализированный адаптер для микроконтроллеров фирмы Motorola/Freescale. Размеры корпуса: 10.0 x 10.0 x 1.7 мм, (с выводами - 12.0 x 12.0), 0.65 мм шаг.

 
AE-Q64-ATm128

DIP40/QFP64 специализированный адаптер для микроконтроллеров AVR фирмы Atmel. Размеры корпуса: 14.0 x 14.0 x 1.2 мм, (с выводами - 16.0 x 16.0), 0.8 мм шаг.

 
AE-Q64-F176-M23

DIP40/QFP64 специализированный адаптер для микроконтроллеров фирмы Fujitsu. Размеры корпуса: 12.0 x 12.0 x 1.7 мм, (с выводами - 14.0 x 14.0), 0.65 мм шаг.

 
AE-Q64-F176-M24

DIP40/QFP64 специализированный адаптер для микроконтроллеров фирмы Fujitsu. Размеры корпуса: 10.0 x 10.0 x 1.7 мм, (с выводами - 12.0 x 12.0), 0.5 мм шаг.

 
AE-Q64-H8/3664FP

DIP40/QFP64 специализированный адаптер для микроконтроллеров фирмы Hitachi. Размеры корпуса: 10.0 x 10.0 x 1.1 мм, (с выводами - 12.0 x 12.0), 0.5 мм шаг.

 
AE-Q64-HC908-1

DIP40/QFP64 специализированный адаптер для микроконтроллеров фирмы Motorola/Freescale. Размеры корпуса: 10.0 x 10.0 x 1.1 мм, (с выводами - 12.0 x 12.0), 0.5 мм шаг.

 
AE-Q64-HC908-2

DIP40/QFP64 специализированный адаптер для микроконтроллеров фирмы Motorola/Freescale. Размеры корпуса: 14.0 x 14.0 x 1.2 мм, (с выводами - 16.0 x 16.0), 0.8 мм шаг.

 
AE-Q64-HC908-LD/MR

DIP40/QFP64 специализированный адаптер для микроконтроллеров фирмы Motorola/Freescale. Размеры корпуса: 14.0 x 14.0 x 1.2 мм, (с выводами - 16.0 x 16.0), 0.8 мм шаг.

 
AE-Q64-HCS08-1

DIP40/QFP64 специализированный адаптер для микроконтроллеров фирмы Motorola/Freescale. Размеры корпуса: 10.0 x 10.0 x 1.1 мм, (с выводами - 12.0 x 12.0), 0.5 мм шаг.

 
AE-Q64-HCS08-2

DIP40/QFP64 специализированный адаптер для микроконтроллеров фирмы Motorola/Freescale. Размеры корпуса: 14.0 x 14.0 x 2.4 мм, (с выводами - 17.0 x 17.0), 0.8 мм шаг.

 
AE-Q64-HCS12

DIP40/QFP64 специализированный адаптер для микроконтроллеров фирмы Motorola/Freescale. Размеры корпуса: 10.0 x 10.0 x 1.1 мм, (с выводами - 12.0 x 12.0), 0.5 мм шаг.

 
AE-Q64-LM3S

DIP40/QFP64 специализированный адаптер для микроконтроллеров фирмы TI/Luminary. Размеры корпуса: 10.0 x 10.0 x 1.1 мм, (с выводами - 12.0 x 12.0), 0.5 мм шаг.

 
AE-Q64-LPC2000

DIP40/QFP64 специализированный адаптер для микроконтроллеров фирмы NXP/Philips. Размеры корпуса: 10.0 x 10.0 x 1.1 мм, (с выводами - 12.0 x 12.0), 0.5 мм шаг.

 
AE-Q64-MAX51

DIP40/QFP64 специализированный адаптер для микроконтроллеров фирмы Maxim. Размеры корпуса: 10.0 x 10.0 x 1.1 мм, (с выводами - 12.0 x 12.0), 0.5 мм шаг.

 
AE-Q64-MSP430

DIP40/QFP64 специализированный адаптер для микроконтроллеров фирмы TI. Размеры корпуса: 10.0 x 10.0 x 1.1 мм, (с выводами - 12.0 x 12.0), 0.5 мм шаг.

 
AE-Q64-NEC-1

DIP40/QFP64 специализированный адаптер для микроконтроллеров фирмы NEC. Размеры корпуса: 10.0 x 10.0 x 1.1 мм, (с выводами - 12.0 x 12.0), 0.5 мм шаг.

 
AE-Q64-NEC-2

DIP40/QFP64 специализированный адаптер для микроконтроллеров фирмы NEC. Размеры корпуса: 14.0 x 14.0 x 1.2 мм, (с выводами - 16.0 x 16.0), 0.8 мм шаг.

 
AE-Q64-NEC-3

DIP40/QFP64 специализированный адаптер для микроконтроллеров фирмы NEC. Размеры корпуса: 0.65 мм шаг.

 
AE-Q64-NEC-4

DIP40/QFP64 специализированный адаптер для микроконтроллеров фирмы NEC. Размеры корпуса: 0.4 мм шаг.

 
AE-Q64-PIC30-1

DIP40/QFP64 специализированный адаптер для PIC микроконтроллеров фирмы Microchip. Размеры корпуса: 10.0 x 10.0 x 1.1 мм, (с выводами - 12.0 x 12.0), 0.5 мм шаг.

 
AE-Q64-PIC30-2

DIP40/QFP64 специализированный адаптер для PIC микроконтроллеров фирмы Microchip. Размеры корпуса: 14.0 x 14.0 x 1.2 мм, (с выводами - 16.0 x 16.0), 0.8 мм шаг.

 
AE-Q64-SAM7

DIP40/QFP64 специализированный адаптер для микроконтроллеров фирмы Atmel. Размеры корпуса: 10.0 x 10.0 x 1.1 мм, (с выводами - 12.0 x 12.0), 0.5 мм шаг.

 
AE-Q64-ST7-1

DIP40/QFP64 специализированный адаптер для микроконтроллеров фирмы STM. Размеры корпуса: 10.0 x 10.0 x 1.1 мм, (с выводами - 12.0 x 12.0), 0.5 мм шаг.

 
AE-Q64-ST7-2

DIP40/QFP64 специализированный адаптер для микроконтроллеров фирмы STM. Размеры корпуса: 14.0 x 14.0 x 1.2 мм, (с выводами - 16.0 x 16.0), 0.8 мм шаг.

 
AE-Q64-STM32

DIP40/QFP64 специализированный адаптер для микроконтроллеров фирмы STM. Размеры корпуса: 10.0 x 10.0 x 1.1 мм, (с выводами - 12.0 x 12.0), 0.5 мм шаг.

 
AE-Q64-STM8

DIP40/QFP64 специализированный адаптер для микроконтроллеров фирмы STM. Размеры корпуса: 10.0 x 10.0 x 1.1 мм, (с выводами - 12.0 x 12.0), 0.5 мм шаг.

 
AE-Q64-T51

DIP40/QFP64 специализированный адаптер для микроконтроллеров фирмы Atmel. Размеры корпуса: 10.0 x 10.0 x 1.1 мм, (с выводами - 12.0 x 12.0), 0.5 мм шаг.

 
AE-Q64-T5131

DIP40/QFP64 специализированный адаптер для микроконтроллеров фирмы Atmel. Размеры корпуса: 10.0 x 10.0 x 1.1 мм, (с выводами - 12.0 x 12.0), 0.5 мм шаг.

 
AE-Q64-XC800

DIP40/QFP64 специализированный адаптер для микроконтроллеров фирмы Infineon. Размеры корпуса: 10.0 x 10.0 x 1.1 мм, (с выводами - 12.0 x 12.0), 0.5 мм шаг.

 
AE-Q64-XE05

DIP40/QFP64 специализированный адаптер для микроконтроллеров фирмы Semtech/Xemics. Размеры корпуса: 10.0 x 10.0 x 1.1 мм, (с выводами - 12.0 x 12.0), 0.5 мм шаг.

 
AE-Q64-XMEGA

DIP40/QFP64 специализированный адаптер для микроконтроллеров AVR фирмы Atmel. Размеры корпуса: 14.0 x 14.0 x 1.2 мм, (с выводами - 16.0 x 16.0), 0.8 мм шаг.

 
AE-Q64-p33

DIP40/QFP64 специализированный адаптер для PIC микроконтроллеров фирмы Microchip. Размеры корпуса: 10.0 x 10.0 x 1.1 мм, (с выводами - 12.0 x 12.0), 0.5 мм шаг.

 
AE-Q64-p658

DIP40/QFP64 специализированный адаптер для PIC микроконтроллеров фирмы Microchip. Размеры корпуса: 10.0 x 10.0 x 1.1 мм, (с выводами - 12.0 x 12.0), 0.5 мм шаг.

 
AE-Q64-p946

DIP40/QFP64 специализированный адаптер для PIC микроконтроллеров фирмы Microchip. Размеры корпуса: 10.0 x 10.0 x 1.1 мм, (с выводами - 12.0 x 12.0), 0.5 мм шаг.

 
AE-Q64-ph554

DIP40/QFP64 специализированный адаптер для микроконтроллеров фирмы Philips/NXP. Размеры корпуса: 10.0 x 10.0 x 1.1 мм, (с выводами - 12.0 x 12.0), 0.5 мм шаг.

 
AE-Q80-F32

DIP40/QFP80 специализированный адаптер для 32-bit Flash памяти.
Размеры корпуса: 20.0 x 14.0 x 3.2 мм, (с выводами - 23.2 x 17.2), 0.8 мм шаг.

 
AE-Q80-HCS08

DIP40/QFP80 специализированный адаптер для микроконтроллеров фирмы Motorola/Freescale. Размеры корпуса: 12.0 x 12.0 x 1.1 мм, (с выводами - 14.0 x 14.0), 0.5 мм шаг.

 
AE-Q80-HCS12-1

DIP48/QFP80 специализированный адаптер для микроконтроллеров фирмы Motorola/Freescale. Размеры корпуса: 14.0 x 14.0 x 1.2 мм, (с выводами - 16.0 x 16.0), 0.65 мм шаг.

 
AE-Q80-HCS12-2

DIP48/QFP80 специализированный адаптер для микроконтроллеров фирмы Motorola/Freescale. Размеры корпуса: 14.0 x 14.0 x 2.3 мм, (с выводами - 17.0 x 17.0), 0.65 мм шаг.

 
AE-Q80-MSP430

DIP40/QFP80 специализированный адаптер для микроконтроллеров фирмы TI. Размеры корпуса: 12.0 x 12.0 x 1.1 мм, (с выводами - 14.0 x 14.0), 0.5 мм шаг.

 
AE-Q80-PIC30-1

DIP40/QFP80 специализированный адаптер для микроконтроллеров PIC фирмы Microchip. Размеры корпуса: 12.0 x 12.0 x 1.1 мм, (с выводами - 14.0 x 14.0), 0.5 мм шаг.

 
AE-Q80-PIC30-2

DIP40/QFP80 специализированный адаптер для микроконтроллеров PIC фирмы Microchip. Размеры корпуса: 14.0 x 14.0 x 1.2 мм, (с выводами - 16.0 x 16.0), 0.65 мм шаг.

 
AE-Q80-ST7

DIP40/QFP80 специализированный адаптер для микроконтроллеров фирмы STM. Размеры корпуса: 14.0 x 14.0 x 1.6 мм, (с выводами - 16.0 x 16.0), 0.65 мм шаг.

 
AE-Q80-STM8

DIP40/QFP80 специализированный адаптер для микроконтроллеров фирмы STM. Размеры корпуса: 14.0 x 14.0 x 1.6 мм, (с выводами - 16.0 x 16.0), 0.65 мм шаг.

 
AE-Q80-T5132

DIP40/QFP80 специализированный адаптер для микроконтроллеров фирмы Atmel. Размеры корпуса: 14.0 x 14.0 x 1.2 мм, (с выводами - 16.0 x 16.0), 0.65 мм шаг.

 
AE-Q80-p33

DIP40/QFP80 специализированный адаптер для микроконтроллеров PIC фирмы Microchip. Размеры корпуса: 12.0 x 12.0 x 1.1 мм, (с выводами - 14.0 x 14.0), 0.5 мм шаг.

 
AE-Q80-p858

DIP40/QFP80 специализированный адаптер для микроконтроллеров PIC фирмы Microchip. Размеры корпуса: 12.0 x 12.0 x 1.1 мм, (с выводами - 14.0 x 14.0), 0.5 мм шаг.

 
AE-QFN20-AV1

DIP8/QFN20 специализированный адаптер для микроконтроллеров фирмы Atmel. Размеры корпуса: 4.0 x 4.0 x 0.9 мм, 0.5 мм шаг.

 
AE-QFN20-AV2

DIP20/QFN20 специализированный адаптер для микроконтроллеров фирмы Atmel. Размеры корпуса: 4.0 x 4.0 x 0.9 мм, 0.5 мм шаг.

 
AE-QFN20-p16

DIP20/QFN20 специализированный адаптер для микроконтроллеров фирмы Microchip. Размеры корпуса: 4.0 x 4.0 x 0.9 мм, 0.5 мм шаг.

 
AE-QFN28-p16-2

DIP28/QFN28 специализированный адаптер для микроконтроллеров фирмы Microchip. Размеры корпуса: 6.0 x 6.0 x 0.9 мм, 0.65 мм шаг.

 
AE-QFN32-AV1

DIP28/QFN32 специализированный адаптер для микроконтроллеров фирмы Atmel. Размеры корпуса: 5.0 x 5.0 x 1.0 мм, 0.5 мм шаг.

Emulation Technology: AS-32-28-01ML-3
AE-QFN32-AV2

DIP32/QFN32 специализированный адаптер для микроконтроллеров фирмы Atmel. Размеры корпуса: 7.0 x 7.0 x 1.0 мм, 0.65 мм шаг.

 
AE-QFN32-AV3

DIP20/QFN32 специализированный адаптер для микроконтроллеров фирмы Atmel. Размеры корпуса: 5.0 x 5.0 x 1.0 мм, 0.5 мм шаг.

 
AE-QFN32-AV4

DIP24/QFN32 специализированный адаптер для микроконтроллеров фирмы Atmel. Размеры корпуса: 7.0 x 7.0 x 1.0 мм, 0.65 мм шаг.

 
AE-QFN44-AT32U4

DIP40/QFN44 специализированный адаптер для AVR микроконтроллеров фирмы Atmel. Размеры корпуса: 7.0 x 7.0 x 1.0 мм, 0.5 мм шаг.

 
AE-QFN44-AT35

DIP40/QFN44 специализированный адаптер для AVR микроконтроллеров фирмы Atmel. Размеры корпуса: 7.0 x 7.0 x 1.0 мм, 0.5 мм шаг.

 
AE-QFN44-XMEGA

DIP40/QFN44 специализированный адаптер для AVR микроконтроллеров фирмы Atmel. Размеры корпуса: 7.0 x 7.0 x 0.9 мм, 0.5 мм шаг.

 
AE-QFN44-p16

DIP40/QFN44 специализированный адаптер для микроконтроллеров фирмы Microchip. Размеры корпуса: 8.0 x 8.0 x 0.9 мм, 0.65 мм шаг.

 
AE-QFN44-p33

DIP40/QFN44 специализированный адаптер для микроконтроллеров фирмы Microchip. Размеры корпуса: 8.0 x 8.0 x 0.9 мм, 0.65 мм шаг.

 
AE-QFN44-p33GS

DIP40/QFN44 специализированный адаптер для микроконтроллеров фирмы Microchip. Размеры корпуса: 8.0 x 8.0 x 0.9 мм, 0.65 мм шаг.

 
AE-QFN48-PSOC1

DIP48/QFN48 универсальный адаптер. Размеры корпуса: 7.0 x 7.0 x 1.0 мм, 0.5 мм шаг.

 
AE-QFN64-ATM128

DIP40/QFN64 специализированный адаптер для микроконтроллеров фирмы Atmel. Размеры корпуса: 9.0 x 9.0 x 0.9 мм, 0.5 мм шаг.

 
AE-QFN64-MSP430

DIP40/QFN64 специализированный адаптер для микроконтроллеров фирмы TI. Размеры корпуса: 9.0 x 9.0 x 0.9 мм, 0.5 мм шаг.

 
AE-QFN64-XMEGA

DIP40/QFN64 специализированный адаптер для микроконтроллеров фирмы Atmel. Размеры корпуса: 9.0 x 9.0 x 0.9 мм, 0.5 мм шаг.

 
AE-QFN68-PSOC1

DIP40/QFN68 специализированный адаптер для микроконтроллеров фирмы Cypress. Размеры корпуса: 8.0 x 8.0 x 0.9 мм, 0.4 мм шаг.

 
AE-SC18/28-25XX

DIP28/SOIC28 специализированный адаптер для микросхем памяти серии 25xxx. Размеры корпуса: ширина - 7.65 мм (300mil), 1.27мм шаг.

 
AE-SC20-25xx

DIP20/SOIC20 специализированный адаптер для микросхем памяти серии 25xxx. Размеры корпуса: ширина - 5.3 мм (208mil), 1.27мм шаг.

 
AE-SC8/16M-25XX

DIP16/SOIC16 специализированный адаптер для микросхем памяти серии 25xxx. Размеры корпуса: ширина - 5.3 мм (208mil), 1.27мм шаг.

 
AE-SC8/16M-45XX

DIP16/SOIC16 специализированный адаптер для микросхем памяти серии 45xxx. Размеры корпуса: ширина - 5.3 мм (208mil), 1.27мм шаг.

 
AE-SC8/16N-25XX

DIP16/SOIC16 специализированный адаптер для микросхем памяти серии 25xxx. Размеры корпуса: ширина - 3.9 мм (150mil), 1.27мм шаг.

 
AE-SC8/16N-45XX

DIP16/SOIC16 специализированный адаптер для микросхем памяти серии 45xxx. Размеры корпуса: ширина - 3.9 мм (150mil), 1.27мм шаг.

 
AE-SC8/16S-25XX

DIP16/SOIC16 специализированный адаптер для микросхем памяти серии 25xxx. Размеры корпуса: ширина - 4.4 мм (173mil), 1.27мм шаг.

 
AE-SC8/16S-45XX

DIP16/SOIC16 специализированный адаптер для микросхем памяти серии 45xxx. Размеры корпуса: ширина - 4.4 мм (173mil), 1.27мм шаг.

 
AE-SD52-SDA

DIP40/SDIP56 specialized adapter.
Device package dimensions: body width 600 mil (15.24 mm), 1.778 mm pitch.

 
AE-SD56-HC908

DIP40/SDIP56 specialized adapter for Motorola/Freescale microcontrollers.
Device package dimensions: body width 600 mil (15.24 mm), 1.778 mm pitch.

 
AE-SO44-16

DIP40/SO44 specialized adapter for FLASH memory.
Device package dimensions: body width - 13.3 mm, body width with pins - 16.0 mm, 1.27 mm pitch.

 
AE-SOT23-24XX

DIP8/SOT-23-6 specialized adapter for 24XXX serial FLASH.
Device package dimensions: body width - 1.6 mm, body width with pins - 2.7 mm, 0.95 mm pitch.

 
AE-SOT23-93XX

DIP8/SOT-23-6 specialized adapter for 93XXX serial FLASH.
Device package dimensions: body width - 1.6 mm, body width with pins - 2.7 mm, 0.95 mm pitch.

 
AE-SOT23-p10

DIP8/SOT-23-6 specialized adapter for Microchip PIC.
Device package dimensions: body width - 1.6 mm, body width with pins - 2.7 mm, 0.95 mm pitch.

 
AE-SP20-STM8

DIP28/TSSOP20 specialized adapter for STMicroelectronics STM8 family.
Device package dimensions: body width - 173 mil (4.4 mm), 0.65 mm pitch.

 
AE-SP20-p16

DIP18/SSOP20 specialized adapter for Microchip PIC.
Device package dimensions: body width - 209 mil (5.3 mm), 0.65 mm pitch.

Logical Systems: PA20SS-BP54
AE-SP28-p5x

DIP28/SSOP28 specialized adapter for Microchip PIC.
Device package dimensions: body width - 209 mil (5.3 mm), 0.65 mm pitch.

Logical Systems: PA28SS-P55
AE-SP28U (не поставляется)

DIP28/SSOP28 universal adapter.
Device package dimensions: body width - 209 mil (5.3 mm), 0.65 mm pitch.

Logical Systems: PA28SS-OT-3
AE-SS56-16Am

DIP40/SSOP56 specialized adapter for FLASH memory.
Device package dimensions: body width - 13.3 mm, 0.8 mm pitch.

 
AE-SS56-16Am-2

DIP40/SSOP56 specialized adapter for FLASH memory.
Device package dimensions: body width - 13.3 mm, 0.8 mm pitch.

 
AE-SS56-16I

DIP40/SSOP56 specialized adapter for FLASH memory.
Device package dimensions: body width - 13.3 mm, 0.8 mm pitch.

 
AE-SS56-16I-2

DIP40/SSOP56 specialized adapter for FLASH memory.
Device package dimensions: body width - 13.3 mm, 0.8 mm pitch.

 
AE-T44-AT35

DIP40/QFP44 specialized adapter for Atmel AVR devices.
Device package dimensions: body - 10.0 x 10.0 mm, 0.8 mm pitch.

 
AE-T44-T51CC

DIP40/QFP44 specialized adapter for Atmel devices.
Device package dimensions: body - 10.0 x 10.0 mm, 0.8 mm pitch.

 
AE-T44-i51

DIP40/QFP44 specialized adapter for microcontrollers.
Device package dimensions: body - 10.0 x 10.0 mm, 0.8 mm pitch.

Logical Systems: PA51-QD-03
AE-T44-i51/505

DIP40/QFP44 specialized adapter for microcontrollers.
Device package dimensions: body - 10.0 x 10.0 mm, 0.8 mm pitch.

 
AE-T44-p16

DIP40/QFP44 specialized adapter for Microchip PIC devices.
Device package dimensions: body - 10.0 x 10.0 mm, 0.8 mm pitch.

Logical Systems: PA16C64-QD-03
AE-T44-p17

DIP40/QFP44 specialized adapter for Microchip PIC devices.
Device package dimensions: body - 10.0 x 10.0 mm, 0.8 mm pitch.

Logical Systems: PA1742-QD-03
AE-TS28

DIP28/TSOP28 specialized adapter for Flash memory.
Device package dimensions: body width - 11.8 mm, 0.55 mm pitch.

Logical Systems: PA28TSOP3
AE-TS28-45XX

DIP28/TSOP28 specialized adapter for Atmel AT45xx devices.
Device package dimensions: body width - 11.8 mm, 0.55 mm pitch.

 
AE-TS32N

DIP32/TSOP32 specialized adapter for Flash memory.
Device package dimensions: 8 x 14 mm, 0.5 mm pitch.

Logical Systems: PA32TS14-OT
AE-TS32N-CP49

DIP32/TSOP32 specialized adapter.
Device package dimensions: 8 x 14 mm, 0.5 mm pitch.

 
AE-TS32W

DIP32/TSOP32 specialized adapter for Flash memory.
Device package dimensions: 8 x 20 mm, 0.5 mm pitch.

Logical Systems: PA32TS20-OT
AE-TS40N-1

DIP40/TSOP40 specialized adapter.
Device package dimensions: 10 x 14 mm, 0.5 mm pitch.

 
AE-TS40N-2

DIP40/TSOP40 specialized adapter.
Device package dimensions: 10 x 14 mm, 0.5 mm pitch.

 
AE-TS40W-1

DIP40/TSOP40 specialized adapter.
Device package dimensions: 10 x 20 mm, 0.5 mm pitch.

 
AE-TS40W-2

DIP40/TSOP40 specialized adapter.
Device package dimensions: 10 x 20 mm, 0.5 mm pitch.

 
AE-TS40W-CP49

DIP40/TSOP40 specialized adapter.
Device package dimensions: 10 x 20 mm, 0.5 mm pitch.

 
AE-TS44Am

DIP40/TSOP-II-44 specialized adapter.
Device package dimensions: 10 x 18.5 mm, 0.8 mm pitch.

 
AE-TS48-16

DIP40/TSOP48 specialized adapter.
Device package dimensions: 12 x 20 mm, 0.5 mm pitch.

 
AE-TS48-16AT1024

DIP40/TSOP48 specialized adapter.
Device package dimensions: 12 x 20 mm, 0.5 mm pitch.

 
AE-TS48-16Am

DIP40/TSOP48 specialized adapter.
Device package dimensions: 12 x 20 mm, 0.5 mm pitch.

 
AE-TS48-8Am-1

DIP40/TSOP48 specialized adapter.
Device package dimensions: 12 x 20 mm, 0.5 mm pitch.

 
AE-TS48-8Am-2

DIP40/TSOP48 specialized adapter.
Device package dimensions:12 x 20 mm, 0.5 mm pitch.

 
AE-TS48-NAND-2

DIP40/TSOP48 specialized adapter for NAND Flash devices.
Device package dimensions:12 x 20 mm, 0.5 mm pitch.

 
AE-TS56-16Am

DIP40/TSOP56 specialized adapter for FLASH memory.
Device package dimensions: 14 x 20 mm, 0.5 mm pitch.

 
AE-TS56-16I

DIP40/TSOP56 specialized adapter for FLASH memory.
Device package dimensions: 14 x 20 mm, 0.5 mm pitch.

 
AE-TS56-16I-2

DIP40/TSOP56 specialized adapter for FLASH memory.
Device package dimensions: 14 x 20 mm, 0.5 mm pitch.

 
AE-TS56-16I-3

DIP40/TSOP56 specialized adapter for FLASH memory.
Device package dimensions: 14 x 20 mm, 0.5 mm pitch.

 
AE-TS56-16I-4

DIP40/TSOP56 specialized adapter for FLASH memory.
Device package dimensions: 14 x 20 mm, 0.5 mm pitch.

 
AE-WS8-25XX-1

DIP8/WS8 specialized adapter for 25xx serial EEPROM, FLASH memory.
Device package dimensions: 6.0 x 5.0 mm, 1.27 mm pitch.

 
AE-WS8-25XX-2

DIP8/WS8 specialized adapter for 25xx serial EEPROM, FLASH memory.
Device package dimensions: 8.0 x 6.0 mm, 1.27 mm pitch.

 
AE-WS8-25XX-3

DIP8/WS8 specialized adapter for 25xx serial EEPROM, FLASH memory.
Device package dimensions: 4.0 x 4.0 mm, 0.8 mm pitch.

 
AE-WS8-25XX-4

DIP8/WS8 specialized adapter for 25xx serial EEPROM, FLASH memory.
Device package dimensions: 3.0 x 2.0 mm, 0.5 mm pitch.

 
AS-ISP-ARM

ChipProg-ISP BH14/BH20 specialized adapter for in system programming of ARM microcontrollers .

 
AS-ISP-EPM

ChipProg-ISP BH14/BH10 specialized adapter for in system programming of Altera EPM300A PLD family .

 
AS-ISP-MSP430

ChipProg-ISP BH14/BH14 specialized adapter for in system programming of TI MSP430 microcontrollers in JTAG and SBW modes.

 
AS-ISP-NEC

ChipProg-ISP BH14/BH16 specialized adapter for in system programming of NEC microcontrollers .

 
AS-ISP-ST7

ChipProg-ISP BH14/BH10 specialized adapter for in system programming of STMicroelectronic ST7 microcontroller family .

 
M-P44-40x

DIP40/PLCC44 specialized adapter for Xilinx devices with open top socket.

 
M-P84-40x

DIP40/PLCC84 specialized adapter for Xilinx devices with open top socket.

 

Адаптеры для программирования в сокетке программатора

АдаптерОписаниеАналоги
AE-B48-16MX3

DIP40/BGA48 специализированный адаптер для FLASH памяти.
Размеры корпуса микросхемы - 8.0x 6.0 x 1.3 мм, шаг выводов - 0.8 мм.

 
AE-B48-16NM1

DIP40/BGA48 специализированный адаптер для FLASH памяти.
Размеры корпуса микросхемы - 6.39 x 6.37 x 1.0 мм, шаг выводов - 0.75 мм.

 
AE-B48-16SP1

DIP40/BGA48 специализированный адаптер для FLASH памяти.
Размеры корпуса микросхемы - 10.0 x 6.0 x 1.0 мм, шаг выводов - 0.8 мм.

 
AE-B48-16SP2

DIP40/BGA48 специализированный адаптер для FLASH памяти.
Размеры корпуса микросхемы - 8.15 x 6.15 x 1.0 мм, шаг выводов - 0.8 мм.

 
AE-B48-16SST1

DIP40/BGA48 специализированный адаптер для FLASH памяти.
Размеры корпуса микросхемы - 8.0x 6.0 x 1.1 мм, шаг выводов - 0.8 мм.

 
AE-B48-8SP1

DIP40/BGA48 специализированный адаптер для FLASH памяти.
Размеры корпуса микросхемы - 10.0 x 6.0 x 1.0 мм, шаг выводов - 0.8 мм.

 
AE-B48-8SST1

DIP32/BGA48 специализированный адаптер для FLASH памяти.
Размеры корпуса микросхемы - 10.0 x 6.0 x 1.0 мм, шаг выводов - 0.8 мм.

 
AE-B48-MX3

DIP48/BGA48 специализированный адаптер для FLASH памяти.
Размеры корпуса микросхемы - 8.0 x 6.0 x 1.3 мм, шаг выводов - 0.8 мм.

 
AE-B48-NM1

DIP48/BGA48 специализированный адаптер для FLASH памяти.
Размеры корпуса микросхемы - 6.39 x 6.37 x 1.0 мм, шаг выводов - 0.75 мм.

 
AE-B48-SP1

DIP48/BGA48 специализированный адаптер для FLASH памяти.
Размеры корпуса микросхемы - 10.0 x 6.0 x 1.0 мм, шаг выводов - 0.8 мм.

 
AE-B48-SP2

DIP48/BGA48 специализированный адаптер для FLASH памяти.
Размеры корпуса микросхемы - 8.15 x 6.15 x 1.0 мм, шаг выводов - 0.8 мм.

 
AE-B55-NAND-1

DIP48/BGA55 специализированный адаптер для NAND FLASH памяти.
Размеры корпуса микросхемы: x 10.0 x 1.0 mm, 0.8 mm pitch.

 
AE-B55-NAND-2

DIP40/BGA55 специализированный адаптер для NAND FLASH памяти.
Размеры корпуса микросхемы: x 10.0 x 1.0 mm, 0.8 mm pitch.

 
AE-B56-NM1

DIP40/BGA56 специализированный адаптер для FLASH памяти.
Размеры корпуса микросхемы: 7.7 x 9.0 x 1.0 mm, 0.75 mm pitch.

 
AE-B56-SP1

DIP40/BGA64 специализированный адаптер для FLASH памяти.
Размеры корпуса микросхемы: 9.0 x 7.0 x 1.2 mm, шаг-0.8 mm

 
AE-B64-MX2

DIP40/BGA64 специализированный адаптер для FLASH памяти.
Размеры корпуса микросхемы: 13.0 x 10.0 x 1.2 mm, 1.0 mm pitch.

 
AE-B64-NM2

DIP40/BGA64 специализированный адаптер для FLASH памяти.
Размеры корпуса микросхемы: 10.0 x 8.0 x 1.2 mm, 1.0 mm pitch.

 
AE-B64-NM3

DIP40/BGA64 специализированный адаптер для FLASH памяти.
Размеры корпуса микросхемы: 10.0 x 8.0 x 1.2 mm, 1.0 mm pitch.

 
AE-B64-NM4

DIP40/BGA64 специализированный адаптер для FLASH памяти.
Размеры корпуса микросхемы: 13.0 x 10.0 x 1.2 mm, 1.0 mm pitch.

 
AE-B64-SP1

DIP40/BGA64 специализированный адаптер для FLASH памяти.
Размеры корпуса микросхемы: 13.0 x 11.0 x 1.4 mm, 1.0 mm pitch.

 
AE-B64-SP2

DIP40/BGA64 специализированный адаптер для FLASH памяти.
Размеры корпуса микросхемы: 13.0 x 10.0 x 1.2 mm, 1.0 mm pitch.

 
AE-B64-SP3

DIP40/BGA64 специализированный адаптер для FLASH памяти.
Размеры корпуса микросхемы: 11.6 x 8.0 x 1.2 mm, 0.8 mm pitch.

 
AE-B64-SP4

DIP40/BGA64 специализированный адаптер для FLASH памяти.
Размеры корпуса микросхемы: 13.0 x 10.0 x 1.2 mm, 1.0 mm pitch.

 
AE-B64-SP5

DIP40/BGA64 специализированный адаптер для FLASH памяти.
Размеры корпуса микросхемы: 9.0 x 9.0 x 1.4 mm, 1.0 mm pitch.

 
AE-B84-SP1

DIP40/BGA84 специализированный адаптер для FLASH памяти.
Размеры корпуса микросхемы: 11.6 x 8.0 x 1.2 mm, 0.8 mm pitch.

 
AE-B84-SP3

DIP40/BGA84 специализированный адаптер для FLASH памяти.
Размеры корпуса микросхемы: 11.6 x 8.0 x 1.0 mm, 0.8 mm pitch.

 
AE-B88-NM1

DIP40/BGA88 специализированный адаптер для FLASH памяти.
Размеры корпуса микросхемы: 11.0 x 8.0 x 1.2(1.0) mm, 0.8 mm pitch.

 
AE-D28-32

DIP32/DIP28 специализированный адаптер для EPROM/FLASH памяти.

 
AE-D48-D40-16

DIP40/DIP48 специализированный адаптер для EPROM/FLASH памяти.

 
AE-D48-D40-16A

DIP40/DIP48 специализированный адаптер для EPROM/FLASH памяти.

 
AE-M42-1

DIP32/M42 специализированный адаптер для микросхемы памяти 1636PP1 фирмы Milandr .

 
AE-M42-2

DIP32/M42 специализированный адаптер для микросхемы памяти 1638PP1 фирмы Angstrem.

 
AE-M44-p17

DIP40/QFP44 specialized adapter for Microchip PIC devices.
Device package dimensions: body - 10.0 x 10.0 mm, 0.8 mm pitch.

 
AE-M48-1

DIP40/M48 специализированный адаптер для микросхемы памяти 1636PP2 фирмы Milandr .

 
AE-M88-BE76

DIP40/M88 специализированный адаптер для микроконтроллера 1874BE76T фирмы НИИЭТ.

 
AE-M88-BE86

DIP40/M88 специализированный адаптер для микроконтроллера 1874BE86T фирмы НИИЭТ.

 
AE-ML28-p16

DIP28/MLF28 специализированный адаптер для микроконтроллеров PIC фирмы Microchip в MLF/QFN корпусах.
Размеры корпуса: 6.0 x 6.0 x 0.9 мм, 0.65 мм шаг.

Emulation Technology: AS028-28-02ML-6
AE-P20U

DIP20/PLCC20 universal adapter with open top socket.

Logical Systems: PA20-20-1PD3
AE-P20U-Z

DIP20/PLCC20 universal adapter with clam shell socket.

Logical Systems: PA20-20-1PZ3
AE-P28U

DIP28/PLCC28 universal adapter with open top socket.

Logical Systems: PA28-28
AE-P28U-Z

DIP28/PLCC28 universal adapter with clam shell socket.

Logical Systems: PA28-28(Z)
AE-P32-28

DIP28/PLCC32 specialized adapter for EPROM/FLASH with open top socket.

Logical Systems: PA32-28
AE-P32-28-Z

DIP28/PLCC32 specialized adapter for EPROM/FLASH with clam shell socket.

Logical Systems: PA32-28Z
AE-P32-32

DIP32/PLCC32 specialized adapter for EPROM/FLASH with open top socket.

 
AE-P32-32-Z

DIP32/PLCC32 specialized adapter for EPROM/FLASH with clam shell socket.

 
AE-P32-CP49

DIP32/PLCC32 specialized adapter for EPROM/FLASH with open top socket.

 
AE-P32-CP49-Z

DIP32/PLCC32 specialized adapter for EPROM/FLASH with clam shell socket.

 
AE-P32U

DIP32/PLCC32 universal adapter with open top socket.

Logical Systems: PA32-32
AE-P32U-Z

DIP32/PLCC32 universal adapter with clam shell socket.

Logical Systems: PA32-32Z
AE-P44-4096

DIP40/PLCC44 specialized adapter for EPROM/FLASH with open top socket.

Logical Systems: PA280-44
AE-P44-4096-Z

DIP40/PLCC44 specialized adapter for EPROM/FLASH with clam shell socket.

Logical Systems: PA280-44Z
AE-P44-A32/64

DIP40/PLCC44 specialized adapter for Altera EPMxxx devices with open top socket.

 
AE-P44-A32/64-Z

DIP40/PLCC44 specialized adapter for Altera EPMxxx devices with clam shell socket.

 
AE-P44-AT17

DIP20/PLCC44 specialized adapter for Atmel AT17xxx devices with open top socket.

 
AE-P44-AT17-Z

DIP20/PLCC44 specialized adapter for Atmel AT17xxx devices with clam shell socket.

 
AE-P44-AT17FA

DIP20/PLCC44 specialized adapter for Atmel AT17xxx devices with open top socket.

 
AE-P44-AT17FA-Z

DIP20/PLCC44 specialized adapter for Atmel AT17xxx devices with clam shell socket.

 
AE-P44-AT35

DIP40/PLCC44 specialized adapter for Atmel AVR devices with open top socket.

Logical Systems: PA44-40-30-PD
AE-P44-AT35-Z

DIP40/PLCC44 specialized adapter for Atmel AVR devices with clam shellsocket.

 
AE-P44-ATF1500

DIP40/PLCC44 specialized adapter for Atmel ATF1500 devices with open top socket.

 
AE-P44-ATF1500-Z

DIP40/PLCC44 specialized adapter for Atmel ATF1500 devices with clam shell socket.

 
AE-P44-ATF2500

DIP40/PLCC44 specialized adapter for Atmel ATF2500 devices with open top socket.

 
AE-P44-ATF2500-Z

DIP40/PLCC44 specialized adapter for Atmel ATF2500 devices with clam shell socket.

 
AE-P44-C541

DIP40/PLCC44 specialized adapter with open top socket.

 
AE-P44-C541-Z

DIP40/PLCC44 specialized adapter with clam shell socket.

 
AE-P44-LP6440

DIP40/PLCC44 specialized adapter for 8051 family microcontrollers with open top socket.

 
AE-P44-LP6440-Z

DIP40/PLCC44 specialized adapter for 8051 family microcontrollers with clam shell socket.

 
AE-P44-P591

DIP40/PLCC44 specialized adapter for Philips/NXP microcontrollers with open top socket.

 
AE-P44-P591-Z

DIP40/PLCC44 specialized adapter for Philips/NXP microcontrollers with clam shell socket.

 
AE-P44-P952

DIP40/PLCC44 specialized adapter for Philips/NXP microcontrollers with open top socket.

 
AE-P44-P952-Z

DIP40/PLCC44 specialized adapter for Philips/NXP microcontrollers with clam shell socket.

 
AE-P44-PLD

DIP40/PLCC44 specialized adapter PLD devices with open top socket.

 
AE-P44-PLD-Z

DIP40/PLCC44 specialized adapter PLD devices with clam shell socket.

 
AE-P44-T51CC

DIP40/PLCC44 specialized adapter with open top socket.

Logical Systems: PA51CC-PD
AE-P44-T51CC-Z

DIP40/PLCC44 specialized adapter with clam shell socket.

 
AE-P44-TMS15

DIP40/PLCC44 specialized adapter with open top socket.

 
AE-P44-TMS17

DIP40/PLCC44 specialized adapter with open top socket.

 
AE-P44-W79

DIP40/PLCC44 specialized adapter for Nuvoton/Winbond microcontrollers with open top socket.

 
AE-P44-W79-2

DIP40/PLCC44 specialized adapter for Nuvoton/Winbond microcontrollers with open top socket.

 
AE-P44-W79-2-Z

DIP40/PLCC44 specialized adapter for Nuvoton/Winbond microcontrollers with clam shell socket.

 
AE-P44-W79-Z

DIP40/PLCC44 specialized adapter for Nuvoton/Winbond microcontrollers with clam shell socket.

 
AE-P44-XC17

DIP20/PLCC44 specialized adapter for Xilinx devices with open top socket.

 
AE-P44-XC17-Z

DIP20/PLCC44 specialized adapter for Xilinx devices with open top socket.

 
AE-P44-i51

DIP40/PLCC44 specialized adapter for microcontrollers with open top socket.

Logical Systems: PA51-44
AE-P44-i51-Z

DIP40/PLCC44 specialized adapter for microcontrollers with clam shell socket.

Logical Systems: PA51-44Z
AE-P44-p16

DIP40/PLCC44 specialized adapter for Microchip microcontrollers with open top socket.

Logical Systems: PA44-40-P64
AE-P44-p16-Z

DIP40/PLCC44 specialized adapter for Microchip microcontrollers with clam shell socket.

 
AE-P44-p17

DIP40/PLCC44 specialized adapter for Microchip microcontrollers with open top socket.

Logical Systems: PA17C42-PD
AE-P44-p17-Z

DIP40/PLCC44 specialized adapter for Microchip microcontrollers with clam shell socket.

 
AE-P44U

DIP44/PLCC44 universal adapter with open top socket.

Logical Systems: PA44-PD
AE-P44U-Z

DIP44/PLCC44 universal adapter with clam shell socket.

Logical Systems: PA44-PDZ
AE-P52-HC908

DIP40/PLCC52 specialized adapter for Motorola/Freescale microcontrollers with open top socket.

 
AE-P52-HC908-Z

DIP40/PLCC52 specialized adapter for Motorola/Freescale microcontrollers with clam shell socket.

 
AE-P52-T5112

DIP40/PLCC52 specialized adapter for Atmel microcontrollers with open top socket.

 
AE-P52-T5112-Z

DIP40/PLCC52 specialized adapter for Atmel microcontrollers with clam shell socket.

 
AE-P52-T5131

DIP40/PLCC52 specialized adapter for Atmel microcontrollers with open top socket.

 
AE-P52-T5131-Z

DIP40/PLCC52 specialized adapter for Atmel microcontrollers with clam shell socket.

 
AE-P52-T51CC03

DIP40/PLCC52 specialized adapter for Atmel microcontrollers with open top socket.

 
AE-P52-T51CC03-Z

DIP40/PLCC52 specialized adapter for Atmel microcontrollers with clam shell socket.

 
AE-P52-d530

DIP40/PLCC52 specialized adapter for Dallas/Maxim microcontrollers with open top socket.

Logical Systems: PA530-52
AE-P52-d530-Z

DIP40/PLCC52 specialized adapter for Dallas/Maxim microcontrollers with clam shell socket.

 
AE-P52-i196JQ

DIP40/PLCC52 specialized adapter for Intel microcontrollers with open top socket,

 
AE-P52-i196JQ-Z

DIP40/PLCC52 specialized adapter for Intel microcontrollers with clam shell socket,

 
AE-P68-T51

DIP40/PLCC68 specialized adapter for Atmel microcontrollers with open top socket.

 
AE-P68-T51-Z

DIP40/PLCC68 specialized adapter for Atmel microcontrollers with clam shell socket.

 
AE-P68-TMS14

DIP40/PLCC68 specialized adapter with open top socket.

 
AE-P68-W79

DIP40/PLCC68 specialized adapter for Nuvoton/Winbond microcontrollers with open top socket.

 
AE-P68-W79-Z

DIP40/PLCC68 specialized adapter for Nuvoton/Winbond microcontrollers with clam shell socket.

 
AE-P68-i196CA

DIP40/PLCC68 specialized adapter for Intel microcontrollers with open top socket.

 
AE-P68-i196CA-Z

DIP40/PLCC68 specialized adapter for Intel microcontrollers with clam shell socket.

 
AE-P68-i196KD

DIP40/PLCC68 specialized adapter for Intel microcontrollers with open top socket.

 
AE-P68-i196KD-Z

DIP40/PLCC68 specialized adapter for Intel microcontrollers with clam shell socket.

 
AE-P68-i196KR

DIP40/PLCC68 specialized adapter for Intel microcontrollers with oprn top socket.

 
AE-P68-i196KR-Z

DIP40/PLCC68 specialized adapter for Intel microcontrollers with clam shell socket.

 
AE-P68-i196NT

DIP40/PLCC68 specialized adapter for Intel microcontrollers with open top socket.

 
AE-P68-i196NT-Z

DIP40/PLCC68 specialized adapter for Intel microcontrollers with clam shell socket.

 
AE-P68-i51GB

DIP40/PLCC68 specialized adapter for Intel microcontrollers with open top socket.

 
AE-P68-i51GB-Z

DIP40/PLCC68 specialized adapter for Intel microcontrollers with clam shell socket.

 
AE-P68-p658

DIP40/PLCC68 specialized adapter for Microchip PIC microcontrollers with open top socket.

 
AE-P68-p658-1

DIP40/PLCC68 specialized adapter for Microchip PIC microcontrollers with open top socket.

 
AE-P68-p658-1-Z

DIP40/PLCC68 specialized adapter for Microchip PIC microcontrollers with clam shell socket.

 
AE-P68-p658-Z

DIP40/PLCC68 specialized adapter for Microchip PIC microcontrollers with clam shell socket.

 
AE-P68-ph552

DIP40/PLCC68 specialized adapter for Philips/NXP microcontrollers with open top socket.

Logical Systems: PA552-68
AE-P68-ph552-Z

DIP40/PLCC68 specialized adapter for Philips/NXP microcontrollers with clam shell socket.

 
AE-P84-A128

DIP40/PLCC84 specialized adapter for Altera EPMxxx devices with open top socket.

 
AE-P84-A128-Z

DIP40/PLCC84 specialized adapter for Altera EPMxxx devices with clam shell socket.

 
AE-P84-A64

DIP40/PLCC84 specialized adapter for Altera EPMxxx devices with open top socket.

 
AE-P84-A64-Z

DIP40/PLCC84 specialized adapter for Altera EPMxxx devices with clam shell socket.

 
AE-P84-i196CB

DIP40/PLCC84 specialized adapter for Intel devices with open top socket.

 
AE-P84-i196CB-Z

DIP40/PLCC84 specialized adapter for Intel devices with clam shell socket.

 
AE-P84-i196MC

DIP40/PLCC84 specialized adapter for Intel devices with open top socket.

 
AE-P84-i196MC-Z

DIP40/PLCC84 specialized adapter for Intel devices with clam shell socket.

 
AE-P84-p858

DIP40/PLCC84 specialized adapter for Microchip PIC devices with open top socket.

 
AE-P84-p858-Z

DIP40/PLCC84 specialized adapter for Microchip PIC devices with clam shell socket.

 
AE-Q100-A3064

DIP40/QFP100 специализированный адаптер для микросхем фирмы Altera.
Размеры корпуса: 14.0 x 14.0 x 1.0 мм, (корпус с выводами -16.0 x 16.0 мм), 0.5 мм шаг.

 
AE-Q100-ATm1280

DIP40/QFP100 специализированный адаптер для микроконтроллеров семейства AVR фирмы Atmel.
Размеры корпуса: 14.0 x 14.0 x 1.0 мм, корпус с выводами -16.0 x 16.0 мм, 0.5 мм шаг.

 
AE-Q100-CY8C38

DIP40/QFP100 специализированный адаптер для микроконтроллеров фирмы Cypress. Размеры корпуса: 14.0 x 14.0 x 1.0 мм, (корпус с выводами -16.0 x 16.0 мм), 0.5 мм шаг.

 
AE-Q100-HCS12

DIP40/QFP100 специализированный адаптер для микроконтроллеров MC9S12xxx фирмы Motorola/Freescale.Размеры корпуса: 14.0 x 14.0 x 1.0 мм, (корпус с выводами -16.0 x 16.0 мм), 0.5 мм шаг.

 
AE-Q100-LM3S

DIP28/QFP100 специализированный адаптер для микроконтроллеров фирмы TI/Luminary. Размеры корпуса: 14.0 x 14.0 x 1.0 мм, (корпус с выводами -16.0 x 16.0 мм), 0.5 мм шаг.

 
AE-Q100-LPC2000-1

DIP40/QFP100 специализированный адаптер для микроконтроллеров фирмы NXP/Phlips. Размеры корпуса: 14.0 x 14.0 x 1.0 мм, (корпус с выводами -16.0 x 16.0 мм), 0.5 мм шаг.

 
AE-Q100-LPC2000-2

DIP40/QFP100 специализированный адаптер для микроконтроллеров фирмы NXP/Phlips. Размеры корпуса: 14.0 x 14.0 x 1.0 мм, (корпус с выводами -16.0 x 16.0 мм), 0.5 мм шаг.

 
AE-Q100-MAX2

DIP40/QFP100 специализированный адаптер для микросхем фирмы Altera.
Размеры корпуса: 14.0 x 14.0 x 1.0 мм, (корпус с выводами -16.0 x 16.0 мм), 0.5 мм шаг.

 
AE-Q100-MSP430

DIP40/QFP100 специализированный адаптер для микроконтроллеров фирмы TI. Размеры корпуса: 14.0 x 14.0 x 1.0 мм, (корпус с выводами -16.0 x 16.0 мм), 0.5 мм шаг.

 
AE-Q100-NEC-1

DIP40/QFP100 специализированный адаптер для микроконтроллеров фирмы NEC. Размеры корпуса: 14.0 x 14.0 x 1.0 мм, (корпус с выводами -16.0 x 16.0 мм), 0.5 мм шаг.

 
AE-Q100-PSOC1

DIP40/QFP100 специализированный адаптер для микроконтроллеров фирмы Cypress. Размеры корпуса: 14.0 x 14.0 x 1.0 мм, (корпус с выводами -16.0 x 16.0 мм), 0.5 мм шаг.

 
AE-Q100-RSC

DIP40/QFP100 специализированный адаптер для микроконтроллеров фирмы Sensory. Размеры корпуса: 14.0 x 14.0 x 1.0 мм, (корпус с выводами -16.0 x 16.0 мм), 0.5 мм шаг.

 
AE-Q100-SAM3

DIP40/QFP100 специализированный адаптер для микроконтроллеров фирмы Atmel. Размеры корпуса: 14.0 x 14.0 x 1.0 мм, (корпус с выводами -16.0 x 16.0 мм), 0.5 мм шаг.

 
AE-Q100-SAM7

DIP40/QFP100 специализированный адаптер для микроконтроллеров фирмы Atmel. Размеры корпуса: 14.0 x 14.0 x 1.0 мм, (корпус с выводами -16.0 x 16.0 мм), 0.5 мм шаг.

 
AE-Q100-STM32

DIP40/QFP100 специализированный адаптер для микроконтроллеров семейства STM32 фирмы STMicro. Размеры корпуса: 14.0 x 14.0 x 1.0 мм, (корпус с выводами -16.0 x 16.0 мм), 0.5 мм шаг.

 
AE-Q100-W217

DIP40/QFP100 специализированный адаптер для микроконтроллеров фирмы Nuvoton/Winbond. Размеры корпуса: 14.0 x 20.0 x 2.75 мм, (корпус с выводами -117.4 x 23.4 мм), 0.65 мм шаг.

 
AE-Q100-XMEGA

DIP40/QFP100 специализированный адаптер для микроконтроллеров фирмы Atmel. Размеры корпуса: 14.0 x 14.0 x 1.0 мм, (корпус с выводами -16.0 x 16.0 мм), 0.5 мм шаг.

 
AE-Q100-p33

DIP40/QFP100 специализированный адаптер для микроконтроллеров PIC фирмы Microchip. Размеры корпуса: 14.0 x 14.0 x 1.0 мм, (корпус с выводами -16.0 x 16.0 мм), 0.5 мм шаг.

 
AE-Q100-p33-1

DIP40/QFP100 специализированный адаптер для микроконтроллеров PIC фирмы Microchip. Размеры корпуса: 12.0 x 12.0 x 1.4 мм, (корпус с выводами -14.0 x 14.0 мм), 0.4 мм шаг.

 
AE-Q100Q-M16

DIP40/QFP100 специализированный адаптер для микроконтроллеров фирмы Renesas (Mitsubishi). Размеры корпуса: 14.0 x 14.0 x 1.4 мм, (корпус с выводами -16.0 x 16.0 мм), 0.5 мм шаг.

 
AE-Q100S-M16

DIP40/QFP100 специализированный адаптер для микроконтроллеров фирмы Renesas (Mitsubishi). Размеры корпуса: 14.0 x 20.0 x 2.8 мм, (корпус с выводами -16.8 x 22.8 мм), 0.65 мм шаг.

 
AE-Q112-HCS12

DIP40/QFP112 специализированный адаптер для микроконтроллеров фирмы Motorola/Freescale MC9S12xxx . Размеры корпуса: 20.0 x 20.0 x 1.6 мм, (корпус с выводами -22.0 x 22.0 мм), 0.65 мм шаг.

 
AE-Q144-A3128

DIP40/QFP144 специализированный адаптер для микроконтроллеров фирмы Altera. Размеры корпуса: 20.0 x 20.0 x 1.4 мм, (корпус с выводами -22.0 x 22.0 мм), 0.5 мм шаг.

 
AE-Q144-HCS12

DIP40/QFP144 специализированный адаптер для микроконтроллеров фирмы Motorola/Freescale MC9S12xxx . Размеры корпуса: 20.0 x 20.0 x 1.4 мм, (корпус с выводами -22.0 x 22.0 мм), 0.5 мм шаг.

 
AE-Q144-LPC2000-1

DIP40/QFP144 специализированный адаптер для микроконтроллеров фирмы NXP/Philips . Размеры корпуса: 20.0 x 20.0 x 1.4 мм, (корпус с выводами -22.0 x 22.0 мм), 0.5 мм шаг.

 
AE-Q144-LPC2000-2

DIP40/QFP144 специализированный адаптер для микроконтроллеров фирмы NXP/Philips . Размеры корпуса: 20.0 x 20.0 x 1.4 мм, (корпус с выводами -22.0 x 22.0 мм), 0.5 мм шаг.

 
AE-Q144-MAX2

DIP40/QFP144 специализированный адаптер для микроконтроллеров фирмы Altera. Размеры корпуса: 20.0 x 20.0 x 1.4 мм, (корпус с выводами -22.0 x 22.0 мм), 0.5 мм шаг.

 
AE-Q144-NEC

DIP40/QFP144 специализированный адаптер для микроконтроллеров фирмы NEC. Размеры корпуса: 20.0 x 20.0 x 1.4 мм, (корпус с выводами -22.0 x 22.0 мм), 0.5 мм шаг.

 
AE-Q144-STM32

DIP40/QFP144 специализированный адаптер для микроконтроллеров семейства STM32 фирмы STMicro. Размеры корпуса: 20.0 x 20.0 x 1.4 мм, (корпус с выводами -22.0 x 22.0 мм), 0.5 мм шаг.

 
AE-Q176-SST79

DIP40/QFP176 специализированный адаптер для микроконтроллеров фирмы SST. Размеры корпуса: 20.0 x 20.0 x 1.5 мм, (корпус с выводами -22.0 x 22.0 мм), 0.4 мм шаг.

 
AE-Q32-AV1

DIP28/QFP32 специализированный адаптер для микроконтроллеров фирмы Atmel. Размеры корпуса: 7.0 x 7.0 x 1.2 мм, (корпус с выводами -9.0 x 9.0 мм), 0.8 мм шаг.

Logical Systems: PA32Q1498-28D6-20
AE-Q32-STM8

DIP32/QFP32 специализированный адаптер для микроконтроллеров семейства STM8 фирмы STMicro. Размеры корпуса: 7.0 x 7.0 x 1.2 мм, (корпус с выводами -9.0 x 9.0 мм), 0.8 мм шаг.

 
AE-Q32-XE03

DIP40/QFP32 специализированный адаптер для микроконтроллеров фирмы Semtech/Xemics. Размеры корпуса: 7.0 x 7.0 x 1.2 мм, (корпус с выводами -9.0 x 9.0 мм), 0.8 мм шаг.

 
AE-Q32U

DIP32/QFP32 универсальный адаптер. Размеры корпуса: 7.0 x 7.0 x 1.2 мм, (корпус с выводами -9.0 x 9.0 мм), 0.8 мм шаг.

 
AE-Q44-A32/64

DIP40/QFP44 специализированный адаптер для микросхем фирмы Alteral. Размеры корпуса: 10.0 x 10.0 мм, 0.8 мм шаг.

 
AE-Q44-AT17F

DIP40/QFP44 специализированный адаптер для микросхем фирмы Atmel. Размеры корпуса: 10.0 x 10.0 мм, 0.8 мм шаг.

 
AE-Q44-AT17N

DIP40/QFP44 специализированный адаптер для микросхем фирмы Atmel. Размеры корпуса: 10.0 x 10.0 мм, 0.8 мм шаг.

 
AE-Q44-AT32U4

DIP40/QFP44 специализированный адаптер для микросхем семейства AVR фирмы Atmel. Размеры корпуса: 10.0 x 10.0 мм, 0.8 мм шаг.

 
AE-Q44-LP6440

DIP40/QFP44 специализированный адаптер для микросхем семейства 8051 фирмы Atmel. Размеры корпуса: 10.0 x 10.0 мм, 0.8 мм шаг.

 
AE-Q44-P952

DIP40/QFP44 специализированный адаптер для микросхем фирмы NXP/Philips. Размеры корпуса: 10.0 x 10.0 мм, 0.8 мм шаг.

 
AE-Q44-PIC30

DIP40/QFP44 специализированный адаптер для микросхем PIC фирмы Microchip. Размеры корпуса: 10.0 x 10.0 мм, 0.8 мм шаг.

 
AE-Q44-PIC30-1

DIP40/QFP44 специализированный адаптер для микросхем PIC фирмы Microchip. Размеры корпуса: 10.0 x 10.0 мм, 0.8 мм шаг.

 
AE-Q44-STM8

DIP40/QFP44 специализированный адаптер для микросхем STM8 фирмы STMicro. Размеры корпуса: 10.0 x 10.0 мм, 0.8 мм шаг.

 
AE-Q44-W79

DIP40/QFP44 специализированный адаптер для микроконтроллеров фирмы Nuvoton/Winbond. Размеры корпуса: 10.0 x 10.0 мм, 0.8 мм шаг.

 
AE-Q44-XC17

DIP40/QFP44 специализированный адаптер для микросхем фирмы Xilinx. Размеры корпуса: 10.0 x 10.0 мм, 0.8 мм шаг.

 
AE-Q44-XE01

DIP40/QFP44 специализированный адаптер для микросхем фирмы Semtech/Xemics. Размеры корпуса: 10.0 x 10.0 мм, 0.8 мм шаг.

 
AE-Q44-XMEGA

DIP40/QFP48 специализированный адаптер для микроконтроллеров фирмы Atmel. Размеры корпуса: 7.0 x 7.0 x 1.5 мм, (с выводами - 9.0 x 9.0), 0.5 мм шаг.

 
AE-Q44-p33

DIP40/QFP44 специализированный адаптер для микросхем PIC фирмы Microchip. Размеры корпуса: 10.0 x 10.0 мм, 0.8 мм шаг.

 
AE-Q44-p33GS

DIP40/QFP44 специализированный адаптер для микросхем PIC фирмы Microchip. Размеры корпуса: 10.0 x 10.0 мм, 0.8 мм шаг.

 
AE-Q44U

DIP44/QFP44 универсальный адаптер . Размеры корпуса: 10.0 x 10.0 мм, 0.8 мм шаг.

 
AE-Q48-F387

DIP40/QFP48 специализированный адаптер для микроконтроллеров фирмы Fujitsu. Размеры корпуса: 7.0 x 7.0 x 1.5 мм, (с выводами - 9.0 x 9.0), 0.5 мм шаг.

 
AE-Q48-HCS12

DIP48/QFP48 специализированный адаптер для микроконтроллеров фирмы Motorola/Freescale. Размеры корпуса: 7.0 x 7.0 x 1.5 мм, (с выводами - 9.0 x 9.0), 0.5 мм шаг.

 
AE-Q48-LM3S

DIP28/QFP48 специализированный адаптер для микроконтроллеров фирмы TI/Luminary. Размеры корпуса: 7.0 x 7.0 x 1.5 мм, (с выводами - 9.0 x 9.0), 0.5 мм шаг.

 
AE-Q48-SAM7

DIP40/QFP48 специализированный адаптер для микроконтроллеров фирмы Atmel. Размеры корпуса: 7.0 x 7.0 x 1.5 мм, (с выводами - 9.0 x 9.0), 0.5 мм шаг.

 
AE-Q48-STM32

DIP40/QFP48 специализированный адаптер для микроконтроллеров фирмы STMicro. Размеры корпуса: 7.0 x 7.0 x 1.5 мм, (с выводами - 9.0 x 9.0), 0.5 мм шаг.

 
AE-Q48-STM8

DIP40/QFP48 специализированный адаптер для микроконтроллеров фирмы STMicro. Размеры корпуса: 7.0 x 7.0 x 1.5 мм, (с выводами - 9.0 x 9.0), 0.5 мм шаг.

 
AE-Q48-W79

DIP40/QFP48 специализированный адаптер для микроконтроллеров фирмы Nuvoton/Winbond. Размеры корпуса: 7.0 x 7.0 x 1.5 мм, (с выводами - 9.0 x 9.0), 0.5 мм шаг.

 
AE-Q48-W79-2

DIP40/QFP48 специализированный адаптер для микроконтроллеров фирмы Nuvoton/Winbond. Размеры корпуса: 7.0 x 7.0 x 1.5 мм, (с выводами - 9.0 x 9.0), 0.5 мм шаг.

 
AE-Q48-W79-3

DIP40/QFP48 специализированный адаптер для микроконтроллеров фирмы Nuvoton/Winbond. Размеры корпуса: 7.0 x 7.0 x 1.5 мм, (с выводами - 9.0 x 9.0), 0.5 мм шаг.

 
AE-Q48-W79-4

DIP40/QFP48 специализированный адаптер для микроконтроллеров фирмы Nuvoton/Winbond. Размеры корпуса: 7.0 x 7.0 x 1.5 мм, (с выводами - 9.0 x 9.0), 0.5 мм шаг.

 
AE-Q48-XC800

DIP40/QFP48 специализированный адаптер для микроконтроллеров фирмы Infineon. Размеры корпуса: 7.0 x 7.0 x 1.5 мм, (с выводами - 9.0 x 9.0), 0.5 мм шаг.

 
AE-Q48-i51

DIP40/QFP48 специализированный адаптер для микроконтроллеров семейства 8051. Размеры корпуса: 7.0 x 7.0 x 1.5 мм, (с выводами - 9.0 x 9.0), 0.5 мм шаг.

 
AE-Q48U

DIP48/QFP48 универсальный адаптер. Размеры корпуса: 7.0 x 7.0 x 1.5 мм, (с выводами - 9.0 x 9.0), 0.5 мм шаг.

 
AE-Q52-HCS12

DIP40/QFP52 специализированный адаптер для микроконтроллеров фирмы Motorola/Freescale. Размеры корпуса: 10.0 x 10.0 x 1.7 мм, (с выводами - 12.0 x 12.0), 0.65 мм шаг.

 
AE-Q64-ATm128

DIP40/QFP64 специализированный адаптер для микроконтроллеров AVR фирмы Atmel. Размеры корпуса: 14.0 x 14.0 x 1.2 мм, (с выводами - 16.0 x 16.0), 0.8 мм шаг.

 
AE-Q64-F176-M23

DIP40/QFP64 специализированный адаптер для микроконтроллеров фирмы Fujitsu. Размеры корпуса: 12.0 x 12.0 x 1.7 мм, (с выводами - 14.0 x 14.0), 0.65 мм шаг.

 
AE-Q64-F176-M24

DIP40/QFP64 специализированный адаптер для микроконтроллеров фирмы Fujitsu. Размеры корпуса: 10.0 x 10.0 x 1.7 мм, (с выводами - 12.0 x 12.0), 0.5 мм шаг.

 
AE-Q64-H8/3664FP

DIP40/QFP64 специализированный адаптер для микроконтроллеров фирмы Hitachi. Размеры корпуса: 10.0 x 10.0 x 1.1 мм, (с выводами - 12.0 x 12.0), 0.5 мм шаг.

 
AE-Q64-HC908-1

DIP40/QFP64 специализированный адаптер для микроконтроллеров фирмы Motorola/Freescale. Размеры корпуса: 10.0 x 10.0 x 1.1 мм, (с выводами - 12.0 x 12.0), 0.5 мм шаг.

 
AE-Q64-HC908-2

DIP40/QFP64 специализированный адаптер для микроконтроллеров фирмы Motorola/Freescale. Размеры корпуса: 14.0 x 14.0 x 1.2 мм, (с выводами - 16.0 x 16.0), 0.8 мм шаг.

 
AE-Q64-HC908-LD/MR

DIP40/QFP64 специализированный адаптер для микроконтроллеров фирмы Motorola/Freescale. Размеры корпуса: 14.0 x 14.0 x 1.2 мм, (с выводами - 16.0 x 16.0), 0.8 мм шаг.

 
AE-Q64-HCS08-1

DIP40/QFP64 специализированный адаптер для микроконтроллеров фирмы Motorola/Freescale. Размеры корпуса: 10.0 x 10.0 x 1.1 мм, (с выводами - 12.0 x 12.0), 0.5 мм шаг.

 
AE-Q64-HCS08-2

DIP40/QFP64 специализированный адаптер для микроконтроллеров фирмы Motorola/Freescale. Размеры корпуса: 14.0 x 14.0 x 2.4 мм, (с выводами - 17.0 x 17.0), 0.8 мм шаг.

 
AE-Q64-HCS12

DIP40/QFP64 специализированный адаптер для микроконтроллеров фирмы Motorola/Freescale. Размеры корпуса: 10.0 x 10.0 x 1.1 мм, (с выводами - 12.0 x 12.0), 0.5 мм шаг.

 
AE-Q64-LM3S

DIP40/QFP64 специализированный адаптер для микроконтроллеров фирмы TI/Luminary. Размеры корпуса: 10.0 x 10.0 x 1.1 мм, (с выводами - 12.0 x 12.0), 0.5 мм шаг.

 
AE-Q64-LPC2000

DIP40/QFP64 специализированный адаптер для микроконтроллеров фирмы NXP/Philips. Размеры корпуса: 10.0 x 10.0 x 1.1 мм, (с выводами - 12.0 x 12.0), 0.5 мм шаг.

 
AE-Q64-MAX51

DIP40/QFP64 специализированный адаптер для микроконтроллеров фирмы Maxim. Размеры корпуса: 10.0 x 10.0 x 1.1 мм, (с выводами - 12.0 x 12.0), 0.5 мм шаг.

 
AE-Q64-MSP430

DIP40/QFP64 специализированный адаптер для микроконтроллеров фирмы TI. Размеры корпуса: 10.0 x 10.0 x 1.1 мм, (с выводами - 12.0 x 12.0), 0.5 мм шаг.

 
AE-Q64-NEC-1

DIP40/QFP64 специализированный адаптер для микроконтроллеров фирмы NEC. Размеры корпуса: 10.0 x 10.0 x 1.1 мм, (с выводами - 12.0 x 12.0), 0.5 мм шаг.

 
AE-Q64-NEC-2

DIP40/QFP64 специализированный адаптер для микроконтроллеров фирмы NEC. Размеры корпуса: 14.0 x 14.0 x 1.2 мм, (с выводами - 16.0 x 16.0), 0.8 мм шаг.

 
AE-Q64-NEC-3

DIP40/QFP64 специализированный адаптер для микроконтроллеров фирмы NEC. Размеры корпуса: 0.65 мм шаг.

 
AE-Q64-NEC-4

DIP40/QFP64 специализированный адаптер для микроконтроллеров фирмы NEC. Размеры корпуса: 0.4 мм шаг.

 
AE-Q64-PIC30-1

DIP40/QFP64 специализированный адаптер для PIC микроконтроллеров фирмы Microchip. Размеры корпуса: 10.0 x 10.0 x 1.1 мм, (с выводами - 12.0 x 12.0), 0.5 мм шаг.

 
AE-Q64-PIC30-2

DIP40/QFP64 специализированный адаптер для PIC микроконтроллеров фирмы Microchip. Размеры корпуса: 14.0 x 14.0 x 1.2 мм, (с выводами - 16.0 x 16.0), 0.8 мм шаг.

 
AE-Q64-SAM7

DIP40/QFP64 специализированный адаптер для микроконтроллеров фирмы Atmel. Размеры корпуса: 10.0 x 10.0 x 1.1 мм, (с выводами - 12.0 x 12.0), 0.5 мм шаг.

 
AE-Q64-ST7-1

DIP40/QFP64 специализированный адаптер для микроконтроллеров фирмы STM. Размеры корпуса: 10.0 x 10.0 x 1.1 мм, (с выводами - 12.0 x 12.0), 0.5 мм шаг.

 
AE-Q64-ST7-2

DIP40/QFP64 специализированный адаптер для микроконтроллеров фирмы STM. Размеры корпуса: 14.0 x 14.0 x 1.2 мм, (с выводами - 16.0 x 16.0), 0.8 мм шаг.

 
AE-Q64-STM32

DIP40/QFP64 специализированный адаптер для микроконтроллеров фирмы STM. Размеры корпуса: 10.0 x 10.0 x 1.1 мм, (с выводами - 12.0 x 12.0), 0.5 мм шаг.

 
AE-Q64-STM8

DIP40/QFP64 специализированный адаптер для микроконтроллеров фирмы STM. Размеры корпуса: 10.0 x 10.0 x 1.1 мм, (с выводами - 12.0 x 12.0), 0.5 мм шаг.

 
AE-Q64-T51

DIP40/QFP64 специализированный адаптер для микроконтроллеров фирмы Atmel. Размеры корпуса: 10.0 x 10.0 x 1.1 мм, (с выводами - 12.0 x 12.0), 0.5 мм шаг.

 
AE-Q64-T5131

DIP40/QFP64 специализированный адаптер для микроконтроллеров фирмы Atmel. Размеры корпуса: 10.0 x 10.0 x 1.1 мм, (с выводами - 12.0 x 12.0), 0.5 мм шаг.

 
AE-Q64-XC800

DIP40/QFP64 специализированный адаптер для микроконтроллеров фирмы Infineon. Размеры корпуса: 10.0 x 10.0 x 1.1 мм, (с выводами - 12.0 x 12.0), 0.5 мм шаг.

 
AE-Q64-XE05

DIP40/QFP64 специализированный адаптер для микроконтроллеров фирмы Semtech/Xemics. Размеры корпуса: 10.0 x 10.0 x 1.1 мм, (с выводами - 12.0 x 12.0), 0.5 мм шаг.

 
AE-Q64-XMEGA

DIP40/QFP64 специализированный адаптер для микроконтроллеров AVR фирмы Atmel. Размеры корпуса: 14.0 x 14.0 x 1.2 мм, (с выводами - 16.0 x 16.0), 0.8 мм шаг.

 
AE-Q64-p33

DIP40/QFP64 специализированный адаптер для PIC микроконтроллеров фирмы Microchip. Размеры корпуса: 10.0 x 10.0 x 1.1 мм, (с выводами - 12.0 x 12.0), 0.5 мм шаг.

 
AE-Q64-p658

DIP40/QFP64 специализированный адаптер для PIC микроконтроллеров фирмы Microchip. Размеры корпуса: 10.0 x 10.0 x 1.1 мм, (с выводами - 12.0 x 12.0), 0.5 мм шаг.

 
AE-Q64-p946

DIP40/QFP64 специализированный адаптер для PIC микроконтроллеров фирмы Microchip. Размеры корпуса: 10.0 x 10.0 x 1.1 мм, (с выводами - 12.0 x 12.0), 0.5 мм шаг.

 
AE-Q64-ph554

DIP40/QFP64 специализированный адаптер для микроконтроллеров фирмы Philips/NXP. Размеры корпуса: 10.0 x 10.0 x 1.1 мм, (с выводами - 12.0 x 12.0), 0.5 мм шаг.

 
AE-Q80-F32

DIP40/QFP80 специализированный адаптер для 32-bit Flash памяти.
Размеры корпуса: 20.0 x 14.0 x 3.2 мм, (с выводами - 23.2 x 17.2), 0.8 мм шаг.

 
AE-Q80-HCS08

DIP40/QFP80 специализированный адаптер для микроконтроллеров фирмы Motorola/Freescale. Размеры корпуса: 12.0 x 12.0 x 1.1 мм, (с выводами - 14.0 x 14.0), 0.5 мм шаг.

 
AE-Q80-HCS12-1

DIP48/QFP80 специализированный адаптер для микроконтроллеров фирмы Motorola/Freescale. Размеры корпуса: 14.0 x 14.0 x 1.2 мм, (с выводами - 16.0 x 16.0), 0.65 мм шаг.

 
AE-Q80-HCS12-2

DIP48/QFP80 специализированный адаптер для микроконтроллеров фирмы Motorola/Freescale. Размеры корпуса: 14.0 x 14.0 x 2.3 мм, (с выводами - 17.0 x 17.0), 0.65 мм шаг.

 
AE-Q80-MSP430

DIP40/QFP80 специализированный адаптер для микроконтроллеров фирмы TI. Размеры корпуса: 12.0 x 12.0 x 1.1 мм, (с выводами - 14.0 x 14.0), 0.5 мм шаг.

 
AE-Q80-PIC30-1

DIP40/QFP80 специализированный адаптер для микроконтроллеров PIC фирмы Microchip. Размеры корпуса: 12.0 x 12.0 x 1.1 мм, (с выводами - 14.0 x 14.0), 0.5 мм шаг.

 
AE-Q80-PIC30-2

DIP40/QFP80 специализированный адаптер для микроконтроллеров PIC фирмы Microchip. Размеры корпуса: 14.0 x 14.0 x 1.2 мм, (с выводами - 16.0 x 16.0), 0.65 мм шаг.

 
AE-Q80-ST7

DIP40/QFP80 специализированный адаптер для микроконтроллеров фирмы STM. Размеры корпуса: 14.0 x 14.0 x 1.6 мм, (с выводами - 16.0 x 16.0), 0.65 мм шаг.

 
AE-Q80-STM8

DIP40/QFP80 специализированный адаптер для микроконтроллеров фирмы STM. Размеры корпуса: 14.0 x 14.0 x 1.6 мм, (с выводами - 16.0 x 16.0), 0.65 мм шаг.

 
AE-Q80-T5132

DIP40/QFP80 специализированный адаптер для микроконтроллеров фирмы Atmel. Размеры корпуса: 14.0 x 14.0 x 1.2 мм, (с выводами - 16.0 x 16.0), 0.65 мм шаг.

 
AE-Q80-p33

DIP40/QFP80 специализированный адаптер для микроконтроллеров PIC фирмы Microchip. Размеры корпуса: 12.0 x 12.0 x 1.1 мм, (с выводами - 14.0 x 14.0), 0.5 мм шаг.

 
AE-Q80-p858

DIP40/QFP80 специализированный адаптер для микроконтроллеров PIC фирмы Microchip. Размеры корпуса: 12.0 x 12.0 x 1.1 мм, (с выводами - 14.0 x 14.0), 0.5 мм шаг.

 
AE-QFN16U

DIP16/QFN16 универсальный адаптер. Размеры корпуса: 4.0 x 4.0 x 0.9 мм, 0.65 мм шаг.

 
AE-QFN20-AV1

DIP8/QFN20 специализированный адаптер для микроконтроллеров фирмы Atmel. Размеры корпуса: 4.0 x 4.0 x 0.9 мм, 0.5 мм шаг.

 
AE-QFN20-AV2

DIP20/QFN20 специализированный адаптер для микроконтроллеров фирмы Atmel. Размеры корпуса: 4.0 x 4.0 x 0.9 мм, 0.5 мм шаг.

 
AE-QFN20-p16

DIP20/QFN20 специализированный адаптер для микроконтроллеров фирмы Microchip. Размеры корпуса: 4.0 x 4.0 x 0.9 мм, 0.5 мм шаг.

 
AE-QFN24U

DIP24/QFN24 универсальный адаптер. Размеры корпуса: 4.0 x 4.0 x 0.9 мм, 0.5 мм шаг.

 
AE-QFN28-p16-2

DIP28/QFN28 специализированный адаптер для микроконтроллеров фирмы Microchip. Размеры корпуса: 6.0 x 6.0 x 0.9 мм, 0.65 мм шаг.

 
AE-QFN28U

DIP28/QFN28 универсальный адаптер. Размеры корпуса: 6.0 x 6.0 x 0.9 мм, 0.65 мм шаг.

 
AE-QFN32-AV1

DIP28/QFN32 специализированный адаптер для микроконтроллеров фирмы Atmel. Размеры корпуса: 5.0 x 5.0 x 1.0 мм, 0.5 мм шаг.

Emulation Technology: AS-32-28-01ML-3
AE-QFN32-AV2

DIP32/QFN32 специализированный адаптер для микроконтроллеров фирмы Atmel. Размеры корпуса: 7.0 x 7.0 x 1.0 мм, 0.65 мм шаг.

 
AE-QFN32-AV3

DIP20/QFN32 специализированный адаптер для микроконтроллеров фирмы Atmel. Размеры корпуса: 5.0 x 5.0 x 1.0 мм, 0.5 мм шаг.

 
AE-QFN32-AV4

DIP24/QFN32 специализированный адаптер для микроконтроллеров фирмы Atmel. Размеры корпуса: 7.0 x 7.0 x 1.0 мм, 0.65 мм шаг.

 
AE-QFN32U2

DIP32/QFN32 универсальный адаптер. Размеры корпуса: 5.0 x 5.0 x 0.8-0.9 мм, 0.5 мм шаг.

 
AE-QFN40U

DIP40/QFN40 универсальный адаптер. Размеры корпуса: 6.0 x 6.0 x 0.75 мм, 0.5 мм шаг.

 
AE-QFN44-AT32U4

DIP40/QFN44 специализированный адаптер для AVR микроконтроллеров фирмы Atmel. Размеры корпуса: 7.0 x 7.0 x 1.0 мм, 0.5 мм шаг.

 
AE-QFN44-AT35

DIP40/QFN44 специализированный адаптер для AVR микроконтроллеров фирмы Atmel. Размеры корпуса: 7.0 x 7.0 x 1.0 мм, 0.5 мм шаг.

 
AE-QFN44-XMEGA

DIP40/QFN44 специализированный адаптер для AVR микроконтроллеров фирмы Atmel. Размеры корпуса: 7.0 x 7.0 x 0.9 мм, 0.5 мм шаг.

 
AE-QFN44-p16

DIP40/QFN44 специализированный адаптер для микроконтроллеров фирмы Microchip. Размеры корпуса: 8.0 x 8.0 x 0.9 мм, 0.65 мм шаг.

 
AE-QFN44-p33

DIP40/QFN44 специализированный адаптер для микроконтроллеров фирмы Microchip. Размеры корпуса: 8.0 x 8.0 x 0.9 мм, 0.65 мм шаг.

 
AE-QFN44-p33GS

DIP40/QFN44 специализированный адаптер для микроконтроллеров фирмы Microchip. Размеры корпуса: 8.0 x 8.0 x 0.9 мм, 0.65 мм шаг.

 
AE-QFN48-PSOC1

DIP48/QFN48 универсальный адаптер. Размеры корпуса: 7.0 x 7.0 x 1.0 мм, 0.5 мм шаг.

 
AE-QFN48U

DIP48/QFN48 универсальный адаптер. Размеры корпуса: 7.0 x 7.0 x 1.0 мм, 0.5 мм шаг.

 
AE-QFN64-ATM128

DIP40/QFN64 специализированный адаптер для микроконтроллеров фирмы Atmel. Размеры корпуса: 9.0 x 9.0 x 0.9 мм, 0.5 мм шаг.

 
AE-QFN64-MSP430

DIP40/QFN64 специализированный адаптер для микроконтроллеров фирмы TI. Размеры корпуса: 9.0 x 9.0 x 0.9 мм, 0.5 мм шаг.

 
AE-QFN64-XMEGA

DIP40/QFN64 специализированный адаптер для микроконтроллеров фирмы Atmel. Размеры корпуса: 9.0 x 9.0 x 0.9 мм, 0.5 мм шаг.

 
AE-QFN68-PSOC1

DIP40/QFN68 специализированный адаптер для микроконтроллеров фирмы Cypress. Размеры корпуса: 8.0 x 8.0 x 0.9 мм, 0.4 мм шаг.

 
AE-SC18/28-25XX

DIP28/SOIC28 специализированный адаптер для микросхем памяти серии 25xxx. Размеры корпуса: ширина - 7.65 мм (300mil), 1.27мм шаг.

 
AE-SC18/28U

DIP28/SOIC28 универсальный адаптер. Размеры корпуса микросхемы: ширина - 7.65 мм (300mil), 1.27мм шаг.

Logical Systems: PA28SO1-08-3
AE-SC20-25xx

DIP20/SOIC20 специализированный адаптер для микросхем памяти серии 25xxx. Размеры корпуса: ширина - 5.3 мм (208mil), 1.27мм шаг.

 
AE-SC20U

DIP20/SOIC20 универсальный адаптер. Размеры корпуса микросхемы: ширина - 5.3 мм (208mil), 1.27мм шаг.

 
AE-SC28U1

DIP28/SOIC28 универсальный адаптер. Размеры корпуса микросхемы: ширина - 8.7 мм (330mil), 1.27мм шаг.

Logical Systems: PA28SO1-06-3
AE-SC32U

DIP32/SOIC32 универсальный адаптер. Размеры корпуса микросхемы: ширина - 7.5 мм (300mil), 1.27мм шаг.

 
AE-SC8/16M-25XX

DIP16/SOIC16 специализированный адаптер для микросхем памяти серии 25xxx. Размеры корпуса: ширина - 5.3 мм (208mil), 1.27мм шаг.

 
AE-SC8/16M-45XX

DIP16/SOIC16 специализированный адаптер для микросхем памяти серии 45xxx. Размеры корпуса: ширина - 5.3 мм (208mil), 1.27мм шаг.

 
AE-SC8/16N-25XX

DIP16/SOIC16 специализированный адаптер для микросхем памяти серии 25xxx. Размеры корпуса: ширина - 3.9 мм (150mil), 1.27мм шаг.

 
AE-SC8/16N-45XX

DIP16/SOIC16 специализированный адаптер для микросхем памяти серии 45xxx. Размеры корпуса: ширина - 3.9 мм (150mil), 1.27мм шаг.

 
AE-SC8/16S-25XX

DIP16/SOIC16 специализированный адаптер для микросхем памяти серии 25xxx. Размеры корпуса: ширина - 4.4 мм (173mil), 1.27мм шаг.

 
AE-SC8/16S-45XX

DIP16/SOIC16 специализированный адаптер для микросхем памяти серии 45xxx. Размеры корпуса: ширина - 4.4 мм (173mil), 1.27мм шаг.

 
AE-SC8/16UM

DIP16/SOIC16 универсальный адаптер. Размеры корпуса микросхемы: ширина - 5.3 мм (208mil), 1.27мм шаг.

Logical Systems: PA16SO1-2006-3
AE-SC8/16UN

DIP16/SOIC16 универсальный адаптер. Размеры корпуса микросхемы: ширина - 3.9 мм (150mil), 1.27мм шаг.

Logical Systems: PA16S01-03-03
AE-SC8/16US

DIP16/SOIC16 универсальный адаптер. Размеры корпуса микросхемы: ширина - 4.4 мм (173mil), 1.27мм шаг.

 
AE-SD42U

DIP42/SDIP42 universal shrink DIP adapter.
Device package dimensions: body width 600 mil (15.24 mm), 1.778 mm pitch.

 
AE-SD52-SDA

DIP40/SDIP56 specialized adapter.
Device package dimensions: body width 600 mil (15.24 mm), 1.778 mm pitch.

 
AE-SD56-HC908

DIP40/SDIP56 specialized adapter for Motorola/Freescale microcontrollers.
Device package dimensions: body width 600 mil (15.24 mm), 1.778 mm pitch.

 
AE-SO44-16

DIP40/SO44 specialized adapter for FLASH memory.
Device package dimensions: body width - 13.3 mm, body width with pins - 16.0 mm, 1.27 mm pitch.

 
AE-SO44U

DIP44/SO44 universal adapter.
Device package dimensions: body width - 13.3 mm, body width with pins - 16.0 mm, 1.27 mm pitch.

Logical Systems: PA44S01-OT
AE-SOT23-24XX

DIP8/SOT-23-6 specialized adapter for 24XXX serial FLASH.
Device package dimensions: body width - 1.6 mm, body width with pins - 2.7 mm, 0.95 mm pitch.

 
AE-SOT23-93XX

DIP8/SOT-23-6 specialized adapter for 93XXX serial FLASH.
Device package dimensions: body width - 1.6 mm, body width with pins - 2.7 mm, 0.95 mm pitch.

 
AE-SOT23-p10

DIP8/SOT-23-6 specialized adapter for Microchip PIC.
Device package dimensions: body width - 1.6 mm, body width with pins - 2.7 mm, 0.95 mm pitch.

 
AE-SOT23U

DIP6/SOT-23-6 universal adapter.
Device package dimensions: body width - 1.6 mm, body width with pins - 2.7 mm, 0.95 mm pitch.

 
AE-SP20-STM8

DIP28/TSSOP20 specialized adapter for STMicroelectronics STM8 family.
Device package dimensions: body width - 173 mil (4.4 mm), 0.65 mm pitch.

 
AE-SP20-p16

DIP18/SSOP20 specialized adapter for Microchip PIC.
Device package dimensions: body width - 209 mil (5.3 mm), 0.65 mm pitch.

Logical Systems: PA20SS-BP54
AE-SP28-p5x

DIP28/SSOP28 specialized adapter for Microchip PIC.
Device package dimensions: body width - 209 mil (5.3 mm), 0.65 mm pitch.

Logical Systems: PA28SS-P55
AE-SP28U (не поставляется)

DIP28/SSOP28 universal adapter.
Device package dimensions: body width - 209 mil (5.3 mm), 0.65 mm pitch.

Logical Systems: PA28SS-OT-3
AE-SP28U1

DIP28/SSOP28 universal adapter.
Device package dimensions: body width - 173 mil (4.4 mm), 0.65 mm pitch.

Logical Systems: PA28TSS-OT-3
AE-SP28U2

DIP28/SSOP28 universal adapter.
Device package dimensions: body width - 209 mil (5.3 mm), 0.65 mm pitch.

 
AE-SP30U

DIP30/SSOP30 universal adapter.
Device package dimensions: body width - 240 mil (6.1 mm), 0.65 mm pitch.

 
AE-SP38U

DIP38/SSOP38 universal adapter.
Device package dimensions: body width - 240 mil (6.1 mm), 0.65 mm pitch.

 
AE-SP8U

DIP8/SSOP8 universal adapter.
Device package dimensions: 3 x 3 mm, 0.65 mm pitch.

 
AE-SS48U

DIP48/SSOP48 universal adapter.
Device package dimensions: body width - 295 mil (7.5 mm), 0.635 mm pitch.

 
AE-SS56-16Am

DIP40/SSOP56 specialized adapter for FLASH memory.
Device package dimensions: body width - 13.3 mm, 0.8 mm pitch.

 
AE-SS56-16Am-2

DIP40/SSOP56 specialized adapter for FLASH memory.
Device package dimensions: body width - 13.3 mm, 0.8 mm pitch.

 
AE-SS56-16I

DIP40/SSOP56 specialized adapter for FLASH memory.
Device package dimensions: body width - 13.3 mm, 0.8 mm pitch.

 
AE-SS56-16I-2

DIP40/SSOP56 specialized adapter for FLASH memory.
Device package dimensions: body width - 13.3 mm, 0.8 mm pitch.

 
AE-T44-AT35

DIP40/QFP44 specialized adapter for Atmel AVR devices.
Device package dimensions: body - 10.0 x 10.0 mm, 0.8 mm pitch.

 
AE-T44-T51CC

DIP40/QFP44 specialized adapter for Atmel devices.
Device package dimensions: body - 10.0 x 10.0 mm, 0.8 mm pitch.

 
AE-T44-i51

DIP40/QFP44 specialized adapter for microcontrollers.
Device package dimensions: body - 10.0 x 10.0 mm, 0.8 mm pitch.

Logical Systems: PA51-QD-03
AE-T44-i51/505

DIP40/QFP44 specialized adapter for microcontrollers.
Device package dimensions: body - 10.0 x 10.0 mm, 0.8 mm pitch.

 
AE-T44-p16

DIP40/QFP44 specialized adapter for Microchip PIC devices.
Device package dimensions: body - 10.0 x 10.0 mm, 0.8 mm pitch.

Logical Systems: PA16C64-QD-03
AE-T44-p17

DIP40/QFP44 specialized adapter for Microchip PIC devices.
Device package dimensions: body - 10.0 x 10.0 mm, 0.8 mm pitch.

Logical Systems: PA1742-QD-03
AE-TS28

DIP28/TSOP28 specialized adapter for Flash memory.
Device package dimensions: body width - 11.8 mm, 0.55 mm pitch.

Logical Systems: PA28TSOP3
AE-TS28-45XX

DIP28/TSOP28 specialized adapter for Atmel AT45xx devices.
Device package dimensions: body width - 11.8 mm, 0.55 mm pitch.

 
AE-TS32N

DIP32/TSOP32 specialized adapter for Flash memory.
Device package dimensions: 8 x 14 mm, 0.5 mm pitch.

Logical Systems: PA32TS14-OT
AE-TS32N-CP49

DIP32/TSOP32 specialized adapter.
Device package dimensions: 8 x 14 mm, 0.5 mm pitch.

 
AE-TS32W

DIP32/TSOP32 specialized adapter for Flash memory.
Device package dimensions: 8 x 20 mm, 0.5 mm pitch.

Logical Systems: PA32TS20-OT
AE-TS40N

DIP40/TSOP40 universal adapter.
Device package dimensions: 10 x 14 mm, 0.5 mm pitch.

 
AE-TS40N-1

DIP40/TSOP40 specialized adapter.
Device package dimensions: 10 x 14 mm, 0.5 mm pitch.

 
AE-TS40N-2

DIP40/TSOP40 specialized adapter.
Device package dimensions: 10 x 14 mm, 0.5 mm pitch.

 
AE-TS40W

DIP40/TSOP40 universal adapter.
Device package dimensions: 10 x 20 mm, 0.5 mm pitch.

Logical Systems: PA40TS20-1OT
AE-TS40W-1

DIP40/TSOP40 specialized adapter.
Device package dimensions: 10 x 20 mm, 0.5 mm pitch.

 
AE-TS40W-2

DIP40/TSOP40 specialized adapter.
Device package dimensions: 10 x 20 mm, 0.5 mm pitch.

 
AE-TS40W-CP49

DIP40/TSOP40 specialized adapter.
Device package dimensions: 10 x 20 mm, 0.5 mm pitch.

 
AE-TS44Am

DIP40/TSOP-II-44 specialized adapter.
Device package dimensions: 10 x 18.5 mm, 0.8 mm pitch.

 
AE-TS48-16

DIP40/TSOP48 specialized adapter.
Device package dimensions: 12 x 20 mm, 0.5 mm pitch.

 
AE-TS48-16AT1024

DIP40/TSOP48 specialized adapter.
Device package dimensions: 12 x 20 mm, 0.5 mm pitch.

 
AE-TS48-16Am

DIP40/TSOP48 specialized adapter.
Device package dimensions: 12 x 20 mm, 0.5 mm pitch.

 
AE-TS48-8Am-1

DIP40/TSOP48 specialized adapter.
Device package dimensions: 12 x 20 mm, 0.5 mm pitch.

 
AE-TS48-8Am-2

DIP40/TSOP48 specialized adapter.
Device package dimensions:12 x 20 mm, 0.5 mm pitch.

 
AE-TS48-NAND-2

DIP40/TSOP48 specialized adapter for NAND Flash devices.
Device package dimensions:12 x 20 mm, 0.5 mm pitch.

 
AE-TS48U

DIP48/TSOP48 universal adapter.
Device package dimensions: 12 x 20 mm, 0.5 mm pitch.

Logical Systems: PA48TS20-1OT
AE-TS56-16Am

DIP40/TSOP56 specialized adapter for FLASH memory.
Device package dimensions: 14 x 20 mm, 0.5 mm pitch.

 
AE-TS56-16I

DIP40/TSOP56 specialized adapter for FLASH memory.
Device package dimensions: 14 x 20 mm, 0.5 mm pitch.

 
AE-TS56-16I-2

DIP40/TSOP56 specialized adapter for FLASH memory.
Device package dimensions: 14 x 20 mm, 0.5 mm pitch.

 
AE-TS56-16I-3

DIP40/TSOP56 specialized adapter for FLASH memory.
Device package dimensions: 14 x 20 mm, 0.5 mm pitch.

 
AE-TS56-16I-4

DIP40/TSOP56 specialized adapter for FLASH memory.
Device package dimensions: 14 x 20 mm, 0.5 mm pitch.

 
AE-WS8-25XX-1

DIP8/WS8 specialized adapter for 25xx serial EEPROM, FLASH memory.
Device package dimensions: 6.0 x 5.0 mm, 1.27 mm pitch.

 
AE-WS8-25XX-2

DIP8/WS8 specialized adapter for 25xx serial EEPROM, FLASH memory.
Device package dimensions: 8.0 x 6.0 mm, 1.27 mm pitch.

 
AE-WS8-25XX-3

DIP8/WS8 specialized adapter for 25xx serial EEPROM, FLASH memory.
Device package dimensions: 4.0 x 4.0 mm, 0.8 mm pitch.

 
AE-WS8-25XX-4

DIP8/WS8 specialized adapter for 25xx serial EEPROM, FLASH memory.
Device package dimensions: 3.0 x 2.0 mm, 0.5 mm pitch.

 
AE-WS8-U1

DIP8/WSON8 universal adapter.
Device package dimensions: 6.0 x 5.0 mm, 1.27 mm pitch.

 
AE-WS8-U2

DIP8/WSON8 universal adapter.
Device package dimensions: 8.0 x 6.0 mm, 1.27 mm pitch.

 
AE-WS8-U3

DIP8/WSON8 universal adapter.
Device package dimensions: 4.0 x 4.0 mm, 0.8 mm pitch.

 
AE-WS8-U4

DIP8/WSON8 universal adapter.
Device package dimensions: 3.0 x 2.0 mm, 0.5 mm pitch.

 
M-P44-40x

DIP40/PLCC44 specialized adapter for Xilinx devices with open top socket.

 
M-P84-40x

DIP40/PLCC84 specialized adapter for Xilinx devices with open top socket.

 

Адаптеры для программирования в устройстве пользователя, предназначенные для не ISP программаторов

АдаптерОписаниеАналоги
AE-ISP-ARM

DIP28/BH20 специализированный адаптер для программирования микроконтроллеров ARM/Cortex в устройстве пользователя.

 
AE-ISP-MSP430

DIP28/BH16 специализированный адаптер для программирования микроконтроллеров семейства MSP430 в устройстве пользователя с помощью JTAG интерфейса.

 
AE-ISP-NEC

DIP28/BH16 специализированный адаптер для программирования микроконтроллеров фирмы NEC в устройстве пользователя.

 
AE-ISP-ST7

DIP28/BH10 специализированный адаптер для программирования микроконтроллеров семейства ST7 и ST8 в устройстве пользователя.

 
AE-ISP-U1

DIP28/BH10 универсальный адаптер для программирования микрокосхем в устройстве пользователя.

 
AE-ISP-U2

DIP28/BH10 универсальный адаптер для программирования микрокосхем в устройстве пользователя.

 

Снятые с производства адаптеры

АдаптерОписаниеАналоги
AE-P44-ATF1500-Z

DIP40/PLCC44 specialized adapter for Atmel ATF1500 devices with clam shell socket.

 
AE-P44-COP

DIP40/PLCC44 specialized adapter.

 
AE-PR35-DS

DIP8/PR35 специализированный адаптер для микросхем фирмы Dallas.

 
AE-Q100-A128

DIP40/QFP100 специализированный адаптер для микросхем фирмы Altera.

 
AE-Q100-H8/3062(64)F

DIP40/QFP100 специализированный адаптер для микросхем фирмы Hitachi.

 
AE-Q100-ST6280

DIP28/QFP100 specialized adapter for STMicroelectronics devices.

 
AE-Q100-X72/108

DIP40/QFP100 specialized adapter for Xilinx devices.

 
AE-Q44-ATF1500

DIP40/QFP44 специализированный адаптер для микросхем фирмы Atmel. Размеры корпуса: 10.0 x 10.0 мм, 0.8 мм шаг.

 
AE-Q44-X36

DIP40/QFP44 специализированный адаптер для микросхем фирмы Xilinx. Размеры корпуса: 10.0 x 10.0 мм, 0.8 мм шаг.

 
AE-Q52-ST6232

DIP28/QFP52 specialized adapter for STMicroelectronics microcontrollers.

 
AE-Q52-ST6235

DIP28/QFP52 specialized adapter for STMicroelectronics microcontrollers.

 
AE-Q52-ST6245

DIP28/QFP52 specialized adapter for STMicroelectronics microcontrollers.

 
AE-Q64-ST6242

DIP28/QFP64 specialized adapter for STMicroelectronics microcontrollers.

 
AE-Q80-ST6240

DIP28/QFP80 specialized adapter for STMicroelectronics microcontrollers.

 
AE-Q80-ST6285

DIP28/QFP80 specialized adapter for STMicroelectronics microcontrollers.

 
AE-SD42-ST6

DIP28/SDIP42 specialized adapter.
Device package dimensions: body width 600 mil (15.24 mm), 1.778 mm pitch.

 
AE-SD56-ST6246

DIP28/SDIP56 specialized adapter for STMicroelectronics microcontrollers.
Device package dimensions: body width 600 mil (15.24 mm), 1.778 mm pitch.

 
AE-TS44Am

DIP40/TSOP-II-44 specialized adapter.
Device package dimensions: 10 x 18.5 mm, 0.8 mm pitch.

 
COP8-PGMA-28CSP

COP8-PGMA адаптеры поставляются фирмой National Semiconductor www.national.com.

 
COP8-PGMA-44CSF

COP8-PGMA адаптеры поставляются фирмой National Semiconductor www.national.com.

 
COP8-PGMA-44CSP

COP8-PGMA адаптеры поставляются фирмой National Semiconductor www.national.com.

 
COP8-PGMA-44PF1

COP8-PGMA адаптеры поставляются фирмой National Semiconductor www.national.com.

 
COP8-PGMA-44QFP

COP8-PGMA адаптеры поставляются фирмой National Semiconductor www.national.com.

 
COP8-PGMA-48TF1

COP8-PGMA адаптеры поставляются фирмой National Semiconductor www.national.com.

 
COP8-PGMA-56TF1

COP8-PGMA адаптеры поставляются фирмой National Semiconductor www.national.com.

 
COP8-PGMA-68PF1

COP8-PGMA адаптеры поставляются фирмой National Semiconductor www.national.com.

 
NIIET88-DIP40G

DIP40/M88 specialized adapter for NIIET 1874BE86T microcontroller.

 
NIIET88-DIP40T

DIP40/M88 specialized adapter for NIIET 1874BE76T microcontroller.

 

Адаптеры для программирования в устройстве пользователя, предназначенные для ISP программаторов

АдаптерОписаниеАналоги
AS-ISP-ARM

ChipProg-ISP BH14/BH20 specialized adapter for in system programming of ARM microcontrollers .

 
AS-ISP-CABLE

Standard ISP cable for ChipProg-ISP programmer.

 
AS-ISP-EPM

ChipProg-ISP BH14/BH10 specialized adapter for in system programming of Altera EPM300A PLD family .

 
AS-ISP-MSP430

ChipProg-ISP BH14/BH14 specialized adapter for in system programming of TI MSP430 microcontrollers in JTAG and SBW modes.

 
AS-ISP-NEC

ChipProg-ISP BH14/BH16 specialized adapter for in system programming of NEC microcontrollers .

 
AS-ISP-ST7

ChipProg-ISP BH14/BH10 specialized adapter for in system programming of STMicroelectronic ST7 microcontroller family .

 

AE-B48-16MX3


Увеличить

DIP40/BGA48 специализированный адаптер для FLASH памяти.
Размеры корпуса микросхемы - 8.0x 6.0 x 1.3 мм, шаг выводов - 0.8 мм.

Для просмотра списка микросхем, которые поддерживает программатор при наличии данного адаптера, выберите программатор из списка:


Таблица соединений адаптера:

DIP-40BGA-4874HC573C1, 150пФC2, 0.1мкФ
 D616  
 C617  
 A618  
 B619  
12D5   
11C5   
10A5   
9B5   
 D412  
13D3   
15A4   
14B4   
17C4   
18B3   
16A3   
 C313  
 B214  
8A29  
7C28  
6D27  
5B16  
4A15  
3C14  
2D13  
1E12  
37F1   
20H11  
38G1   
21E2   
29F2   
22H2   
30G2   
23E3   
31F3   
24H3   
32G3   
40G420 1
25H4   
33F4   
26E4   
34G5   
27H5   
35F5   
28E5   
36G6   
20H61012
39F6   
 E615  
19 112 

AE-B48-16NM1


Увеличить

DIP40/BGA48 специализированный адаптер для FLASH памяти.
Размеры корпуса микросхемы - 6.39 x 6.37 x 1.0 мм, шаг выводов - 0.75 мм.

Для просмотра списка микросхем, которые поддерживает программатор при наличии данного адаптера, выберите программатор из списка:


Таблица соединений адаптера:

DIP-40BGA-4874HC573C1, 150пФC2, 0.1мкФ
1VddqE1   
2A17B6   
3A18B5   
4G(OE)F8   
5A20C5   
6A7A74  
7str 111 
8WB3   
9DQ10F6   
10A5B77  
11WPA5   
12RP(RST)B4   
13A1C83  
14DQ0E7   
15DQ12E4   
16DQ6E3   
17DQ7F2   
18DQ14D2   
19DQ9E6   
20GNDE8,F11,1021
21DQ8D6   
22DQ15E2   
23A2B88  
24A0D89  
25DQ4F4   
26DQ13F3   
27DQ5D3   
28A3C76  
29VppA4   
30A19A6   
31DQ11D4   
32DQ1F7   
33A6C65  
34DQ2D5   
35A4A82  
36A16D1   
37DQ3E5   
38NC(A21)C4   
39E(CE)D7   
40VddF520 2
 A15C117  
 A14B116  
 A13A114  
 A12C219  
 A11A215  
 A10B213  
 A9C318  
 A8A312  

AE-B48-16SP1


Увеличить

DIP40/BGA48 специализированный адаптер для FLASH памяти.
Размеры корпуса микросхемы - 10.0 x 6.0 x 1.0 мм, шаг выводов - 0.8 мм.

Для просмотра списка микросхем, которые поддерживает программатор при наличии данного адаптера, выберите программатор из списка:


Таблица соединений адаптера:

DIP-40BGA-4874HC573C1, 150пФC2, 0.1мкФ
 D616  
 C617  
 A618  
 B619  
12D5   
11C5   
10A5   
9B5   
 D412  
13D3   
15A4   
14B4   
17C4   
18B3   
16A3   
 C313  
 B214  
8A29  
7C28  
6D27  
5B16  
4A15  
3C14  
2D13  
1E12  
37F1   
20H11  
38G1   
21E2   
29F2   
22H2   
30G2   
23E3   
31F3   
24H3   
32G3   
40G420 1
25H4   
33F4   
26E4   
34G5   
27H5   
35F5   
28E5   
36G6   
20H61012
39F6   
 E615  
19 112 

AE-B48-16SP2


Увеличить

DIP40/BGA48 специализированный адаптер для FLASH памяти.
Размеры корпуса микросхемы - 8.15 x 6.15 x 1.0 мм, шаг выводов - 0.8 мм.

Для просмотра списка микросхем, которые поддерживает программатор при наличии данного адаптера, выберите программатор из списка:


Таблица соединений адаптера:

DIP-40BGA-4874HC573C1, 150пФC2, 0.1мкФ
 D616  
 C617  
 A618  
 B619  
12D5   
11C5   
10A5   
9B5   
 D412  
13D3   
15A4   
14B4   
17C4   
18B3   
16A3   
 C313  
 B214  
8A29  
7C28  
6D27  
5B16  
4A15  
3C14  
2D13  
1E12  
37F1   
20H11  
38G1   
21E2   
29F2   
22H2   
30G2   
23E3   
31F3   
24H3   
32G3   
40G420 1
25H4   
33F4   
26E4   
34G5   
27H5   
35F5   
28E5   
36G6   
20H61012
39F6   
 E615  
19 112 

AE-B48-16SST1


Увеличить

DIP40/BGA48 специализированный адаптер для FLASH памяти.
Размеры корпуса микросхемы - 8.0x 6.0 x 1.1 мм, шаг выводов - 0.8 мм.

Для просмотра списка микросхем, которые поддерживает программатор при наличии данного адаптера, выберите программатор из списка:


Таблица соединений адаптера:

DIP-40TFBGA-4874HC573C1, 150пФC2, 0.1мкФ
1F6   
2B2   
3C3   
4G1   
5D3   
6A24  
7 111 
8A4   
9F3   
10D27  
11B3   
12B4   
13D13  
14E2   
15F4   
16H5   
17E5   
18F5   
19G2   
20H1,H61,1021
21F2   
22G6   
23C18  
24E19  
25H4   
26G5   
27E4   
28A16  
29C4   
30A3   
31G3   
32H2   
33C25  
34E3   
35B12  
36E6   
37H3   
38D4   
39F1   
40G420 2
 D617  
 C616  
 A614  
 B619  
 D515  
 C513  
 A518  
 B512  

AE-B48-8SP1


Увеличить

DIP40/BGA48 специализированный адаптер для FLASH памяти.
Размеры корпуса микросхемы - 10.0 x 6.0 x 1.0 мм, шаг выводов - 0.8 мм.

Для просмотра списка микросхем, которые поддерживает программатор при наличии данного адаптера, выберите программатор из списка:


Таблица соединений адаптера:

DIP-40BGA-48
1D6
2C6
3A6
4B6
5D5
6C5
7A5
8B5
9A4
10B4
11B3
12A3
13B2
14A2
15C2
16D2
17B1
18A1
19C1
20D1
21E1
22F1
23H1
24G1
25E2
26H2
27E3
28F3
29H3
30G3
31G4
32H4
33E4
34G5
35H5
36F5
37E5
38G6
39H6
40E6

AE-B48-8SST1


Увеличить

DIP32/BGA48 специализированный адаптер для FLASH памяти.
Размеры корпуса микросхемы - 10.0 x 6.0 x 1.0 мм, шаг выводов - 0.8 мм.

Для просмотра списка микросхем, которые поддерживает программатор при наличии данного адаптера, выберите программатор из списка:


Таблица соединений адаптера:

DIP-32BGA-48
1B2
2D6
3C6
4D5
5A2
6C2
7D2
8D1
9A1
10C1
11D1
12E1
13E2
14H2
15E3
16H1,H6
17F3
18H4
19E4
20G5
21H5
22F1
23F4
24G1
25C5
26A5
27B5
28B1
29A1
30E1
31A4
32G3,G4

AE-B48-MX3


Увеличить

DIP48/BGA48 специализированный адаптер для FLASH памяти.
Размеры корпуса микросхемы - 8.0 x 6.0 x 1.3 мм, шаг выводов - 0.8 мм.

Для просмотра списка микросхем, которые поддерживает программатор при наличии данного адаптера, выберите программатор из списка:


Таблица соединений адаптера:

DIP-48BGA-48
1D6
2C6
3A6
4B6
5D5
6C5
7A5
8B5
9D4
10D3
11A4
12B4
13C4
14B3
15A3
16C3
17B2
18A2
19C2
20D2
21B1
22A1
23C1
24D1
25E1
26F1
27H1
28G1
29E2
30F2
31H2
32G2
33E3
34F3
35H3
36G3
37G4
38H4
39F4
40E4
41G5
42H5
43F5
44E5
45G6
46H6
47F6
48E6

AE-B48-NM1


Увеличить

DIP48/BGA48 специализированный адаптер для FLASH памяти.
Размеры корпуса микросхемы - 6.39 x 6.37 x 1.0 мм, шаг выводов - 0.75 мм.

Для просмотра списка микросхем, которые поддерживает программатор при наличии данного адаптера, выберите программатор из списка:


Таблица соединений адаптера:

DIP-48BGA-48
1A15C1
2A14B1
3A13A1
4A12C2
5A11A2
6A10B2
7A9C3
8A8A3
9NC(A21)C4
10A20C5
11WB3
12RP(RST)B4
13VppA4
14WPA5
15A19A6
16A18B5
17A17B6
18A7A7
19A6C6
20A5B7
21A4A8
22A3C7
23A2B8
24A1C8
25A0D8
26E(CE)D7
27VssqE8
28G(OE)F8
29DQ0E7
30DQ8D6
31DQ1F7
32DQ9E6
33DQ2D5
34DQ10F6
35DQ3E5
36DQ11D4
37VddF5
38DQ4F4
39DQ12E4
40DQ5D3
41DQ13F3
42DQ6E3
43DQ14D2
44DQ7F2
45DQ15E2
46VssF1
47VddqE1
48A16D1

AE-B48-SP1


Увеличить

DIP48/BGA48 специализированный адаптер для FLASH памяти.
Размеры корпуса микросхемы - 10.0 x 6.0 x 1.0 мм, шаг выводов - 0.8 мм.

Для просмотра списка микросхем, которые поддерживает программатор при наличии данного адаптера, выберите программатор из списка:


Таблица соединений адаптера:

DIP-48BGA-48
1D6
2C6
3A6
4B6
5D5
6C5
7A5
8B5
9D4
10D3
11A4
12B4
13C4
14B3
15A3
16C3
17B2
18A2
19C2
20D2
21B1
22A1
23C1
24D1
25E1
26F1
27H1
28G1
29E2
30F2
31H2
32G2
33E3
34F3
35H3
36G3
37G4
38H4
39F4
40E4
41G5
42H5
43F5
44E5
45G6
46H6
47F6
48E6

AE-B48-SP2


Увеличить

DIP48/BGA48 специализированный адаптер для FLASH памяти.
Размеры корпуса микросхемы - 8.15 x 6.15 x 1.0 мм, шаг выводов - 0.8 мм.

Для просмотра списка микросхем, которые поддерживает программатор при наличии данного адаптера, выберите программатор из списка:


Таблица соединений адаптера:

DIP-48BGA-48
1D6
2C6
3A6
4B6
5D5
6C5
7A5
8B5
9D4
10D3
11A4
12B4
13C4
14B3
15A3
16C3
17B2
18A2
19C2
20D2
21B1
22A1
23C1
24D1
25E1
26F1
27H1
28G1
29E2
30F2
31H2
32G2
33E3
34F3
35H3
36G3
37G4
38H4
39F4
40E4
41G5
42H5
43F5
44E5
45G6
46H6
47F6
48E6

AE-B55-NAND-1


Увеличить

DIP48/BGA55 специализированный адаптер для NAND FLASH памяти.
Размеры корпуса микросхемы: x 10.0 x 1.0 mm, 0.8 mm pitch.

Для просмотра списка микросхем, которые поддерживает программатор при наличии данного адаптера, выберите программатор из списка:


Таблица соединений адаптера:

DIP-48BGA-55C1, 0.1 uFC2, 0.1 uF
1   
2   
3   
4   
5   
6   
7C7  
8D3  
9C5  
10   
11   
12H71 
13C42 
14   
15   
16D4  
17C3  
18C6  
19C2  
21   
22   
23   
29H3  
30J3  
31K3  
32K4  
33   
34   
35   
36K2,K7 1
37J5 2
38   
39   
40   
41K5  
42J6  
43K6  
44J7  

AE-B55-NAND-2


Увеличить

DIP40/BGA55 специализированный адаптер для NAND FLASH памяти.
Размеры корпуса микросхемы: x 10.0 x 1.0 mm, 0.8 mm pitch.

Для просмотра списка микросхем, которые поддерживает программатор при наличии данного адаптера, выберите программатор из списка:


Таблица соединений адаптера:

DIP-40BGA-5574AHC14C1, 0.1 uF
1   
2   
3   
4   
5   
6   
7C7  
8 1 
 D34 
9C5  
10   
11   
12   
13   
14   
15   
16D4  
17C3  
18 13 
 C610 
19C2  
20C4,K2,K771
21   
22   
23   
24H3  
25J3  
26K3  
27K4  
28   
29   
30K5  
31J6  
32K6  
33J7  
34   
35   
36   
37   
38   
39   
40H7,J5142
  2,3 
  11,12 

AE-B56-NM1


Увеличить

DIP40/BGA56 специализированный адаптер для FLASH памяти.
Размеры корпуса микросхемы: 7.7 x 9.0 x 1.0 mm, 0.75 mm pitch.

Для просмотра списка микросхем, которые поддерживает программатор при наличии данного адаптера, выберите программатор из списка:


Таблица соединений адаптера:

DIP-40BGA-56U1, 74HC573U2, 74HC573C1, 150пФC2, 0.1мкФ
1E1,G6    
2     
3 11111 
4B5    
5     
6     
7C5    
8     
9A5    
10C7    
11A7    
12B7    
13A8    
14B8    
15C8    
16D8    
17E8    
18     
19     
20A3,F1,G2,G8,C4,B41, 101, 1022
21E7    
22F8    
23F72   
24G7 2  
25E63   
26F6 3  
27E54   
28F5 4  
29G55   
30F4 5  
31E46   
32D5 6  
33G37   
34F3 7  
35E38   
36F2 8  
37G19   
38E2 9  
39     
40A4,G4,D62020 1
   12  
 D7 13  
 D112   
 D213   
 C114   
 B115   
 A116   
 C217   
 B218   
 A219   
 C6 16  
 B3 15  
 C3 14  
 A6 17  
 B6 18  
 D4 19  

AE-B56-SP1


Увеличить

DIP40/BGA64 специализированный адаптер для FLASH памяти.
Размеры корпуса микросхемы: 9.0 x 7.0 x 1.2 mm, шаг-0.8 mm

Для просмотра списка микросхем, которые поддерживает программатор при наличии данного адаптера, выберите программатор из списка:


Таблица соединений адаптера:

DIP-40BGA-64U1, 74HC573U2, 74HC573C1, 150пФC2, 0.1мкФ
1     
2     
3 11111 
4B4    
5     
6     
7A5    
8C4    
9A4    
10A2    
11B2    
12C2    
13D2    
14B1    
15C1    
16D1    
17E1    
18     
19     
20E2,G81, 101, 1022
21F1    
22F2    
23G22   
24H2 2  
25E33   
26F3 3  
27H34   
28G3 4  
29F45   
30H4 5  
31F56   
32G6 6  
33H67   
34F6 7  
35E68   
36H7 8  
37G79   
38F7 9  
39     
40G5,G4,G12020 1
   12  
 D8 13  
 B812   
 D713   
 C714   
 B715   
 A716   
 D617   
 C618   
 A619   
 B6 16  
 C5 15  
 C8 14  
 C3 17  
 D3 18  
 E8 19  

AE-B64-MX2


Увеличить

DIP40/BGA64 специализированный адаптер для FLASH памяти.
Размеры корпуса микросхемы: 13.0 x 10.0 x 1.2 mm, 1.0 mm pitch.

Для просмотра списка микросхем, которые поддерживает программатор при наличии данного адаптера, выберите программатор из списка:


Таблица соединений адаптера:

DIP-40BGA-64U1, 74HC573U2, 74HC573C1, 150пФC2, 0.1мкФ
1D8,F1    
2G1    
3 11111 
4B5    
5F8    
6G8    
7A5    
8A4    
9B4    
10A3    
11C3    
12D3    
13B2    
14A2    
15C2    
16D2    
17E2    
18B1    
19     
20H2,H7,E81, 101, 1022
21F2    
22G2    
23E32   
24F3 2  
25H33   
26G3 3  
27E44   
28F4 4  
29H45   
30G4 5  
31H56   
32F5 6  
33E57   
34G6 7  
35H68   
36F6 8  
37E69   
38G7 9  
39F7    
40G52020 1
 C8 12  
 B8 13  
 D712   
 C713   
 A714   
 B715   
 D616   
 C617   
 A618   
 B619   
 D5 16  
 D4 15  
 C5 14  
 C4 17  
 B3 18  
 E7 19  

AE-B64-NM2


Увеличить

DIP40/BGA64 специализированный адаптер для FLASH памяти.
Размеры корпуса микросхемы: 10.0 x 8.0 x 1.2 mm, 1.0 mm pitch.

Для просмотра списка микросхем, которые поддерживает программатор при наличии данного адаптера, выберите программатор из списка:


Таблица соединений адаптера:

DIP-40BGA-64U1, 74HC573U2, 74HC573C1, 150пФC2, 0.1мкФ
1D5,D6    
2B8    
3 11111 
4D4    
5     
6     
7G8    
8E8    
9A4    
10A3    
11C2    
12A2    
13D2    
14D1    
15C1    
16B1    
17A1    
18     
19H1    
20E6,F6,B2,H4,H61, 101, 1022
21B4    
22F8    
23F22   
24E1 2  
25E23   
26E3 3  
27G34   
28F3 4  
29E45   
30F4 5  
31E56   
32F5 6  
33G57   
34H5 7  
35G68   
36G7 8  
37H79   
38E7 9  
39F1    
40C6,H3,G4,A62020 1
 H8 12  
 G1 13  
 D712   
 C513   
 B514   
 A515   
 C416   
 D317   
 C318   
 B319   
 C7 16  
 C8 15  
 A8 14  
 B7 17  
 A7 18  
 D8 19  

AE-B64-NM3


Увеличить

DIP40/BGA64 специализированный адаптер для FLASH памяти.
Размеры корпуса микросхемы: 10.0 x 8.0 x 1.2 mm, 1.0 mm pitch.

Для просмотра списка микросхем, которые поддерживает программатор при наличии данного адаптера, выберите программатор из списка:


Таблица соединений адаптера:

DIP-40BGA-64U1, 74HC573U2, 74HC573C1, 150пФC2, 0.1мкФ
1D5,D6,G4    
2     
3 11111 
4D4    
5B6    
6B8    
7G8    
8E8    
9A4    
10A3    
11C2    
12A2    
13D2    
14D1    
15C1    
16B1    
17A1    
18H1    
19     
20E6,F6,B2,H2,H4,H61, 101, 1022
21B4    
22F8    
23F22   
24E1 2  
25E23   
26E3 3  
27G34   
28F3 4  
29E45   
30F4 5  
31E56   
32F5 6  
33G57   
34H5 7  
35G68   
36G7 8  
37H79   
38E7 9  
39F1    
40C6,H3,A62020 1
 H8 12  
 G1 13  
 D712   
 C513   
 B514   
 A515   
 C416   
 D317   
 C318   
 B319   
 C7 16  
 C8 15  
 A8 14  
 B7 17  
 A7 18  
 D8 19  

AE-B64-NM4


Увеличить

DIP40/BGA64 специализированный адаптер для FLASH памяти.
Размеры корпуса микросхемы: 13.0 x 10.0 x 1.2 mm, 1.0 mm pitch.

Для просмотра списка микросхем, которые поддерживает программатор при наличии данного адаптера, выберите программатор из списка:


Таблица соединений адаптера:

DIP-40BGA-64U1, 74HC573U2, 74HC573C1, 150пФC2, 0.1мкФ
1D5,D6    
2     
3 11111 
4D4    
5B6    
6B8    
7G8    
8E8    
9A4    
10A3    
11C2    
12A2    
13D2    
14D1    
15C1    
16B1    
17A1    
18     
19H1    
20E6,F6,B2,H2,H4,H61, 101, 1022
21B4    
22F8    
23F22   
24E1 2  
25E23   
26E3 3  
27G34   
28F3 4  
29E45   
30F4 5  
31E56   
32F5 6  
33G57   
34H5 7  
35G68   
36G7 8  
37H79   
38E7 9  
39F1    
40C6,H3,G4,A62020 1
 H8 12  
 G1 13  
 D712   
 C513   
 B514   
 A515   
 C416   
 D317   
 C318   
 B319   
 C7 16  
 C8 15  
 A8 14  
 B7 17  
 A7 18  
 D8 19  

AE-B64-SP1


Увеличить

DIP40/BGA64 специализированный адаптер для FLASH памяти.
Размеры корпуса микросхемы: 13.0 x 11.0 x 1.4 mm, 1.0 mm pitch.

Для просмотра списка микросхем, которые поддерживает программатор при наличии данного адаптера, выберите программатор из списка:


Таблица соединений адаптера:

DIP-40BGA-64U1, 74HC573U2, 74HC573C1, 150пФC2, 0.1мкФ
1D8,F1    
2G1    
3 11111 
4B5    
5F8    
6G8    
7A5    
8A4    
9B4    
10A3    
11C3    
12D3    
13B2    
14A2    
15C2    
16D2    
17E2    
18B1    
19     
20H2,H7,E81, 101, 1022
21F2    
22G2    
23E32   
24F3 2  
25H33   
26G3 3  
27E44   
28F4 4  
29H45   
30G4 5  
31H56   
32F5 6  
33E57   
34G6 7  
35H68   
36F6 8  
37E69   
38G7 9  
39F7    
40G52020 1
 C8 12  
 B8 13  
 D712   
 C713   
 A714   
 B715   
 D616   
 C617   
 A618   
 B619   
 D5 16  
 D4 15  
 C5 14  
 C4 17  
 B3 18  
 E7 19  

AE-B64-SP2


Увеличить

DIP40/BGA64 специализированный адаптер для FLASH памяти.
Размеры корпуса микросхемы: 13.0 x 10.0 x 1.2 mm, 1.0 mm pitch.

Для просмотра списка микросхем, которые поддерживает программатор при наличии данного адаптера, выберите программатор из списка:


Таблица соединений адаптера:

DIP-40BGA-64U1, 74HC573U2, 74HC573C1, 150пФC2, 0.1мкФ
1D5,D6    
2B8    
3 11111 
4D4    
5     
6     
7G8    
8E8    
9A4    
10A3    
11C2    
12A2    
13D2    
14D1    
15C1    
16B1    
17A1    
18     
19H1    
20E6,F6,B2,H4,H61, 101, 1022
21B4    
22F8    
23F22   
24E1 2  
25E23   
26E3 3  
27G34   
28F3 4  
29E45   
30F4 5  
31E56   
32F5 6  
33G57   
34H5 7  
35G68   
36G7 8  
37H79   
38E7 9  
39F1    
40C6,H3,G4,A62020 1
 H8 12  
 G1 13  
 D712   
 C513   
 B514   
 A515   
 C416   
 D317   
 C318   
 B319   
 C7 16  
 C8 15  
 A8 14  
 B7 17  
 A7 18  
 D8 19  

AE-B64-SP3


Увеличить

DIP40/BGA64 специализированный адаптер для FLASH памяти.
Размеры корпуса микросхемы: 11.6 x 8.0 x 1.2 mm, 0.8 mm pitch.

Для просмотра списка микросхем, которые поддерживает программатор при наличии данного адаптера, выберите программатор из списка:


Таблица соединений адаптера:

DIP-40BGA-64U1, 74HC573U2, 74HC573C1, 150пФC2, 0.1мкФ
1     
2     
3 11111 
4D5    
5     
6     
7C6    
8E5    
9C5    
10C3    
11D3    
12E3    
13F3    
14D2    
15E2    
16F2    
17G2    
18     
19     
20G3,J91, 101, 1022
21H2    
22H3    
23J32   
24K3 2  
25G43   
26H4 3  
27K44   
28J4 4  
29H55   
30K5 5  
31H66   
32J7 6  
33K77   
34H7 7  
35G78   
36K8 8  
37J89   
38H8 9  
39     
40J5,J6,J22020 1
   12  
 F9 13  
 D912   
 F813   
 E814   
 D815   
 C816   
 F717   
 E718   
 C719   
 D7 16  
 E6 15  
 E9 14  
 E4 17  
 F4 18  
 G9 19  

AE-B64-SP4


Увеличить

DIP40/BGA64 специализированный адаптер для FLASH памяти.
Размеры корпуса микросхемы: 13.0 x 10.0 x 1.2 mm, 1.0 mm pitch.

Для просмотра списка микросхем, которые поддерживает программатор при наличии данного адаптера, выберите программатор из списка:


Таблица соединений адаптера:

DIP-40BGA-64U1, 74HC573U2, 74HC573C1, 150пФC2, 0.1мкФ
1G4    
2     
3 11111 
4D4    
5     
6     
7G8    
8B8    
9A4    
10A3    
11C2    
12A2    
13D2    
14D1    
15C1    
16B1    
17A1    
18     
19     
20B2,H4,H6,F1,H11, 101, 1022
21B4    
22F8    
23F22   
24E1 2  
25E23   
26E3 3  
27G34   
28F3 4  
29E45   
30F4 5  
31E56   
32F5 6  
33G57   
34H5 7  
35G68   
36G7 8  
37H79   
38E7 9  
39     
40H3,A62020 1
 H8 12  
 G1 13  
 D712   
 C513   
 B514   
 A515   
 C416   
 D317   
 C318   
 B319   
 C7 16  
 C8 15  
 A8 14  
 B7 17  
 A7 18  
 D8 19  

AE-B64-SP5


Увеличить

DIP40/BGA64 специализированный адаптер для FLASH памяти.
Размеры корпуса микросхемы: 9.0 x 9.0 x 1.4 mm, 1.0 mm pitch.

Для просмотра списка микросхем, которые поддерживает программатор при наличии данного адаптера, выберите программатор из списка:


Таблица соединений адаптера:

DIP-40BGA-64U1, 74HC573U2, 74HC573C1, 150пФC2, 0.1мкФ
1D8,F1    
2G1    
3 11111 
4B5    
5F8    
6G8    
7A5    
8A4    
9B4    
10A3    
11C3    
12D3    
13B2    
14A2    
15C2    
16D2    
17E2    
18B1    
19     
20H2,H7,E81, 101, 1022
21F2    
22G2    
23E32   
24F3 2  
25H33   
26G3 3  
27E44   
28F4 4  
29H45   
30G4 5  
31H56   
32F5 6  
33E57   
34G6 7  
35H68   
36F6 8  
37E69   
38G7 9  
39F7    
40G52020 1
 C8 12  
 B8 13  
 D712   
 C713   
 A714   
 B715   
 D616   
 C617   
 A618   
 B619   
 D5 16  
 D4 15  
 C5 14  
 C4 17  
 B3 18  
 E7 19  

AE-B84-SP1


Увеличить

DIP40/BGA84 специализированный адаптер для FLASH памяти.
Размеры корпуса микросхемы: 11.6 x 8.0 x 1.2 mm, 0.8 mm pitch.

Для просмотра списка микросхем, которые поддерживает программатор при наличии данного адаптера, выберите программатор из списка:


Таблица соединений адаптера:

DIP-40BGA-84U1, 74HC573U2, 74HC573C1, 150пФC2, 0.1мкФ
1     
2B5    
3 11111 
4D5    
5G8    
6     
7C6    
8E5    
9C5    
10C3    
11D3    
12E3    
13F3    
14D2    
15E2    
16F2    
17G2    
18     
19C2    
20G3,J9,B2,B41, 101, 1022
21H2    
22H3    
23J32   
24K3 2  
25G43   
26H4 3  
27K44   
28J4 4  
29H55   
30K5 5  
31H66   
32J7 6  
33K77   
34H7 7  
35G78   
36K8 8  
37J89   
38H8 9  
39     
40J5,J6,L5,J22020 1
 F6 12  
 F9 13  
 D912   
 F813   
 E814   
 D815   
 C816   
 F717   
 E718   
 C719   
 D7 16  
 E6 15  
 E9 14  
 E4 17  
 F4 18  
 G9 19  

AE-B84-SP3


Увеличить

DIP40/BGA84 специализированный адаптер для FLASH памяти.
Размеры корпуса микросхемы: 11.6 x 8.0 x 1.0 mm, 0.8 mm pitch.

Для просмотра списка микросхем, которые поддерживает программатор при наличии данного адаптера, выберите программатор из списка:


Таблица соединений адаптера:

DIP-40BGA-84U1, 74HC573U2, 74HC573C1, 150пФC2, 0.1мкФ
1L8    
2B5    
3 11111 
4D5    
5G8    
6     
7C6    
8E5    
9C5    
10C3    
11D3    
12E3    
13F3    
14D2    
15E2    
16F2    
17G2    
18     
19     
20B2,B3,B4,G3,J9,L41, 101, 1022
21H2    
22H3    
23J32   
24K3 2  
25G43   
26H4 3  
27K44   
28J4 4  
29H55   
30K5 5  
31H66   
32J7 6  
33K77   
34H7 7  
35G78   
36K8 8  
37J89   
38H8 9  
39     
40B6,J5,L5,J2,J62020 1
 F6 12  
 F9 13  
 D912   
 F813   
 E814   
 D815   
 C816   
 F717   
 E718   
 C719   
 D7 16  
 E6 15  
 E9 14  
 E4 17  
 F4 18  
 G9 19  

AE-B88-NM1


Увеличить

DIP40/BGA88 специализированный адаптер для FLASH памяти.
Размеры корпуса микросхемы: 11.0 x 8.0 x 1.2(1.0) mm, 0.8 mm pitch.

Для просмотра списка микросхем, которые поддерживает программатор при наличии данного адаптера, выберите программатор из списка:


Таблица соединений адаптера:

DIP-40BGA-64U1, 74HC573U2, 74HC573C1, 150пФC2, 0.1мкФ
1L3,K7,J8    
2G8    
3 11111 
4F4    
5D3    
6     
7F5    
8G7    
9D4    
10E2    
11F2    
12C1    
13B1    
14D1    
15E1    
16F1    
17G1    
18     
19H8    
20L1,L2,L5,L6,L7,L8,B4,C4,E5,C61, 101, 1022
21K1    
22J2    
23H22   
24G2 2  
25H33   
26J3 3  
27G34   
28G4 4  
29H45   
30J4 5  
31J56   
32H5 6  
33G57   
34G6 7  
35J68   
36H6 8  
37H79   
38J7 9  
39     
40L4,B5,B6,K6,E42020 1
 C3 12  
 C7 13  
 E812   
 F713   
 D814   
 C815   
 B816   
 E717   
 D718   
 F619   
 B3 16  
 E6 15  
 B7 14  
 B2 17  
 D2 18  
 F8 19  

AE-D28-32


Увеличить

DIP32/DIP28 специализированный адаптер для EPROM/FLASH памяти.

Для просмотра списка микросхем, которые поддерживает программатор при наличии данного адаптера, выберите программатор из списка:


Таблица соединений адаптера:

DIP-32DIP-28
11
42
53
64
75
86
97
108
119
1210
1311
1412
1513
1614
1715
1816
1917
2018
2119
2220
2321
2422
2523
2624
2725
2826
2927
3228

AE-D48-D40-16


Увеличить

DIP40/DIP48 специализированный адаптер для EPROM/FLASH памяти.

Для просмотра списка микросхем, которые поддерживает программатор при наличии данного адаптера, выберите программатор из списка:


Таблица соединений адаптера:

DIP-40DIP-4874HC573C1, 150пФC2, 0.1мкФ
11   
22   
33   
44   
55   
66   
77   
88   
993  
10102  
3011   
2012   
2913   
1114   
1215   
1316   
1417   
1518   
1619   
1720   
1821   
 22   
 23   
 24   
 25   
 26   
 27   
402820 2
2129   
2230   
2331   
2432   
2533   
2634   
2735   
2836   
20371,1011
 3818  
3139   
3240   
3341   
3442   
3543   
3644   
3745   
3846   
3947   
 4819  
19 112 

AE-D48-D40-16A


Увеличить

DIP40/DIP48 специализированный адаптер для EPROM/FLASH памяти.

Для просмотра списка микросхем, которые поддерживает программатор при наличии данного адаптера, выберите программатор из списка:


Таблица соединений адаптера:

DIP-40DIP-4874AHC573C1, 150пФC2, 0.1мкФ
138   
 119  
22   
33   
44   
55   
66   
77   
88   
993  
10102  
3011   
2012   
2913   
1114   
1215   
1316   
1417   
1518   
1619   
1720   
1821   
 22   
 23   
 24   
 25   
 26   
 27   
402820 2
2129   
2230   
2331   
2432   
2533   
2634   
2735   
2836   
20371,1011
3139   
3240   
3341   
3442   
3543   
3644   
3745   
3846   
3947   
 4818  
19 112 

AE-ISP-ARM


Увеличить

DIP28/BH20 специализированный адаптер для программирования микроконтроллеров ARM/Cortex в устройстве пользователя.

Для просмотра списка микросхем, которые поддерживает программатор при наличии данного адаптера, выберите программатор из списка:


Таблица соединений адаптера:

DIP-28BH-1074AHC12674AHC126C1, 0.1мкф
11,23  
256  
3138  
4-   
5,144,6,8,10,12,14,16,18,2077,12,131
6 2  
7 1  
8 5  
9 14142
10 9  
11 10  
12 12  
13 13  
15 4  
16  2 
17  1 
18  5 
19  4 
20  9 
21  10 
22    
2415 3 
25-   
263 6 
277 8 
28911  

1. Нагрузочная способность программатора:
   1.1 по цепи питания - 80 mA;
   1.2 по напряжению программирования - 50 mA;
   1.3 по логическим выходам - 5 mA.
2. Длина кабеля должна быть не более 30 см.

Подсоединение к AE-ISP-ARM для микроконтроллеров семейства ARM/Cortex

Подсоединение к AE-ISP-ARM для микроконтроллеров семейства ARM/Cortex

Для просмотра списка микросхем, которые поддерживает программатор при наличии данного адаптера, выберите программатор из списка:

Схема подсоединения к адаптеру:

Подача питания на устройство пользователя может подаваться как от программатора, так и от внешнего источника питания. При подаче питания от внешнего источника, питание от программатора не должно подаваться на программируемое устройство.

Резисторы R1..R6 предназначены для изолирования программатора от устройства пользователя. Номинал этих резисторов должен быть не меньше 2к. Вместо резисторов можно использовать джамперы.


Таблица подсоединений выходного разъема адаптера к выводам микросхемы:

Выходной разъем адаптера, BH-20Микросхема ARM
1VCC
2VCC
3TRST
4GND
5TDI
6GND
7TMS
8GND
9TCK
10GND
11-
12GND
13TDO
14GND
15RESET
16GND
17-
18GND
19-
20GND

AE-ISP-MSP430


Увеличить

DIP28/BH16 специализированный адаптер для программирования микроконтроллеров семейства MSP430 в устройстве пользователя с помощью JTAG интерфейса.

Для просмотра списка микросхем, которые поддерживает программатор при наличии данного адаптера, выберите программатор из списка:


Таблица соединений адаптера:

DIP-28BH-1474AHC12674AHC126C1, 0.1мкф
1,2373  
236  
358  
41   
5,14977,12,131
6 2  
7 1  
8 5  
9 14142
10 9  
11 10  
12 12  
13 13  
15 4  
16  2 
17  1 
18  5 
19  4 
20  9 
21  10 
22    
2411 3 
258   
266 6 
274 8 
28211  

1. Нагрузочная способность программатора:
   1.1 по цепи питания - 80 mA;
   1.2 по напряжению программирования - 50 mA;
   1.3 по логическим выходам - 5 mA.
2. Длина кабеля должна быть не более 30 см.

Подсоединение к адаптеру AE-ISP-MSP430 для Texas Instruments MSP430Fxxx в режиме JTAG
Подсоединение к адаптеру AE-ISP-MSP430 для Texas Instruments MSP430Fxxx в режиме SBW

Подсоединение к адаптеру AE-ISP-MSP430 для Texas Instruments MSP430Fxxx в режиме JTAG

Для просмотра списка микросхем, которые поддерживает программатор при наличии данного адаптера, выберите программатор из списка:

Подача питания на устройство пользователя может подаваться как от программатора, так и от внешнего источника питания. При подаче питания от внешнего источника, питание от программатора не должно подаваться на программируемое устройство.

Резисторы R1..R6 предназначены для изолирования программатора от устройства пользователя. Номинал этих резисторов должен быть не меньше 2к. Вместо резисторов можно использовать джамперы.


Таблица подсоединений выходного разъема адаптера к выводам микросхемы:

Adapter Output connector, BH-14Target Device MSP430Fxxx
1TDO
2VCC
3TDI
4-
5TMS
6-
7TCK
8TEST*
9GND
10-
11NRST
12-
13-
14-

* - Некоторые микроконтроллеры не имеют сигнал TEST.

Подсоединение к адаптеру AE-ISP-MSP430 для Texas Instruments MSP430Fxxx в режиме SBW

Для просмотра списка микросхем, которые поддерживает программатор при наличии данного адаптера, выберите программатор из списка:

Подача питания на устройство пользователя может подаваться как от программатора, так и от внешнего источника питания. При подаче питания от внешнего источника, питание от программатора не должно подаваться на программируемое устройство.

Резисторы R1..R2 предназначены для изолирования программатора от устройства пользователя. Номинал этих резисторов должен быть не меньше 2к. Вместо резисторов можно использовать джамперы.


Таблица подсоединений выходного разъема адаптера к выводам микросхемы:

Adapter Output connector, BH-14Target Device MSP430F2xxx
1-
2VCC
3-
4-
5-
6-
7-
8TEST/SBWTCK
9GND
10-
11RST/SBWTDIO
12-
13-
14-

AE-ISP-NEC


Увеличить

DIP28/BH16 специализированный адаптер для программирования микроконтроллеров фирмы NEC в устройстве пользователя.

Для просмотра списка микросхем, которые поддерживает программатор при наличии данного адаптера, выберите программатор из списка:


Таблица соединений адаптера:

DIP-28BH-1674AHC12674AHC126C1, 0.1мкф
123  
236  
348  
412   
5177,12,131
6 2  
7 1  
8 5  
9 14142
10 9  
11 10  
12 12  
13 13  
14    
15 4  
16  2 
17  1 
18  5 
19  4 
20  9 
21  10 
22    
23    
249 3 
2514   
268 6 
277 8 
28511  

1. Нагрузочная способность программатора:
   1.1 по цепи питания - 80 mA;
   1.2 по напряжению программирования - 50 mA;
   1.3 по логическим выходам - 5 mA.
2. Длина кабеля должна быть не более 30 см.

Подсоединение к адаптеру AE-ISP-NEC для NEC микроконтроллеров по однопроводному UART
Подсоединение к адаптеру AE-ISP-NEC для NEC микроконтроллеров по протоколу SPI
Подсоединение к адаптеру AE-ISP-NEC для NEC микроконтроллеров по протоколу UART

Подсоединение к адаптеру AE-ISP-NEC для NEC микроконтроллеров по однопроводному UART

Для просмотра списка микросхем, которые поддерживает программатор при наличии данного адаптера, выберите программатор из списка:

Подача питания на устройство пользователя может подаваться как от программатора, так и от внешнего источника питания. При подаче питания от внешнего источника, питание от программатора не должно подаваться на программируемое устройство.

Резисторы R1..R6 предназначены для изолирования программатора от устройства пользователя. Номинал этих резисторов должен быть не меньше 2к. Вместо резисторов можно использовать джамперы.


Таблица подсоединений выходного разъема адаптера к выводам микросхемы:

Adapter output connector BH16One Wire UART protocol device target
1GND
2RESET
3 
4Vdd
5TOOL0
6 
7 
8 
9CLK
10 
11 
12FLMD1
13 
14FLMD0
15 
16 

Подсоединение к адаптеру AE-ISP-NEC для NEC микроконтроллеров по протоколу SPI

Для просмотра списка микросхем, которые поддерживает программатор при наличии данного адаптера, выберите программатор из списка:

Подача питания на устройство пользователя может подаваться как от программатора, так и от внешнего источника питания. При подаче питания от внешнего источника, питание от программатора не должно подаваться на программируемое устройство.

Резисторы R1..R8 предназначены для изолирования программатора от устройства пользователя. Номинал этих резисторов должен быть не меньше 2к. Вместо резисторов можно использовать джамперы.


Таблица подсоединений выходного разъема адаптера к выводам микросхемы:

Adapter output connector BH16SPI protocol device target
1GND
2RESET
3SI
4Vdd
5SO
6 
7SCK
8H/S
9CLK
10 
11 
12FLMD1
13 
14FLMD0
15 
16 

Подсоединение к адаптеру AE-ISP-NEC для NEC микроконтроллеров по протоколу UART

Для просмотра списка микросхем, которые поддерживает программатор при наличии данного адаптера, выберите программатор из списка:

Подача питания на устройство пользователя может подаваться как от программатора, так и от внешнего источника питания. При подаче питания от внешнего источника, питание от программатора не должно подаваться на программируемое устройство.

Резисторы R1..R5 предназначены для изолирования программатора от устройства пользователя. Номинал этих резисторов должен быть не меньше 2к. Вместо резисторов можно использовать джамперы.


Таблица подсоединений выходного разъема адаптера к выводам микросхемы:

Adapter output connector BH16UART protocol device target
1GND
2RESET
3RXD
4Vdd
5TXD
6 
7 
8 
9CLK
10 
11 
12FLMD1
13 
14FLMD0
15 
16 

AE-ISP-ST7


Увеличить

DIP28/BH10 специализированный адаптер для программирования микроконтроллеров семейства ST7 и ST8 в устройстве пользователя.

Для просмотра списка микросхем, которые поддерживает программатор при наличии данного адаптера, выберите программатор из списка:


Таблица соединений адаптера:

DIP-28BH-1074AHC12674AHC126C1, 0.1мкфR1, 510
113  1
236  2
358   
47    
59 11  
6 2   
7 1   
8 5   
9 14141 
10 9   
11 10   
12 12   
13 13   
14 772 
15 4   
16  2  
17  1  
18  5  
19  4  
20  9  
21  10  
22  12  
2410 3  
23  13  
258    
266 6  
274 8  
28211   
Подсоединение к адаптеру AE-ISP-ST7 для микросхем ST7
Подсоединение к адаптеру AE-ISP-ST7 для микросхем STM8

Подсоединение к адаптеру AE-ISP-ST7 для микросхем ST7

Для просмотра списка микросхем, которые поддерживает программатор при наличии данного адаптера, выберите программатор из списка:

Recommended connection:

Подача питания на устройство пользователя может подаваться как от программатора, так и от внешнего источника питания. При подаче питания от внешнего источника, питание от программатора не должно подаваться на программируемое устройство.

Резисторы R1..R4 предназначены для изолирования программатора от устройства пользователя. Номинал этих резисторов должен быть не меньше 2к. Вместо резисторов можно использовать джамперы.


Таблица подсоединений выходного разъема адаптера к выводам микросхемы:

Выходной разъем адаптера, BH-10Микросхема ST7
1GND
3-
5-
7VDD
9OSC1*
10GND
8ICCSEL/VPP
6RESET
4ICCCLK
2ICCDATA

* Подсоединяется при отсутствии внешнего генератора в устройстве пользователя.

Подсоединение к адаптеру AE-ISP-ST7 для микросхем STM8

Для просмотра списка микросхем, которые поддерживает программатор при наличии данного адаптера, выберите программатор из списка:

Recommended connection:

Подача питания на устройство пользователя может подаваться как от программатора, так и от внешнего источника питания. При подаче питания от внешнего источника, питание от программатора не должно подаваться на программируемое устройство.

Резисторы R1..R2 предназначены для изолирования программатора от устройства пользователя. Номинал этих резисторов должен быть не меньше 2к. Вместо резисторов можно использовать джамперы.


Таблица подсоединений выходного разъема адаптера к выводам микросхемы:

Выходной разъем адаптера, BH-10Микросхема STM8
1VDD
3SWIM
5GND
7RESET
9-
10-
8-
6-
4-
2-

AE-ISP-U1


Увеличить

DIP28/BH10 универсальный адаптер для программирования микрокосхем в устройстве пользователя.

Для просмотра списка микросхем, которые поддерживает программатор при наличии данного адаптера, выберите программатор из списка:


Таблица соединений адаптера:

DIP-28BH-1074AHC12674AHC126C1, 0.1мкф
1,2313  
236  
358  
47   
5,14971,2,71
6 2  
7 1  
8 5  
9 14142
10 9  
11 10  
12 12  
13 13  
15 4  
16  5 
17  4 
18  9 
19  10 
20  12 
21  13 
22    
2410 6 
258   
266 8 
274 11 
28211  

1. Нагрузочная способность программатора:
   1.1 по цепи питания - 80 mA;
   1.2 по напряжению программирования - 50 mA;
   1.3 по логическим выходам - 5 mA.
2. Длина кабеля должна быть не более 30 см.

Подсоединение к адаптеру AE-ISP-U1 для 24xx
Подсоединение к адаптеру AE-ISP-U1 для 25xxx
Подсоединение к адаптеру AE-ISP-U1 для 93xx
Подсоединение к адаптеру AE-ISP-U1 для Atmel AT45xxx
Подсоединение к адаптеру AE-ISP-U1 для AT89LP21x
Подсоединение к адаптеру AE-ISP-U1 для AT90/ATS89S/ATtiny/ATmega
Подсоединение к адаптеру AE-ISP-U1 для ATTINY10 в режиме TPI
Подсоединение к адаптеру AE-ISP-U1 для ATXMega в режиме PDI
Подсоединение к адаптеру AE-ISP-U1 для ATmega103/128/1281/2561/64 AT90CAN128
Подсоединение к адаптеру AE-ISP-U1 для ATtiny in High-Voltage Mode
Подсоединение к адаптеру AE-ISP-U1 для Cypress CY8C2xxxx
Подсоединение к адаптеру AE-ISP-U1 для Dallas iButton
Подсоединение к адаптеру AE-ISP-U1 для Dallas/Maxim DS89C420/430/440/450
Подсоединение к адаптеру AE-ISP-U1 для Freescale HCS08, HCS12
Подсоединение к адаптеру AE-ISP-U1 для Freescale MC68HC908JK1
Подсоединение к адаптеру AE-ISP-U1 для Infineon XC886/888CLM, XE164/167
Подсоединение к адаптеру AE-ISP-U1 для Microchip HCS101/HCS201/HCS360/HCS361/HCS362
Подсоединение к адаптеру AE-ISP-U1 для Microchip HCS200/HCS300/HCS301/HCS320
Подсоединение к адаптеру AE-ISP-U1 для Microchip MC250XX
Подсоединение к адаптеру AE-ISP-U1 для Microchip PIC10/PIC12
Подсоединение к адаптеру AE-ISP-U1 для Microchip PIC16/PIC18
Подсоединение к адаптеру AE-ISP-U1 для Microchip PIC16C505
Подсоединение к адаптеру AE-ISP-U1 для Microchip PIC16Fxxx, 14..20 pins
Подсоединение к адаптеру AE-ISP-U1 для Microchip PIC17xxx
Подсоединение к адаптеру AE-ISP-U1 для Microchip PIC18FxxJ
Подсоединение к адаптеру AE-ISP-U1 для Microchip PIC24
Подсоединение к адаптеру AE-ISP-U1 для Microchip dsPIC30F
Подсоединение к адаптеру AE-ISP-U1 для Microchip dsPIC33FJ
Подсоединение к адаптеру AE-ISP-U1 для NEC UPD78F9210,UPD78F9211
Подсоединение к адаптеру AE-ISP-U1 для NVM3060
Подсоединение к адаптеру AE-ISP-U1 для NXP/Philips LPC2100/LPC2200 в режиме ISP
Подсоединение к адаптеру AE-ISP-U1 для NXP/Philips LPC2300/LPC2400 в режиме ISP
Подсоединение к адаптеру AE-ISP-U1 для NXP/Philips P89LPC9xx в режиме ISP
Подсоединение к адаптеру AE-ISP-U1 для NXP/Philips P89xxx в режиме ICP
Подсоединение к адаптеру AE-ISP-U1 для SST SST26xx
Подсоединение к адаптеру AE-ISP-U1 для STMicroelectronics M35080
Подсоединение к адаптеру AE-ISP-U1 для STMicroelectronics M45Pxxx
Подсоединение к адаптеру AE-ISP-U1 для STMicroelectronics STM32 в режиме BootLoader (BL)
Подсоединение к адаптеру AE-ISP-U1 для TI MSP430 с выводом TEST в режиме BSL
Подсоединение к адаптеру AE-ISP-U1 для TI MSP430F13x/14x в режиме BSL
Подсоединение к адаптеру AE-ISP-U1 для TI MSP430F4xx в режиме BSL
Подсоединение к адаптеру AE-ISP-U1 для Zilog Z8F

Подсоединение к адаптеру AE-ISP-U1 для 24xx

Для просмотра списка микросхем, которые поддерживает программатор при наличии данного адаптера, выберите программатор из списка:

Схема подсоединения к адаптеру:

Подача питания на устройство пользователя может подаваться как от программатора, так и от внешнего источника питания. При подаче питания от внешнего источника, питание от программатора не должно подаваться на программируемое устройство.

Резисторы R1..R6 предназначены для изолирования программатора от устройства пользователя. Номинал этих резисторов должен быть не меньше 2к. Вместо резисторов можно использовать джамперы.


Таблица подсоединений выходного разъема адаптера к выводам микросхемы:

Выходной разъем адаптера, BH-10Микросхема 24xx
11
38
57
7-
94
105
8-
66
42
23

Подсоединение к адаптеру AE-ISP-U1 для 25xxx

Для просмотра списка микросхем, которые поддерживает программатор при наличии данного адаптера, выберите программатор из списка:

Схема подсоединения к адаптеру:

Подача питания на устройство пользователя может подаваться как от программатора, так и от внешнего источника питания. При подаче питания от внешнего источника, питание от программатора не должно подаваться на программируемое устройство.

Резисторы R1..R6 предназначены для изолирования программатора от устройства пользователя. Номинал этих резисторов должен быть не меньше 2к. Вместо резисторов можно использовать джамперы.


Таблица подсоединений выходного разъема адаптера к выводам микросхемы:

Выходной разъем адаптера, BH-10Микросхема AT26xxxМикросхема 25xxx, корпус 8 выводовМикросхема 25xxx, корпус 16 выводов
1117
3882
5339
7---
94410
105515
8228
66616
4771
2---

Подсоединение к адаптеру AE-ISP-U1 для 93xx

Для просмотра списка микросхем, которые поддерживает программатор при наличии данного адаптера, выберите программатор из списка:

Схема подсоединения к адаптеру:

Подача питания на устройство пользователя может подаваться как от программатора, так и от внешнего источника питания. При подаче питания от внешнего источника, питание от программатора не должно подаваться на программируемое устройство.

Резисторы R1..R6 предназначены для изолирования программатора от устройства пользователя. Номинал этих резисторов должен быть не меньше 2к. Вместо резисторов можно использовать джамперы.


Таблица подсоединений выходного разъема адаптера к выводам микросхемы:

Выходной разъем адаптера, BH-10Микросхема 93xx
1DO
3CLK
5ORG*
7-
9GND
10PE*
8-
6CS
4DI
2Vcc

* Подсоединяется при отсутствии соединения в устройстве пользователя.

Подсоединение к адаптеру AE-ISP-U1 для Atmel AT45xxx

Для просмотра списка микросхем, которые поддерживает программатор при наличии данного адаптера, выберите программатор из списка:

Схема подсоединения к адаптеру:

Подача питания на устройство пользователя может подаваться как от программатора, так и от внешнего источника питания. При подаче питания от внешнего источника, питание от программатора не должно подаваться на программируемое устройство.

Резисторы R1..R6 предназначены для изолирования программатора от устройства пользователя. Номинал этих резисторов должен быть не меньше 2к. Вместо резисторов можно использовать джамперы.
Конденсатор C2 необходимо устанавливать на устройстве пользователя между выводом CS и землей в случае нестабильной работы с микросхемой.


Таблица подсоединений выходного разъема адаптера к выводам микросхемы:

Выходной разъем адаптера, BH-10Микросхема AT45xxx
1CS
3VCC
5WP
7 
9GND
10SI
8SO
6SCK
4RESET
2GND

Подсоединение к адаптеру AE-ISP-U1 для AT89LP21x

Для просмотра списка микросхем, которые поддерживает программатор при наличии данного адаптера, выберите программатор из списка:

Схема подсоединения к адаптеру:

Подача питания на устройство пользователя может подаваться как от программатора, так и от внешнего источника питания. При подаче питания от внешнего источника, питание от программатора не должно подаваться на программируемое устройство.

Резисторы R2,R3 предназначены для изолирования программатора от устройства пользователя. Номинал этих резисторов должен быть не меньше 2к. Вместо резисторов можно использовать джамперы.


Таблица подсоединений выходного разъема адаптера к выводам микросхемы:

Выходной разъем адаптера, BH-10Микросхема AT89LP21x
1MISO
3SCK
5RESET
7-
9GND
10SS
8-
6-
4MOSI
2Vcc

Подсоединение к адаптеру AE-ISP-U1 для AT90/ATS89S/ATtiny/ATmega

Для просмотра списка микросхем, которые поддерживает программатор при наличии данного адаптера, выберите программатор из списка:

Схема подсоединения к адаптеру:

Подача питания на устройство пользователя может подаваться как от программатора, так и от внешнего источника питания. При подаче питания от внешнего источника, питание от программатора не должно подаваться на программируемое устройство.

Резисторы R1..R4 предназначены для изолирования программатора от устройства пользователя. Номинал этих резисторов должен быть не меньше 2к. Вместо резисторов можно использовать джамперы.


Таблица подсоединений выходного разъема адаптера к выводам микросхемы:

Выходной разъем адаптера, BH-10Микросхема AT90/AT89S (кроме AT90CAN128), ATtinyXX, ATmegaXXXX (кроме ATmega103, ATmega128, AT90CAN128, ATMega1281, ATMega2561, ATMega64)
1MISO
3SCK
5RESET
7-
9GND
10XTAL1*
8-
6-
4MOSI
2Vcc

* Подсоединяется при отсутствии внешнего генератора в устройстве пользователя.

Подсоединение к адаптеру AE-ISP-U1 для ATTINY10 в режиме TPI

Для просмотра списка микросхем, которые поддерживает программатор при наличии данного адаптера, выберите программатор из списка:

Схема подсоединения к адаптеру:

Подача питания на устройство пользователя может подаваться как от программатора, так и от внешнего источника питания. При подаче питания от внешнего источника, питание от программатора не должно подаваться на программируемое устройство.

Резисторы R1..R3 предназначены для изолирования программатора от устройства пользователя. Номинал этих резисторов должен быть не меньше 2к. Вместо резисторов можно использовать джамперы.


Таблица подсоединений выходного разъема адаптера к выводам микросхемы:

Выходной разъем адаптера, BH-10Микросхема ATtinyXX, высоковольтный режим
1-
2-
3DATA
4VCC
5CLOCK
6-
7RESET
8GND
9-
10-

Подсоединение к адаптеру AE-ISP-U1 для ATXMega в режиме PDI

Для просмотра списка микросхем, которые поддерживает программатор при наличии данного адаптера, выберите программатор из списка:

Схема подсоединения к адаптеру:

Подача питания на устройство пользователя может подаваться как от программатора, так и от внешнего источника питания. При подаче питания от внешнего источника, питание от программатора не должно подаваться на программируемое устройство.

Резисторы R1..R2 предназначены для изолирования программатора от устройства пользователя. Номинал этих резисторов должен быть не меньше 2к. Вместо резисторов можно использовать джамперы.


Таблица подсоединений выходного разъема адаптера к выводам микросхемы:

Выходной разъем адаптера, BH-10Микросхема ATtinyXX, высоковольтный режим
1DATA
2Vcc
3-
4-
5CLOCK
6GND
7-
8-
9-
10-

Подсоединение к адаптеру AE-ISP-U1 для ATmega103/128/1281/2561/64 AT90CAN128

Для просмотра списка микросхем, которые поддерживает программатор при наличии данного адаптера, выберите программатор из списка:

Схема подсоединения к адаптеру:

Подача питания на устройство пользователя может подаваться как от программатора, так и от внешнего источника питания. При подаче питания от внешнего источника, питание от программатора не должно подаваться на программируемое устройство.

Резисторы R1..R4 предназначены для изолирования программатора от устройства пользователя. Номинал этих резисторов должен быть не меньше 2к. Вместо резисторов можно использовать джамперы.


Таблица подсоединений выходного разъема адаптера к выводам микросхемы:

Выходной разъем адаптера, BH-10Микросхема ATmega103, ATmega128, AT90CAN128, ATMega1281, ATMega2561, ATMega64
1TXD
3SCK
5RESET
7-
9GND
10XTAL1*
8-
6-
4RXD
2Vcc

* Подсоединяется при отсутствии внешнего генератора в устройстве пользователя.

Подсоединение к адаптеру AE-ISP-U1 для ATtiny in High-Voltage Mode

Для просмотра списка микросхем, которые поддерживает программатор при наличии данного адаптера, выберите программатор из списка:

Схема подсоединения к адаптеру:

Подача питания на устройство пользователя может подаваться как от программатора, так и от внешнего источника питания. При подаче питания от внешнего источника, питание от программатора не должно подаваться на программируемое устройство.

Резисторы R1..R5 предназначены для изолирования программатора от устройства пользователя. Номинал этих резисторов должен быть не меньше 2к. Вместо резисторов можно использовать джамперы.


Таблица подсоединений выходного разъема адаптера к выводам микросхемы:

Выходной разъем адаптера, BH-10Микросхема ATtinyXX, высоковольтный режим
1PB1
3PB2
5-
7PB5
9GND
10PB3
8-
6-
4PB0
2Vcc

Подсоединение к адаптеру AE-ISP-U1 для Cypress CY8C2xxxx

Для просмотра списка микросхем, которые поддерживает программатор при наличии данного адаптера, выберите программатор из списка:

Схема подсоединения к адаптеру:

Подача питания на устройство пользователя может подаваться как от программатора, так и от внешнего источника питания. При подаче питания от внешнего источника, питание от программатора не должно подаваться на программируемое устройство.

Резисторы R1..R3 предназначены для изолирования программатора от устройства пользователя. Номинал этих резисторов должен быть не меньше 2к. Вместо резисторов можно использовать джамперы.


Таблица подсоединений выходного разъема адаптера к выводам микросхемы:

Выходной разъем адаптера, BH-10Микросхема CY8C2xxxx
1 
2DATA
3 
4SCLK
5 
6Xres
7 
8GND
9 
10Vcc

Подсоединение к адаптеру AE-ISP-U1 для Dallas iButton

Для просмотра списка микросхем, которые поддерживает программатор при наличии данного адаптера, выберите программатор из списка:

Схема подсоединения к адаптеру:

Подача питания на устройство пользователя может подаваться как от программатора, так и от внешнего источника питания. При подаче питания от внешнего источника, питание от программатора не должно подаваться на программируемое устройство.

Резистор R1 предназначены для изолирования программатора от устройства пользователя. Номинал этого резистора должен быть не меньше 2к. Вместо резистора можно использовать джампер.


Таблица подсоединений выходного разъема адаптера к выводам микросхемы:

Выходной разъем адаптера, BH-10Микросхема AT26xxxTagret Device OneWire
1 Vcc
3  
5  
7  
9GndGnd
10  
8  
6  
4IODQ
2  

Подсоединение к адаптеру AE-ISP-U1 для Dallas/Maxim DS89C420/430/440/450

Для просмотра списка микросхем, которые поддерживает программатор при наличии данного адаптера, выберите программатор из списка:

Схема подсоединения к адаптеру:

Подача питания на устройство пользователя может подаваться как от программатора, так и от внешнего источника питания. При подаче питания от внешнего источника, питание от программатора не должно подаваться на программируемое устройство.

Резисторы R1..R6 предназначены для изолирования программатора от устройства пользователя. Номинал этих резисторов должен быть не меньше 2к. Вместо резисторов можно использовать джамперы.


Таблица подсоединений выходного разъема адаптера к выводам микросхемы:

Выходной разъем адаптера, BH-10Target Device DS89C4x0
140
311
531
7-
920
109
8-
619
410
229

Подсоединение к адаптеру AE-ISP-U1 для Freescale HCS08, HCS12

Для просмотра списка микросхем, которые поддерживает программатор при наличии данного адаптера, выберите программатор из списка:

Схема подсоединения к адаптеру:

Подача питания на устройство пользователя может подаваться как от программатора, так и от внешнего источника питания. При подаче питания от внешнего источника, питание от программатора не должно подаваться на программируемое устройство.

Резисторы R1..R2 предназначены для изолирования программатора от устройства пользователя. Номинал этих резисторов должен быть не меньше 2к. Вместо резисторов можно использовать джамперы.


Таблица подсоединений выходного разъема адаптера к выводам микросхемы:

Выходной разъем адаптера, BH-10Микросхема HCS08, HCS12
1BKGD
2GND
3-
4RESET
5-
6VDD
7-
8-
9-
10 

Подсоединение к адаптеру AE-ISP-U1 для Freescale MC68HC908JK1

Для просмотра списка микросхем, которые поддерживает программатор при наличии данного адаптера, выберите программатор из списка:

Схема подсоединения к адаптеру:

Подача питания на устройство пользователя может подаваться как от программатора, так и от внешнего источника питания. При подаче питания от внешнего источника, питание от программатора не должно подаваться на программируемое устройство.

Резисторы R1..R6 предназначены для изолирования программатора от устройства пользователя. Номинал этих резисторов должен быть не меньше 2к. Вместо резисторов можно использовать джамперы.


Таблица подсоединений выходного разъема адаптера к выводам микросхемы:

Выходной разъем адаптера, BH-10Микросхема MC68HC908JK1
15
212
315
414
513
63
71
8-
92
1020

Подсоединение к адаптеру AE-ISP-U1 для Infineon XC886/888CLM, XE164/167

Для просмотра списка микросхем, которые поддерживает программатор при наличии данного адаптера, выберите программатор из списка:

Схема подсоединения к адаптеру:

Подача питания на устройство пользователя может подаваться как от программатора, так и от внешнего источника питания. При подаче питания от внешнего источника, питание от программатора не должно подаваться на программируемое устройство.

Резисторы R1..R5 предназначены для изолирования программатора от устройства пользователя. Номинал этих резисторов должен быть не меньше 2к. Вместо резисторов можно использовать джамперы.


Таблица подсоединений выходного разъема адаптера к выводам микросхемы:

Выходной разъем адаптера, BH-10Микросхема XC886/888CLMМикросхема XE164/167, корпус 100/144 выводовМикросхема XE164/167, корпус 64 вывода
1VDDPVDDPVDDP
3TXDP7.3 (TxD)P2.3 (TxD)
5TMSP10.1P10.1
7-  
9GNDGNDGND
10-P10.2P10.2
8-  
6RESETPORSTPORST
4RXDP7.4 (RxD)P2.4 (RxD)
2MBCP10.0P10.0

Подсоединение к адаптеру AE-ISP-U1 для Microchip HCS101/HCS201/HCS360/HCS361/HCS362

Для просмотра списка микросхем, которые поддерживает программатор при наличии данного адаптера, выберите программатор из списка:

Схема подсоединения к адаптеру:

Подача питания на устройство пользователя может подаваться как от программатора, так и от внешнего источника питания. При подаче питания от внешнего источника, питание от программатора не должно подаваться на программируемое устройство.

Резисторы R1..R3 предназначены для изолирования программатора от устройтсва пользователя. Номинал этих резисторов должен быть не меньше 2к. Вместо резисторов можно использовать джамперы.


Таблица подсоединений выходного разъема адаптера к выводам микросхемы:

Выходной разъем адаптера, BH-10Микросхема HCS101Микросхема HCS201Микросхема HCS360Микросхема HCS361Микросхема HCS362
1VddVddVddVddVdd
2VssVssVssVssVss
3S2S2S2S2S2
4     
5S1S1S1S1S1
6     
7     
8     
9     
10DataDataDataDataData

Подсоединение к адаптеру AE-ISP-U1 для Microchip HCS200/HCS300/HCS301/HCS320

Для просмотра списка микросхем, которые поддерживает программатор при наличии данного адаптера, выберите программатор из списка:

Схема подсоединения к адаптеру:

Подача питания на устройство пользователя может подаваться как от программатора, так и от внешнего источника питания. При подаче питания от внешнего источника, питание от программатора не должно подаваться на программируемое устройство.

Резисторы R1..R3 предназначены для изолирования программатора от устройтсва пользователя. Номинал этих резисторов должен быть не меньше 2к. Вместо резисторов можно использовать джамперы.


Таблица подсоединений выходного разъема адаптера к выводам микросхемы:

Выходной разъем адаптера, BH-10Микросхема HCS200Микросхема HCS300Микросхема HCS301Микросхема HCS320
1VddVddVddVdd
2VssVssVssVss
3S2S2S2S2
4    
5S1S1S1S1
6    
7    
8    
9    
10PWMPWMPWMPWM

Подсоединение к адаптеру AE-ISP-U1 для Microchip MC250XX

Для просмотра списка микросхем, которые поддерживает программатор при наличии данного адаптера, выберите программатор из списка:

Схема подсоединения к адаптеру:

Подача питания на устройство пользователя может подаваться как от программатора, так и от внешнего источника питания. При подаче питания от внешнего источника, питание от программатора не должно подаваться на программируемое устройство.

Резисторы R2,R3 предназначены для изолирования программатора от устройтсва пользователя. Номинал этих резисторов должен быть не меньше 2к. Вместо резисторов можно использовать джамперы.


Таблица подсоединений выходного разъема адаптера к выводам микросхемы:

Выходной разъем адаптера, BH-10Микросхема MCP250XX
1Vdd
3CLOCK
5-
7RST/Vpp
9GND
10DATA
8-
6-
4-
2GND

На все выводы питания микросхемы, включая AVdd, должно быть подано напряжение питания. Все выводы земли микросхемы, включая AVss, должны быть соединены между собой.

Подсоединение к адаптеру AE-ISP-U1 для Microchip PIC10/PIC12

Для просмотра списка микросхем, которые поддерживает программатор при наличии данного адаптера, выберите программатор из списка:

Схема подсоединения к адаптеру:

Подача питания на устройство пользователя может подаваться как от программатора, так и от внешнего источника питания. При подаче питания от внешнего источника, питание от программатора не должно подаваться на программируемое устройство.

Резисторы R2,R3 предназначены для изолирования программатора от устройтсва пользователя. Номинал этих резисторов должен быть не меньше 2к. Вместо резисторов можно использовать джамперы.


Таблица подсоединений выходного разъема адаптера к выводам микросхемы:

Выходной разъем адаптера, BH-10Микросхема PIC10/PIC12
1Vdd
3GP1
5-
7MCLR/Vpp
9GND
10GP0
8-
6-
4-
2GND

На все выводы питания микросхемы, включая AVdd, должно быть подано напряжение питания. Все выводы земли микросхемы, включая AVss, должны быть соединены между собой.

Подсоединение к адаптеру AE-ISP-U1 для Microchip PIC16/PIC18

Для просмотра списка микросхем, которые поддерживает программатор при наличии данного адаптера, выберите программатор из списка:

Схема подсоединения к адаптеру:

Подача питания на устройство пользователя может подаваться как от программатора, так и от внешнего источника питания. При подаче питания от внешнего источника, питание от программатора не должно подаваться на программируемое устройство.

Резисторы R2,R3 предназначены для изолирования программатора от устройства пользователя. Номинал этих резисторов должен быть не меньше 2к. Вместо резисторов можно использовать джамперы.


Таблица подсоединений выходного разъема адаптера к выводам микросхемы:

Выходной разъем адаптера, BH-10Микросхема PIC16/PIC18
1Vdd
3RB6
5-
7MCLR/Vpp
9GND
10RB7
8-
6-
4-
2GND

На все выводы питания микросхемы, включая AVdd, должно быть подано напряжение питания. Все выводы земли микросхемы, включая AVss, должны быть соединены между собой.

Подсоединение к адаптеру AE-ISP-U1 для Microchip PIC16C505

Для просмотра списка микросхем, которые поддерживает программатор при наличии данного адаптера, выберите программатор из списка:

Схема подсоединения к адаптеру:

Подача питания на устройство пользователя может подаваться как от программатора, так и от внешнего источника питания. При подаче питания от внешнего источника, питание от программатора не должно подаваться на программируемое устройство.

Резисторы R2,R3 предназначены для изолирования программатора от устройтсва пользователя. Номинал этих резисторов должен быть не меньше 2к. Вместо резисторов можно использовать джамперы.


Таблица подсоединений выходного разъема адаптера к выводам микросхемы:

Выходной разъем адаптера, BH-10Микросхема PIC16C505
1Vdd
3RB1
5-
7MCLR/Vpp
9GND
10RB0
8-
6-
4-
2GND

На все выводы питания микросхемы, включая AVdd, должно быть подано напряжение питания. Все выводы земли микросхемы, включая AVss, должны быть соединены между собой.

Подсоединение к адаптеру AE-ISP-U1 для Microchip PIC16Fxxx, 14..20 pins

Для просмотра списка микросхем, которые поддерживает программатор при наличии данного адаптера, выберите программатор из списка:

Схема подсоединения к адаптеру:

Подача питания на устройство пользователя может подаваться как от программатора, так и от внешнего источника питания. При подаче питания от внешнего источника, питание от программатора не должно подаваться на программируемое устройство.

Резисторы R2,R3 предназначены для изолирования программатора от устройтсва пользователя. Номинал этих резисторов должен быть не меньше 2к. Вместо резисторов можно использовать джамперы.


Таблица подсоединений выходного разъема адаптера к выводам микросхемы:

Выходной разъем адаптера, BH-10Микросхема PIC16Fxxx, корпус 14..20 выводов
1Vdd
3RA1
5-
7MCLR/Vpp
9GND
10RA0
8-
6-
4-
2GND

На все выводы питания микросхемы, включая AVdd, должно быть подано напряжение питания. Все выводы земли микросхемы, включая AVss, должны быть соединены между собой.

Подсоединение к адаптеру AE-ISP-U1 для Microchip PIC17xxx

Для просмотра списка микросхем, которые поддерживает программатор при наличии данного адаптера, выберите программатор из списка:

Схема подсоединения к адаптеру:

Подача питания на устройство пользователя может подаваться как от программатора, так и от внешнего источника питания. При подаче питания от внешнего источника, питание от программатора не должно подаваться на программируемое устройство.

Резисторы R2..R4 предназначены для изолирования программатора от устройтсва пользователя. Номинал этих резисторов должен быть не меньше 2к. Вместо резисторов можно использовать джамперы.


Таблица подсоединений выходного разъема адаптера к выводам микросхемы:

Выходной разъем адаптера, BH-10Микросхема PIC17xxx
1Vdd
3RA5
5-
7MCLR/Vpp
9GND
10RA4
8TEST
6RA1
4-
2GND

На все выводы питания микросхемы, включая AVdd, должно быть подано напряжение питания. Все выводы земли микросхемы, включая AVss, должны быть соединены между собой.

Подсоединение к адаптеру AE-ISP-U1 для Microchip PIC18FxxJ

Для просмотра списка микросхем, которые поддерживает программатор при наличии данного адаптера, выберите программатор из списка:

Схема подсоединения к адаптеру:

Подача питания на устройство пользователя может подаваться как от программатора, так и от внешнего источника питания. При подаче питания от внешнего источника, питание от программатора не должно подаваться на программируемое устройство.

Резисторы R2,R3 предназначены для изолирования программатора от устройтсва пользователя. Номинал этих резисторов должен быть не меньше 2к. Вместо резисторов можно использовать джамперы.


Таблица подсоединений выходного разъема адаптера к выводам микросхемы:

Выходной разъем адаптера, BH-10Микросхема PIC18FxxJ
1Vdd
3RB6
5-
7Vddcore*
9GND
10RB7
8-
6MCLR
4-
2GND

На все выводы питания микросхемы, включая AVdd, должно быть подано напряжение питания. Все выводы земли микросхемы, включая AVss, должны быть соединены между собой.
* - сигнал нужно подключать в случае необходимости.

Подсоединение к адаптеру AE-ISP-U1 для Microchip PIC24

Для просмотра списка микросхем, которые поддерживает программатор при наличии данного адаптера, выберите программатор из списка:

Схема подсоединения к адаптеру:

Подача питания на устройство пользователя может подаваться как от программатора, так и от внешнего источника питания. При подаче питания от внешнего источника, питание от программатора не должно подаваться на программируемое устройство.

Резисторы R2,R3 предназначены для изолирования программатора от устройтсва пользователя. Номинал этих резисторов должен быть не меньше 2к. Вместо резисторов можно использовать джамперы.


Таблица подсоединений выходного разъема адаптера к выводам микросхемы:

Выходной разъем адаптера, BH-10Микросхема PIC24
1Vdd
3PGC
5 
7Vddcore*
9GND
10PGD
8 
6MCLR
4 
2GND

На все выводы питания микросхемы, включая AVdd, должно быть подано напряжение питания. Все выводы земли микросхемы, включая AVss, должны быть соединены между собой.
* - сигнал нужно подключать в случае необходимости.

Подсоединение к адаптеру AE-ISP-U1 для Microchip dsPIC30F

Для просмотра списка микросхем, которые поддерживает программатор при наличии данного адаптера, выберите программатор из списка:

Схема подсоединения к адаптеру:

Подача питания на устройство пользователя может подаваться как от программатора, так и от внешнего источника питания. При подаче питания от внешнего источника, питание от программатора не должно подаваться на программируемое устройство.

Резисторы R2,R3 предназначены для изолирования программатора от устройтсва пользователя. Номинал этих резисторов должен быть не меньше 2к. Вместо резисторов можно использовать джамперы.


Таблица подсоединений выходного разъема адаптера к выводам микросхемы:

Выходной разъем адаптера, BH-10Микросхема dsPIC30F
1Vdd
3PGC
5 
7MCLR/Vpp
9GND
10PGD
8 
6 
4 
2GND

На все выводы питания микросхемы, включая AVdd, должно быть подано напряжение питания. Все выводы земли микросхемы, включая AVss, должны быть соединены между собой.

Подсоединение к адаптеру AE-ISP-U1 для Microchip dsPIC33FJ

Для просмотра списка микросхем, которые поддерживает программатор при наличии данного адаптера, выберите программатор из списка:

Схема подсоединения к адаптеру:

Подача питания на устройство пользователя может подаваться как от программатора, так и от внешнего источника питания. При подаче питания от внешнего источника, питание от программатора не должно подаваться на программируемое устройство.

Резисторы R2,R3 предназначены для изолирования программатора от устройтсва пользователя. Номинал этих резисторов должен быть не меньше 2к. Вместо резисторов можно использовать джамперы.


Таблица подсоединений выходного разъема адаптера к выводам микросхемы:

Выходной разъем адаптера, BH-10Микросхема dsPIC33FJ
1Vdd
3PGC
5 
7Vddcore*
9GND
10PGD
8 
6MCLR
4 
2GND

На все выводы питания микросхемы, включая AVdd, должно быть подано напряжение питания. Все выводы земли микросхемы, включая AVss, должны быть соединены между собой.
* - сигнал нужно подключать в случае необходимости.

Подсоединение к адаптеру AE-ISP-U1 для NEC UPD78F9210,UPD78F9211

Для просмотра списка микросхем, которые поддерживает программатор при наличии данного адаптера, выберите программатор из списка:

Схема подсоединения к адаптеру:

Подача питания на устройство пользователя может подаваться как от программатора, так и от внешнего источника питания. При подаче питания от внешнего источника, питание от программатора не должно подаваться на программируемое устройство.

Резисторы R1..R4 предназначены для изолирования программатора от устройства пользователя. Номинал этих резисторов должен быть не меньше 2к. Вместо резисторов можно использовать джамперы.


Таблица подсоединений выходного разъема адаптера к выводам микросхемы:

Выходной разъем адаптера, BH-10Микросхема UPD78F9210Микросхема UPD78F9211
144
21212
388
455
599
6----
7  
899
9  
10--

Подсоединение к адаптеру AE-ISP-U1 для NVM3060

Для просмотра списка микросхем, которые поддерживает программатор при наличии данного адаптера, выберите программатор из списка:

Схема подсоединения к адаптеру:

Подача питания на устройство пользователя может подаваться как от программатора, так и от внешнего источника питания. При подаче питания от внешнего источника, питание от программатора не должно подаваться на программируемое устройство.

Резисторы R1..R6 предназначены для изолирования программатора от устройства пользователя. Номинал этих резисторов должен быть не меньше 2к. Вместо резисторов можно использовать джамперы.


Таблица подсоединений выходного разъема адаптера к выводам микросхемы:

Выходной разъем адаптера, BH-10Микросхема NVM3060
1IM Bus Data Input/Output
3IM Bus Clock Input
5RESET
7-
9GND
10Option Input
8-
6Safe Input S
4IM Bus Ident Input
2Vcc

Подсоединение к адаптеру AE-ISP-U1 для NXP/Philips LPC2100/LPC2200 в режиме ISP

Для просмотра списка микросхем, которые поддерживает программатор при наличии данного адаптера, выберите программатор из списка:

Схема подсоединения к адаптеру:

Подача питания на устройство пользователя может подаваться как от программатора, так и от внешнего источника питания. При подаче питания от внешнего источника, питание от программатора не должно подаваться на программируемое устройство.

Резисторы R1..R4 предназначены для изолирования программатора от устройства пользователя. Номинал этих резисторов должен быть не меньше 2к. Вместо резисторов можно использовать джамперы.


Таблица подсоединений выходного разъема адаптера к выводам микросхемы:

Выходной разъем адаптера, BH-10Микросхема LPC21xx/LPC22xx
1-
3UART0.TXD
5UART0.RXD
7P0.14
9Vss
10-
8-
6-
4RESET
2Vdd

Подсоединение к адаптеру AE-ISP-U1 для NXP/Philips LPC2300/LPC2400 в режиме ISP

Для просмотра списка микросхем, которые поддерживает программатор при наличии данного адаптера, выберите программатор из списка:

Схема подсоединения к адаптеру:

Подача питания на устройство пользователя может подаваться как от программатора, так и от внешнего источника питания. При подаче питания от внешнего источника, питание от программатора не должно подаваться на программируемое устройство.

Резисторы R1..R4 предназначены для изолирования программатора от устройства пользователя. Номинал этих резисторов должен быть не меньше 2к. Вместо резисторов можно использовать джамперы.


Таблица подсоединений выходного разъема адаптера к выводам микросхемы:

Выходной разъем адаптера, BH-10Микросхема LPC23xx/LPC24xx
1-
3UART0.TXD
5UART0.RXD
7P2.10
9Vss
10-
8-
6-
4RESET
2Vdd

Подсоединение к адаптеру AE-ISP-U1 для NXP/Philips P89LPC9xx в режиме ISP

Для просмотра списка микросхем, которые поддерживает программатор при наличии данного адаптера, выберите программатор из списка:

Схема подсоединения к адаптеру:

Подача питания на устройство пользователя может подаваться как от программатора, так и от внешнего источника питания. При подаче питания от внешнего источника, питание от программатора не должно подаваться на программируемое устройство.

Резисторы R1..R3 предназначены для изолирования программатора от устройства пользователя. Номинал этих резисторов должен быть не меньше 2к. Вместо резисторов можно использовать джамперы.


Таблица подсоединений выходного разъема адаптера к выводам микросхемы:

Выходной разъем адаптера, BH-10Микросхема P89LPC9xx
1VCC
3TXD
5 
7 
9GND
10XTAL1*
8 
6RST
4RXD
2 

* Подсоединяется при отсутствии внешнего генератора в устройстве пользователя.

Подсоединение к адаптеру AE-ISP-U1 для NXP/Philips P89xxx в режиме ICP

Для просмотра списка микросхем, которые поддерживает программатор при наличии данного адаптера, выберите программатор из списка:

Схема подсоединения к адаптеру:

Подача питания на устройство пользователя может подаваться как от программатора, так и от внешнего источника питания. При подаче питания от внешнего источника, питание от программатора не должно подаваться на программируемое устройство.

Резисторы R2,R3 предназначены для изолирования программатора от устройства пользователя. Номинал этих резисторов должен быть не меньше 2к. Вместо резисторов можно использовать джамперы.


Таблица подсоединений выходного разъема адаптера к выводам микросхемы:

Выходной разъем адаптера, BH-10Микросхема P89LPC9xxМикросхема P89V52X2
1VddVdd
3P0.5P0.5
5--
7--
9VssVss
10P0.4P0.4
8--
6RSTRST
4--
2VssVss

Подсоединение к адаптеру AE-ISP-U1 для SST SST26xx

Для просмотра списка микросхем, которые поддерживает программатор при наличии данного адаптера, выберите программатор из списка:

Схема подсоединения к адаптеру:

Подача питания на устройство пользователя может подаваться как от программатора, так и от внешнего источника питания. При подаче питания от внешнего источника, питание от программатора не должно подаваться на программируемое устройство.

Резисторы R1..R6 предназначены для изолирования программатора от устройства пользователя. Номинал этих резисторов должен быть не меньше 2к. Вместо резисторов можно использовать джамперы.


Таблица подсоединений выходного разъема адаптера к выводам микросхемы:

Выходной разъем адаптера, BH-10Микросхема AT26xxx
11
38
53
7-
94
105
8 
66
47
22

Подсоединение к адаптеру AE-ISP-U1 для STMicroelectronics M35080

Для просмотра списка микросхем, которые поддерживает программатор при наличии данного адаптера, выберите программатор из списка:

Схема подсоединения к адаптеру:

Подача питания на устройство пользователя может подаваться как от программатора, так и от внешнего источника питания. При подаче питания от внешнего источника, питание от программатора не должно подаваться на программируемое устройство.

Резисторы R1..R6 предназначены для изолирования программатора от устройства пользователя. Номинал этих резисторов должен быть не меньше 2к. Вместо резисторов можно использовать джамперы.


Таблица подсоединений выходного разъема адаптера к выводам микросхемы:

Выходной разъем адаптера, BH-10Микросхема AT26xxx
11
38
53
7-
94
105
82
66
47
2-

Подсоединение к адаптеру AE-ISP-U1 для STMicroelectronics M45Pxxx

Для просмотра списка микросхем, которые поддерживает программатор при наличии данного адаптера, выберите программатор из списка:

Схема подсоединения к адаптеру:

Подача питания на устройство пользователя может подаваться как от программатора, так и от внешнего источника питания. При подаче питания от внешнего источника, питание от программатора не должно подаваться на программируемое устройство.

Резисторы R1..R6 предназначены для изолирования программатора от устройства пользователя. Номинал этих резисторов должен быть не меньше 2к. Вместо резисторов можно использовать джамперы.


Таблица подсоединений выходного разъема адаптера к выводам микросхемы:

Выходной разъем адаптера, BH-10Микросхема M45xxx, корпус 8 выводовМикросхема M45xxx, корпус 16 выводов
1410
3616
5515
7--
971
1017
882
628
439
2--

Подсоединение к адаптеру AE-ISP-U1 для STMicroelectronics STM32 в режиме BootLoader (BL)

Для просмотра списка микросхем, которые поддерживает программатор при наличии данного адаптера, выберите программатор из списка:

Схема подсоединения к адаптеру:

Подача питания на устройство пользователя может подаваться как от программатора, так и от внешнего источника питания. При подаче питания от внешнего источника, питание от программатора не должно подаваться на программируемое устройство.

Резисторы R1..R5 предназначены для изолирования программатора от устройства пользователя. Номинал этих резисторов должен быть не меньше 2к. Вместо резисторов можно использовать джамперы.


Таблица подсоединений выходного разъема адаптера к выводам микросхемы:

Выходной разъем адаптера, BH-10Микросхема STM32Fxxx
1BOOT0
3UART0.TXD
5UART0.RXD
7-
9Vss
10-
8-
6BOOT1
4RESET
2Vdd

Подсоединение к адаптеру AE-ISP-U1 для TI MSP430 с выводом TEST в режиме BSL

Для просмотра списка микросхем, которые поддерживает программатор при наличии данного адаптера, выберите программатор из списка:

Схема подсоединения к адаптеру:

Подача питания на устройство пользователя может подаваться как от программатора, так и от внешнего источника питания. При подаче питания от внешнего источника, питание от программатора не должно подаваться на программируемое устройство.

Резисторы R1..R4 предназначены для изолирования программатора от устройства пользователя. Номинал этих резисторов должен быть не меньше 2к. Вместо резисторов можно использовать джамперы.


Таблица подсоединений выходного разъема адаптера к выводам микросхемы:

Выходной разъем адаптера, BH-10Микросхема MSP430 with TEST pin
1P1.1
2-
3P2.2
4RST/NMI
5GND
6VCC
7TEST
8-
9-
10-

Подсоединение к адаптеру AE-ISP-U1 для TI MSP430F13x/14x в режиме BSL

Для просмотра списка микросхем, которые поддерживает программатор при наличии данного адаптера, выберите программатор из списка:

Схема подсоединения к адаптеру:

Подача питания на устройство пользователя может подаваться как от программатора, так и от внешнего источника питания. При подаче питания от внешнего источника, питание от программатора не должно подаваться на программируемое устройство.

Резисторы R1..R4 предназначены для изолирования программатора от устройства пользователя. Номинал этих резисторов должен быть не меньше 2к. Вместо резисторов можно использовать джамперы.


Таблица подсоединений выходного разъема адаптера к выводам микросхемы:

Выходной разъем адаптера, BH-10Микросхема MSP430F13x, MSP430F14x
1P1.1
2TCK
3P2.2
4RST/NMI
5GND
6VCC
7-
8-
9-
10-

Подсоединение к адаптеру AE-ISP-U1 для TI MSP430F4xx в режиме BSL

Для просмотра списка микросхем, которые поддерживает программатор при наличии данного адаптера, выберите программатор из списка:

Схема подсоединения к адаптеру:

Подача питания на устройство пользователя может подаваться как от программатора, так и от внешнего источника питания. При подаче питания от внешнего источника, питание от программатора не должно подаваться на программируемое устройство.

Резисторы R1..R4 предназначены для изолирования программатора от устройства пользователя. Номинал этих резисторов должен быть не меньше 2к. Вместо резисторов можно использовать джамперы.


Таблица подсоединений выходного разъема адаптера к выводам микросхемы:

Выходной разъем адаптера, BH-10Микросхема MSP430F4xx
1P1.0
2TCK
3P1.1
4RST/NMI
5GND
6VCC
7-
8-
9-
10-

Подсоединение к адаптеру AE-ISP-U1 для Zilog Z8F

Для просмотра списка микросхем, которые поддерживает программатор при наличии данного адаптера, выберите программатор из списка:

Схема подсоединения к адаптеру:

Подача питания на устройство пользователя может подаваться как от программатора, так и от внешнего источника питания. При подаче питания от внешнего источника, питание от программатора не должно подаваться на программируемое устройство.

Резисторы R1..R2 предназначены для изолирования программатора от устройства пользователя. Номинал этих резисторов должен быть не меньше 2к. Вместо резисторов можно использовать джамперы.


Таблица подсоединений выходного разъема адаптера к выводам микросхемы:

Выходной разъем адаптера, BH-10Микросхема Z8Fxxxx
1Vcc
2RESET
3GND
4DBG
5GND
6 
7 
8 
9 
10 

AE-ISP-U2


Увеличить

DIP28/BH10 универсальный адаптер для программирования микрокосхем в устройстве пользователя.

Для просмотра списка микросхем, которые поддерживает программатор при наличии данного адаптера, выберите программатор из списка:


Таблица соединений адаптера:

DIP-28BH-1074AC12574AC125C1, 0.1мкф
113  
236  
358  
47   
59 3 
6 2  
7 1  
8 5  
9 14142
10 9  
11 10  
12 12  
13 13  
14 771
15 4  
16  5 
17  4 
18  9 
19  10 
20  12 
21  13 
22  2 
23  1 
2410 6 
258   
266 8 
274 11 
28211  
Подсоединение к адаптеру AE-ISP-U2 для Altera EPM3000
Подсоединение к адаптеру AE-ISP-U2 для LPC Flash и Firmware Hub

Подсоединение к адаптеру AE-ISP-U2 для Altera EPM3000

Для просмотра списка микросхем, которые поддерживает программатор при наличии данного адаптера, выберите программатор из списка:

Схема подсоединения к адаптеру:

Подача питания на устройство пользователя может подаваться как от программатора, так и от внешнего источника питания. При подаче питания от внешнего источника, питание от программатора не должно подаваться на программируемое устройство.

Резисторы R1..R4 предназначены для изолирования программатора от устройства пользователя. Номинал этих резисторов должен быть не меньше 2к. Вместо резисторов можно использовать джамперы.


Таблица подсоединений выходного разъема адаптера к выводам микросхемы:

Выходной разъем адаптера, BH-10Микросхема EPM3xxx
1TCK
2GND
3TDO
4VCC
5TMS
6,7,8-
9TDI
10GND

Подсоединение к адаптеру AE-ISP-U2 для LPC Flash и Firmware Hub

Для просмотра списка микросхем, которые поддерживает программатор при наличии данного адаптера, выберите программатор из списка:

Схема подсоединения к адаптеру:

Подача питания на устройство пользователя может подаваться как от программатора, так и от внешнего источника питания. При подаче питания от внешнего источника, питание от программатора не должно подаваться на программируемое устройство.

Резисторы R1..R5 предназначены для изолирования программатора от устройства пользователя. Номинал этих резисторов должен быть не меньше 2к. Вместо резисторов можно использовать джамперы.


Таблица подсоединений выходного разъема адаптера к выводам микросхемы:

Выходной разъем адаптера, BH-10Микросхема LPC Flash or Firmware Hub
1LAD0
2LAD1
3LAD2
4LAD3
5LFRAME
6VCC
7,8,9GND
10LCLK

AE-M42-1


Увеличить

DIP32/M42 специализированный адаптер для микросхемы памяти 1636PP1 фирмы Milandr .

Для просмотра списка микросхем, которые поддерживает программатор при наличии данного адаптера, выберите программатор из списка:


Таблица соединений адаптера:

DIP-32M-42
11
22
33
44
56
67
78
89
910
1011
1112
1213
1314
1418
1519
1621
1722
1823
1924
2025
2128
2229
2330
2431
2533
2634
2735
2836
2937
3040
3141
3242

AE-M42-2


Увеличить

DIP32/M42 специализированный адаптер для микросхемы памяти 1638PP1 фирмы Angstrem.

Для просмотра списка микросхем, которые поддерживает программатор при наличии данного адаптера, выберите программатор из списка:


Таблица соединений адаптера:

DIP-32M-42
1-
22
33
44
55
66
77
88
914
1015
1116
1217
1318
1419
1520
1621
1722
1823
1924
2025
2126
2227
2328
2429
2534
2635
2736
2839
2940
30-
3141
3242

AE-M44-p17


Увеличить

DIP40/QFP44 specialized adapter for Microchip PIC devices.
Device package dimensions: body - 10.0 x 10.0 mm, 0.8 mm pitch.

Для просмотра списка микросхем, которые поддерживает программатор при наличии данного адаптера, выберите программатор из списка:


Таблица соединений адаптера:

DIP-40QFP-44
116,17
219
320
421
522
623
724
825
926
1027,28
1129
1230
1331
1432
1533
1634
1735
1836
1937
2038
2139
2240
2341
2442
2543
2644
271
282
293
304
315,6
327
338
349
3510
3611
3712
3813
3914
4015

AE-M48-1


Увеличить

DIP40/M48 специализированный адаптер для микросхемы памяти 1636PP2 фирмы Milandr .

Для просмотра списка микросхем, которые поддерживает программатор при наличии данного адаптера, выберите программатор из списка:


Таблица соединений адаптера:

DIP-40M-48
13
24
344
443
55
636
717
841
948
1046
1128
12-
132
146
157
168
1710
1811
1913
2014
2115
2232
2334
2435
2516
2618
2720
2821
29-
301
3122
3223
3326
3427
3529
3633
3738
389
3924,34,40
4047

AE-M88-BE76


Увеличить

DIP40/M88 специализированный адаптер для микроконтроллера 1874BE76T фирмы НИИЭТ.

Для просмотра списка микросхем, которые поддерживает программатор при наличии данного адаптера, выберите программатор из списка:


Таблица соединений адаптера:

DIP-40M88
179
586
687
71
82
97
109
1110
1242
1437
1611,56
1730
203,4,6,12,32,35,36,53,55,57,64,75,76,71,80
2145
2246
2347
2448
2549
2650
2751
2852
2958
3059
3161
3262
3363
3465
3566
3667
3874
405,8,33,60,77,78,43

AE-M88-BE86


Увеличить

DIP40/M88 специализированный адаптер для микроконтроллера 1874BE86T фирмы НИИЭТ.

Для просмотра списка микросхем, которые поддерживает программатор при наличии данного адаптера, выберите программатор из списка:


Таблица соединений адаптера:

DIP-40M88
171
51
688
74
85
916
1068
1113
1221
1438
1610
1723
202,31,36,43,53,57,69,72,73,78,84
2144
2245
2347
2449
2550
2651
2752
2854
2959
3060
3161
3262
3363
3464
3565
3666
3830
403,46,74,34

AE-ML28-p16


Увеличить

DIP28/MLF28 специализированный адаптер для микроконтроллеров PIC фирмы Microchip в MLF/QFN корпусах.
Размеры корпуса: 6.0 x 6.0 x 0.9 мм, 0.65 мм шаг.

Для просмотра списка микросхем, которые поддерживает программатор при наличии данного адаптера, выберите программатор из списка:

Аналоги адаптера, поставляемые другими фирмами:
Emulation Technology: AS028-28-02ML-6


Таблица соединений адаптера:

DIP-28MLF-28
126
227
328
41
52
63
74
85
96
107
118
129
1310
1411
1512
1613
1714
1815
1916
2017
2118
2219
2320
2421
2522
2623
2724
2825

AE-P20U


Увеличить

DIP20/PLCC20 universal adapter with open top socket.

Для просмотра списка микросхем, которые поддерживает программатор при наличии данного адаптера, выберите программатор из списка:

Аналоги адаптера, поставляемые другими фирмами:
Logical Systems: PA20-20-1PD3


Таблица соединений адаптера:

DIP-20PLCC-20
11
22
33
44
55
66
77
88
99
1010
1111
1212
1313
1414
1515
1616
1717
1818
1919
2020

AE-P20U-Z


Увеличить

DIP20/PLCC20 universal adapter with clam shell socket.

Для просмотра списка микросхем, которые поддерживает программатор при наличии данного адаптера, выберите программатор из списка:

Аналоги адаптера, поставляемые другими фирмами:
Logical Systems: PA20-20-1PZ3


Таблица соединений адаптера:

DIP-20PLCC-20
11
22
33
44
55
66
77
88
99
1010
1111
1212
1313
1414
1515
1616
1717
1818
1919
2020

AE-P28U


Увеличить

DIP28/PLCC28 universal adapter with open top socket.

Для просмотра списка микросхем, которые поддерживает программатор при наличии данного адаптера, выберите программатор из списка:

Аналоги адаптера, поставляемые другими фирмами:
Logical Systems: PA28-28


Таблица соединений адаптера:

DIP-28PLCC-28
11
22
33
44
55
66
77
88
99
1010
1111
1212
1313
1414
1515
1616
1717
1818
1919
2020
2121
2222
2323
2424
2525
2626
2727
2828

AE-P28U-Z


Увеличить

DIP28/PLCC28 universal adapter with clam shell socket.

Для просмотра списка микросхем, которые поддерживает программатор при наличии данного адаптера, выберите программатор из списка:

Аналоги адаптера, поставляемые другими фирмами:
Logical Systems: PA28-28(Z)


Таблица соединений адаптера:

DIP-28PLCC-28
11
22
33
44
55
66
77
88
99
1010
1111
1212
1313
1414
1515
1616
1717
1818
1919
2020
2121
2222
2323
2424
2525
2626
2727
2828

AE-P32-28


Увеличить

DIP28/PLCC32 specialized adapter for EPROM/FLASH with open top socket.

Для просмотра списка микросхем, которые поддерживает программатор при наличии данного адаптера, выберите программатор из списка:

Аналоги адаптера, поставляемые другими фирмами:
Logical Systems: PA32-28


Таблица соединений адаптера:

DIP-28PLCC-32
12
23
34
45
56
67
78
89
910
1011
1113
1214
1315
1416
1518
1619
1720
1821
1922
2023
2124
2225
2327
2428
2529
2630
2731
2832

AE-P32-28-Z


Увеличить

DIP28/PLCC32 specialized adapter for EPROM/FLASH with clam shell socket.

Для просмотра списка микросхем, которые поддерживает программатор при наличии данного адаптера, выберите программатор из списка:

Аналоги адаптера, поставляемые другими фирмами:
Logical Systems: PA32-28Z


Таблица соединений адаптера:

DIP-28PLCC-32
12
23
34
45
56
67
78
89
910
1011
1113
1214
1315
1416
1518
1619
1720
1821
1922
2023
2124
2225
2327
2428
2529
2630
2731
2832

AE-P32-32


Увеличить

DIP32/PLCC32 specialized adapter for EPROM/FLASH with open top socket.

Для просмотра списка микросхем, которые поддерживает программатор при наличии данного адаптера, выберите программатор из списка:


Таблица соединений адаптера:

DIP-32PLCC-32
12
43
54
65
76
87
98
109
1110
1211
1313
1414
1515
1616
1718
1819
1920
2021
2122
2223
2324
2425
2527
2628
2729
2830
2931
3232

AE-P32-32-Z


Увеличить

DIP32/PLCC32 specialized adapter for EPROM/FLASH with clam shell socket.

Для просмотра списка микросхем, которые поддерживает программатор при наличии данного адаптера, выберите программатор из списка:


Таблица соединений адаптера:

DIP-32PLCC-32
12
43
54
65
76
87
98
109
1110
1211
1313
1414
1515
1616
1718
1819
1920
2021
2122
2223
2324
2425
2527
2628
2729
2830
2931
3232

AE-P32-CP49


Увеличить

DIP32/PLCC32 specialized adapter for EPROM/FLASH with open top socket.

Для просмотра списка микросхем, которые поддерживает программатор при наличии данного адаптера, выберите программатор из списка:


Таблица соединений адаптера:

DIP-32PLCC-32
11
22
33
44
55
66
77
88
99
1010
1111
1212
1313
1414
1515
1616
1717
1818
1919
2020
2121
2222
2323
2424
3225
1626
3227
1628
2929
3030
3131
3232

AE-P32-CP49-Z


Увеличить

DIP32/PLCC32 specialized adapter for EPROM/FLASH with clam shell socket.

Для просмотра списка микросхем, которые поддерживает программатор при наличии данного адаптера, выберите программатор из списка:


Таблица соединений адаптера:

DIP-32PLCC-32
11
22
33
44
55
66
77
88
99
1010
1111
1212
1313
1414
1515
1616
1717
1818
1919
2020
2121
2222
2323
2424
3225
1626
3227
1628
2929
3030
3131
3232

AE-P32U


Увеличить

DIP32/PLCC32 universal adapter with open top socket.

Для просмотра списка микросхем, которые поддерживает программатор при наличии данного адаптера, выберите программатор из списка:

Аналоги адаптера, поставляемые другими фирмами:
Logical Systems: PA32-32


Таблица соединений адаптера:

DIP-32PLCC-32
11
22
33
44
55
66
77
88
99
1010
1111
1212
1313
1414
1515
1616
1717
1818
1919
2020
2121
2222
2323
2424
2525
2626
2727
2828
2929
3030
3131
3232

AE-P32U-Z


Увеличить

DIP32/PLCC32 universal adapter with clam shell socket.

Для просмотра списка микросхем, которые поддерживает программатор при наличии данного адаптера, выберите программатор из списка:

Аналоги адаптера, поставляемые другими фирмами:
Logical Systems: PA32-32Z


Таблица соединений адаптера:

DIP-32PLCC-32
11
22
33
44
55
66
77
88
99
1010
1111
1212
1313
1414
1515
1616
1717
1818
1919
2020
2121
2222
2323
2424
2525
2626
2727
2828
2929
3030
3131
3232

AE-P44-4096


Увеличить

DIP40/PLCC44 specialized adapter for EPROM/FLASH with open top socket.

Для просмотра списка микросхем, которые поддерживает программатор при наличии данного адаптера, выберите программатор из списка:

Аналоги адаптера, поставляемые другими фирмами:
Logical Systems: PA280-44


Таблица соединений адаптера:

DIP-40PLCC-44
 1
12
23
34
45
56
67
78
89
910
1011
1112
 13
1214
1315
1416
1517
1618
1719
1820
1921
2022
 23
2124
2225
2326
2427
2528
2629
2730
2831
2932
 33
3034
3135
3236
3337
3438
3539
3640
3741
3842
3943
4044

AE-P44-4096-Z


Увеличить

DIP40/PLCC44 specialized adapter for EPROM/FLASH with clam shell socket.

Для просмотра списка микросхем, которые поддерживает программатор при наличии данного адаптера, выберите программатор из списка:

Аналоги адаптера, поставляемые другими фирмами:
Logical Systems: PA280-44Z


Таблица соединений адаптера:

DIP-40PLCC-44
 1
12
23
34
45
56
67
78
89
910
1011
1112
 13
1214
1315
1416
1517
1618
1719
1820
1921
2022
 23
2124
2225
2326
2427
2528
2629
2730
2831
2932
 33
3034
3135
3236
3337
3438
3539
3640
3741
3842
3943
4044

AE-P44-A32/64


Увеличить

DIP40/PLCC44 specialized adapter for Altera EPMxxx devices with open top socket.

Для просмотра списка микросхем, которые поддерживает программатор при наличии данного адаптера, выберите программатор из списка:


Таблица соединений адаптера:

DIP-40PLCC-4474HC14C1, 0.1мкФC2, 0.1мкФ
12   
24   
36   
428   
529   
69   
710   
811   
912   
1040   
117   
1213   
1314   
1416   
1517   
1618   
1719   
1820   
1921   
2022,30,42711
2124   
2225   
2326   
2427   
258   
2631   
2732   
2833   
2934   
305   
3136   
3235,3,15,23142 
3337   
3438   
3539   
3640   
3741   
38 11  
 4312  
3944  2
401   
  10,13  

AE-P44-A32/64-Z


Увеличить

DIP40/PLCC44 specialized adapter for Altera EPMxxx devices with clam shell socket.

Для просмотра списка микросхем, которые поддерживает программатор при наличии данного адаптера, выберите программатор из списка:


Таблица соединений адаптера:

DIP-40PLCC-4474HC14C1, 0.1мкФC2, 0.1мкФ
12   
24   
36   
428   
529   
69   
710   
811   
912   
1040   
117   
1213   
1314   
1416   
1517   
1618   
1719   
1820   
1921   
2022,30,42711
2124   
2225   
2326   
2427   
258   
2631   
2732   
2833   
2934   
305   
3136   
3235,3,15,23142 
3337   
3438   
3539   
3640   
3741   
38 11  
 4312  
3944  2
401   
  10,13  

AE-P44-AT17


Увеличить

DIP20/PLCC44 specialized adapter for Atmel AT17xxx devices with open top socket.

Для просмотра списка микросхем, которые поддерживает программатор при наличии данного адаптера, выберите программатор из списка:


Таблица соединений адаптера:

DIP-20PLCC-44
-1
22
-3
-4
45
-6
57
-8
-9
-10
-11
-12
-13
-14
-15
-16
-17
-18
619
-20
821
-22
-23
1024
-25
-26
1427
-28
1529
-30
-31
-32
-33
-34
-35
-36
-37
-38
-39
-40
1741
-42
-43
2044

AE-P44-AT17-Z


Увеличить

DIP20/PLCC44 specialized adapter for Atmel AT17xxx devices with clam shell socket.

Для просмотра списка микросхем, которые поддерживает программатор при наличии данного адаптера, выберите программатор из списка:


Таблица соединений адаптера:

DIP-20PLCC-44
-1
22
-3
-4
45
-6
57
-8
-9
-10
-11
-12
-13
-14
-15
-16
-17
-18
619
-20
821
-22
-23
1024
-25
-26
1427
-28
1529
-30
-31
-32
-33
-34
-35
-36
-37
-38
-39
-40
1741
-42
-43
2044

AE-P44-AT17FA


Увеличить

DIP20/PLCC44 specialized adapter for Atmel AT17xxx devices with open top socket.

Для просмотра списка микросхем, которые поддерживает программатор при наличии данного адаптера, выберите программатор из списка:


Таблица соединений адаптера:

DIP-20PLCC-44
 1
22
 3
 4
 5
 6
 7
48
 9
 10
 11
 12
 13
 14
 15
616
817
 18
1019
 20
 21
 22
 23
 24
 25
 26
 27
1428
 29
 30
 31
 32
 33
 34
 35
 36
 37
1738
 39
 40
2041
 42
 43
  


Таблица соединений адаптера:

DIP-20PLCC-44
-1
22
-3
-4
-5
-6
-7
48
-9
-10
-11
-12
-13
-14
-15
616
817
-18
1019
-20
-21
-22
-23
-24
-25
-26
 27
1428
-29
-30
-31
-32
-33
-34
-35
-36
-37
1738
-39
-40
2041
-42
-43
-44

AE-P44-AT17FA-Z


Увеличить

DIP20/PLCC44 specialized adapter for Atmel AT17xxx devices with clam shell socket.

Для просмотра списка микросхем, которые поддерживает программатор при наличии данного адаптера, выберите программатор из списка:


Таблица соединений адаптера:

DIP-20PLCC-44
-1
22
-3
-4
-5
-6
-7
48
-9
-10
-11
-12
-13
-14
-15
616
817
-18
1019
-20
-21
-22
-23
-24
-25
-26
 27
1428
-29
-30
-31
-32
-33
-34
-35
-36
-37
1738
-39
-40
2041
-42
-43
-44

AE-P44-AT35


Увеличить

DIP40/PLCC44 specialized adapter for Atmel AVR devices with open top socket.

Для просмотра списка микросхем, которые поддерживает программатор при наличии данного адаптера, выберите программатор из списка:

Аналоги адаптера, поставляемые другими фирмами:
Logical Systems: PA44-40-30-PD


Таблица соединений адаптера:

DIP-40PLCC-44
12
23
34
45
56
67
78
89
910
1011,23,44
1112,24,1
1213
1314
1415
1516
1617
1718
1819
1920
2021
2122
2225
2326
2427
2528
2629
2730
2831
2932
3033
3134
3235
3336
3437
3538
3639
3740
3841
3942
4043

AE-P44-AT35-Z


Увеличить

DIP40/PLCC44 specialized adapter for Atmel AVR devices with clam shellsocket.

Для просмотра списка микросхем, которые поддерживает программатор при наличии данного адаптера, выберите программатор из списка:


Таблица соединений адаптера:

DIP-40PLCC-44
12
23
34
45
56
67
78
89
910
1011,23,44
1112,24,1
1213
1314
1415
1516
1617
1718
1819
1920
2021
2122
2225
2326
2427
2528
2629
2730
2831
2932
3033
3134
3235
3336
3437
3538
3639
3740
3841
3942
4043

AE-P44-ATF1500


Увеличить

DIP40/PLCC44 specialized adapter for Atmel ATF1500 devices with open top socket.

Для просмотра списка микросхем, которые поддерживает программатор при наличии данного адаптера, выберите программатор из списка:


Таблица соединений адаптера:

DIP-40PLCC-44C1, 0.1мкФC2, 0.1мкФ
112 
22  
34  
45  
56  
67  
78  
89  
911  
1012  
1113  
1214  
1316  
1417  
1518  
1619  
1720  
1821  
19   
2010,22,30,4211
2124  
2225  
2326  
2427  
2528  
2629  
27   
2831  
2932  
3033  
3134  
323,15,23,35 2
3336  
3437  
3538  
3639  
3740  
3841  
3943  
4044  

AE-P44-ATF1500-Z


Увеличить

DIP40/PLCC44 specialized adapter for Atmel ATF1500 devices with clam shell socket.

Для просмотра списка микросхем, которые поддерживает программатор при наличии данного адаптера, выберите программатор из списка:


Таблица соединений адаптера:

DIP-40PLCC-44C1, 0.1мкФC2, 0.1мкФ
112 
22  
34  
45  
56  
67  
78  
89  
911  
1012  
1113  
1214  
1316  
1417  
1518  
1619  
1720  
1821  
19   
2010,22,30,4211
2124  
2225  
2326  
2427  
2528  
2629  
27   
2831  
2932  
3033  
3134  
323,15,23,35 2
3336  
3437  
3538  
3639  
3740  
3841  
3943  
4044  

AE-P44-ATF2500


Увеличить

DIP40/PLCC44 specialized adapter for Atmel ATF2500 devices with open top socket.

Для просмотра списка микросхем, которые поддерживает программатор при наличии данного адаптера, выберите программатор из списка:


Таблица соединений адаптера:

DIP-40PLCC-44C1, 0.1мкФ
11 
22 
33 
45 
56 
67 
78 
89 
910 
1011,121
1113 
1214 
1315 
1416 
1517 
1618 
1719 
1820 
1921 
2022 
2123 
2224 
2325 
2427 
2528 
2629 
2730 
2831 
2932 
304,26,33,342
3135 
3236 
3337 
3438 
3539 
3640 
3741 
3842 
3943 
4044 

AE-P44-ATF2500-Z


Увеличить

DIP40/PLCC44 specialized adapter for Atmel ATF2500 devices with clam shell socket.

Для просмотра списка микросхем, которые поддерживает программатор при наличии данного адаптера, выберите программатор из списка:


Таблица соединений адаптера:

DIP-40PLCC-44C1, 0.1мкФ
11 
22 
33 
45 
56 
67 
78 
89 
910 
1011,121
1113 
1214 
1315 
1416 
1517 
1618 
1719 
1820 
1921 
2022 
2123 
2224 
2325 
2427 
2528 
2629 
2730 
2831 
2932 
304,26,33,342
3135 
3236 
3337 
3438 
3539 
3640 
3741 
3842 
3943 
4044 

AE-P44-C541


Увеличить

DIP40/PLCC44 specialized adapter with open top socket.

Для просмотра списка микросхем, которые поддерживает программатор при наличии данного адаптера, выберите программатор из списка:


Таблица соединений адаптера:

DIP-40PLCC-44
15
26
37
412
534
644
7 
8 
910
1011
1113
1214
1315
1416
1517
1618
1719
1820
1921
209,22
2124
2225
2326
2427
2528
2629
2730
2831
2932
3033
3135
3236
3337
3438
3539
3640
3741
3842
3943
408,23

AE-P44-C541-Z


Увеличить

DIP40/PLCC44 specialized adapter with clam shell socket.

Для просмотра списка микросхем, которые поддерживает программатор при наличии данного адаптера, выберите программатор из списка:


Таблица соединений адаптера:

DIP-40PLCC-44
15
26
37
412
534
644
7 
8 
910
1011
1113
1214
1315
1416
1517
1618
1719
1820
1921
209,22
2124
2225
2326
2427
2528
2629
2730
2831
2932
3033
3135
3236
3337
3438
3539
3640
3741
3842
3943
408,23

AE-P44-COP


Увеличить

DIP40/PLCC44 specialized adapter.

Для просмотра списка микросхем, которые поддерживает программатор при наличии данного адаптера, выберите программатор из списка:


Таблица соединений адаптера:

DIP-40PLCC-44C1, 0.1мкФC2, 0.1мкФ
11  
22  
33  
44  
55  
66  
77  
881 
911  
1012  
1113  
1214  
1315  
1416  
1517  
1618  
1719  
1820  
1921  
2022  
2123  
222422
2325  
2426  
2529  
2630  
2731  
2832  
2933  
3034  
3135  
3236  
3337 1
3438  
3539  
3640  
3741  
3842  
3943  
4044  

AE-P44-LP6440


Увеличить

DIP40/PLCC44 specialized adapter for 8051 family microcontrollers with open top socket.

Для просмотра списка микросхем, которые поддерживает программатор при наличии данного адаптера, выберите программатор из списка:


Таблица соединений адаптера:

DIP-40PLCC-44
12
23
34
45
56
67
78
89
910
1011
1113
1214
1315
1416
1517
1618
1719
1820
1921
2022,23,34
2124
2225
2326
2427
2528
2629
2730
2831
2932
3033
3135
3236
3337
3438
3539
3640
3741
3842
3943
401,12,44

AE-P44-LP6440-Z


Увеличить

DIP40/PLCC44 specialized adapter for 8051 family microcontrollers with clam shell socket.

Для просмотра списка микросхем, которые поддерживает программатор при наличии данного адаптера, выберите программатор из списка:


Таблица соединений адаптера:

DIP-40PLCC-44
12
23
34
45
56
67
78
89
910
1011
1113
1214
1315
1416
1517
1618
1719
1820
1921
2022,23,34
2124
2225
2326
2427
2528
2629
2730
2831
2932
3033
3135
3236
3337
3438
3539
3640
3741
3842
3943
401,12,44

AE-P44-P591


Увеличить

DIP40/PLCC44 specialized adapter for Philips/NXP microcontrollers with open top socket.

Для просмотра списка микросхем, которые поддерживает программатор при наличии данного адаптера, выберите программатор из списка:


Таблица соединений адаптера:

DIP-40PLCC-44
201
12
23
34
45
56
67
78
89
910
1011
 12
1113
1214
1315
1416
1517
1618
1719
1820
1921
2022
4023
2124
2225
2326
2427
2528
2629
2730
2831
2932
3033
 34
3135
3236
3337
3438
3539
3640
3741
3842
3943
4044

AE-P44-P591-Z


Увеличить

DIP40/PLCC44 specialized adapter for Philips/NXP microcontrollers with clam shell socket.

Для просмотра списка микросхем, которые поддерживает программатор при наличии данного адаптера, выберите программатор из списка:


Таблица соединений адаптера:

DIP-40PLCC-44
201
12
23
34
45
56
67
78
89
910
1011
 12
1113
1214
1315
1416
1517
1618
1719
1820
1921
2022
4023
2124
2225
2326
2427
2528
2629
2730
2831
2932
3033
 34
3135
3236
3337
3438
3539
3640
3741
3842
3943
4044

AE-P44-P952


Увеличить

DIP40/PLCC44 specialized adapter for Philips/NXP microcontrollers with open top socket.

Для просмотра списка микросхем, которые поддерживает программатор при наличии данного адаптера, выберите программатор из списка:


Таблица соединений адаптера:

DIP-28PLCC-44
343
42
65
73,22
811
179
1810
1935
2037
2113,36
2238
2339
2440
2541
2642

AE-P44-P952-Z


Увеличить

DIP40/PLCC44 specialized adapter for Philips/NXP microcontrollers with clam shell socket.

Для просмотра списка микросхем, которые поддерживает программатор при наличии данного адаптера, выберите программатор из списка:


Таблица соединений адаптера:

DIP-28PLCC-44
343
42
65
73,22
811
179
1810
1935
2037
2113,36
2238
2339
2440
2541
2642

AE-P44-PLD


Увеличить

DIP40/PLCC44 specialized adapter PLD devices with open top socket.

Для просмотра списка микросхем, которые поддерживает программатор при наличии данного адаптера, выберите программатор из списка:


Таблица соединений адаптера:

DIP-40PLCC-44C1, 0.1мкФC2, 0.1мкФ
122 
23  
34  
45  
56  
67  
78  
89  
910  
1011  
1112  
1213  
1314  
1415  
1516  
1618  
1719  
1820  
1921  
2022,23,17,3911
2124  
2225  
2326  
2427  
2528  
2629  
2730  
2831  
2932  
3033  
3134  
3235  
3336  
3437  
3538  
3640  
3741  
3842  
3943  
4044,1 2

AE-P44-PLD-Z


Увеличить

DIP40/PLCC44 specialized adapter PLD devices with clam shell socket.

Для просмотра списка микросхем, которые поддерживает программатор при наличии данного адаптера, выберите программатор из списка:


Таблица соединений адаптера:

DIP-40PLCC-44C1, 0.1мкФC2, 0.1мкФ
122 
23  
34  
45  
56  
67  
78  
89  
910  
1011  
1112  
1213  
1314  
1415  
1516  
1618  
1719  
1820  
1921  
2022,23,17,3911
2124  
2225  
2326  
2427  
2528  
2629  
2730  
2831  
2932  
3033  
3134  
3235  
3336  
3437  
3538  
3640  
3741  
3842  
3943  
4044,1 2

AE-P44-T51CC


Увеличить

DIP40/PLCC44 specialized adapter with open top socket.

Для просмотра списка микросхем, которые поддерживает программатор при наличии данного адаптера, выберите программатор из списка:

Аналоги адаптера, поставляемые другими фирмами:
Logical Systems: PA51CC-PD


Таблица соединений адаптера:

DIP-40PLCC-44
13
24
35
46
57
68
79
810
944
1012
1113
1214
1315
1416
1517
1618
1719
1840
1941
201,43
2129
2228
2327
2426
2525
2624
2723
2822
2938
3039
3111
3237
3336
3435
3534
3633
3732
3831
3930
402,42

AE-P44-T51CC-Z


Увеличить

DIP40/PLCC44 specialized adapter with clam shell socket.

Для просмотра списка микросхем, которые поддерживает программатор при наличии данного адаптера, выберите программатор из списка:


Таблица соединений адаптера:

DIP-40PLCC-44
13
24
35
46
57
68
79
810
944
1012
1113
1214
1315
1416
1517
1618
1719
1840
1941
201,43
2129
2228
2327
2426
2525
2624
2723
2822
2938
3039
3111
3237
3336
3435
3534
3633
3732
3831
3930
402,42

AE-P44-TMS15


Увеличить

DIP40/PLCC44 specialized adapter with open top socket.

Для просмотра списка микросхем, которые поддерживает программатор при наличии данного адаптера, выберите программатор из списка:


Таблица соединений адаптера:

DIP-40PLCC-44
12
23
34
45
56
67
78
89
910
1012
1113
1214
1315
1416
1517
1619
1720
1821
1922
2023
2124
2225
2326
2427
2529
2630
2731
2832
2933
301,18,28,34
3135
3236
3337
3438
3539
3640
3741
3842
3943
4044

AE-P44-TMS17


Увеличить

DIP40/PLCC44 specialized adapter with open top socket.

Для просмотра списка микросхем, которые поддерживает программатор при наличии данного адаптера, выберите программатор из списка:


Таблица соединений адаптера:

DIP-40PLCC-44
12
23
34
45
56
67
78
89
910
101,12,18,29
1113
1214
1315
1416
1517
1619
1720
1821
1922
2023
2124
2225
2326
2427
2528
2630
2731
2832
2933
3034
3135
3236
3337
3438
3539
3640
3741
3842
3943
4044

AE-P44-W79


Увеличить

DIP40/PLCC44 specialized adapter for Nuvoton/Winbond microcontrollers with open top socket.

Для просмотра списка микросхем, которые поддерживает программатор при наличии данного адаптера, выберите программатор из списка:


Таблица соединений адаптера:

DIP-40PLCC-44
15
24
33
42
51
644
743
842
928
1038
1137
1236
1335
1434
1533
1632
1731
1816
1915
206,17
2127
2226
2325
2424
2523
2622
2721
2820
2919
3018
3130
3214
3313
3412
3511
3610
379
388
397
4029,41

AE-P44-W79-2


Увеличить

DIP40/PLCC44 specialized adapter for Nuvoton/Winbond microcontrollers with open top socket.

Для просмотра списка микросхем, которые поддерживает программатор при наличии данного адаптера, выберите программатор из списка:


Таблица соединений адаптера:

DIP-40PLCC-44
13
24
35
46
57
68
79
810
911
1012
1113
1214
1315
1416
1517
1618
1719
1820
1921
2022,44
2124
2225
2326
2427
2528
2629
2730
2831
2932
3033
3134
3235
3336
3437
3538
3639
3740
3841
3942
401,43

AE-P44-W79-2-Z


Увеличить

DIP40/PLCC44 specialized adapter for Nuvoton/Winbond microcontrollers with clam shell socket.

Для просмотра списка микросхем, которые поддерживает программатор при наличии данного адаптера, выберите программатор из списка:


Таблица соединений адаптера:

DIP-40PLCC-44
13
24
35
46
57
68
79
810
911
1012
1113
1214
1315
1416
1517
1618
1719
1820
1921
2022,44
2124
2225
2326
2427
2528
2629
2730
2831
2932
3033
3134
3235
3336
3437
3538
3639
3740
3841
3942
401,43

AE-P44-W79-Z


Увеличить

DIP40/PLCC44 specialized adapter for Nuvoton/Winbond microcontrollers with clam shell socket.

Для просмотра списка микросхем, которые поддерживает программатор при наличии данного адаптера, выберите программатор из списка:


Таблица соединений адаптера:

DIP-40PLCC-44
15
24
33
42
51
644
743
842
928
1038
1137
1236
1335
1434
1533
1632
1731
1816
1915
206.17
2127
2226
2325
2424
2523
2622
2721
2820
2919
3018
3130
3214
3313
3412
3511
3610
379
388
397
4029.41

AE-P44-XC17


Увеличить

DIP20/PLCC44 specialized adapter for Xilinx devices with open top socket.

Для просмотра списка микросхем, которые поддерживает программатор при наличии данного адаптера, выберите программатор из списка:


Таблица соединений адаптера:

DIP-20PLCC-44SN74AHC14C1, 150пФ
-1  
12  
113  
-4  
3 1 
 54 
-6  
 7  
-8  
-9  
-10  
-11  
111271
-13  
2014142
-15  
-16  
-17  
-18  
819  
-20  
1021  
2022  
2023  
1124  
-25  
-26  
1327  
-28  
 29  
1130  
-31  
2032  
-33  
1134  
-35  
-36  
-37  
-38  
-39  
-40  
1841  
2042  
1143  
2044  
  2,3 

AE-P44-XC17-Z


Увеличить

DIP20/PLCC44 specialized adapter for Xilinx devices with open top socket.

Для просмотра списка микросхем, которые поддерживает программатор при наличии данного адаптера, выберите программатор из списка:


Таблица соединений адаптера:

DIP-20PLCC-44C1, 150пФ
-1 
12 
1132
-4 
351
-6 
 7 
-8 
-9 
-10 
-11 
1112 
-13 
2014 
-15 
-16 
-17 
-18 
819 
-20 
1021 
2022 
2023 
1124 
-25 
-26 
1327 
-28 
 29 
1130 
-31 
2032 
-33 
1134 
-35 
-36 
-37 
-38 
-39 
-40 
1841 
2042 
1143 
2044 

AE-P44-i51


Увеличить

DIP40/PLCC44 specialized adapter for microcontrollers with open top socket.

Для просмотра списка микросхем, которые поддерживает программатор при наличии данного адаптера, выберите программатор из списка:

Аналоги адаптера, поставляемые другими фирмами:
Logical Systems: PA51-44


Таблица соединений адаптера:

DIP-40PLCC-44
12
23
34
45
56
67
78
89
910
1011
1113
1214
1315
1416
1517
1618
1719
1820
1921
2022
2124
2225
2326
2427
2528
2629
2730
2831
2932
3033
3135
3236
3337
3438
3539
3640
3741
3842
3943
4044

AE-P44-i51-Z


Увеличить

DIP40/PLCC44 specialized adapter for microcontrollers with clam shell socket.

Для просмотра списка микросхем, которые поддерживает программатор при наличии данного адаптера, выберите программатор из списка:

Аналоги адаптера, поставляемые другими фирмами:
Logical Systems: PA51-44Z


Таблица соединений адаптера:

DIP-40PLCC-44
12
23
34
45
56
67
78
89
910
1011
1113
1214
1315
1416
1517
1618
1719
1820
1921
2022
2124
2225
2326
2427
2528
2629
2730
2831
2932
3033
3135
3236
3337
3438
3539
3640
3741
3842
3943
4044

AE-P44-p16


Увеличить

DIP40/PLCC44 specialized adapter for Microchip microcontrollers with open top socket.

Для просмотра списка микросхем, которые поддерживает программатор при наличии данного адаптера, выберите программатор из списка:

Аналоги адаптера, поставляемые другими фирмами:
Logical Systems: PA44-40-P64


Таблица соединений адаптера:

DIP-40PLCC-44
12
23
34
45
56
67
78
89
910
1011
1112
1213
1314
1415
1516
1618
1719
1820
1921
2022
2123
2224
2325
2426
2527
2629
2730
2831
2932
3033
3134
3235
3336
3437
3538
3639
3741
3842
3943
4044

AE-P44-p16-Z


Увеличить

DIP40/PLCC44 specialized adapter for Microchip microcontrollers with clam shell socket.

Для просмотра списка микросхем, которые поддерживает программатор при наличии данного адаптера, выберите программатор из списка:


Таблица соединений адаптера:

DIP-40PLCC-44
12
23
34
45
56
67
78
89
910
1011
1112
1213
1314
1415
1516
1618
1719
1820
1921
2022
2123
2224
2325
2426
2527
2629
2730
2831
2932
3033
3134
3235
3336
3437
3538
3639
3741
3842
3943
4044

AE-P44-p17


Увеличить

DIP40/PLCC44 specialized adapter for Microchip microcontrollers with open top socket.

Для просмотра списка микросхем, которые поддерживает программатор при наличии данного адаптера, выберите программатор из списка:

Аналоги адаптера, поставляемые другими фирмами:
Logical Systems: PA17C42-PD


Таблица соединений адаптера:

DIP-40PLCC-44
11,44
23
34
45
56
67
78
89
910
1011,12
1113
1214
1315
1416
1517
1618
1719
1820
1921
2022
2123
2224
2325
2426
2527
2628
2729
2830
2931
3032
3133,34
3235
3336
3437
3538
3639
3740
3841
3942
4043

AE-P44-p17-Z


Увеличить

DIP40/PLCC44 specialized adapter for Microchip microcontrollers with clam shell socket.

Для просмотра списка микросхем, которые поддерживает программатор при наличии данного адаптера, выберите программатор из списка:


Таблица соединений адаптера:

DIP-40PLCC-44
11,44
23
34
45
56
67
78
89
910
1011,12
1113
1214
1315
1416
1517
1618
1719
1820
1921
2022
2123
2224
2325
2426
2527
2628
2729
2830
2931
3032
3133,34
3235
3336
3437
3538
3639
3740
3841
3942
4043

AE-P44U


Увеличить

DIP44/PLCC44 universal adapter with open top socket.

Для просмотра списка микросхем, которые поддерживает программатор при наличии данного адаптера, выберите программатор из списка:

Аналоги адаптера, поставляемые другими фирмами:
Logical Systems: PA44-PD


Таблица соединений адаптера:

DIP-44PLCC-44
11
22
33
44
55
66
77
88
99
1010
1111
1212
1313
1414
1515
1616
1717
1818
1919
2020
2121
2222
2323
2424
2525
2626
2727
2828
2929
3030
3131
3232
3333
3434
3535
3636
3737
3838
3939
4040
4141
4242
4343
4444

AE-P44U-Z


Увеличить

DIP44/PLCC44 universal adapter with clam shell socket.

Для просмотра списка микросхем, которые поддерживает программатор при наличии данного адаптера, выберите программатор из списка:

Аналоги адаптера, поставляемые другими фирмами:
Logical Systems: PA44-PDZ


Таблица соединений адаптера:

DIP-44PLCC-44
11
22
33
44
55
66
77
88
99
1010
1111
1212
1313
1414
1515
1616
1717
1818
1919
2020
2121
2222
2323
2424
2525
2626
2727
2828
2929
3030
3131
3232
3333
3434
3535
3636
3737
3838
3939
4040
4141
4242
4343
4444

AE-P52-HC908


Увеличить

DIP40/PLCC52 specialized adapter for Motorola/Freescale microcontrollers with open top socket.

Для просмотра списка микросхем, которые поддерживает программатор при наличии данного адаптера, выберите программатор из списка:


Таблица соединений адаптера:

DIP-40PLCC-52C1, 0,1мкФ
151 
2 2
311
4  
53 
610 
74 
85 
9  
107 
11  
12  
13  
149 
1535 
1636 
17  
18  
1925 
2026 
21  
22  
23  
24  
25  
26  
27  
28  
29  
30  
3150 
3252 
3327 
3428 
3529 
3630 
3731 
3832 
3933 
4034 

AE-P52-HC908-Z


Увеличить

DIP40/PLCC52 specialized adapter for Motorola/Freescale microcontrollers with clam shell socket.

Для просмотра списка микросхем, которые поддерживает программатор при наличии данного адаптера, выберите программатор из списка:


Таблица соединений адаптера:

DIP-40PLCC-52C1, 0,1мкФ
151 
2 2
311
4  
53 
610 
74 
85 
9  
107 
11  
12  
13  
149 
1535 
1636 
17  
18  
1925 
2026 
21  
22  
23  
24  
25  
26  
27  
28  
29  
30  
3150 
3252 
3327 
3428 
3529 
3630 
3731 
3832 
3933 
4034 

AE-P52-T5112


Увеличить

DIP40/PLCC52 specialized adapter for Atmel microcontrollers with open top socket.

Для просмотра списка микросхем, которые поддерживает программатор при наличии данного адаптера, выберите программатор из списка:


Таблица соединений адаптера:

DIP-40PLCC-52
152
251
335
434
533
632
727
826
92
1045
1144
1231
1330
1425
1522
1621
1719
1823
1924
208,9
2118
2217
2315
2414
2513
2612
2711
2810
2929
3028
3120
3236
3337
3438
3539
3640
3741
3842
3943
4016,1

AE-P52-T5112-Z


Увеличить

DIP40/PLCC52 specialized adapter for Atmel microcontrollers with clam shell socket.

Для просмотра списка микросхем, которые поддерживает программатор при наличии данного адаптера, выберите программатор из списка:


Таблица соединений адаптера:

DIP-40PLCC-52
152
251
335
434
533
632
727
826
92
1045
1144
1231
1330
1425
1522
1621
1719
1823
1924
208,9
2118
2217
2315
2414
2513
2612
2711
2810
2929
3028
3120
3236
3337
3438
3539
3640
3741
3842
3943
4016,1

AE-P52-T5131


Увеличить

DIP40/PLCC52 specialized adapter for Atmel microcontrollers with open top socket.

Для просмотра списка микросхем, которые поддерживает программатор при наличии данного адаптера, выберите программатор из списка:


Таблица соединений адаптера:

DIP-40PLCC-52
147
248
349
450
551
64
75
86
943
1020
1129
1230
1331
1432
1533
1635
1739
1812
1913
2019,41
211
222
233
249
2510
2611
2714
2815
2928
3027
3126
3236
3337
3438
3540
3642
3744
3845
3952
4016,17

AE-P52-T5131-Z


Увеличить

DIP40/PLCC52 specialized adapter for Atmel microcontrollers with clam shell socket.

Для просмотра списка микросхем, которые поддерживает программатор при наличии данного адаптера, выберите программатор из списка:


Таблица соединений адаптера:

DIP-40PLCC-52
147
248
349
450
551
64
75
86
943
1020
1129
1230
1331
1432
1533
1635
1739
1812
1913
2019,41
211
222
233
249
2510
2611
2714
2815
2928
3027
3126
3236
3337
3438
3540
3642
3744
3845
3952
4016,17

AE-P52-T51CC03


Увеличить

DIP40/PLCC52 specialized adapter for Atmel microcontrollers with open top socket.

Для просмотра списка микросхем, которые поддерживает программатор при наличии данного адаптера, выберите программатор из списка:


Таблица соединений адаптера:

DIP-40PLCC-52
14
25
36
47
58
69
710
811
91
1014
1116
1217
1318
1419
1520
1621
1722
1847
1948
202,51,52
2134
2232
2331
2430
2529
2628
2726
2825
2945
3046
3112
3244
3343
3441
3540
3639
3738
3837
3935
4049,5

AE-P52-T51CC03-Z


Увеличить

DIP40/PLCC52 specialized adapter for Atmel microcontrollers with clam shell socket.

Для просмотра списка микросхем, которые поддерживает программатор при наличии данного адаптера, выберите программатор из списка:


Таблица соединений адаптера:

DIP-40PLCC-52
14
25
36
47
58
69
710
811
91
1014
1116
1217
1318
1419
1520
1621
1722
1847
1948
202,51,52
2134
2232
2331
2430
2529
2628
2726
2825
2945
3046
3112
3244
3343
3441
3540
3639
3738
3837
3935
4049,5

AE-P52-d530


Увеличить

DIP40/PLCC52 specialized adapter for Dallas/Maxim microcontrollers with open top socket.

Для просмотра списка микросхем, которые поддерживает программатор при наличии данного адаптера, выберите программатор из списка:

Аналоги адаптера, поставляемые другими фирмами:
Logical Systems: PA530-52


Таблица соединений адаптера:

DIP-40PLCC-52
13
24
35
46
57
68
79
810
912
1318
1419
1520
1621
1722
1823
1924
201,25,26,51
2130
2231
2332
2433
2534
2635
2736
2837
2938
3039
3142
3243
3344
3445
3546
3647
3748
3849
3950
4052

AE-P52-d530-Z


Увеличить

DIP40/PLCC52 specialized adapter for Dallas/Maxim microcontrollers with clam shell socket.

Для просмотра списка микросхем, которые поддерживает программатор при наличии данного адаптера, выберите программатор из списка:


Таблица соединений адаптера:

DIP-40PLCC-52
13
24
35
46
57
68
79
810
912
1318
1419
1520
1621
1722
1823
1924
201,25,26,51
2130
2231
2332
2433
2534
2635
2736
2837
2938
3039
3142
3243
3344
3445
3546
3647
3748
3849
3950
4052

AE-P52-i196JQ


Увеличить

DIP40/PLCC52 specialized adapter for Intel microcontrollers with open top socket,

Для просмотра списка микросхем, которые поддерживает программатор при наличии данного адаптера, выберите программатор из списка:


Таблица соединений адаптера:

DIP-40PLCC-52C1, 0,1мкФ
124 
537 
638 
736 
835 
929 
1023 
1128 
1230 
144 
1627 
1731 
201,3,25,391
217 
228 
239 
2410 
2511 
2612 
2713 
2814 
2915 
3016 
3117 
3218 
3319 
3420 
3521 
3622 
3852 
4026,42

AE-P52-i196JQ-Z


Увеличить

DIP40/PLCC52 specialized adapter for Intel microcontrollers with clam shell socket,

Для просмотра списка микросхем, которые поддерживает программатор при наличии данного адаптера, выберите программатор из списка:


Таблица соединений адаптера:

DIP-40PLCC-52C1, 0,1мкФ
124 
537 
638 
736 
835 
929 
1023 
1128 
1230 
144 
1627 
1731 
201,3,25,391
217 
228 
239 
2410 
2511 
2612 
2713 
2814 
2915 
3016 
3117 
3218 
3319 
3420 
3521 
3622 
3852 
4026,42

AE-P68-T51


Увеличить

DIP40/PLCC68 specialized adapter for Atmel microcontrollers with open top socket.

Для просмотра списка микросхем, которые поддерживает программатор при наличии данного адаптера, выберите программатор из списка:


Таблица соединений адаптера:

DIP-40PLCC-68
119
221
322
423
525
627
728
829
930
1034
1139
1240
1341
1442
1543
1645
1747
1848
1949
2018.51
2154
2255
2356
2458
2559
2661
2764
2865
2967
3068
312
323
335
346
359
3611
3712
3814
3915
4017

AE-P68-T51-Z


Увеличить

DIP40/PLCC68 specialized adapter for Atmel microcontrollers with clam shell socket.

Для просмотра списка микросхем, которые поддерживает программатор при наличии данного адаптера, выберите программатор из списка:


Таблица соединений адаптера:

DIP-40PLCC-68
119
221
322
423
525
627
728
829
930
1034
1139
1240
1341
1442
1543
1645
1747
1848
1949
2018.51
2154
2255
2356
2458
2559
2661
2764
2865
2967
3068
312
323
335
346
359
3611
3712
3814
3915
4017

AE-P68-TMS14


Увеличить

DIP40/PLCC68 specialized adapter with open top socket.

Для просмотра списка микросхем, которые поддерживает программатор при наличии данного адаптера, выберите программатор из списка:


Таблица соединений адаптера:

DIP-40PLCC-68
156
255
318
4 
517
6 
7 
824
9 
103,34
1142
1241
1338
1437
1532
1631
1730
1829
19 
20 
21 
22 
2316
2423
2519
2615
2711
2810
298
304,33
31 
32 
33 
347
352
361
3768
3867
3966
4065

AE-P68-W79


Увеличить

DIP40/PLCC68 specialized adapter for Nuvoton/Winbond microcontrollers with open top socket.

Для просмотра списка микросхем, которые поддерживает программатор при наличии данного адаптера, выберите программатор из списка:


Таблица соединений адаптера:

DIP-40PLCC-68
12
23
34
45
56
67
78
89
914
1019
1121
1222
1323
1424
1525
1626
1727
1828
1929
2030
2140
2241
2342
2443
2544
2645
2746
2847
2948
3049
3151
3256
3357
3458
3559
3660
3761
3862
3963
4064

AE-P68-W79-Z


Увеличить

DIP40/PLCC68 specialized adapter for Nuvoton/Winbond microcontrollers with clam shell socket.

Для просмотра списка микросхем, которые поддерживает программатор при наличии данного адаптера, выберите программатор из списка:


Таблица соединений адаптера:

DIP-40PLCC-68
12
23
34
45
56
67
78
89
914
1019
1121
1222
1323
1424
1525
1626
1727
1828
1929
2030
2140
2241
2342
2443
2544
2645
2746
2847
2948
3049
3151
3256
3357
3458
3559
3660
3761
3862
3963
4064

AE-P68-i196CA


Увеличить

DIP40/PLCC68 specialized adapter for Intel microcontrollers with open top socket.

Для просмотра списка микросхем, которые поддерживает программатор при наличии данного адаптера, выберите программатор из списка:


Таблица соединений адаптера:

DIP-40PLCC-68C1, 0,1мкФ
131 
547 
648 
746 
845 
937 
1029 
1136 
1238 
146 
1635 
1739 
201,5,30,32,34,491
2111 
2212 
2313 
2414 
2515 
2616 
2717 
2818 
2919 
3020 
3121 
3222 
3323 
3424 
3527 
3628 
3868 
4033,50,582

AE-P68-i196CA-Z


Увеличить

DIP40/PLCC68 specialized adapter for Intel microcontrollers with clam shell socket.

Для просмотра списка микросхем, которые поддерживает программатор при наличии данного адаптера, выберите программатор из списка:


Таблица соединений адаптера:

DIP-40PLCC-68C1, 0,1мкФ
131 
547 
648 
746 
845 
937 
1029 
1136 
1238 
146 
1635 
1739 
201,5,30,32,34,491
2111 
2212 
2313 
2414 
2515 
2616 
2717 
2818 
2919 
3020 
3121 
3222 
3323 
3424 
3527 
3628 
3868 
4033,50,582

AE-P68-i196KD


Увеличить

DIP40/PLCC68 specialized adapter for Intel microcontrollers with open top socket.

Для просмотра списка микросхем, которые поддерживает программатор при наличии данного адаптера, выберите программатор из списка:


Таблица соединений адаптера:

DIP-40PLCC-68C1, 0,1мкФ
12 
58 
69 
710 
811 
915 
1016 
1117 
1242 
1437 
1618 
1733 
203...7,12,14,24...27,36,44,64,681
2145 
2246 
2347 
2448 
2549 
2650 
2751 
2852 
2953 
3054 
3155 
3256 
3357 
3458 
3559 
3660 
3867 
401,13,432

AE-P68-i196KD-Z


Увеличить

DIP40/PLCC68 specialized adapter for Intel microcontrollers with clam shell socket.

Для просмотра списка микросхем, которые поддерживает программатор при наличии данного адаптера, выберите программатор из списка:


Таблица соединений адаптера:

DIP-40PLCC-68C1, 0,1мкФ
12 
58 
69 
710 
811 
915 
1016 
1117 
1242 
1437 
1618 
1733 
203...7,12,14,24...27,36,44,64,681
2145 
2246 
2347 
2448 
2549 
2650 
2751 
2852 
2953 
3054 
3155 
3256 
3357 
3458 
3559 
3660 
3867 
401,13,432

Для просмотра списка микросхем, которые поддерживает программатор при наличии данного адаптера, выберите программатор из списка:


Увеличить

Таблица соединений адаптера:

DIP-40PLCC-68C1, 0,1мкФ
12 
58 
69 
710 
811 
915 
1016 
1117 
1242 
1437 
1618 
1733 
203...7,12,14,24...27,36,44,64,681
2145 
2246 
2347 
2448 
2549 
2650 
2751 
2852 
2953 
3054 
3155 
3256 
3357 
3458 
3559 
3660 
3867 
401,13,432

Для просмотра списка микросхем, которые поддерживает программатор при наличии данного адаптера, выберите программатор из списка:


Увеличить

Таблица соединений адаптера:

DIP-40PLCC-68C1, 0,1мкФ
12 
58 
69 
710 
811 
915 
1016 
1117 
1242 
1437 
1618 
1733 
203...7,12,14,24...27,36,44,64,681
2145 
2246 
2347 
2448 
2549 
2650 
2751 
2852 
2953 
3054 
3155 
3256 
3357 
3458 
3559 
3660 
3867 
401,13,432

AE-P68-i196KR


Увеличить

DIP40/PLCC68 specialized adapter for Intel microcontrollers with oprn top socket.

Для просмотра списка микросхем, которые поддерживает программатор при наличии данного адаптера, выберите программатор из списка:


Таблица соединений адаптера:

DIP-40PLCC-68C1, 0,1мкФ
12 
58 
69 
710 
811 
915 
1016 
1117 
1242 
1437 
1618 
1733 
203...7,12,14,24...27,36,44,64,681
2145 
2246 
2347 
2448 
2549 
2650 
2751 
2852 
2953 
3054 
3155 
3256 
3357 
3458 
3559 
3660 
3867 
401,13,432

AE-P68-i196KR-Z


Увеличить

DIP40/PLCC68 specialized adapter for Intel microcontrollers with clam shell socket.

Для просмотра списка микросхем, которые поддерживает программатор при наличии данного адаптера, выберите программатор из списка:


Таблица соединений адаптера:

DIP-40PLCC-68C1, 0,1мкФ
12 
58 
69 
710 
811 
915 
1016 
1117 
1242 
1437 
1618 
1733 
203...7,12,14,24...27,36,44,64,681
2145 
2246 
2347 
2448 
2549 
2650 
2751 
2852 
2953 
3054 
3155 
3256 
3357 
3458 
3559 
3660 
3867 
401,13,432

AE-P68-i196NT


Увеличить

DIP40/PLCC68 specialized adapter for Intel microcontrollers with open top socket.

Для просмотра списка микросхем, которые поддерживает программатор при наличии данного адаптера, выберите программатор из списка:


Таблица соединений адаптера:

DIP-40PLCC-68C1, 0,1мкФ
133 
546 
647 
745 
844 
938 
1031 
1137 
1240 
146 
1636 
1742 
205,32,34,48,681
2115 
2216 
2317 
2418 
2519 
2620 
2721 
2822 
2923 
3024 
3125 
3226 
3327 
3428 
3529 
3630 
3867 
4035,492

AE-P68-i196NT-Z


Увеличить

DIP40/PLCC68 specialized adapter for Intel microcontrollers with clam shell socket.

Для просмотра списка микросхем, которые поддерживает программатор при наличии данного адаптера, выберите программатор из списка:


Таблица соединений адаптера:

DIP-40PLCC-68C1, 0,1мкФ
133 
546 
647 
745 
844 
938 
1031 
1137 
1240 
146 
1636 
1742 
205,32,34,48,681
2115 
2216 
2317 
2418 
2519 
2620 
2721 
2822 
2923 
3024 
3125 
3226 
3327 
3428 
3529 
3630 
3867 
4035,492

AE-P68-i51GB


Увеличить

DIP40/PLCC68 specialized adapter for Intel microcontrollers with open top socket.

Для просмотра списка микросхем, которые поддерживает программатор при наличии данного адаптера, выберите программатор из списка:


Таблица соединений адаптера:

DIP-40PLCC-68
122
223
324
425
526
627
728
829
930
1031
1132
1233
1334
1435
1536
1637
1738
1853
1952
2040,51
2157
2258
2359
2460
2561
2662
2763
2864
2954
3055
3156
324
333
342
351
3668
3767
3866
3965
4013,39

AE-P68-i51GB-Z


Увеличить

DIP40/PLCC68 specialized adapter for Intel microcontrollers with clam shell socket.

Для просмотра списка микросхем, которые поддерживает программатор при наличии данного адаптера, выберите программатор из списка:


Таблица соединений адаптера:

DIP-40PLCC-68
122
223
324
425
526
627
728
829
930
1031
1132
1233
1334
1435
1536
1637
1738
1853
1952
2040,51
2157
2258
2359
2460
2561
2662
2763
2864
2954
3055
3156
324
333
342
351
3668
3767
3866
3965
4013,39

AE-P68-p658


Увеличить

DIP40/PLCC68 specialized adapter for Microchip PIC microcontrollers with open top socket.

Для просмотра списка микросхем, которые поддерживает программатор при наличии данного адаптера, выберите программатор из списка:


Таблица соединений адаптера:

DIP-40PLCC-68
117
57,23,24
4,31,402
1120,37,49
1416
1944
2019,36,53,68
2143
2242
3254
3465
3566
3622,64

AE-P68-p658-1


Увеличить

DIP40/PLCC68 specialized adapter for Microchip PIC microcontrollers with open top socket.

Для просмотра списка микросхем, которые поддерживает программатор при наличии данного адаптера, выберите программатор из списка:


Таблица соединений адаптера:

DIP-40PLCC-68
1,57,17,23,24
4,31,402
1120,29,37,49
1416
1944, 50
2019,30,36,53,68
2143
2242
2848
3254
3465
3566
3622,64

AE-P68-p658-1-Z


Увеличить

DIP40/PLCC68 specialized adapter for Microchip PIC microcontrollers with clam shell socket.

Для просмотра списка микросхем, которые поддерживает программатор при наличии данного адаптера, выберите программатор из списка:


Таблица соединений адаптера:

DIP-40PLCC-68
1,57,17,23,24
4,31,402
1120,29,37,49
1416
1944, 50
2019,30,36,53,68
2143
2242
2848
3254
3465
3566
3622,64

AE-P68-p658-Z


Увеличить

DIP40/PLCC68 specialized adapter for Microchip PIC microcontrollers with clam shell socket.

Для просмотра списка микросхем, которые поддерживает программатор при наличии данного адаптера, выберите программатор из списка:


Таблица соединений адаптера:

DIP-40PLCC-68
117
57,23,24
4,31,402
1120,37,49
1416
1944
2019,36,53,68
2143
2242
3254
3465
3566
3622,64

AE-P68-ph552


Увеличить

DIP40/PLCC68 specialized adapter for Philips/NXP microcontrollers with open top socket.

Для просмотра списка микросхем, которые поддерживает программатор при наличии данного адаптера, выберите программатор из списка:

Аналоги адаптера, поставляемые другими фирмами:
Logical Systems: PA552-68


Таблица соединений адаптера:

DIP-40PLCC-68
116
217
318
419
520
621
722
823
915
1024
1125
1226
1327
1428
1529
1630
1731
1834
1935
2036,37,60,58
2139
2240
2341
2442
2543
2644
2745
2846
2947
3048
3149
3250
3351
3452
3553
3654
3755
3856
3957
402

AE-P68-ph552-Z


Увеличить

DIP40/PLCC68 specialized adapter for Philips/NXP microcontrollers with clam shell socket.

Для просмотра списка микросхем, которые поддерживает программатор при наличии данного адаптера, выберите программатор из списка:


Таблица соединений адаптера:

DIP-40PLCC-68
116
217
318
419
520
621
722
823
915
1024
1125
1226
1327
1428
1529
1630
1731
1834
1935
2036,37,60,58
2139
2240
2341
2442
2543
2644
2745
2846
2947
3048
3149
3250
3351
3452
3553
3654
3755
3856
3957
402

AE-P84-A128


Увеличить

DIP40/PLCC84 specialized adapter for Altera EPMxxx devices with open top socket.

Для просмотра списка микросхем, которые поддерживает программатор при наличии данного адаптера, выберите программатор из списка:


Таблица соединений адаптера:

DIP-40PLCC-8474HC14C1, 0.1мкФC2, 0.1мкФ
12   
24   
36   
4    
59   
6 1  
 114  
712   
814   
920   
1021   
1123   
 27   
1230   
1331   
1433   
1534   
1635   
1737   
1839   
1940   
2042,7,19,32,47,59,72,82711
2145   
2246   
2348   
2451   
2552   
2654   
2757   
 58   
2860   
2962   
3064   
3165   
3266,3,13,26,38,43,53,78142 
33 5  
 708  
3471   
35    
3673   
3781   
38 11  
 8312  
3984  2
401   
  2.3  
  6.9  
  10.13  

Все незадействованные выводы PLCC-84 соединить с выводом 20 DIP-40 (GND) через 10 кОм.

AE-P84-A128-Z


Увеличить

DIP40/PLCC84 specialized adapter for Altera EPMxxx devices with clam shell socket.

Для просмотра списка микросхем, которые поддерживает программатор при наличии данного адаптера, выберите программатор из списка:


Таблица соединений адаптера:

DIP-40PLCC-8474HC14C1, 0.1мкФC2, 0.1мкФ
12   
24   
36   
4    
59   
6 1  
 114  
712   
814   
920   
1021   
1123   
 27   
1230   
1331   
1433   
1534   
1635   
1737   
1839   
1940   
2042,7,19,32,47,59,72,82711
2145   
2246   
2348   
2451   
2552   
2654   
2757   
 58   
2860   
2962   
3064   
3165   
3266,3,13,26,38,43,53,78142 
33 5  
 708  
3471   
35    
3673   
3781   
38 11  
 8312  
3984  2
401   
  2.3  
  6.9  
  10.13  

Все незадействованные выводы PLCC-84 соединить с выводом 20 DIP-40 (GND) через 10 кОм.

AE-P84-A64


Увеличить

DIP40/PLCC84 specialized adapter for Altera EPMxxx devices with open top socket.

Для просмотра списка микросхем, которые поддерживает программатор при наличии данного адаптера, выберите программатор из списка:


Таблица соединений адаптера:

DIP-40PLCC-8474AHC14C1, 0.1мкФC2, 0.1мкФ
12   
24   
356   
410   
514   
6,14    
729   
820   
935   
1023   
1116   
1217   
1331   
1533   
1636   
1737   
1839   
1941   
2042,7,19,32,47,59,72,821,3,5,7,911
2144   
2246   
2348   
2449   
2550   
2652   
2762   
2869   
2965   
3073   
3167   
3266,3,13,26,38,43,53,78142 
3368   
3471   
3577   
3679   
3781   
38 13  
 8310  
3984  2
401   
  11,12  

Все незадействованные выводы PLCC-84 соединить с выводом 20 DIP-40 (GND) через 10 кОм.

AE-P84-A64-Z


Увеличить

DIP40/PLCC84 specialized adapter for Altera EPMxxx devices with clam shell socket.

Для просмотра списка микросхем, которые поддерживает программатор при наличии данного адаптера, выберите программатор из списка:


Таблица соединений адаптера:

DIP-40PLCC-8474AHC14C1, 0.1мкФC2, 0.1мкФ
12   
24   
356   
410   
514   
6, 14    
729   
820   
935   
1023   
1116   
1217   
1331   
1533   
1636   
1737   
1839   
1941   
2042,7,19,32,47,59,72,821,3,5,7,911
2144   
2246   
2348   
2449   
2550   
2652   
2762   
2869   
2965   
3073   
3167   
3266,3,13,26,38,43,53,78142 
3368   
3471   
3577   
3679   
3781   
38 13  
 8310  
3984  2
401   
  11.12  

Все незадействованные выводы PLCC-84 соединить с выводом 20 DIP-40 (GND) через 10 кОм.

AE-P84-i196CB


Увеличить

DIP40/PLCC84 specialized adapter for Intel devices with open top socket.

Для просмотра списка микросхем, которые поддерживает программатор при наличии данного адаптера, выберите программатор из списка:


Таблица соединений адаптера:

DIP-40PLCC-84C1, 0.1мкФ
136 
556 
657 
755 
854 
942 
1034 
1141 
1244 
148 
1640 
1746 
201,23,37,39,49,61,841
2115 
2216 
2317 
2418 
2519 
2620 
2721 
2822 
2925 
3026 
3127 
3228 
3329 
3430 
3531 
3633 
3881 
402,24,38,48,60,752

AE-P84-i196CB-Z


Увеличить

DIP40/PLCC84 specialized adapter for Intel devices with clam shell socket.

Для просмотра списка микросхем, которые поддерживает программатор при наличии данного адаптера, выберите программатор из списка:


Таблица соединений адаптера:

DIP-40PLCC-84C1, 0.1мкФ
136 
556 
657 
755 
854 
942 
1034 
1141 
1244 
148 
1640 
1746 
201,23,37,39,49,61,841
2115 
2216 
2317 
2418 
2519 
2620 
2721 
2822 
2925 
3026 
3127 
3228 
3329 
3430 
3531 
3633 
3881 
402,24,38,48,60,752

AE-P84-i196MC


Увеличить

DIP40/PLCC84 specialized adapter for Intel devices with open top socket.

Для просмотра списка микросхем, которые поддерживает программатор при наличии данного адаптера, выберите программатор из списка:


Таблица соединений адаптера:

DIP-40PLCC-84C1, 0.1мкФ
136 
554 
653 
757 
858 
968 
1033 
1165 
1273 
146 
1664 
1775 
204,34,37,38,43,49,55,831
2112 
2213 
2315 
2417 
2518 
2619 
2720 
2821 
2924 
3025 
3126 
3227 
3328 
3429 
3530 
3631 
3882 
4014,39,562

AE-P84-i196MC-Z


Увеличить

DIP40/PLCC84 specialized adapter for Intel devices with clam shell socket.

Для просмотра списка микросхем, которые поддерживает программатор при наличии данного адаптера, выберите программатор из списка:


Таблица соединений адаптера:

DIP-40PLCC-84C1, 0.1мкФ
136 
554 
653 
757 
858 
968 
1033 
1165 
1273 
146 
1664 
1775 
204,34,37,38,43,49,55,831
2112 
2213 
2315 
2417 
2518 
2619 
2720 
2821 
2924 
3025 
3126 
3227 
3328 
3429 
3530 
3631 
3882 
4014,39,562

AE-P84-p858


Увеличить

DIP40/PLCC84 specialized adapter for Microchip PIC devices with open top socket.

Для просмотра списка микросхем, которые поддерживает программатор при наличии данного адаптера, выберите программатор из списка:


Таблица соединений адаптера:

DIP-40PLCC-84
121
1124,45,61
1420
1956
2023,44,65,84
2151
2250
2860
3266
402

AE-P84-p858-Z


Увеличить

DIP40/PLCC84 specialized adapter for Microchip PIC devices with clam shell socket.

Для просмотра списка микросхем, которые поддерживает программатор при наличии данного адаптера, выберите программатор из списка:


Таблица соединений адаптера:

DIP-40PLCC-84
121
1124,45,61
1420
1956
2023,44,65,84
2151
2250
2860
3266
402

AE-PR35-DS


Увеличить

DIP8/PR35 специализированный адаптер для микросхем фирмы Dallas.

Для просмотра списка микросхем, которые поддерживает программатор при наличии данного адаптера, выберите программатор из списка:


Таблица соединений адаптера:

Dip8PR-35
1 
23
32
41
5 
6 
7 
8 

AE-Q100-A128


Увеличить

DIP40/QFP100 специализированный адаптер для микросхем фирмы Altera.

Для просмотра списка микросхем, которые поддерживает программатор при наличии данного адаптера, выберите программатор из списка:


Таблица соединений адаптера:

DIP-40TQFP-10074HC14C1, 0.1мкФC2, 0.1мкФ
190   
292   
394   
4    
598   
6 1  
 1004  
71   
84   
912   
1013   
1115   
 19   
1223   
1324   
1427   
1529   
1630   
1732   
1835   
1936   
2038,86,11,26,43,59,74,95711
2141   
2242   
2345   
2448   
2550   
2653   
2756   
 58   
2860   
2962   
3064   
3165   
3239,91,3,18,34,51,66,82142 
33 5  
 718  
3473   
35    
3676   
3785   
38 12  
 8711  
3988  2
4089   
  2.3  
  6.9  
  10.13  

Все незадействованные выводы PLCC-84 соединить с выводом 20 DIP-40 (GND) через 10 кОм.

AE-Q100-A3064


Увеличить

DIP40/QFP100 специализированный адаптер для микросхем фирмы Altera.
Размеры корпуса: 14.0 x 14.0 x 1.0 мм, (корпус с выводами -16.0 x 16.0 мм), 0.5 мм шаг.

Для просмотра списка микросхем, которые поддерживает программатор при наличии данного адаптера, выберите программатор из списка:


Таблица соединений адаптера:

DIP-40TQFP-100C1, 0.1мкФC2, 0.1мкФ
114  
1215  
2038,86,11,26,33,43,53,59,65,74,78,9511
2762  
3239,91,3,18,34,51,66,822 
3473  
3988 2

AE-Q100-ATm1280


Увеличить

DIP40/QFP100 специализированный адаптер для микроконтроллеров семейства AVR фирмы Atmel.
Размеры корпуса: 14.0 x 14.0 x 1.0 мм, корпус с выводами -16.0 x 16.0 мм, 0.5 мм шаг.

Для просмотра списка микросхем, которые поддерживает программатор при наличии данного адаптера, выберите программатор из списка:


Таблица соединений адаптера:

DIP-40QFP-100
119
220
321
422
523
624
725
826
930
1043
1144
1245
1346
1447
1548
1649
1750
1833
1934
2011,32,62,81,99
2153
2254
2355
2456
2557
2658
2759
2860
294
303
312
3271
3372
3473
3574
3675
3776
3877
3978
4010,31,61,80,100

AE-Q100-CY8C38


Увеличить

DIP40/QFP100 специализированный адаптер для микроконтроллеров фирмы Cypress. Размеры корпуса: 14.0 x 14.0 x 1.0 мм, (корпус с выводами -16.0 x 16.0 мм), 0.5 мм шаг.

Для просмотра списка микросхем, которые поддерживает программатор при наличии данного адаптера, выберите программатор из списка:


Таблица соединений адаптера:

DIP-40QFP-100C1, 1uFC2, 1uFC3, 1uFC4..C10, 1uF
1125    
321    
520    
724    
923    
115    
 861   
 39 1  
 63  1 
4012,26,37,50,65,75,88,100   1
2010,13,14,38,64,66,87   2

AE-Q100-H8/3062(64)F


Увеличить

DIP40/QFP100 специализированный адаптер для микросхем фирмы Hitachi.

Для просмотра списка микросхем, которые поддерживает программатор при наличии данного адаптера, выберите программатор из списка:


Таблица соединений адаптера:

DIP-40QFP-100C1, 0.1мкФ
252 
390 
410 
8100 
956 
1055 
1234 
1333 
1432 
1531 
1630 
1729 
1828 
1927 
2046 
2136 
2237 
2338 
2439 
2540 
2641 
2742 
2843 
2945 
3164 
3247 
3348 
3449 
3550 
3651 
3758 
3869 
3970 
563 
666 
767 
1.462,89,71,76,77,35,68 
1.373,74,75,87,88,14,86,11,22,441
 12

AE-Q100-HCS12


Увеличить

DIP40/QFP100 специализированный адаптер для микроконтроллеров MC9S12xxx фирмы Motorola/Freescale.Размеры корпуса: 14.0 x 14.0 x 1.0 мм, (корпус с выводами -16.0 x 16.0 мм), 0.5 мм шаг.

Для просмотра списка микросхем, которые поддерживает программатор при наличии данного адаптера, выберите программатор из списка:


Таблица соединений адаптера:

DIP-48QFP-100
11
25
36
47
58
69
710
811
1429
1530
2860
2961
4085
4186
4288
4593
48100

AE-Q100-LM3S


Увеличить

DIP28/QFP100 специализированный адаптер для микроконтроллеров фирмы TI/Luminary. Размеры корпуса: 14.0 x 14.0 x 1.0 мм, (корпус с выводами -16.0 x 16.0 мм), 0.5 мм шаг.

Для просмотра списка микросхем, которые поддерживает программатор при наличии данного адаптера, выберите программатор из списка:


Таблица соединений адаптера:

DIP-28QFP-100C1, 1uFC2..C6, 1uF
189  
2880  
2779  
2678  
2577  
564  
1126  
1227  
-7,14,38,62,881 
73,8,20,32,44,55,56,68,81,93,98 1
84,9,15,33,39,45,54,57,63,69,82,87,94,9722

AE-Q100-LPC2000-1


Увеличить

DIP40/QFP100 специализированный адаптер для микроконтроллеров фирмы NXP/Phlips. Размеры корпуса: 14.0 x 14.0 x 1.0 мм, (корпус с выводами -16.0 x 16.0 мм), 0.5 мм шаг.

Для просмотра списка микросхем, которые поддерживает программатор при наличии данного адаптера, выберите программатор из списка:


Таблица соединений адаптера:

DIP-40LQFP-100
711
915
2031
2141
2655
2872
3183
3997
1798
1899
1017
2553
1623
1522
410
813
1928
2242
2354
2771
3284
3896

AE-Q100-LPC2000-2


Увеличить

DIP40/QFP100 специализированный адаптер для микроконтроллеров фирмы NXP/Phlips. Размеры корпуса: 14.0 x 14.0 x 1.0 мм, (корпус с выводами -16.0 x 16.0 мм), 0.5 мм шаг.

Для просмотра списка микросхем, которые поддерживает программатор при наличии данного адаптера, выберите программатор из списка:


Таблица соединений адаптера:

DIP-40LQFP-100
36
613
1932
2139
2240
3385
3795
177
189
1083
2526
1687
1588
511
1327
1433
2096
2338
3831
2437

AE-Q100-MAX2


Увеличить

DIP40/QFP100 специализированный адаптер для микросхем фирмы Altera.
Размеры корпуса: 14.0 x 14.0 x 1.0 мм, (корпус с выводами -16.0 x 16.0 мм), 0.5 мм шаг.

Для просмотра списка микросхем, которые поддерживает программатор при наличии данного адаптера, выберите программатор из списка:


Таблица соединений адаптера:

DIP-40TQFP-100C1, 0.1мкФC2, 0.1мкФ
1123  
1222  
2010,11,32,37,46,60,65,79,90,9311
2724  
3213,39,63,882 
3425  
399,31,45,59,80,94 2

AE-Q100-MSP430


Увеличить

DIP40/QFP100 специализированный адаптер для микроконтроллеров фирмы TI. Размеры корпуса: 14.0 x 14.0 x 1.0 мм, (корпус с выводами -16.0 x 16.0 мм), 0.5 мм шаг.

Для просмотра списка микросхем, которые поддерживает программатор при наличии данного адаптера, выберите программатор из списка:


Таблица соединений адаптера:

DIP-40QFP-100
401,60
68
89
2886
2987
3090
3291
3392
3493
3594
3198
2010,11,61,99
36100

AE-Q100-NEC-1


Увеличить

DIP40/QFP100 специализированный адаптер для микроконтроллеров фирмы NEC. Размеры корпуса: 14.0 x 14.0 x 1.0 мм, (корпус с выводами -16.0 x 16.0 мм), 0.5 мм шаг.

Для просмотра списка микросхем, которые поддерживает программатор при наличии данного адаптера, выберите программатор из списка:


Таблица соединений адаптера:

DIP-40LQFP-100
18
216
311
414
522
623
724
825
926
1061
1176
129
1320
1413
156
1621
1774
1843
1953
2075
213
2270
231
244
252
265
2712
2873
2910
3017
3118
3219
3333
3434
3577
3678
3769

AE-Q100-PSOC1


Увеличить

DIP40/QFP100 специализированный адаптер для микроконтроллеров фирмы Cypress. Размеры корпуса: 14.0 x 14.0 x 1.0 мм, (корпус с выводами -16.0 x 16.0 мм), 0.5 мм шаг.

Для просмотра списка микросхем, которые поддерживает программатор при наличии данного адаптера, выберите программатор из списка:


Таблица соединений адаптера:

TQFP100DIP40
1514
3015
3218
3511
4813
6217
6523
7912
8116
8224
8325
8426
8540

AE-Q100-RSC


Увеличить

DIP40/QFP100 специализированный адаптер для микроконтроллеров фирмы Sensory. Размеры корпуса: 14.0 x 14.0 x 1.0 мм, (корпус с выводами -16.0 x 16.0 мм), 0.5 мм шаг.

Для просмотра списка микросхем, которые поддерживает программатор при наличии данного адаптера, выберите программатор из списка:


Таблица соединений адаптера:

DIP-40QFP-100U1, 74AHC14C1, 0.1мкФC2, 2200пФR1, 470R
951    
17 1   
 94   
198    
206,18,26,58,68,745,7,9,11,1311 
2710    
28    1
 11   2
3012    
3175  2 
3253    
3354    
3455    
3556    
3659    
3760    
3861    
3962    
405,13,57,67,73,19142  
  2, 3   

AE-Q100-SAM3


Увеличить

DIP40/QFP100 специализированный адаптер для микроконтроллеров фирмы Atmel. Размеры корпуса: 14.0 x 14.0 x 1.0 мм, (корпус с выводами -16.0 x 16.0 мм), 0.5 мм шаг.

Для просмотра списка микросхем, которые поддерживает программатор при наличии данного адаптера, выберите программатор из списка:


Таблица соединений адаптера:

DIP-40QFP-100C1. 10 uFC2..C4, 0.1 uF
137  PGMD0
238  PGMD1
339  PGMD2
440  PGMD3
541  PGMD4
610  PGMD5
711  PGMD6
812  PGMD7
9    
109,34,52,59,73,83,871 VddCORE, VddPLL
11    
1213  PGMD8
1314  PGMD9
1417  PGMD10
1518  PGMD11
1619  PGMD12
1720  PGMD13
185  PGMD14
1921  PGMD15
203,35,46,61,72,82,8921GND
2129  PGMNVALID
2230  PGMM0
2331  PGMM1
2432  PGMM2
2533  PGMM3
26    
2726  PGMNCMD
2827  PGMRDY
2928  PGMNOE
30    
3143  ERASE
32    
33    
341,22,36,42,44,45,53,60,79,88 2VddIO, VddFLASH
3551  TDI
3654  TDO
3755  TMS
3875  XIN
3956  TCK
4047  NRSTB

AE-Q100-SAM7


Увеличить

DIP40/QFP100 специализированный адаптер для микроконтроллеров фирмы Atmel. Размеры корпуса: 14.0 x 14.0 x 1.0 мм, (корпус с выводами -16.0 x 16.0 мм), 0.5 мм шаг.

Для просмотра списка микросхем, которые поддерживает программатор при наличии данного адаптера, выберите программатор из списка:


Таблица соединений адаптера:

DIP-40QFP-100
120PGMD0
221PGMD1
322PGMD2
423PGMD3
524PGMD4
625PGMD5
726PGMD6
846PGMD7
9  
1015,37,62,87,100VddCORE, VddPLL
11  
1247PGMD8
1349PGMD9
1450PGMD10
1555PGMD11
1656PGMD12
1759PGMD13
1860PGMD14
1973PGMD15
202,16,32,52,68,83,96GND
2191PGMNVALID
2213PGMM0
2314PGMM1
2418PGMM2
2519PGMM3
26  
2788PGMNCMD
2889PGMRDY
2990PGMNOE
30  
3192ERASE
32  
33  
3417,33,48,58,61,81,82,84,95VddIO, VddFLASH
35  
36  
37  
3897XIN
39  
40  

AE-Q100-ST6280


Увеличить

DIP28/QFP100 specialized adapter for STMicroelectronics devices.

Для просмотра списка микросхем, которые поддерживает программатор при наличии данного адаптера, выберите программатор из списка:


Таблица соединений адаптера:

DIP-28PQFP-100C1, 0.1мкФC2, 0.1мкФ
1401 
2   
329  
428  
5   
6   
7   
8   
9   
1027 1
1130  
1231  
1332  
1433  
15   
16   
17   
18   
19   
20   
21   
22   
23   
24   
25   
26   
27   
284122

AE-Q100-STM32


Увеличить

DIP40/QFP100 специализированный адаптер для микроконтроллеров семейства STM32 фирмы STMicro. Размеры корпуса: 14.0 x 14.0 x 1.0 мм, (корпус с выводами -16.0 x 16.0 мм), 0.5 мм шаг.

Для просмотра списка микросхем, которые поддерживает программатор при наличии данного адаптера, выберите программатор из списка:


Таблица соединений адаптера:

DIP-40QFP-100C1..C6, 0.1 uF
512 
613 
714 
1937 
3694 
2269 
2370 
2672 
2976 
3077 
3189 
3290 
406,11,22,28,50,75,1001
2010,19,27,49,74,992

AE-Q100-W217


Увеличить

DIP40/QFP100 специализированный адаптер для микроконтроллеров фирмы Nuvoton/Winbond. Размеры корпуса: 14.0 x 20.0 x 2.75 мм, (корпус с выводами -117.4 x 23.4 мм), 0.65 мм шаг.

Для просмотра списка микросхем, которые поддерживает программатор при наличии данного адаптера, выберите программатор из списка:


Таблица соединений адаптера:

DIP-40QFP-100
163
264
365
466
567
668
769
870
994
1073
1174
1275
1376
1477
1578
1679
1780
1892
1993
202,10,61,71,91
213
224
235
246
257
268
2711
2812
2996
3097
3195
3220
3319
3418
3517
3616
3715
3814
3913
401,9,62,72,90

AE-Q100-X72/108


Увеличить

DIP40/QFP100 specialized adapter for Xilinx devices.

Для просмотра списка микросхем, которые поддерживает программатор при наличии данного адаптера, выберите программатор из списка:


Таблица соединений адаптера:

DIP-40TQFP-100C1, 0.1мкФC2, 0.1мкФ
113  
217  
318  
415  
516  
628  
729  
830  
932  
1033  
1135  
1236  
1337  
1455  
1549  
1650  
1752  
1856  
1958  
206211
2160  
2261  
2363  
2445  
2547  
2648  
2783  
2888 2
2989  
3090  
3191  
3252 
3393  
3494  
3595  
3696  
3797  
388  
3910  
4011  

AE-Q100-XMEGA


Увеличить

DIP40/QFP100 специализированный адаптер для микроконтроллеров фирмы Atmel. Размеры корпуса: 14.0 x 14.0 x 1.0 мм, (корпус с выводами -16.0 x 16.0 мм), 0.5 мм шаг.

Для просмотра списка микросхем, которые поддерживает программатор при наличии данного адаптера, выберите программатор из списка:


Таблица соединений адаптера:

Dip40QFP-100
113
124
713
814
2023
1924
2133
2334
2743
2644
2853
3054
3363
3464
3573
3674
3783
3884
3189
3290
1493
4094

AE-Q100-p33


Увеличить

DIP40/QFP100 специализированный адаптер для микроконтроллеров PIC фирмы Microchip. Размеры корпуса: 14.0 x 14.0 x 1.0 мм, (корпус с выводами -16.0 x 16.0 мм), 0.5 мм шаг.

Для просмотра списка микросхем, которые поддерживает программатор при наличии данного адаптера, выберите программатор из списка:


Таблица соединений адаптера:

DIP-40DIP-40QFP-100C1, 2.2 мкФC2, 2.2 мкФ
 4017,37,46,59,62,76,81,86,30  
 1413  
 1963  
 2015,36,40,45,60,65,72,79,82,3111
 31852 
 324  
 425  
 826  
 927  
 1175  
 629  
 2857  
 3267  
 573  
 3674  
 116 2

AE-Q100-p33-1


Увеличить

DIP40/QFP100 специализированный адаптер для микроконтроллеров PIC фирмы Microchip. Размеры корпуса: 12.0 x 12.0 x 1.4 мм, (корпус с выводами -14.0 x 14.0 мм), 0.4 мм шаг.

Для просмотра списка микросхем, которые поддерживает программатор при наличии данного адаптера, выберите программатор из списка:


Таблица соединений адаптера:

DIP-40DIP-40QFP-100C1, 2.2 мкФC2, 2.2 мкФ
 4017,37,46,59,62,76,81,86,30  
 1413  
 1963  
 2015,36,40,45,60,65,72,79,82,3111
 31852 
 324  
 425  
 826  
 927  
 1175  
 629  
 2857  
 3267  
 573  
 3674  
 116 2

AE-Q100Q-M16


Увеличить

DIP40/QFP100 специализированный адаптер для микроконтроллеров фирмы Renesas (Mitsubishi). Размеры корпуса: 14.0 x 14.0 x 1.4 мм, (корпус с выводами -16.0 x 16.0 мм), 0.5 мм шаг.

DIP40/QFP100 specialized adapter for Mitsubishi devices.

Для просмотра списка микросхем, которые поддерживает программатор при наличии данного адаптера, выберите программатор из списка:

Таблица соединений адаптера:

DIP-40100P6Q74HC573C1, 150пФC2, 0.1мкФ
1634  
2663  
3692  
470   
5675  
6646  
7687  
8658  
984   
1081   
1186   
1283   
1380   
1479   
1582   
1685   
176   
1810   
19 111 
2094,96,12,16, 17,18,39,621,1021
2113   
2215   
2328   
2441   
2544   
2642   
2743   
2840   
2950   
3078   
3175   
3272   
33619  
3477   
35    
3674   
3751   
3873   
3976   
4087,88,89,90, 91,92,93,95, 97, 98,99,100, 1,2,3,4, 5,7,8,9, 14,19,20,21, 22,23,24,25, 26,27, 29,30, 31,32,33,34, 35,36,37, 38, 45,46,47,48, 49,60,7120 2
 5212  
 5317  
 5415  
 5513  
 5618  
 5716  
 5814  
 5919  

AE-Q100S-M16


Увеличить

DIP40/QFP100 специализированный адаптер для микроконтроллеров фирмы Renesas (Mitsubishi). Размеры корпуса: 14.0 x 20.0 x 2.8 мм, (корпус с выводами -16.8 x 22.8 мм), 0.65 мм шаг.

DIP40/QFP100 specialized adapter for Mitsubishi devices.

Для просмотра списка микросхем, которые поддерживает программатор при наличии данного адаптера, выберите программатор из списка:

Таблица соединений адаптера:

DIP-40100P6S74HC573C1, 150пФC2, 0.1мкФ
DIP-40100P6S74HC573  
1654  
2683  
3712  
472   
5695  
6666  
7707  
8678  
986   
1083   
1188   
1285   
1382   
1481   
1584   
1687   
178   
1812   
19 111 
2096,98,14,18, 19,20,41,641,1021
2115   
2217   
2330   
2443   
2546   
2644   
2745   
2842   
2952   
3080   
3177   
3274   
33639  
3479   
35    
3676   
3753   
3875   
3978   
4089,90,91,92,93,94, 95,97,99,10,1,2,3,4,5,6, 7,9,10,11,16,21,22,23,24,25, 26,27,28,29,31,32,33,34, 35,36,37,38,39,40,47, 48,49,50,51,62,7320 2
 5412  
 5517  
 5615  
 5713  
 5818  
 5916  
 6014  
 6119  

AE-Q112-HCS12


Увеличить

DIP40/QFP112 специализированный адаптер для микроконтроллеров фирмы Motorola/Freescale MC9S12xxx . Размеры корпуса: 20.0 x 20.0 x 1.6 мм, (корпус с выводами -22.0 x 22.0 мм), 0.65 мм шаг.

Для просмотра списка микросхем, которые поддерживает программатор при наличии данного адаптера, выберите программатор из списка:


Таблица соединений адаптера:

DIP-48LQFP-112C1C2C3C4C5
15       
26      GND
3131      
4142    GND 
515       
616      GND
717       
823     BKGD 
925       
1026      GND
1129       
1235      GND
1336      VDD
1437      VDD
1538      GND
1639      BKGD
1740     GNDRESET
1841     VDDR 
1942     RESET 
2043      GND
2144      EXTAL
2245     GND 
2346     EXTALGND
2447       
2548     GND 
2650       
2757       
2860      GND
2963      VDD
3064       
3165 1     
3266 2   GND 
3369  1    
3470  2    
3572   1   
3673   2  GND
3782       
3883     VDDA 
3986     GND 
4093       
4196       
4297     VREGEN 
43101    1  
44102    2  
45103      VDD
46104      GND
47106     GND 
48107     VDDR 

C1..C5 - 0.1 мкФ

AE-Q144-A3128


Увеличить

DIP40/QFP144 специализированный адаптер для микроконтроллеров фирмы Altera. Размеры корпуса: 20.0 x 20.0 x 1.4 мм, (корпус с выводами -22.0 x 22.0 мм), 0.5 мм шаг.

Для просмотра списка микросхем, которые поддерживает программатор при наличии данного адаптера, выберите программатор из списка:


Таблица соединений адаптера:

DIP-40TQFP-144C1, 0.1мкФC2, 0.1мкФ
114  
1220  
2052,57,124,129,3,13,17,26,33,59,64,77,85,94,105,114,13511
2789  
3251,58,123,130,24,50,73,76,95,115,1442 
34104  
39126 2

AE-Q144-HCS12


Увеличить

DIP40/QFP144 специализированный адаптер для микроконтроллеров фирмы Motorola/Freescale MC9S12xxx . Размеры корпуса: 20.0 x 20.0 x 1.4 мм, (корпус с выводами -22.0 x 22.0 мм), 0.5 мм шаг.

Для просмотра списка микросхем, которые поддерживает программатор при наличии данного адаптера, выберите программатор из списка:


Таблица соединений адаптера:

DIP-48LQFP-144C1, 0.1 мкФC2, 0.1 мкФC3, 0.1 мкФ
15    
26    
39    
410    
5151   
6162  GND
719    
820    
925   BKGD
1026   VDD
1127   GND
1229    
1330    
1433    
1534    
1649    
1750    
1851    
1952   GND
2053   VDD
2154   RESET
2255    
2356    
2457   GND
2558   EXTAL
2660    
2767    
2873    
2976    
3079    
3181   GND
3282   VDD
3387 1  
3488 2 GND
3596  1 
3697  2 
37107    
38110   GND
39127   VDD
40131    
41132    
42133    
43138   GND
44139   VDD
4548    

AE-Q144-LPC2000-1


Увеличить

DIP40/QFP144 специализированный адаптер для микроконтроллеров фирмы NXP/Philips . Размеры корпуса: 20.0 x 20.0 x 1.4 мм, (корпус с выводами -22.0 x 22.0 мм), 0.5 мм шаг.

Для просмотра списка микросхем, которые поддерживает программатор при наличии данного адаптера, выберите программатор из списка:


Таблица соединений адаптера:

DIP-40LQFP-144
22
13
39
514
926
1131
1237
1438
1339
1742
1849
1951
2054
2157
2267
2377
2479
2592
2693
2794
28103
29104
30107
31110
32111
33112
34119
35128
10135
37138
38139
16141
15142
40143

AE-Q144-LPC2000-2


Увеличить

DIP40/QFP144 специализированный адаптер для микроконтроллеров фирмы NXP/Philips . Размеры корпуса: 20.0 x 20.0 x 1.4 мм, (корпус с выводами -22.0 x 22.0 мм), 0.5 мм шаг.

Для просмотра списка микросхем, которые поддерживает программатор при наличии данного адаптера, выберите программатор из списка:


Таблица соединений адаптера:

DIP-40LQFP-144
26
414
515
618
722
1024
1126
1531
1633
1941
2044
2159
2260
2362
2465
2576
2677
2779
28102
29103
30114
31117
32119
33121
37138
38139
17141
18142

AE-Q144-MAX2


Увеличить

DIP40/QFP144 специализированный адаптер для микроконтроллеров фирмы Altera. Размеры корпуса: 20.0 x 20.0 x 1.4 мм, (корпус с выводами -22.0 x 22.0 мм), 0.5 мм шаг.

Для просмотра списка микросхем, которые поддерживает программатор при наличии данного адаптера, выберите программатор из списка:


Таблица соединений адаптера:

DIP-40TQFP-144C1, 0.1мкФC2, 0.1мкФ
1134  
1233  
2010,17,26,47,54,65,83,92,99,115,128,13511
2735  
3219,56,90,1262 
3436  
399,25,46,64,82,100,116,136 2

AE-Q144-NEC


Увеличить

DIP40/QFP144 специализированный адаптер для микроконтроллеров фирмы NEC. Размеры корпуса: 20.0 x 20.0 x 1.4 мм, (корпус с выводами -22.0 x 22.0 мм), 0.5 мм шаг.

Для просмотра списка микросхем, которые поддерживает программатор при наличии данного адаптера, выберите программатор из списка:


Таблица соединений адаптера:

DIP-40LQFP-144
18
29
311
414
522
623
724
825
926
1085
11110
1212
131
142
1510
1613
1721
1828
1929
2030
2131
2232
2333
2434
2535
2663
2764
28107
29108
30104
31103
325

AE-Q144-SAM3


Увеличить

DIP40/QFP144 специализированный адаптер для микроконтроллеров фирмы Atmel. Размеры корпуса: 20.0 x 20.0 x 1.4 мм, (корпус с выводами -22.0 x 22.0 мм), 0.5 мм шаг.

Для просмотра списка микросхем, которые поддерживает программатор при наличии данного адаптера, выберите программатор из списка:


Таблица соединений адаптера:

DIP-40QFP-144C1, 10 uFC2..C4, 0.1 uF
1128  PGMD0
2130  PGMD1
3132  PGMD2
4133  PGMD3
5134  PGMD4
687  PGMD5
788  PGMD6
891  PGMD7
9    
102,16,27,34,44,50,86,1251 VddCORE, VddPLL
11    
1293  PGMD8
1395  PGMD9
1499  PGMD10
15100  PGMD11
16101  PGMD12
17102  PGMD13
1877  PGMD14
19103  PGMD15
2018,33,43,52,60,75,90,126,14021GND
21115  PGMNVALID
22117  PGMM0
23119  PGMM1
24121  PGMM2
25123  PGMM3
26    
27109  PGMNCMD
28111  PGMRDY
29113  PGMNOE
30    
31137  ERASE
32    
33    
343,17,40,51,73,85,104,127,135,138,139 2VddIO, VddFLASH
351  TDI
364  TDO
377  TMS
3836  XIN
399  TCK
40141  NRSTB

AE-Q144-STM32


Увеличить

DIP40/QFP144 специализированный адаптер для микроконтроллеров семейства STM32 фирмы STMicro. Размеры корпуса: 20.0 x 20.0 x 1.4 мм, (корпус с выводами -22.0 x 22.0 мм), 0.5 мм шаг.

Для просмотра списка микросхем, которые поддерживает программатор при наличии данного адаптера, выберите программатор из списка:


Таблица соединений адаптера:

DIP-40QFP-48C1, 0.1 uF
523 
624 
725 
1948 
36138 
22101 
23102 
26105 
29109 
30110 
31133 
32134 
406,33,39,72,108,144,17,52,62,84,95,121,1311
2030,38,71,107,143,16,51,61,83,94,120,1302

AE-Q176-SST79


Увеличить

DIP40/QFP176 специализированный адаптер для микроконтроллеров фирмы SST. Размеры корпуса: 20.0 x 20.0 x 1.5 мм, (корпус с выводами -22.0 x 22.0 мм), 0.4 мм шаг.

Для просмотра списка микросхем, которые поддерживает программатор при наличии данного адаптера, выберите программатор из списка:


Таблица соединений адаптера:

DIP-40LQFP-176C1, 1.0uF
9155 
1288 
25163 
26162 
27157 
28156 
38164 
35166 
31154 
36167 
2081 
1980 
1879 
24131 
3025,42,55,59,67,68,96,133,153,160,161,168,169,176,174,1751
391,24,43,44,58,66,93,132,152,158,159,170,172,173 
 1712

C1 - 0805

AE-Q32-AV1


Увеличить

DIP28/QFP32 специализированный адаптер для микроконтроллеров фирмы Atmel. Размеры корпуса: 7.0 x 7.0 x 1.2 мм, (корпус с выводами -9.0 x 9.0 мм), 0.8 мм шаг.

Для просмотра списка микросхем, которые поддерживает программатор при наличии данного адаптера, выберите программатор из списка:

Аналоги адаптера, поставляемые другими фирмами:
Logical Systems: PA32Q1498-28D6-20


Таблица соединений адаптера:

DIP28TQFP-32
129
230
331
432
51
62
74,6
83,5
97
108
119
1210
1311
1412
1513
1614
1715
1816
1917
2018
2120
2221
2323
2424
2525
2626
2727
2828

AE-Q32-STM8


Увеличить

DIP32/QFP32 специализированный адаптер для микроконтроллеров семейства STM8 фирмы STMicro. Размеры корпуса: 7.0 x 7.0 x 1.2 мм, (корпус с выводами -9.0 x 9.0 мм), 0.8 мм шаг.

Для просмотра списка микросхем, которые поддерживает программатор при наличии данного адаптера, выберите программатор из списка:


Таблица соединений адаптера:

DIP-32QFP-3274AHC126R1, 510RC1, 1мкФC2, 1мкФ
101    
1342,4,5,7,9,10,12,13 11
-5  2 
156    
167141 2
179    
1810    
24 1   
252632  

AE-Q32-XE03


Увеличить

DIP40/QFP32 специализированный адаптер для микроконтроллеров фирмы Semtech/Xemics. Размеры корпуса: 7.0 x 7.0 x 1.2 мм, (корпус с выводами -9.0 x 9.0 мм), 0.8 мм шаг.

Для просмотра списка микросхем, которые поддерживает программатор при наличии данного адаптера, выберите программатор из списка:


Таблица соединений адаптера:

DIP-40TQFP32C1, 1мкФ
119 
220 
33 
415 
5181
3717 
3816 
3911 
4013 
 142

AE-Q32U


Увеличить

DIP32/QFP32 универсальный адаптер. Размеры корпуса: 7.0 x 7.0 x 1.2 мм, (корпус с выводами -9.0 x 9.0 мм), 0.8 мм шаг.

Для просмотра списка микросхем, которые поддерживает программатор при наличии данного адаптера, выберите программатор из списка:


Таблица соединений адаптера:

DIP-32QFP-32
11
22
33
44
55
66
77
88
99
1010
1111
1212
1313
1414
1515
1616
1717
1818
1919
2020
2121
2222
2323
2424
2525
2626
2727
2828
2929
3030
3131
3232

AE-Q44-A32/64


Увеличить

DIP40/QFP44 специализированный адаптер для микросхем фирмы Alteral. Размеры корпуса: 10.0 x 10.0 мм, 0.8 мм шаг.

Для просмотра списка микросхем, которые поддерживает программатор при наличии данного адаптера, выберите программатор из списка:


Таблица соединений адаптера:

DIP-40QFP-4474AHC14C1, 0.1мкФC2, 0.1мкФ
140   
242   
344   
422   
523   
63   
74   
85   
96   
1034   
111   
127   
138   
1410   
1511   
1612   
1713   
1814   
1915   
2016,24,36711
2118   
2219   
2320   
2421   
252   
2625   
2726   
2827   
2928   
3043   
3130   
3229,41,09,17142 
3331   
3432   
3533   
3634   
3735   
38 11  
 3712  
3938  2
4039   
  10.13  

AE-Q44-AT17F


Увеличить

DIP40/QFP44 специализированный адаптер для микросхем фирмы Atmel. Размеры корпуса: 10.0 x 10.0 мм, 0.8 мм шаг.

Для просмотра списка микросхем, которые поддерживает программатор при наличии данного адаптера, выберите программатор из списка:


Таблица соединений адаптера:

DIP-20TQFP-44
 1 
 2 
 3 
 4 
 5 
 6 
 7 
 8 
 9 
 10 
 11 
 12 
1413reset
 14 
1815CE
 16 
 17 
1718Gnd
 19 
 20 
1321CEO
 22 
 23 
 24 
 25 
 26 
 27 
 28 
 29 
 30 
 31 
 32 
 33 
 34 
235SER
 36 
 37 
2038Vcc
 39 
140Data
 41 
 42 
343Clk
 44 

AE-Q44-AT17N


Увеличить

DIP40/QFP44 специализированный адаптер для микросхем фирмы Atmel. Размеры корпуса: 10.0 x 10.0 мм, 0.8 мм шаг.

Для просмотра списка микросхем, которые поддерживает программатор при наличии данного адаптера, выберите программатор из списка:


Таблица соединений адаптера:

DIP-20TQFP-44
 1
 2
 3
 4
 5
 6
 7
 8
 9
 10
 11
 12
813
 14
1015
 16
 17
1118
 19
 20
 21
 22
 23
 24
 25
 26
 27
 28
 29
 30
 31
 32
 33
 34
1835
 36
 37
2038
 39
140
 41
 42
343
 44

AE-Q44-AT32U4


Увеличить

DIP40/QFP44 специализированный адаптер для микросхем семейства AVR фирмы Atmel. Размеры корпуса: 10.0 x 10.0 мм, 0.8 мм шаг.

Для просмотра списка микросхем, которые поддерживает программатор при наличии данного адаптера, выберите программатор из списка:


Таблица соединений адаптера:

DIP-40QFP-44
18PB0
29PB1
310PB2
411PB3
528PB4
629PB5
730PB6
812PB7
913RESET
1014,24,34,44Vcc
115,15,23,35,43GND
1216XTAL2
1317XTAL1
1418PD0
1519PD1
1620PD2
1721PD3
1825PD4
1922PD5
2026PD6
2127PD7
22  
23  
24  
25  
26  
27  
28  
29  
30  
31  
32  
33  
34  
35  
36  
37  
38  
39  
401PE6(PA0)

AE-Q44-ATF1500


Увеличить

DIP40/QFP44 специализированный адаптер для микросхем фирмы Atmel. Размеры корпуса: 10.0 x 10.0 мм, 0.8 мм шаг.

Для просмотра списка микросхем, которые поддерживает программатор при наличии данного адаптера, выберите программатор из списка:


Таблица соединений адаптера:

DIP-40QFP-44C1, 0.1мкФC2, 0.1мкФ
1392 
240  
342  
443  
544  
61  
72  
83  
95  
106  
117  
128  
1310  
1411  
1512  
1613  
1714  
1815  
19   
204,16,24,3611
2118  
2219  
2320  
2421  
2522  
2623  
27   
2825  
2926  
3027  
3128  
3241,09,17,29 2
3330  
3431  
3532  
3633  
3734  
3835  
3937  
4038  

AE-Q44-LP6440


Увеличить

DIP40/QFP44 специализированный адаптер для микросхем семейства 8051 фирмы Atmel. Размеры корпуса: 10.0 x 10.0 мм, 0.8 мм шаг.

Для просмотра списка микросхем, которые поддерживает программатор при наличии данного адаптера, выберите программатор из списка:


Таблица соединений адаптера:

DIP-40TQFP-44
140
241
342
443
544
61
72
83
94
105
117
128
139
1410
1511
1612
1713
1814
1915
2016,17
2118
2219
2320
2421
2522
2623
2724
2825
2926
3027
3129
3230
3331
3432
3533
3634
3735
3836
3937
406,38,39

AE-Q44-P952


Увеличить

DIP40/QFP44 специализированный адаптер для микросхем фирмы NXP/Philips. Размеры корпуса: 10.0 x 10.0 мм, 0.8 мм шаг.

Для просмотра списка микросхем, которые поддерживает программатор при наличии данного адаптера, выберите программатор из списка:


Таблица соединений адаптера:

DIP-28QFP-44
337
440
643
716,41
85
173
184
1929
2031
217,30
2232
2333
2434
2535
2636

AE-Q44-PIC30


Увеличить

DIP40/QFP44 специализированный адаптер для микросхем PIC фирмы Microchip. Размеры корпуса: 10.0 x 10.0 мм, 0.8 мм шаг.

Для просмотра списка микросхем, которые поддерживает программатор при наличии данного адаптера, выберите программатор из списка:


Таблица соединений адаптера:

DIP-40TQFP-44
118
825
926
117,17
126
2016
2544
261
3129,39
3228
4040

AE-Q44-PIC30-1


Увеличить

DIP40/QFP44 специализированный адаптер для микросхем PIC фирмы Microchip. Размеры корпуса: 10.0 x 10.0 мм, 0.8 мм шаг.

Для просмотра списка микросхем, которые поддерживает программатор при наличии данного адаптера, выберите программатор из списка:


Таблица соединений адаптера:

DIP-40TQFP-44
118
117,17
126
2016
2544
261
3130,39
3229
4040

AE-Q44-PSOC1

DIP40/QFP44 специализированный адаптер для микроконтроллеров фирмы Cypress. Размеры корпуса: 10.0 x 10.0 мм, 0.8 мм шаг.

Для просмотра списка микросхем, которые поддерживает программатор при наличии данного адаптера, выберите программатор из списка:

Таблица соединений адаптера:

TQFP44DIP40
1611
1714
1813
2617
3940

AE-Q44-STM8


Увеличить

DIP40/QFP44 специализированный адаптер для микросхем STM8 фирмы STMicro. Размеры корпуса: 10.0 x 10.0 мм, 0.8 мм шаг.

Для просмотра списка микросхем, которые поддерживает программатор при наличии данного адаптера, выберите программатор из списка:


Таблица соединений адаптера:

DIP-40QFP-4474AHC126R1, 510RC1, 1мкФC2, 1мкФ
141    
174    
185  1 
-6  2 
197    
208    
2112    
2213    
26282,4,5,7,9,10,12,13  1
2729141 2
28 1   
293832  

AE-Q44-W79


Увеличить

DIP40/QFP44 специализированный адаптер для микроконтроллеров фирмы Nuvoton/Winbond. Размеры корпуса: 10.0 x 10.0 мм, 0.8 мм шаг.

Для просмотра списка микросхем, которые поддерживает программатор при наличии данного адаптера, выберите программатор из списка:


Таблица соединений адаптера:

DIP-40QFP-44
141
242
343
444
51
62
73
84
95
106
117
128
139
1410
1511
1612
1713
1814
1915
2016,38
2118
2219
2320
2421
2522
2623
2724
2825
2926
3027
3128
3229
3330
3431
3532
3633
3734
3835
3936
4037,39

AE-Q44-X36


Увеличить

DIP40/QFP44 специализированный адаптер для микросхем фирмы Xilinx. Размеры корпуса: 10.0 x 10.0 мм, 0.8 мм шаг.

Для просмотра списка микросхем, которые поддерживает программатор при наличии данного адаптера, выберите программатор из списка:


Таблица соединений адаптера:

DIP-40QFP-44C1, 0.1мкФC2, 0.1мкФ
139  
240  
341  
442  
51  
62  
73  
85  
96  
107  
118  
129  
1310  
1411  
1512  
1613  
1714  
1816  
1918  
2017,43,44,04,25,33,34,3711
2119  
2220  
2321  
24   
25   
26   
2721  
2826.152 
2923  
3024  
3127  
3235 2
3328  
3429  
3530  
3631  
3732  
3836  
3938  
4022  

AE-Q44-XC17


Увеличить

DIP40/QFP44 специализированный адаптер для микросхем фирмы Xilinx. Размеры корпуса: 10.0 x 10.0 мм, 0.8 мм шаг.

Для просмотра списка микросхем, которые поддерживает программатор при наличии данного адаптера, выберите программатор из списка:


Таблица соединений адаптера:

DIP-20TQFP-44SN74AHC14C1, 0.1uF
 1  
 2  
 3  
 4  
 5  
116  
 7  
208  
 9  
 10  
 11  
 12  
813  
 14  
1015  
2016  
2017  
1118  
 19  
 20  
1321  
 22  
 23  
1124  
 25  
2026141
 27  
112872
 29  
 30  
 31  
 32  
 33  
 34  
1835  
2036  
1137  
2038  
 39  
140  
1141  
 42  
3 1 
 44  
 434 
  2,3 

AE-Q44-XE01


Увеличить

DIP40/QFP44 специализированный адаптер для микросхем фирмы Semtech/Xemics. Размеры корпуса: 10.0 x 10.0 мм, 0.8 мм шаг.

Для просмотра списка микросхем, которые поддерживает программатор при наличии данного адаптера, выберите программатор из списка:


Таблица соединений адаптера:

DIP-40TQFP44C1, 0.1мкФ
140 
241 
312 
420 
5331
3738 
3839 
3936 
4034 
 352

AE-Q44-XMEGA


Увеличить

DIP40/QFP48 специализированный адаптер для микроконтроллеров фирмы Atmel. Размеры корпуса: 7.0 x 7.0 x 1.5 мм, (с выводами - 9.0 x 9.0), 0.5 мм шаг.

Для просмотра списка микросхем, которые поддерживает программатор при наличии данного адаптера, выберите программатор из списка:


Таблица соединений адаптера:

DIP-40QFP-44
78
89
1918
2019
2130
2231
3134
3235
3838
3939

AE-Q44-p33


Увеличить

DIP40/QFP44 специализированный адаптер для микросхем PIC фирмы Microchip. Размеры корпуса: 10.0 x 10.0 мм, 0.8 мм шаг.

Для просмотра списка микросхем, которые поддерживает программатор при наличии данного адаптера, выберите программатор из списка:


Таблица соединений адаптера:

DIP-40QFP-44C1, 2.2 мкФ
4028,40,17 
1418 
2029,39,161
3172
342 
441 
8, 1122 
9, 621 
286 
58 
369 

AE-Q44-p33GS


Увеличить

DIP40/QFP44 специализированный адаптер для микросхем PIC фирмы Microchip. Размеры корпуса: 10.0 x 10.0 мм, 0.8 мм шаг.

Для просмотра списка микросхем, которые поддерживает программатор при наличии данного адаптера, выберите программатор из списка:


Таблица соединений адаптера:

DipQFP-44C1, 2.2 мкФ
4029,40,17 
1418 
2039,30,6,161
3172
8,111 
9,644 

AE-Q44U


Увеличить

DIP44/QFP44 универсальный адаптер . Размеры корпуса: 10.0 x 10.0 мм, 0.8 мм шаг.

Для просмотра списка микросхем, которые поддерживает программатор при наличии данного адаптера, выберите программатор из списка:


Таблица соединений адаптера:

DIP-44QFP-44
11
22
33
44
55
66
77
88
99
1010
1111
1212
1313
1414
1515
1616
1717
1818
1919
2020
2121
2222
2323
2424
2525
2626
2727
2828
2929
3030
3131
3232
3333
3434
3535
3636
3737
3838
3939
4040
4141
4242
4343
4444

AE-Q48-F387


Увеличить

DIP40/QFP48 специализированный адаптер для микроконтроллеров фирмы Fujitsu. Размеры корпуса: 7.0 x 7.0 x 1.5 мм, (с выводами - 9.0 x 9.0), 0.5 мм шаг.

Для просмотра списка микросхем, которые поддерживает программатор при наличии данного адаптера, выберите программатор из списка:


Таблица соединений адаптера:

DIP-40LQFP-48
121
223
33
44
55
66
77
88
99
1010
1111
1212
1313
1414
1515
1616
1717
1818
1919
2025,37,45,48
2127
2228
2329
2430
2531
2632
2733
2834
2935
3036
3120
3222
3342
3426
35 
36 
3738
3839
3940
401,2,24,41,43,44,46,47

AE-Q48-HCS12


Увеличить

DIP48/QFP48 специализированный адаптер для микроконтроллеров фирмы Motorola/Freescale. Размеры корпуса: 7.0 x 7.0 x 1.5 мм, (с выводами - 9.0 x 9.0), 0.5 мм шаг.

Для просмотра списка микросхем, которые поддерживает программатор при наличии данного адаптера, выберите программатор из списка:


Таблица соединений адаптера:

DIP-48QFP-48C1, 0.1 мкФ
11 
22 
33 
44 
551
662
77 
88 
99 
1010 
1111 
1212 
1313 
1414 
1515 
1616 
1717 
1818 
1919 
2020 
2121 
2222 
2323 
2424 
2525 
2626 
2727 
2828 
2929 
3030 
3131 
3232 
3333 
3434 
3535 
3636 
3737 
3838 
3939 
4040 
4141 
4242 
4343 
4444 
4545 
4646 
4747 
4848 

AE-Q48-LM3S


Увеличить

DIP28/QFP48 специализированный адаптер для микроконтроллеров фирмы TI/Luminary. Размеры корпуса: 7.0 x 7.0 x 1.5 мм, (с выводами - 9.0 x 9.0), 0.5 мм шаг.

Для просмотра списка микросхем, которые поддерживает программатор при наличии данного адаптера, выберите программатор из списка:


Таблица соединений адаптера:

DIP-28QFP-48C1, 1uFC2..C5, 1uF
141  
2840  
2739  
2638  
2537  
55  
1117  
1218  
-61 
77,15,23,32 1
88,16,24,3122

AE-Q48-SAM7


Увеличить

DIP40/QFP48 специализированный адаптер для микроконтроллеров фирмы Atmel. Размеры корпуса: 7.0 x 7.0 x 1.5 мм, (с выводами - 9.0 x 9.0), 0.5 мм шаг.

Для просмотра списка микросхем, которые поддерживает программатор при наличии данного адаптера, выберите программатор из списка:


Таблица соединений адаптера:

DIP-40QFP-48
119PGMD0
217PGMD1
316PGMD2
415PGMD3
514PGMD4
69PGMD5
710PGMD6
811PGMD7
9  
1018, 41, 48VddCORE, VddPLL
11  
12 PGMD8
13 PGMD9
14 PGMD10
15 PGMD11
16 PGMD12
17 PGMD13
18 PGMD14
19 PGMD15
202, 32, 34, 44GND
2124PGMNVALID
2223PGMM0
2322PGMM1
2421PGMM2
2520PGMM3
26  
2728PGMNCMD
2827PGMRDY
2926PGMNOE
30  
3142ERASE
32  
33  
3413,30,33,35,36,43VddIO, VddFLASH
35  
36  
37  
3846XIN
39  
40  

AE-Q48-STM32


Увеличить

DIP40/QFP48 специализированный адаптер для микроконтроллеров фирмы STMicro. Размеры корпуса: 7.0 x 7.0 x 1.5 мм, (с выводами - 9.0 x 9.0), 0.5 мм шаг.

Для просмотра списка микросхем, которые поддерживает программатор при наличии данного адаптера, выберите программатор из списка:


Таблица соединений адаптера:

DIP-40QFP-48C1, 0.1 uF
55 
66 
77 
1920 
3644 
2230 
2331 
2634 
2937 
3038 
3139 
3240 
401,9,24,36,481
208,23,35,472

AE-Q48-STM8


Увеличить

DIP40/QFP48 специализированный адаптер для микроконтроллеров фирмы STMicro. Размеры корпуса: 7.0 x 7.0 x 1.5 мм, (с выводами - 9.0 x 9.0), 0.5 мм шаг.

Для просмотра списка микросхем, которые поддерживает программатор при наличии данного адаптера, выберите программатор из списка:


Таблица соединений адаптера:

DIP-40QFP-4874AHC126R1, 510RC1, 1мкФC2, 1мкФ
141    
174    
185  1 
 6  2 
197    
208    
2113    
2214    
26312,4,5,7,9,10,12,13  1
2732141 2
28 1   
294232  

AE-Q48-W79


Увеличить

DIP40/QFP48 специализированный адаптер для микроконтроллеров фирмы Nuvoton/Winbond. Размеры корпуса: 7.0 x 7.0 x 1.5 мм, (с выводами - 9.0 x 9.0), 0.5 мм шаг.

Для просмотра списка микросхем, которые поддерживает программатор при наличии данного адаптера, выберите программатор из списка:


Таблица соединений адаптера:

DIP-40LQFP-48
147
246
345
444
543
642
741
840
924
1036
1135
1234
1333
1432
1531
1630
1729
1810
199
2011.48
2123
2222
2321
2420
2519
2618
2717
2816
2913
3012
3126
328
337
346
355
364
373
382
391
4025.39

AE-Q48-W79-2


Увеличить

DIP40/QFP48 специализированный адаптер для микроконтроллеров фирмы Nuvoton/Winbond. Размеры корпуса: 7.0 x 7.0 x 1.5 мм, (с выводами - 9.0 x 9.0), 0.5 мм шаг.

Для просмотра списка микросхем, которые поддерживает программатор при наличии данного адаптера, выберите программатор из списка:


Таблица соединений адаптера:

DIP-40TQFP-48
143
244
345
446
547
61
72
83
94
105
117
128
139
1410
1511
1613
1714
1815
1916
2017
2119
2220
2321
2422
2523
2625
2726
2827
2928
3029
3131
3232
3333
3434
3535
3637
3738
3839
3940
4041

AE-Q48-W79-3


Увеличить

DIP40/QFP48 специализированный адаптер для микроконтроллеров фирмы Nuvoton/Winbond. Размеры корпуса: 7.0 x 7.0 x 1.5 мм, (с выводами - 9.0 x 9.0), 0.5 мм шаг.

Для просмотра списка микросхем, которые поддерживает программатор при наличии данного адаптера, выберите программатор из списка:


Таблица соединений адаптера:

DIP-40TQFP-48
121
222
323
424
525
626
727
828
929
1030
1131
1232
1333
1434
1535
1636
1737
1838
1939
2040,18
2146
2247
2348
241
252
263
274
285
296
307
318
329
3310
3411
3512
3613
3714
3815
3916
4017,19

AE-Q48-W79-4


Увеличить

DIP40/QFP48 специализированный адаптер для микроконтроллеров фирмы Nuvoton/Winbond. Размеры корпуса: 7.0 x 7.0 x 1.5 мм, (с выводами - 9.0 x 9.0), 0.5 мм шаг.

Для просмотра списка микросхем, которые поддерживает программатор при наличии данного адаптера, выберите программатор из списка:


Таблица соединений адаптера:

DIP-40TQFP-48
18
29
312
414
5-
616
717
818
9-
1041
1140
1239
1338
1435
1534
1633
1732
18-
19-
2010,11,19,20
2144
2245
2346
2447
2548
261
272
283
29-
30-
3115
3221
3322
3423
3524
3626
3727
3830
3931
4036,37

AE-Q48-XC800


Увеличить

DIP40/QFP48 специализированный адаптер для микроконтроллеров фирмы Infineon. Размеры корпуса: 7.0 x 7.0 x 1.5 мм, (с выводами - 9.0 x 9.0), 0.5 мм шаг.

Для просмотра списка микросхем, которые поддерживает программатор при наличии данного адаптера, выберите программатор из списка:


Таблица соединений адаптера:

DIP-40QFP-48C1, 0.1мкФ
1610 
205,18,23,421
2826 
2927 
3241 
3544 
 62
407,17,24,43 

AE-Q48-i51


Увеличить

DIP40/QFP48 специализированный адаптер для микроконтроллеров семейства 8051. Размеры корпуса: 7.0 x 7.0 x 1.5 мм, (с выводами - 9.0 x 9.0), 0.5 мм шаг.

Для просмотра списка микросхем, которые поддерживает программатор при наличии данного адаптера, выберите программатор из списка:


Таблица соединений адаптера:

DIP-40TQFP-48
143
244
345
446
547
62
73
84
95
106
118
129
1310
1411
1512
1613
1714
1815
1916
2017
2119
2220
2321
2422
2523
2626
2727
2828
2929
3030
3132
3233
3334
3435
3536
3637
3738
3839
3940
4041

AE-Q48U


Увеличить

DIP48/QFP48 универсальный адаптер. Размеры корпуса: 7.0 x 7.0 x 1.5 мм, (с выводами - 9.0 x 9.0), 0.5 мм шаг.

Для просмотра списка микросхем, которые поддерживает программатор при наличии данного адаптера, выберите программатор из списка:


Таблица соединений адаптера:

DIP-48QFP-48
11
22
33
44
55
66
77
88
99
1010
1111
1212
1313
1414
1515
1616
1717
1818
1919
2020
2121
2222
2323
2424
2525
2626
2727
2828
2929
3030
3131
3232
3333
3434
3535
3636
3737
3838
3939
4040
4141
4242
4343
4444
4545
4646
4747
4848

AE-Q52-HCS12


Увеличить

DIP40/QFP52 специализированный адаптер для микроконтроллеров фирмы Motorola/Freescale. Размеры корпуса: 10.0 x 10.0 x 1.7 мм, (с выводами - 12.0 x 12.0), 0.65 мм шаг.

Для просмотра списка микросхем, которые поддерживает программатор при наличии данного адаптера, выберите программатор из списка:


Таблица соединений адаптера:

DIP-40LQFP-52C1, 0.1 мкФ
661
772
1212 
1414 
1516 
1717 
1918 
2019 
1321 
1622 
1824 
3238 
3440 
3749 
3850 

AE-Q52-ST6232


Увеличить

DIP28/QFP52 specialized adapter for STMicroelectronics microcontrollers.

Для просмотра списка микросхем, которые поддерживает программатор при наличии данного адаптера, выберите программатор из списка:


Таблица соединений адаптера:

DIP-28PQFP-52C1, 0.1мкФC2, 0.1мкФ
111,91 
2   
32  
43  
5   
6   
7   
8   
9   
1011 1
1113  
1215  
1316  
1417  
15   
16   
17   
18   
19   
20   
21   
22   
23   
24   
25   
26   
27   
2810,822

AE-Q52-ST6235


Увеличить

DIP28/QFP52 specialized adapter for STMicroelectronics microcontrollers.

Для просмотра списка микросхем, которые поддерживает программатор при наличии данного адаптера, выберите программатор из списка:


Таблица соединений адаптера:

DIP-28PQFP-52C1, 0.1мкФC2, 0.1мкФ
111,91 
2   
32  
43  
5   
6   
7   
8   
9   
1011 1
1113  
1215  
1316  
1417  
15   
16   
17   
18   
19   
20   
21   
22   
23   
24   
25   
26   
27   
2810,822

AE-Q52-ST6245


Увеличить

DIP28/QFP52 specialized adapter for STMicroelectronics microcontrollers.

Для просмотра списка микросхем, которые поддерживает программатор при наличии данного адаптера, выберите программатор из списка:


Таблица соединений адаптера:

DIP-28PQFP-52C1, 0.1мкФC2, 0.1мкФ
1121 
2   
316  
415  
5   
6   
7   
8   
9   
1011 1
1114  
128  
139  
1410  
15   
16   
17   
18   
19   
20   
21   
22   
23   
24   
25   
26   
27   
281322

AE-Q64-ATm128


Увеличить

DIP40/QFP64 специализированный адаптер для микроконтроллеров AVR фирмы Atmel. Размеры корпуса: 14.0 x 14.0 x 1.2 мм, (с выводами - 16.0 x 16.0), 0.8 мм шаг.

Для просмотра списка микросхем, которые поддерживает программатор при наличии данного адаптера, выберите программатор из списка:


Таблица соединений адаптера:

DIP-40QFP-64
110
211
312
413
514
615
716
817
920
1025
1126
1227
1328
1429
1530
1631
1732
1823
1924
2022,53,63
2135
2236
2337
2438
2539
2640
2741
2842
294
303
312
3244
3345
3446
3547
3648
3749
3850
3951
4021,52,64

AE-Q64-F176-M23


Увеличить

DIP40/QFP64 специализированный адаптер для микроконтроллеров фирмы Fujitsu. Размеры корпуса: 12.0 x 12.0 x 1.7 мм, (с выводами - 14.0 x 14.0), 0.65 мм шаг.

Для просмотра списка микросхем, которые поддерживает программатор при наличии данного адаптера, выберите программатор из списка:


Таблица соединений адаптера:

DIP-40LQFP-64
113
227
312
411
510
69
78
87
96
105
1163
1236
1337
1438
1539
1640
1741
1842
1943
201,2,3,16,20,55
2114
2215
2328
2429
2530
2631
2732
2833
2934
3035
3121
32 
3344
3418
3547
3648
3724
3825
3926
404,17,19,22,23,45,46,49...54,56...62,64

AE-Q64-F176-M24


Увеличить

DIP40/QFP64 специализированный адаптер для микроконтроллеров фирмы Fujitsu. Размеры корпуса: 10.0 x 10.0 x 1.7 мм, (с выводами - 12.0 x 12.0), 0.5 мм шаг.

Для просмотра списка микросхем, которые поддерживает программатор при наличии данного адаптера, выберите программатор из списка:


Таблица соединений адаптера:

DIP-40LQFP-64
113
227
312
411
510
69
78
87
96
105
1163
1236
1337
1438
1539
1640
1741
1842
1943
201,2,3,16,20,55
2114
2215
2328
2429
2530
2631
2732
2833
2934
3035
3121
32 
3344
3418
3547
3648
3724
3825
3926
404,17,19,22,23,45,46,49...54,56...62,64

AE-Q64-H8/3664FP


Увеличить

DIP40/QFP64 специализированный адаптер для микроконтроллеров фирмы Hitachi. Размеры корпуса: 10.0 x 10.0 x 1.1 мм, (с выводами - 12.0 x 12.0), 0.5 мм шаг.

Для просмотра списка микросхем, которые поддерживает программатор при наличии данного адаптера, выберите программатор из списка:


Таблица соединений адаптера:

DIP-40QFP-64R1, 10kOмC1, 0.1мкФ
1   
2   
330  
427  
519  
614  
713  
854  
953  
1052  
1151  
1223  
1336  
1437  
1538  
165,9,60,61,62 1
177  
1811  
1910  
20   
21   
22   
23   
24   
2539  
2640  
2741  
2842  
2943  
3046  
3122  
3245  
3326  
3421  
3520  
3628  
3729  
38   
3944  
408,35,3,121 
 592 
 6 2

AE-Q64-HC908-1


Увеличить

DIP40/QFP64 специализированный адаптер для микроконтроллеров фирмы Motorola/Freescale. Размеры корпуса: 10.0 x 10.0 x 1.1 мм, (с выводами - 12.0 x 12.0), 0.5 мм шаг.

Для просмотра списка микросхем, которые поддерживает программатор при наличии данного адаптера, выберите программатор из списка:


Таблица соединений адаптера:

DIP-40QFP-64C1, 0,1мкФ
11 
22 
33 
412 
517 
618 
721 
822 
926 
1030 
1131 
1232 
1333 
1434 
1535 
1636 
1737 
1838 
1939 
2040 
2141 
2244 
2345 
2446 
2547 
2651 
2752 
2855 
29561
3059 
3160 
3261 
3363 
3464 
3527 
3648 
3749 
3850 
39  
40  
 572

AE-Q64-HC908-2


Увеличить

DIP40/QFP64 специализированный адаптер для микроконтроллеров фирмы Motorola/Freescale. Размеры корпуса: 14.0 x 14.0 x 1.2 мм, (с выводами - 16.0 x 16.0), 0.8 мм шаг.

Для просмотра списка микросхем, которые поддерживает программатор при наличии данного адаптера, выберите программатор из списка:


Таблица соединений адаптера:

DIP-40QFP-64C1, 0,1мкФ
11 
22 
33 
412 
517 
618 
721 
822 
926 
1030 
1131 
1232 
1333 
1434 
1535 
1636 
1737 
1838 
1939 
2040 
2141 
2244 
2345 
2446 
2547 
2651 
2752 
2855 
29561
3059 
3160 
3261 
3363 
3464 
3527 
3648 
3749 
3850 
39  
40  
 572

AE-Q64-HC908-LD/MR


Увеличить

DIP40/QFP64 специализированный адаптер для микроконтроллеров фирмы Motorola/Freescale. Размеры корпуса: 14.0 x 14.0 x 1.2 мм, (с выводами - 16.0 x 16.0), 0.8 мм шаг.

Для просмотра списка микросхем, которые поддерживает программатор при наличии данного адаптера, выберите программатор из списка:

AE-Q64-HCS08-1


Увеличить

DIP40/QFP64 специализированный адаптер для микроконтроллеров фирмы Motorola/Freescale. Размеры корпуса: 10.0 x 10.0 x 1.1 мм, (с выводами - 12.0 x 12.0), 0.5 мм шаг.

Для просмотра списка микросхем, которые поддерживает программатор при наличии данного адаптера, выберите программатор из списка:


Таблица соединений адаптера:

DIP-40QFP-64
11
33
76
87
108
1111
1221
1322
1423
1524
1625
2237
2338
2439
2540
2641
2742
3256
3558
3359
3963
3864

AE-Q64-HCS08-2


Увеличить

DIP40/QFP64 специализированный адаптер для микроконтроллеров фирмы Motorola/Freescale. Размеры корпуса: 14.0 x 14.0 x 2.4 мм, (с выводами - 17.0 x 17.0), 0.8 мм шаг.

Для просмотра списка микросхем, которые поддерживает программатор при наличии данного адаптера, выберите программатор из списка:


Таблица соединений адаптера:

DIP-40QFP-64
11
33
76
87
108
1111
1221
1322
1423
1524
1625
2237
2338
2439
2540
2641
2742
3256
3558
3359
3963
3864

AE-Q64-HCS12


Увеличить

DIP40/QFP64 специализированный адаптер для микроконтроллеров фирмы Motorola/Freescale. Размеры корпуса: 10.0 x 10.0 x 1.1 мм, (с выводами - 12.0 x 12.0), 0.5 мм шаг.

Для просмотра списка микросхем, которые поддерживает программатор при наличии данного адаптера, выберите программатор из списка:


Таблица соединений адаптера:

DIP-40LQFP-64
11
23
34
45
56
67
78
89
910
1015
1117
1218
1320
1421
1522
1623
1724
1825
1926
2027
2128
2230
2337
2438
2542
2643
2747
2849
2950
3051
3153
3254
3358
3459
3560
3661
3762
3864

AE-Q64-LM3S


Увеличить

DIP40/QFP64 специализированный адаптер для микроконтроллеров фирмы TI/Luminary. Размеры корпуса: 10.0 x 10.0 x 1.1 мм, (с выводами - 12.0 x 12.0), 0.5 мм шаг.

Для просмотра списка микросхем, которые поддерживает программатор при наличии данного адаптера, выберите программатор из списка:


Таблица соединений адаптера:

DIP-28QFP-64C1, 1uFC2..C5, 1uF
1-  
2852  
2751  
2650  
2549  
540  
1117  
1218  
-7,9,23,38,541 
73,12,28,37,43,59 1
84,10,13,24,29,36,39,44,53,6022

AE-Q64-LPC2000


Увеличить

DIP40/QFP64 специализированный адаптер для микроконтроллеров фирмы NXP/Philips. Размеры корпуса: 10.0 x 10.0 x 1.1 мм, (с выводами - 12.0 x 12.0), 0.5 мм шаг.

Для просмотра списка микросхем, которые поддерживает программатор при наличии данного адаптера, выберите программатор из списка:


Таблица соединений адаптера:

DIP-40LQFP-64
  
56
67
917
1118
1719
1821
1923
2025
2541
2742
2843
3049
3150
3251
1057
3458
3559
1661
1562
3963

AE-Q64-MAX51


Увеличить

DIP40/QFP64 специализированный адаптер для микроконтроллеров фирмы Maxim. Размеры корпуса: 10.0 x 10.0 x 1.1 мм, (с выводами - 12.0 x 12.0), 0.5 мм шаг.

Для просмотра списка микросхем, которые поддерживает программатор при наличии данного адаптера, выберите программатор из списка:


Таблица соединений адаптера:

DIP-40TQFP-64
149
250
351
452
553
654
755
856
958
1026
1125
1224
1323
1422
1521
1620
1719
1859
1960
2010,12,27,39,61
2129
2230
2331
2432
2533
2634
2735
2836
2937
3038
3157
3248
3347
3446
3545
3644
3743
3842
3941
409,11,28,40,62

AE-Q64-MSP430


Увеличить

DIP40/QFP64 специализированный адаптер для микроконтроллеров фирмы TI. Размеры корпуса: 10.0 x 10.0 x 1.1 мм, (с выводами - 12.0 x 12.0), 0.5 мм шаг.

Для просмотра списка микросхем, которые поддерживает программатор при наличии данного адаптера, выберите программатор из списка:


Таблица соединений адаптера:

DIP-40LQFP-64
401
68
89
710
1013
1322
2852
2953
3054
3255
3356
3457
3558
3162
2063
3664

AE-Q64-NEC-1


Увеличить

DIP40/QFP64 специализированный адаптер для микроконтроллеров фирмы NEC. Размеры корпуса: 10.0 x 10.0 x 1.1 мм, (с выводами - 12.0 x 12.0), 0.5 мм шаг.

Для просмотра списка микросхем, которые поддерживает программатор при наличии данного адаптера, выберите программатор из списка:


Таблица соединений адаптера:

DIP40QFP-64C1C2
13  
24  
36  
49  
519  
620  
721  
822  
923  
1045  
1152  
 5 1
138  
147  
1564  
 121 
1748  
1949  
2050  
2415  
2513  
266  
2844  
3046  
3147  
3216  
3314  
3410  
3511  
3633  
37 2 
38  2
39   

AE-Q64-NEC-2


Увеличить

DIP40/QFP64 специализированный адаптер для микроконтроллеров фирмы NEC. Размеры корпуса: 14.0 x 14.0 x 1.2 мм, (с выводами - 16.0 x 16.0), 0.8 мм шаг.

Для просмотра списка микросхем, которые поддерживает программатор при наличии данного адаптера, выберите программатор из списка:


Таблица соединений адаптера:

LQFP64DIP40
91
152
133
64
 5
446
 7
468
459

AE-Q64-NEC-3


Увеличить

DIP40/QFP64 специализированный адаптер для микроконтроллеров фирмы NEC. Размеры корпуса: 0.65 мм шаг.

Для просмотра списка микросхем, которые поддерживает программатор при наличии данного адаптера, выберите программатор из списка:


Таблица соединений адаптера:

LQFP64DIP40
91
152
133
64
 5
446
 7
468
459
 10
 11
312
813
714
 15
6416
4817
 18
5019
4920

AE-Q64-NEC-4


Увеличить

DIP40/QFP64 специализированный адаптер для микроконтроллеров фирмы NEC. Размеры корпуса: 0.4 мм шаг.

Для просмотра списка микросхем, которые поддерживает программатор при наличии данного адаптера, выберите программатор из списка:


Таблица соединений адаптера:

LQFP64DIP40
91
152
133
64
 5
446
 7
468
459

AE-Q64-PIC30-1


Увеличить

DIP40/QFP64 специализированный адаптер для PIC микроконтроллеров фирмы Microchip. Размеры корпуса: 10.0 x 10.0 x 1.1 мм, (с выводами - 12.0 x 12.0), 0.5 мм шаг.

Для просмотра списка микросхем, которые поддерживает программатор при наличии данного адаптера, выберите программатор из списка:


Таблица соединений адаптера:

DIP-40TQFP-64
17
1110,26
3238,57
4019
129
2020,25
3141,56
817
918

AE-Q64-PIC30-2


Увеличить

DIP40/QFP64 специализированный адаптер для PIC микроконтроллеров фирмы Microchip. Размеры корпуса: 14.0 x 14.0 x 1.2 мм, (с выводами - 16.0 x 16.0), 0.8 мм шаг.

Для просмотра списка микросхем, которые поддерживает программатор при наличии данного адаптера, выберите программатор из списка:


Таблица соединений адаптера:

DIP-40TQFP-64
17
1110,26
3238,57
4019
129
2020,25
3141,56
817,15
918,16

AE-Q64-SAM7


Увеличить

DIP40/QFP64 специализированный адаптер для микроконтроллеров фирмы Atmel. Размеры корпуса: 10.0 x 10.0 x 1.1 мм, (с выводами - 12.0 x 12.0), 0.5 мм шаг.

Для просмотра списка микросхем, которые поддерживает программатор при наличии данного адаптера, выберите программатор из списка:


Таблица соединений адаптера:

DIP-40QFP-64
127PGMD0
222PGMD1
321PGMD2
420PGMD3
519PGMD4
69PGMD5
710PGMD6
813PGMD7
9  
1012, 24,54,64VddCORE, VddPLL
11  
1216PGMD8
1311PGMD9
1414PGMD10
1515PGMD11
1623PGMD12
1725PGMD13
1826PGMD14
1937PGMD15
202, 17, 44, 46, 60GND
2132PGMNVALID
2231PGMM0
2330PGMM1
2429PGMM2
2528PGMM3
26  
2736PGMNCMD
2835PGMRDY
2934PGMNOE
30  
3155ERASE
32  
33  
3418,40,45,47,48,58,59VddIO, VddFLASH
35  
36  
37  
3862XIN
39  
40  

AE-Q64-ST6242


Увеличить

DIP28/QFP64 specialized adapter for STMicroelectronics microcontrollers.

Для просмотра списка микросхем, которые поддерживает программатор при наличии данного адаптера, выберите программатор из списка:


Таблица соединений адаптера:

DIP-28PQFP-64C1, 0.1мкФC2, 0.1мкФ
1171 
2   
321  
420  
5   
6   
7   
8   
9   
1016 1
1119  
1212  
1313  
1414  
15   
16   
17   
18   
19   
20   
21   
22   
23   
24   
25   
26   
27   
281822

AE-Q64-ST7-1


Увеличить

DIP40/QFP64 специализированный адаптер для микроконтроллеров фирмы STM. Размеры корпуса: 10.0 x 10.0 x 1.1 мм, (с выводами - 12.0 x 12.0), 0.5 мм шаг.

Для просмотра списка микросхем, которые поддерживает программатор при наличии данного адаптера, выберите программатор из списка:


Таблица соединений адаптера:

DIP-40QFP-64C1, 1мкФ
141 
174 
1851
 62
197 
208 
79 
2119 
2220 
1122 
823 
1224 
1325 
1631 
1532 
1033 
934 
2639 
2740 
541 
2347 
2448 
2550 
3051 
3153 
3254 
3355 
3456 
3557 
28.2958 
3659 
3760 
3861 
3962 
4063 

AE-Q64-ST7-2


Увеличить

DIP40/QFP64 специализированный адаптер для микроконтроллеров фирмы STM. Размеры корпуса: 14.0 x 14.0 x 1.2 мм, (с выводами - 16.0 x 16.0), 0.8 мм шаг.

Для просмотра списка микросхем, которые поддерживает программатор при наличии данного адаптера, выберите программатор из списка:


Таблица соединений адаптера:

DIP-40QFP-64C1, 1мкФ
141 
174 
1851
 62
197 
208 
79 
2119 
2220 
1122 
823 
1224 
1325 
1631 
1532 
1033 
934 
2639 
2740 
541 
2347 
2448 
2550 
3051 
3153 
3254 
3355 
3456 
3557 
28.2958 
3659 
3760 
3861 
3962 
4063 

AE-Q64-STM32


Увеличить

DIP40/QFP64 специализированный адаптер для микроконтроллеров фирмы STM. Размеры корпуса: 10.0 x 10.0 x 1.1 мм, (с выводами - 12.0 x 12.0), 0.5 мм шаг.

Для просмотра списка микросхем, которые поддерживает программатор при наличии данного адаптера, выберите программатор из списка:


Таблица соединений адаптера:

DIP-40QFP-48C1, 0.1 uF
55 
66 
77 
1928 
3660 
2242 
2343 
2646 
2949 
3050 
3155 
3256 
401,13,19,32,48,641
2012,18,31,47,632

AE-Q64-STM8


Увеличить

DIP40/QFP64 специализированный адаптер для микроконтроллеров фирмы STM. Размеры корпуса: 10.0 x 10.0 x 1.1 мм, (с выводами - 12.0 x 12.0), 0.5 мм шаг.

Для просмотра списка микросхем, которые поддерживает программатор при наличии данного адаптера, выберите программатор из списка:


Таблица соединений адаптера:

DIP-40QFP-6474AHC126R1, 510RC1, 1мкФC2, 1мкФ
141    
174    
185  1 
 6  2 
197    
208    
2119    
2220    
26392,4,5,7,9,10,12,13  1
2740141 2
28 1   
295832  

AE-Q64-T51


Увеличить

DIP40/QFP64 специализированный адаптер для микроконтроллеров фирмы Atmel. Размеры корпуса: 10.0 x 10.0 x 1.1 мм, (с выводами - 12.0 x 12.0), 0.5 мм шаг.

Для просмотра списка микросхем, которые поддерживает программатор при наличии данного адаптера, выберите программатор из списка:


Таблица соединений адаптера:

DIP-40QFP-64
110
212
313
414
516
618
719
820
921
1025
1128
1229
1330
1431
1532
1634
1736
1837
1938
2040
2143
2244
2345
2447
2548
2650
2753
2854
2955
3056
3158
3259
3360
3461
3564
362
373
385
396
408

AE-Q64-T5131


Увеличить

DIP40/QFP64 специализированный адаптер для микроконтроллеров фирмы Atmel. Размеры корпуса: 10.0 x 10.0 x 1.1 мм, (с выводами - 12.0 x 12.0), 0.5 мм шаг.

Для просмотра списка микросхем, которые поддерживает программатор при наличии данного адаптера, выберите программатор из списка:


Таблица соединений адаптера:

DIP-40QFP-64
150
251
352
453
554
659
760
861
944
1014
1127
1228
1329
1430
1531
1635
1739
185
196
2012.42
2156
2257
2358
242
253
264
277
288
2926
3025
3124
3236
3337
3438
3540
3643
3745
3846
3955
409, 10

AE-Q64-XC800


Увеличить

DIP40/QFP64 специализированный адаптер для микроконтроллеров фирмы Infineon. Размеры корпуса: 10.0 x 10.0 x 1.1 мм, (с выводами - 12.0 x 12.0), 0.5 мм шаг.

Для просмотра списка микросхем, которые поддерживает программатор при наличии данного адаптера, выберите программатор из списка:


Таблица соединений адаптера:

DIP-40QFP-64C1, 0.1мкФ
1616 
205,26,31,541
2834 
2935 
3253 
3558 
 62
407,25,32,55 

AE-Q64-XE05


Увеличить

DIP40/QFP64 специализированный адаптер для микроконтроллеров фирмы Semtech/Xemics. Размеры корпуса: 10.0 x 10.0 x 1.1 мм, (с выводами - 12.0 x 12.0), 0.5 мм шаг.

Для просмотра списка микросхем, которые поддерживает программатор при наличии данного адаптера, выберите программатор из списка:


Таблица соединений адаптера:

DIP-40QFP-64C1, 1мкФ
11 
22 
317 
433 
556,571
3763 
3862 
3961 
4055 
 582

AE-Q64-XMEGA


Увеличить

DIP40/QFP64 специализированный адаптер для микроконтроллеров AVR фирмы Atmel. Размеры корпуса: 14.0 x 14.0 x 1.2 мм, (с выводами - 16.0 x 16.0), 0.8 мм шаг.

Для просмотра списка микросхем, которые поддерживает программатор при наличии данного адаптера, выберите программатор из списка:


Таблица соединений адаптера:

Dip40QFP-64
714
815
1924
2025
2134
2235
2744
2845
2952
3053
3156
3257
3860
3961

AE-Q64-p33


Увеличить

DIP40/QFP64 специализированный адаптер для PIC микроконтроллеров фирмы Microchip. Размеры корпуса: 10.0 x 10.0 x 1.1 мм, (с выводами - 12.0 x 12.0), 0.5 мм шаг.

Для просмотра списка микросхем, которые поддерживает программатор при наличии данного адаптера, выберите программатор из списка:


Таблица соединений адаптера:

DIP-40QFP-64C1, 2.2 мкФC2, 2.2 мкФ
4026,38,57,19  
147  
1939  
209,25,41,2011
31562 
315  
416  
8, 1117  
9, 618  
2837  
3242  
547  
3648  
110 2

AE-Q64-p658


Увеличить

DIP40/QFP64 специализированный адаптер для PIC микроконтроллеров фирмы Microchip. Размеры корпуса: 10.0 x 10.0 x 1.1 мм, (с выводами - 12.0 x 12.0), 0.5 мм шаг.

Для просмотра списка микросхем, которые поддерживает программатор при наличии данного адаптера, выберите программатор из списка:


Таблица соединений адаптера:

DIP-40QFP-64
1,58
4,3157
1126,38,10,19
147
1933, 39
209,25,41,56,20
2132
2231
2837
3242
3453
3554
3612,52
4057

AE-Q64-p946


Увеличить

DIP40/QFP64 специализированный адаптер для PIC микроконтроллеров фирмы Microchip. Размеры корпуса: 10.0 x 10.0 x 1.1 мм, (с выводами - 12.0 x 12.0), 0.5 мм шаг.

Для просмотра списка микросхем, которые поддерживает программатор при наличии данного адаптера, выберите программатор из списка:


Таблица соединений адаптера:

DIP-40QFP-64
136
1339
319,25,41,56,20
4024
3923
3226,38,10,19,57

AE-Q64-ph554


Увеличить

DIP40/QFP64 специализированный адаптер для микроконтроллеров фирмы Philips/NXP. Размеры корпуса: 10.0 x 10.0 x 1.1 мм, (с выводами - 12.0 x 12.0), 0.5 мм шаг.

Для просмотра списка микросхем, которые поддерживает программатор при наличии данного адаптера, выберите программатор из списка:


Таблица соединений адаптера:

DIP-40QFP-64
123
224
325
426
527
628
729
830
922
1031
1132
1233
1334
1435
1536
1637
1738
1839
1940
2041,42,64
2143
2244
2345
2446
2547
2648
2749
2850
2951
3052
3153
3254
3355
3456
3557
3658
3759
3860
3961
409

AE-Q80-F32


Увеличить

DIP40/QFP80 специализированный адаптер для 32-bit Flash памяти.
Размеры корпуса: 20.0 x 14.0 x 3.2 мм, (с выводами - 23.2 x 17.2), 0.8 мм шаг.

Для просмотра списка микросхем, которые поддерживает программатор при наличии данного адаптера, выберите программатор из списка:


Таблица соединений адаптера:

DIP-40QFP-80U1, 74HC573U2, 74HC573U3, 74HC573C1, 150пФC2, 0.1мкФ
174     
275     
376     
41 2   
52 3   
63 4   
74 5   
87 6   
98 7   
109 8   
1110 9   
1211  2  
1312  3  
1413  4  
1514  5  
1617  6  
1718  7  
1819  8  
1920  9  
206,16,31,50,60,70,711, 101, 101, 1022
21 1111111 
2232     
2345     
2446     
2547     
2648     
2751     
2852     
2953     
3054     
31552    
32563    
33574    
34585    
35616    
36627    
37638    
38649    
3966     
405,15,21,33,49,59,65,73,77,78,80202020 1
 2219    
 2318    
 2417    
 2516    
 2615    
 2714    
 2813    
 2912    
 30 19   
 34 18   
 35 17   
 36 16   
 37 15   
 38 14   
 39 13   
 40 12   
 41  19  
 42  18  
 43  17  
 44  16  

AE-Q80-HCS08


Увеличить

DIP40/QFP80 специализированный адаптер для микроконтроллеров фирмы Motorola/Freescale. Размеры корпуса: 12.0 x 12.0 x 1.1 мм, (с выводами - 14.0 x 14.0), 0.5 мм шаг.

Для просмотра списка микросхем, которые поддерживает программатор при наличии данного адаптера, выберите программатор из списка:


Таблица соединений адаптера:

DIP-40QFP-80
78
1013
1432
1533
1734
2346
2550
2651
3979
4080

AE-Q80-HCS12-1


Увеличить

DIP48/QFP80 специализированный адаптер для микроконтроллеров фирмы Motorola/Freescale. Размеры корпуса: 14.0 x 14.0 x 1.2 мм, (с выводами - 16.0 x 16.0), 0.65 мм шаг.

Для просмотра списка микросхем, которые поддерживает программатор при наличии данного адаптера, выберите программатор из списка:


Таблица соединений адаптера:

DIP-48QFP-80C1C2C3C4
191   
2102   
311    
414    
515    
625    
726    
827    
928    
1029    
1130    
1231    
1332    
1433    
1534    
1635    
1736    
1838    
1924    
3041    
3143    
3244 1  
3345 2  
3449  1 
3550  2 
3652    
3753    
3858    
3959    
4062    
4167    
4269    
4372    
4473   1
4574   2
4675    
4776    
4877    

C1..C4 - 0.1 мкФ

AE-Q80-HCS12-2


Увеличить

DIP48/QFP80 специализированный адаптер для микроконтроллеров фирмы Motorola/Freescale. Размеры корпуса: 14.0 x 14.0 x 2.3 мм, (с выводами - 17.0 x 17.0), 0.65 мм шаг.

Для просмотра списка микросхем, которые поддерживает программатор при наличии данного адаптера, выберите программатор из списка:


Таблица соединений адаптера:

DIP-48QFP-80C1C2C3C4
191   
2102   
311    
414    
515    
625    
726    
827    
928    
1029    
1130    
1231    
1332    
1433    
1534    
1635    
1736    
1838    
1924    
3041    
3143    
3244 1  
3345 2  
3449  1 
3550  2 
3652    
3753    
3858    
3959    
4062    
4167    
4269    
4372    
4473   1
4574   2
4675    
4776    
4877    

C1..C4 - 0.1 мкФ

AE-Q80-MSP430


Увеличить

DIP40/QFP80 специализированный адаптер для микроконтроллеров фирмы TI. Размеры корпуса: 12.0 x 12.0 x 1.1 мм, (с выводами - 14.0 x 14.0), 0.5 мм шаг.

Для просмотра списка микросхем, которые поддерживает программатор при наличии данного адаптера, выберите программатор из списка:


Таблица соединений адаптера:

DIP-40QFP-80
401,52 
68 
89 
1013TxD
1322RxD
2866 
2967 
3070 
3271 
3372 
3473 
3574 
3178 
2010,11,53,79 
3680 

AE-Q80-PIC30-1


Увеличить

DIP40/QFP80 специализированный адаптер для микроконтроллеров PIC фирмы Microchip. Размеры корпуса: 12.0 x 12.0 x 1.1 мм, (с выводами - 14.0 x 14.0), 0.5 мм шаг.

Для просмотра списка микросхем, которые поддерживает программатор при наличии данного адаптера, выберите программатор из списка:


Таблица соединений адаптера:

DIP-40TQFP-80
19
1112,32
3248,71
4025
1211
2026,31
3170,51
819
920

AE-Q80-PIC30-2


Увеличить

DIP40/QFP80 специализированный адаптер для микроконтроллеров PIC фирмы Microchip. Размеры корпуса: 14.0 x 14.0 x 1.2 мм, (с выводами - 16.0 x 16.0), 0.65 мм шаг.

Для просмотра списка микросхем, которые поддерживает программатор при наличии данного адаптера, выберите программатор из списка:


Таблица соединений адаптера:

DIP-40TQFP-80
19
1112,32
3248,71
4025
1211
2026,31
3170,51
819
920

AE-Q80-ST6240


Увеличить

DIP28/QFP80 specialized adapter for STMicroelectronics microcontrollers.

Для просмотра списка микросхем, которые поддерживает программатор при наличии данного адаптера, выберите программатор из списка:


Таблица соединений адаптера:

DIP-28PQFP-80C1, 0.1мкФC2, 0.1мкФ
1231 
2   
327  
426  
5   
6   
7   
8   
9   
1018 1
1125  
1214  
1315  
1416  
15   
16   
17   
18   
19   
20   
21   
22   
23   
24   
25   
26   
27   
282422

AE-Q80-ST6285


Увеличить

DIP28/QFP80 specialized adapter for STMicroelectronics microcontrollers.

Для просмотра списка микросхем, которые поддерживает программатор при наличии данного адаптера, выберите программатор из списка:


Таблица соединений адаптера:

DIP-28PQFP-80C1, 0.1мкФC2, 0.1мкФ
1301 
2   
323  
422  
5   
6   
7   
8   
9   
1021 1
1124  
1225  
1326  
1427  
15   
16   
17   
18   
19   
20   
21   
22   
23   
24   
25   
26   
27   
283122

AE-Q80-ST7


Увеличить

DIP40/QFP80 специализированный адаптер для микроконтроллеров фирмы STM. Размеры корпуса: 14.0 x 14.0 x 1.6 мм, (с выводами - 16.0 x 16.0), 0.65 мм шаг.

Для просмотра списка микросхем, которые поддерживает программатор при наличии данного адаптера, выберите программатор из списка:


Таблица соединений адаптера:

DIP-40QFP-80C1, 1мкФ
141 
174 
1851
 62
197 
208 
59 
711 
612 
2123 
2224 
928 
1029 
1130 
1541 
1642 
1243 
1344 
2445 
2346 
2547 
2648 
2749 
3053 
3259 
3160 
3461 
3362 
3665 
3566 
3773 
28.2974 
3975 
3876 
4077 

AE-Q80-STM8


Увеличить

DIP40/QFP80 специализированный адаптер для микроконтроллеров фирмы STM. Размеры корпуса: 14.0 x 14.0 x 1.6 мм, (с выводами - 16.0 x 16.0), 0.65 мм шаг.

Для просмотра списка микросхем, которые поддерживает программатор при наличии данного адаптера, выберите программатор из списка:


Таблица соединений адаптера:

DIP-40QFP-8074AHC126R1, 510RC1, 1мкФC2, 1мкФ
141    
174    
185  1 
 6  2 
197    
208    
2123    
2224    
26482,4,5,7,9,10,12,13  1
2749141 2
28 1   
297432  

AE-Q80-T5132


Увеличить

DIP40/QFP80 специализированный адаптер для микроконтроллеров фирмы Atmel. Размеры корпуса: 14.0 x 14.0 x 1.2 мм, (с выводами - 16.0 x 16.0), 0.65 мм шаг.

Для просмотра списка микросхем, которые поддерживает программатор при наличии данного адаптера, выберите программатор из списка:


Таблица соединений адаптера:

DIP-40TQFP-80
13
24
35
46
57
68
79
810
947
1025
1126
1227
1328
1429
1530
1631
1732
1816
1917
2014,15,18,20,24,34,42,52,72
2164
2263
2358
2457
2556
2655
2754
2853
2967
3068
3165
3269
3370
3473
3574
3675
3776
3877
3978
4011,12,19,23,33,41,51,71

AE-Q80-p33


Увеличить

DIP40/QFP80 специализированный адаптер для микроконтроллеров PIC фирмы Microchip. Размеры корпуса: 12.0 x 12.0 x 1.1 мм, (с выводами - 14.0 x 14.0), 0.5 мм шаг.

Для просмотра списка микросхем, которые поддерживает программатор при наличии данного адаптера, выберите программатор из списка:


Таблица соединений адаптера:

DIP-40QFP-80C1, 2.2 мкФC2, 2.2 мкФ
4032,48,61,66,71,25  
149  
1949  
2011,31,51,57,64,67,2611
31702 
319  
420  
821  
922  
1123  
624  
2847  
3252  
559  
3660  
112 2

AE-Q80-p858


Увеличить

DIP40/QFP80 специализированный адаптер для микроконтроллеров PIC фирмы Microchip. Размеры корпуса: 12.0 x 12.0 x 1.1 мм, (с выводами - 14.0 x 14.0), 0.5 мм шаг.

Для просмотра списка микросхем, которые поддерживает программатор при наличии данного адаптера, выберите программатор из списка:


Таблица соединений адаптера:

DIP-40QFP-80
110
1132,48,71,25
149
1943
2011,31,51,70,26
2138
2237
2847
3252
4012

AE-QFN16U


Увеличить

DIP16/QFN16 универсальный адаптер. Размеры корпуса: 4.0 x 4.0 x 0.9 мм, 0.65 мм шаг.

Для просмотра списка микросхем, которые поддерживает программатор при наличии данного адаптера, выберите программатор из списка:


Таблица соединений адаптера:

DIP-16QFN-16
11
22
33
44
55
66
77
88
99
1010
1111
1212
1313
1414
1515
1616

AE-QFN20-AV1


Увеличить

DIP8/QFN20 специализированный адаптер для микроконтроллеров фирмы Atmel. Размеры корпуса: 4.0 x 4.0 x 0.9 мм, 0.5 мм шаг.

Для просмотра списка микросхем, которые поддерживает программатор при наличии данного адаптера, выберите программатор из списка:


Таблица соединений адаптера:

DIP-8QFN-20
11
22
35
48
511
612
714
815

AE-QFN20-AV2


Увеличить

DIP20/QFN20 специализированный адаптер для микроконтроллеров фирмы Atmel. Размеры корпуса: 4.0 x 4.0 x 0.9 мм, 0.5 мм шаг.

Для просмотра списка микросхем, которые поддерживает программатор при наличии данного адаптера, выберите программатор из списка:


Таблица соединений адаптера:

DIP-20QFN-20
119
220
31
42
53
64
75
86
97
108
119
1210
1311
1412
1513
1614
1715
1816
1917
2018

AE-QFN20-p16


Увеличить

DIP20/QFN20 специализированный адаптер для микроконтроллеров фирмы Microchip. Размеры корпуса: 4.0 x 4.0 x 0.9 мм, 0.5 мм шаг.

Для просмотра списка микросхем, которые поддерживает программатор при наличии данного адаптера, выберите программатор из списка:


Таблица соединений адаптера:

DIP-20QFN-20
118
219
320
41
52
63
74
85
96
107
118
129
1310
1411
1512
1613
1714
1815
1916
2017

AE-QFN24U


Увеличить

DIP24/QFN24 универсальный адаптер. Размеры корпуса: 4.0 x 4.0 x 0.9 мм, 0.5 мм шаг.

Для просмотра списка микросхем, которые поддерживает программатор при наличии данного адаптера, выберите программатор из списка:


Таблица соединений адаптера:

DIP-24QFN-24
11
22
33
44
55
66
77
88
99
1010
1111
1212
1313
1414
1515
1616
1717
1818
1919
2020
2121
2222
2323
2424

AE-QFN28-p16-2


Увеличить

DIP28/QFN28 специализированный адаптер для микроконтроллеров фирмы Microchip. Размеры корпуса: 6.0 x 6.0 x 0.9 мм, 0.65 мм шаг.

Для просмотра списка микросхем, которые поддерживает программатор при наличии данного адаптера, выберите программатор из списка:


Таблица соединений адаптера:

DIP-18MLF-28
126
227
328
41
53,5
67
78
89
910
1012
1113
1215
1316
1417,19
1520
1621
1723
1824

AE-QFN28U


Увеличить

DIP28/QFN28 универсальный адаптер. Размеры корпуса: 6.0 x 6.0 x 0.9 мм, 0.65 мм шаг.

Для просмотра списка микросхем, которые поддерживает программатор при наличии данного адаптера, выберите программатор из списка:


Таблица соединений адаптера:

DIP-28QFN-28
11
22
33
44
55
66
77
88
99
1010
1111
1212
1313
1414
1515
1616
1717
1818
1919
2020
2121
2222
2323
2424
2525
2626
2727
2828

AE-QFN32-AV1


Увеличить

DIP28/QFN32 специализированный адаптер для микроконтроллеров фирмы Atmel. Размеры корпуса: 5.0 x 5.0 x 1.0 мм, 0.5 мм шаг.

Для просмотра списка микросхем, которые поддерживает программатор при наличии данного адаптера, выберите программатор из списка:

Аналоги адаптера, поставляемые другими фирмами:
Emulation Technology: AS-32-28-01ML-3


Таблица соединений адаптера:

DIP28QFN-32
129
230
331
432
51
62
74,6
83,5
97
108
119
1210
1311
1412
1513
1614
1715
1816
1917
2018
2120
2221
2323
2424
2525
2626
2727
2828

AE-QFN32-AV2


Увеличить

DIP32/QFN32 специализированный адаптер для микроконтроллеров фирмы Atmel. Размеры корпуса: 7.0 x 7.0 x 1.0 мм, 0.65 мм шаг.

Для просмотра списка микросхем, которые поддерживает программатор при наличии данного адаптера, выберите программатор из списка:


Таблица соединений адаптера:

DIP32QFN-32
129
230
331
432
51
62
73
84
95
106
117
128
139
1410
1511
1612
1713
1814
1915
2016
2117
2218
2319
2420
2521
2622
2723
2824
2925
3026
3127
3228

AE-QFN32-AV3


Увеличить

DIP20/QFN32 специализированный адаптер для микроконтроллеров фирмы Atmel. Размеры корпуса: 5.0 x 5.0 x 1.0 мм, 0.5 мм шаг.

Для просмотра списка микросхем, которые поддерживает программатор при наличии данного адаптера, выберите программатор из списка:


Таблица соединений адаптера:

DIP20QFN-32
130
231
332
42
54
65
77
88
910
1011
1113
1214
1315
1417
1518
1621
1722
1823
1925
2026

AE-QFN32-AV4


Увеличить

DIP24/QFN32 специализированный адаптер для микроконтроллеров фирмы Atmel. Размеры корпуса: 7.0 x 7.0 x 1.0 мм, 0.65 мм шаг.

Для просмотра списка микросхем, которые поддерживает программатор при наличии данного адаптера, выберите программатор из списка:


Таблица соединений адаптера:

DIP24QFN-32
129
231
332
41
52
64
75
88
99
1010
1111
1212
1313
1414
1515
1616
1719
1820
1921
2023
2124
2226
2327
2428

AE-QFN32U2


Увеличить

DIP32/QFN32 универсальный адаптер. Размеры корпуса: 5.0 x 5.0 x 0.8-0.9 мм, 0.5 мм шаг.

Для просмотра списка микросхем, которые поддерживает программатор при наличии данного адаптера, выберите программатор из списка:


Таблица соединений адаптера:

DIP-32QFN-32
11
22
33
44
55
66
77
88
99
1010
1111
1212
1313
1414
1515
1616
1717
1818
1919
2020
2121
2222
2323
2424
2525
2626
2727
2828
2929
3030
3131
3232

AE-QFN40U


Увеличить

DIP40/QFN40 универсальный адаптер. Размеры корпуса: 6.0 x 6.0 x 0.75 мм, 0.5 мм шаг.

Для просмотра списка микросхем, которые поддерживает программатор при наличии данного адаптера, выберите программатор из списка:


Таблица соединений адаптера:

DIP-40WQFN-40
11
22
33
44
55
66
77
88
99
1010
1111
1212
1313
1414
1515
1616
1717
1818
1919
2020
2121
2222
2323
2424
2525
2626
2727
2828
2929
3030
3131
3232
3333
3434
3535
3636
3737
3838
3939
4040

AE-QFN44-AT32U4


Увеличить

DIP40/QFN44 специализированный адаптер для AVR микроконтроллеров фирмы Atmel. Размеры корпуса: 7.0 x 7.0 x 1.0 мм, 0.5 мм шаг.

Для просмотра списка микросхем, которые поддерживает программатор при наличии данного адаптера, выберите программатор из списка:


Таблица соединений адаптера:

DIP-40QFP-44
18PB0
29PB1
310PB2
411PB3
528PB4
629PB5
730PB6
812PB7
913RESET
1014,24,34,44Vcc
115,15,23,35,43GND
1216XTAL2
1317XTAL1
1418PD0
1519PD1
1620PD2
1721PD3
1825PD4
1922PD5
2026PD6
2127PD7
22  
23  
24  
25  
26  
27  
28  
29  
30  
31  
32  
33  
34  
35  
36  
37  
38  
39  
401PE6(PA0)

AE-QFN44-AT35


Увеличить

DIP40/QFN44 специализированный адаптер для AVR микроконтроллеров фирмы Atmel. Размеры корпуса: 7.0 x 7.0 x 1.0 мм, 0.5 мм шаг.

Для просмотра списка микросхем, которые поддерживает программатор при наличии данного адаптера, выберите программатор из списка:


Таблица соединений адаптера:

DIP-40QFN-44
140
241
342
443
544
61
72
83
94
105,17,38
116,18,28
127
138
149
1510
1611
1712
1813
1914
2015
2116
2219
2320
2421
2522
2623
2724
2825
2926
3027
3139
3229
3330
3431
3532
3633
3734
3835
3936
4037

AE-QFN44-XMEGA


Увеличить

DIP40/QFN44 специализированный адаптер для AVR микроконтроллеров фирмы Atmel. Размеры корпуса: 7.0 x 7.0 x 0.9 мм, 0.5 мм шаг.

Для просмотра списка микросхем, которые поддерживает программатор при наличии данного адаптера, выберите программатор из списка:


Таблица соединений адаптера:

DIP-40QFN-44
78
89
1918
2019
2130
2231
3134
3235
3838
3939

AE-QFN44-p16


Увеличить

DIP40/QFN44 специализированный адаптер для микроконтроллеров фирмы Microchip. Размеры корпуса: 8.0 x 8.0 x 0.9 мм, 0.65 мм шаг.

Для просмотра списка микросхем, которые поддерживает программатор при наличии данного адаптера, выберите программатор из списка:


Таблица соединений адаптера:

DIP-40QFN-44
118
219
320
421
522
623
724
825
926
1027
1128,29
1230,31
1332
1433
1534
1635
1736
1837
1938
2039
2140
2241
2342
2443
2544
261
272
283
294
305
316
327,8
339
3410
3511
3612
3714
3815
3916
4017

AE-QFN44-p33


Увеличить

DIP40/QFN44 специализированный адаптер для микроконтроллеров фирмы Microchip. Размеры корпуса: 8.0 x 8.0 x 0.9 мм, 0.65 мм шаг.

Для просмотра списка микросхем, которые поддерживает программатор при наличии данного адаптера, выберите программатор из списка:


Таблица соединений адаптера:

DIP-40DIP-40QFN-44C1, 2.2 мкФ
 4028,40,17 
 1418 
 2029,39,161
 3172
 342 
 441 
 8, 1122 
 9, 621 
 286 
 58 
 369 

AE-QFN44-p33GS


Увеличить

DIP40/QFN44 специализированный адаптер для микроконтроллеров фирмы Microchip. Размеры корпуса: 8.0 x 8.0 x 0.9 мм, 0.65 мм шаг.

Для просмотра списка микросхем, которые поддерживает программатор при наличии данного адаптера, выберите программатор из списка:


Таблица соединений адаптера:

DIP-40QFN-44C1, 2.2 мкФ
4029,40,17 
1418 
2030,39,6,161
3172
8, 111 
9, 644 

AE-QFN48-PSOC1


Увеличить

DIP48/QFN48 универсальный адаптер. Размеры корпуса: 7.0 x 7.0 x 1.0 мм, 0.5 мм шаг.

Для просмотра списка микросхем, которые поддерживает программатор при наличии данного адаптера, выберите программатор из списка:


Таблица соединений адаптера:

TQFP48DIP40
1711
1814
1913
2917
4240

AE-QFN48U


Увеличить

DIP48/QFN48 универсальный адаптер. Размеры корпуса: 7.0 x 7.0 x 1.0 мм, 0.5 мм шаг.

Для просмотра списка микросхем, которые поддерживает программатор при наличии данного адаптера, выберите программатор из списка:


Таблица соединений адаптера:

DIP-48QFN-48
11
22
33
44
55
66
77
88
99
1010
1111
1212
1313
1414
1515
1616
1717
1818
1919
2020
2121
2222
2323
2424
2525
2626
2727
2828
2929
3030
3131
3232
3333
3434
3535
3636
3737
3838
3939
4040
4141
4242
4343
4444
4545
4646
4747
4848

AE-QFN64-ATM128


Увеличить

DIP40/QFN64 специализированный адаптер для микроконтроллеров фирмы Atmel. Размеры корпуса: 9.0 x 9.0 x 0.9 мм, 0.5 мм шаг.

Для просмотра списка микросхем, которые поддерживает программатор при наличии данного адаптера, выберите программатор из списка:


Таблица соединений адаптера:

DIP-40QFPN-64
110
211
312
413
514
615
716
817
920
1025
1126
1227
1328
1429
1530
1631
1732
1823
1924
2022,53,63
2135
2236
2337
2438
2539
2640
2741
2842
294
303
312
3244
3345
3446
3547
3648
3749
3850
3951
4021,52,64

AE-QFN64-MSP430


Увеличить

DIP40/QFN64 специализированный адаптер для микроконтроллеров фирмы TI. Размеры корпуса: 9.0 x 9.0 x 0.9 мм, 0.5 мм шаг.

Для просмотра списка микросхем, которые поддерживает программатор при наличии данного адаптера, выберите программатор из списка:


Таблица соединений адаптера:

DIP-40QFN-64
401  
68  
89  
710  
1013P1.1TxD
1322P2.2RxD
2852  
2953  
3054  
3255  
3356  
3457  
3558  
3162  
2063  
3664  

AE-QFN64-XMEGA


Увеличить

DIP40/QFN64 специализированный адаптер для микроконтроллеров фирмы Atmel. Размеры корпуса: 9.0 x 9.0 x 0.9 мм, 0.5 мм шаг.

Для просмотра списка микросхем, которые поддерживает программатор при наличии данного адаптера, выберите программатор из списка:


Таблица соединений адаптера:

Dip40QFN-64
714
815
1924
2025
2134
2235
2744
2845
2952
3053
3156
3257
3860
3961

AE-QFN68-PSOC1


Увеличить

DIP40/QFN68 специализированный адаптер для микроконтроллеров фирмы Cypress. Размеры корпуса: 8.0 x 8.0 x 0.9 мм, 0.4 мм шаг.

Для просмотра списка микросхем, которые поддерживает программатор при наличии данного адаптера, выберите программатор из списка:


Таблица соединений адаптера:

QFN68Dip40
714
1911
2015
2318
3213
4617
5923
6040

AE-SC18/28-25XX


Увеличить

DIP28/SOIC28 специализированный адаптер для микросхем памяти серии 25xxx. Размеры корпуса: ширина - 7.65 мм (300mil), 1.27мм шаг.

Для просмотра списка микросхем, которые поддерживает программатор при наличии данного адаптера, выберите программатор из списка:


Таблица соединений адаптера:

DIP-28SOIC-2874AHC14С1, 0.1мкФС2, 75пФ
11   
22141 
33   
44   
55   
66   
77   
88   
99   
1010   
1111   
1212   
1313   
1414   
1515   
1616   
1717   
1818   
1919   
2020   
2121   
22225,7,9,11,1321
2323   
2424   
2525   
2626   
2727   
 284  
28 1 2
  2.3  

AE-SC18/28U


Увеличить

DIP28/SOIC28 универсальный адаптер. Размеры корпуса микросхемы: ширина - 7.65 мм (300mil), 1.27мм шаг.

Для просмотра списка микросхем, которые поддерживает программатор при наличии данного адаптера, выберите программатор из списка:

Аналоги адаптера, поставляемые другими фирмами:
Logical Systems: PA28SO1-08-3


Таблица соединений адаптера:

DIP-28SOIC-28
11
22
33
44
55
66
77
88
99
1010
1111
1212
1313
1414
1515
1616
1717
1818
1919
2020
2121
2222
2323
2424
2525
2626
2727
2828

AE-SC20-25xx


Увеличить

DIP20/SOIC20 специализированный адаптер для микросхем памяти серии 25xxx. Размеры корпуса: ширина - 5.3 мм (208mil), 1.27мм шаг.

Для просмотра списка микросхем, которые поддерживает программатор при наличии данного адаптера, выберите программатор из списка:


Таблица соединений адаптера:

DIP-20SOIC-2074AHC14C1, 0.1мкФ
11  
22  
33  
441,3,5,7,131
55  
66  
77  
88  
99  
1010  
1111  
1212  
1313  
1414  
1515  
1616  
1717  
 188 
18 11 
1919  
2020142
  9,10 

AE-SC20U


Увеличить

DIP20/SOIC20 универсальный адаптер. Размеры корпуса микросхемы: ширина - 5.3 мм (208mil), 1.27мм шаг.

Для просмотра списка микросхем, которые поддерживает программатор при наличии данного адаптера, выберите программатор из списка:


Таблица соединений адаптера:

DIP-20SOIC-20
11
22
33
44
55
66
77
88
99
1010
1111
1212
1313
1414
1515
1616
1717
1818
1919
2020

AE-SC28U1


Увеличить

DIP28/SOIC28 универсальный адаптер. Размеры корпуса микросхемы: ширина - 8.7 мм (330mil), 1.27мм шаг.

Для просмотра списка микросхем, которые поддерживает программатор при наличии данного адаптера, выберите программатор из списка:

Аналоги адаптера, поставляемые другими фирмами:
Logical Systems: PA28SO1-06-3


Таблица соединений адаптера:

DIP-28SOIC-28
11
22
33
44
55
66
77
88
99
1010
1111
1212
1313
1414
1515
1616
1717
1818
1919
2020
2121
2222
2323
2424
2525
2626
2727
2828

AE-SC32U


Увеличить

DIP32/SOIC32 универсальный адаптер. Размеры корпуса микросхемы: ширина - 7.5 мм (300mil), 1.27мм шаг.

Для просмотра списка микросхем, которые поддерживает программатор при наличии данного адаптера, выберите программатор из списка:


Таблица соединений адаптера:

DIP-32SOIC-32
11
22
33
44
55
66
77
88
99
1010
1111
1212
1313
1414
1515
1616
1717
1818
1919
2020
2121
2222
2323
2424
2525
2626
2727
2828
2929
3030
3131
3232

AE-SC8/16M-25XX


Увеличить

DIP16/SOIC16 специализированный адаптер для микросхем памяти серии 25xxx. Размеры корпуса: ширина - 5.3 мм (208mil), 1.27мм шаг.

Для просмотра списка микросхем, которые поддерживает программатор при наличии данного адаптера, выберите программатор из списка:


Таблица соединений адаптера:

DIP-16SOIC-1674AHC14C1, 0.1мкФ
11  
22  
33  
441,3,5,7,131
55  
66  
77  
88  
99  
1010  
1111  
1212  
1313  
 148 
14 11 
1515  
1616142
  9,10 

AE-SC8/16M-45XX


Увеличить

DIP16/SOIC16 специализированный адаптер для микросхем памяти серии 45xxx. Размеры корпуса: ширина - 5.3 мм (208mil), 1.27мм шаг.

Для просмотра списка микросхем, которые поддерживает программатор при наличии данного адаптера, выберите программатор из списка:


Таблица соединений адаптера:

DIP-16SOIC-1674AHC14C1, 0.1мкФ
11  
 24 
2 1 
33  
44  
55  
66  
77  
88  
99  
1010  
1111  
1212  
1313  
1414142
15155,7,9,11,131
1616  
  3,4 

AE-SC8/16N-25XX


Увеличить

DIP16/SOIC16 специализированный адаптер для микросхем памяти серии 25xxx. Размеры корпуса: ширина - 3.9 мм (150mil), 1.27мм шаг.

Для просмотра списка микросхем, которые поддерживает программатор при наличии данного адаптера, выберите программатор из списка:


Таблица соединений адаптера:

DIP-16SOIC-1674AHC14C1, 0.1мкФ
11  
22  
33  
441,3,5,7,131
55  
66  
77  
88  
99  
1010  
1111  
1212  
1313  
 148 
14 11 
1515  
1616 2
  9,10 

AE-SC8/16N-45XX


Увеличить

DIP16/SOIC16 специализированный адаптер для микросхем памяти серии 45xxx. Размеры корпуса: ширина - 3.9 мм (150mil), 1.27мм шаг.

Для просмотра списка микросхем, которые поддерживает программатор при наличии данного адаптера, выберите программатор из списка:


Таблица соединений адаптера:

DIP-16SOIC-1674AHC14C1, 0.1мкФ
11  
 24 
2 1 
33  
44  
55  
66  
77  
88  
99  
1010  
1111  
1212  
1313  
1414142
15155,7,9,11,131
1616  
  3,4 

AE-SC8/16S-25XX


Увеличить

DIP16/SOIC16 специализированный адаптер для микросхем памяти серии 25xxx. Размеры корпуса: ширина - 4.4 мм (173mil), 1.27мм шаг.

Для просмотра списка микросхем, которые поддерживает программатор при наличии данного адаптера, выберите программатор из списка:


Таблица соединений адаптера:

DIP-16SOIC-1674AHC14C1, 0.1мкФ
11  
22  
33  
441,3,5,7,131
55  
66  
77  
88  
99  
1010  
1111  
1212  
1313  
 148 
14 11 
1515  
1616 2
  9,10 

AE-SC8/16S-45XX


Увеличить

DIP16/SOIC16 специализированный адаптер для микросхем памяти серии 45xxx. Размеры корпуса: ширина - 4.4 мм (173mil), 1.27мм шаг.

Для просмотра списка микросхем, которые поддерживает программатор при наличии данного адаптера, выберите программатор из списка:


Таблица соединений адаптера:

DIP-16SOIC-1674AHC14C1, 0.1мкФ
11  
 24 
2 1 
33  
44  
55  
66  
77  
88  
99  
1010  
1111  
1212  
1313  
1414142
15155,7,9,11,131
1616  
  3,4 

AE-SC8/16UM


Увеличить

DIP16/SOIC16 универсальный адаптер. Размеры корпуса микросхемы: ширина - 5.3 мм (208mil), 1.27мм шаг.

Для просмотра списка микросхем, которые поддерживает программатор при наличии данного адаптера, выберите программатор из списка:

Аналоги адаптера, поставляемые другими фирмами:
Logical Systems: PA16SO1-2006-3


Таблица соединений адаптера:

DIP-16SOIC-16
11
22
33
44
55
66
77
88
99
1010
1111
1212
1313
1414
1515
1616

AE-SC8/16UN


Увеличить

DIP16/SOIC16 универсальный адаптер. Размеры корпуса микросхемы: ширина - 3.9 мм (150mil), 1.27мм шаг.

Для просмотра списка микросхем, которые поддерживает программатор при наличии данного адаптера, выберите программатор из списка:

Аналоги адаптера, поставляемые другими фирмами:
Logical Systems: PA16S01-03-03


Таблица соединений адаптера:

DIP-16SOIC-16
11
22
33
44
55
66
77
88
99
1010
1111
1212
1313
1414
1515
1616

AE-SC8/16US


Увеличить

DIP16/SOIC16 универсальный адаптер. Размеры корпуса микросхемы: ширина - 4.4 мм (173mil), 1.27мм шаг.

Для просмотра списка микросхем, которые поддерживает программатор при наличии данного адаптера, выберите программатор из списка:


Таблица соединений адаптера:

DIP-16MSOP-16
11
22
33
44
55
66
77
88
99
1010
1111
1212
1313
1414
1515
1616

AE-SD42-ST6


Увеличить

DIP28/SDIP42 specialized adapter.
Device package dimensions: body width 600 mil (15.24 mm), 1.778 mm pitch.

Для просмотра списка микросхем, которые поддерживает программатор при наличии данного адаптера, выберите программатор из списка:


Таблица соединений адаптера:

DIP-28SDIP-42C1, 0.1мкФC2, 0.1мкФ
112,141 
2   
36  
47  
5   
6   
7   
8   
9   
1015 1
1116  
1218  
1319  
1420  
15   
16   
17   
18   
19   
20   
21   
22   
23   
24   
25   
26   
27   
2811,1322

Первый вывод микросхемы необходимо устанавливать в первый вывод сокетки SDIP-56.

AE-SD42U


Увеличить

DIP42/SDIP42 universal shrink DIP adapter.
Device package dimensions: body width 600 mil (15.24 mm), 1.778 mm pitch.

Для просмотра списка микросхем, которые поддерживает программатор при наличии данного адаптера, выберите программатор из списка:


Таблица соединений адаптера:

DIP-42DIP-56
18
29
310
411
512
613
714
815
916
1017
1118
1219
1320
1421
1522
1623
1724
1825
1926
2027
2128
2229
2330
2431
2532
2633
2734
2835
2936
3037
3138
3239
3340
3441
3542
3643
3744
3845
3946
4047
4148
4249

21 вывод микросхемы необходимо устанавливать в 28 вывод сокетки SDIP-56.

AE-SD52-SDA


Увеличить

DIP40/SDIP56 specialized adapter.
Device package dimensions: body width 600 mil (15.24 mm), 1.778 mm pitch.

Для просмотра списка микросхем, которые поддерживает программатор при наличии данного адаптера, выберите программатор из списка:


Таблица соединений адаптера:

DIP-40SDIP-56
11
22
33
44
55
66
77
88
99
1010
1111
1213
1314
1431
15 
16 
17 
18 
19 
20 
21 
22 
23 
24 
25 
2637
2733
2840
2941
3046
3147
3248
3349
3450
3551
3652
3753
3854
3955
4056

Первый вывод микросхемы необходимо устанавливать в первый вывод сокетки SDIP-56.

AE-SD56-HC908


Увеличить

DIP40/SDIP56 specialized adapter for Motorola/Freescale microcontrollers.
Device package dimensions: body width 600 mil (15.24 mm), 1.778 mm pitch.

Для просмотра списка микросхем, которые поддерживает программатор при наличии данного адаптера, выберите программатор из списка:


Таблица соединений адаптера:

DIP-40SDIP-56C1, 0.1мкФ
11 
22 
33 
44 
55 
66 
77 
88 
99 
1015 
1116 
1217 
1318 
1419 
1520 
1621 
1735 
1836 
1937 
2038 
2144 
22452
2348 
2449 
2550 
26511
2752 
2854 
2955 
3056 
31  
32  
33  
34  
35  
36  
37  
38  
39  
40  

AE-SD56-ST6246


Увеличить

DIP28/SDIP56 specialized adapter for STMicroelectronics microcontrollers.
Device package dimensions: body width 600 mil (15.24 mm), 1.778 mm pitch.

Для просмотра списка микросхем, которые поддерживает программатор при наличии данного адаптера, выберите программатор из списка:


Таблица соединений адаптера:

DIP-28SDIP-56C1, 0.1мкФC2, 0.1мкФ
1211 
2   
325  
424  
5   
6   
7   
8   
9   
1020 1
1123  
1216  
1317  
1418  
15   
16   
17   
18   
19   
20   
21   
22   
23   
24   
25   
26   
27   
282222

AE-SO44-16


Увеличить

DIP40/SO44 specialized adapter for FLASH memory.
Device package dimensions: body width - 13.3 mm, body width with pins - 16.0 mm, 1.27 mm pitch.

Для просмотра списка микросхем, которые поддерживает программатор при наличии данного адаптера, выберите программатор из списка:


Таблица соединений адаптера:

SOIC-44DIP-4074HC573C1,150пФC2,0.1мкФ
116   
2 13  
3 14  
489  
578  
667  
756  
845  
934  
1023  
1112  
1237   
1320   
1438   
1521   
1629   
1722   
1830   
1923   
2031   
2124   
2232   
234020 2
2425   
2533   
2626   
2734   
2827   
2935   
3028   
3136   
32201, 1011
3339   
34 15  
35 16  
36 17  
37 18  
38 19  
3912   
4011   
4110   
429   
4315   
4414   
 19112 

AE-SO44U


Увеличить

DIP44/SO44 universal adapter.
Device package dimensions: body width - 13.3 mm, body width with pins - 16.0 mm, 1.27 mm pitch.

Для просмотра списка микросхем, которые поддерживает программатор при наличии данного адаптера, выберите программатор из списка:

Аналоги адаптера, поставляемые другими фирмами:
Logical Systems: PA44S01-OT


Таблица соединений адаптера:

SOIC-44DIP-44
11
22
33
44
55
66
77
88
99
1010
1111
1212
1313
1414
1515
1616
1717
1818
1919
2020
2121
2222
2323
2424
2525
2626
2727
2828
2929
3030
3131
3232
3333
3434
3535
3636
3737
3838
3939
4040
4141
4242
4343
4444

AE-SOT23-24XX


Увеличить

DIP8/SOT-23-6 specialized adapter for 24XXX serial FLASH.
Device package dimensions: body width - 1.6 mm, body width with pins - 2.7 mm, 0.95 mm pitch.

Для просмотра списка микросхем, которые поддерживает программатор при наличии данного адаптера, выберите программатор из списка:


Таблица соединений адаптера:

DIP-8SOT-23-6
1-
2-
3-
42
53
61
76
84

AE-SOT23-93XX


Увеличить

DIP8/SOT-23-6 specialized adapter for 93XXX serial FLASH.
Device package dimensions: body width - 1.6 mm, body width with pins - 2.7 mm, 0.95 mm pitch.

Для просмотра списка микросхем, которые поддерживает программатор при наличии данного адаптера, выберите программатор из списка:


Таблица соединений адаптера:

DIP-8SOT-23-6
15
24
33
41
52
6-
7-
86

AE-SOT23-p10


Увеличить

DIP8/SOT-23-6 specialized adapter for Microchip PIC.
Device package dimensions: body width - 1.6 mm, body width with pins - 2.7 mm, 0.95 mm pitch.

Для просмотра списка микросхем, которые поддерживает программатор при наличии данного адаптера, выберите программатор из списка:


Таблица соединений адаптера:

DIP-8SOT-23-6
1-
25
34
43
51
6-
72
86

AE-SOT23U


Увеличить

DIP6/SOT-23-6 universal adapter.
Device package dimensions: body width - 1.6 mm, body width with pins - 2.7 mm, 0.95 mm pitch.

Для просмотра списка микросхем, которые поддерживает программатор при наличии данного адаптера, выберите программатор из списка:


Таблица соединений адаптера:

DIP-6SOT-23-6
11
22
33
44
55
66

AE-SP20-STM8


Увеличить

DIP28/TSSOP20 specialized adapter for STMicroelectronics STM8 family.
Device package dimensions: body width - 173 mil (4.4 mm), 0.65 mm pitch.

Для просмотра списка микросхем, которые поддерживает программатор при наличии данного адаптера, выберите программатор из списка:


Таблица соединений адаптера:

DIP-28TSSOP-2874AHC126R1, 510RC1, 1мкФC2, 1мкФ
88    
11112,4,5,7,9,10,12,13 11
-12  2 
13-    
1413141 2
15-    
16-    
22 1   
232232  

AE-SP20-p16


Увеличить

DIP18/SSOP20 specialized adapter for Microchip PIC.
Device package dimensions: body width - 209 mil (5.3 mm), 0.65 mm pitch.

Для просмотра списка микросхем, которые поддерживает программатор при наличии данного адаптера, выберите программатор из списка:

Аналоги адаптера, поставляемые другими фирмами:
Logical Systems: PA20SS-BP54


Таблица соединений адаптера:

DIP-18SSOP-20
11
22
33
44
55,6
67
78
89
910
1011
1112
1213
1314
1415,16
1517
1618
1719
1820

AE-SP28-p5x


Увеличить

DIP28/SSOP28 specialized adapter for Microchip PIC.
Device package dimensions: body width - 209 mil (5.3 mm), 0.65 mm pitch.

Для просмотра списка микросхем, которые поддерживает программатор при наличии данного адаптера, выберите программатор из списка:

Аналоги адаптера, поставляемые другими фирмами:
Logical Systems: PA28SS-P55


Таблица соединений адаптера:

DIP-28SSOP-28
12
23,4
3 
41,14
5 
65
76
87
98
109
1110
1211
1312
1413
1515
1616
1717
1818
1919
2020
2121
2222
2323
2424
2525
2626
2727
2828

AE-SP28U (не поставляется)


Увеличить

DIP28/SSOP28 universal adapter.
Device package dimensions: body width - 209 mil (5.3 mm), 0.65 mm pitch.

Для просмотра списка микросхем, которые поддерживает программатор при наличии данного адаптера, выберите программатор из списка:

Аналоги адаптера, поставляемые другими фирмами:
Logical Systems: PA28SS-OT-3


Таблица соединений адаптера:

DIP-28SSOP-28
11
22
33
44
55
66
77
88
99
1010
1111
1212
1313
1414
1515
1616
1717
1818
1919
2020
2121
2222
2323
2424
2525
2626
2727
2828

AE-SP28U1


Увеличить

DIP28/SSOP28 universal adapter.
Device package dimensions: body width - 173 mil (4.4 mm), 0.65 mm pitch.

Для просмотра списка микросхем, которые поддерживает программатор при наличии данного адаптера, выберите программатор из списка:

Аналоги адаптера, поставляемые другими фирмами:
Logical Systems: PA28TSS-OT-3


Таблица соединений адаптера:

DIP-28SSOP-28
11
22
33
44
55
66
77
88
99
1010
1111
1212
1313
1414
1515
1616
1717
1818
1919
2020
2121
2222
2323
2424
2525
2626
2727
2828

AE-SP28U2


Увеличить

DIP28/SSOP28 universal adapter.
Device package dimensions: body width - 209 mil (5.3 mm), 0.65 mm pitch.

Для просмотра списка микросхем, которые поддерживает программатор при наличии данного адаптера, выберите программатор из списка:


Таблица соединений адаптера:

DIP-28SSOP-28
11
22
33
44
55
66
77
88
99
1010
1111
1212
1313
1414
1515
1616
1717
1818
1919
2020
2121
2222
2323
2424
2525
2626
2727
2828

AE-SP30U


Увеличить

DIP30/SSOP30 universal adapter.
Device package dimensions: body width - 240 mil (6.1 mm), 0.65 mm pitch.

Для просмотра списка микросхем, которые поддерживает программатор при наличии данного адаптера, выберите программатор из списка:


Таблица соединений адаптера:

DIP30SSOP-30
11
22
33
44
55
66
77
88
99
1010
1111
1212
1313
1414
1515
1616
1717
1818
1919
2020
2121
2222
2323
2424
2525
2626
2727
2828
2929
3030

AE-SP38U


Увеличить

DIP38/SSOP38 universal adapter.
Device package dimensions: body width - 240 mil (6.1 mm), 0.65 mm pitch.

Для просмотра списка микросхем, которые поддерживает программатор при наличии данного адаптера, выберите программатор из списка:


Таблица соединений адаптера:

DIP-38SSOP-38
11
22
33
44
55
66
77
88
99
1010
1111
1212
1313
1414
1515
1616
1717
1818
1919
2020
2121
2222
2323
2424
2525
2626
2727
2828
2929
3030
3131
3232
3333
3434
3535
3636
3737
3838

AE-SP8U


Увеличить

DIP8/SSOP8 universal adapter.
Device package dimensions: 3 x 3 mm, 0.65 mm pitch.

Для просмотра списка микросхем, которые поддерживает программатор при наличии данного адаптера, выберите программатор из списка:


Таблица соединений адаптера:

DIP-8SSOP-8
11
22
33
44
55
66
77
88

AE-SS48U


Увеличить

DIP48/SSOP48 universal adapter.
Device package dimensions: body width - 295 mil (7.5 mm), 0.635 mm pitch.

Для просмотра списка микросхем, которые поддерживает программатор при наличии данного адаптера, выберите программатор из списка:


Таблица соединений адаптера:

DIP-48SSOP-48
11
22
33
44
55
66
77
88
99
1010
1111
1212
1313
1414
1515
1616
1717
1818
1919
2020
2121
2222
2323
2424
2525
2626
2727
2828
2929
3030
3131
3232
3333
3434
3535
3636
3737
3838
3939
4040
4141
4242
4343
4444
4545
4646
4747
4848

AE-SS56-16Am


Увеличить

DIP40/SSOP56 specialized adapter for FLASH memory.
Device package dimensions: body width - 13.3 mm, 0.8 mm pitch.

Для просмотра списка микросхем, которые поддерживает программатор при наличии данного адаптера, выберите программатор из списка:


Таблица соединений адаптера:

DIP-40SSOP-5674HC573C1, 150пФC2, 0.1мкФ
1172  
2123  
3114  
4105  
596  
687  
778  
869  
952   
1051   
1150   
1249   
1354   
1456   
1555   
1653   
171   
182   
19 112 
2019.381, 1012
2121   
2223   
2325   
2427   
2530   
2632   
2734   
2836   
2922   
3024   
3126   
3228   
3331   
3433   
3535   
3637   
3718   
3820   
3939   
402920 1
 312  
 413  
 514  
 4015  
 4516  
 4617  
 4718  
 4819  

AE-SS56-16Am-2


Увеличить

DIP40/SSOP56 specialized adapter for FLASH memory.
Device package dimensions: body width - 13.3 mm, 0.8 mm pitch.

Для просмотра списка микросхем, которые поддерживает программатор при наличии данного адаптера, выберите программатор из списка:


Таблица соединений адаптера:

DIP-40SSOP-5674HC573C1, 150пФC2, 0.1мкФ
1132  
2123  
3114  
4105  
596  
687  
778  
869  
952   
1051   
1150   
1249   
1354   
142   
151   
163   
17    
18    
19 112 
2016, 26, 411, 1012
2118   
2220   
2322   
2424   
2533   
2635   
2737   
2839   
2919   
3021   
3123   
3225   
3334   
3436   
3538   
3640   
3714   
3817   
3943   
4031, 32, 5520 1
 5312  
 413  
 514  
 4415  
 4516  
 4617  
 4718  
 4819  

AE-SS56-16I


Увеличить

DIP40/SSOP56 specialized adapter for FLASH memory.
Device package dimensions: body width - 13.3 mm, 0.8 mm pitch.

Для просмотра списка микросхем, которые поддерживает программатор при наличии данного адаптера, выберите программатор из списка:


Таблица соединений адаптера:

DIP-40SSOP-56U1, 74HC573U2, 74HC573C1, 150pFC2, 0.1uF
128    
27    
3 11111 
455    
722    
820    
956    
1043    
1145    
1246    
1347    
1448    
1549    
1650    
1751    
1837    
1934    
2015,29,441, 101, 1022
211    
2221    
23382   
2439 2  
25403   
2641 3  
27334   
2832 4  
29315   
3030 5  
31276   
3226 6  
33257   
3424 7  
35168   
3617 8  
37189   
3819 9  
3936    
4014.422020 1
 216   
 315   
 414   
 513   
 6 14  
 8 15  
 9 16  
 10 17  
 11 18  
 12 19  
 1312   
 23 13  
 35 12  
 5219   
 5318   
 5417   

AE-SS56-16I-2


Увеличить

DIP40/SSOP56 specialized adapter for FLASH memory.
Device package dimensions: body width - 13.3 mm, 0.8 mm pitch.

Для просмотра списка микросхем, которые поддерживает программатор при наличии данного адаптера, выберите программатор из списка:


Таблица соединений адаптера:

DIP-40SSOP-5674HC573C1, 150пФC2, 0.1мкФ
121, 33   
244   
343   
438   
55   
6454  
7 111 
856   
931   
10477  
1153   
1255   
13513  
1439   
1526   
1616   
1718   
1817   
1942   
204,15,20,371, 1021
2140   
2219   
23508  
24359  
2527   
2624   
2725   
28496  
2954   
3052   
3129   
3241   
33465  
3432   
35482  
3622   
3730   
383   
3936   
401.2820 2
 617  
 716  
 814  
 919  
 1015  
 1113  
 1218  
 1312  

AE-T44-AT35


Увеличить

DIP40/QFP44 specialized adapter for Atmel AVR devices.
Device package dimensions: body - 10.0 x 10.0 mm, 0.8 mm pitch.

Для просмотра списка микросхем, которые поддерживает программатор при наличии данного адаптера, выберите программатор из списка:


Таблица соединений адаптера:

DIP-40QFP-44
140
241
342
443
544
61
72
83
94
105,17,38
116,18,28
127
138
149
1510
1611
1712
1813
1914
2015
2116
2219
2320
2421
2522
2623
2724
2825
2926
3027
3139
3229
3330
3431
3532
3633
3734
3835
3936
4037

AE-T44-T51CC


Увеличить

DIP40/QFP44 specialized adapter for Atmel devices.
Device package dimensions: body - 10.0 x 10.0 mm, 0.8 mm pitch.

Для просмотра списка микросхем, которые поддерживает программатор при наличии данного адаптера, выберите программатор из списка:


Таблица соединений адаптера:

DIP-40TQFP-44
141
242
343
444
51
62
73
84
938
106
117
128
139
1410
1511
1612
1713
1834
1935
2037.39
2123
2222
2321
2420
2519
2618
2717
2816
2932
3033
315
3231
3330
3429
3528
3627
3726
3825
3924
4036.4

AE-T44-i51


Увеличить

DIP40/QFP44 specialized adapter for microcontrollers.
Device package dimensions: body - 10.0 x 10.0 mm, 0.8 mm pitch.

Для просмотра списка микросхем, которые поддерживает программатор при наличии данного адаптера, выберите программатор из списка:

Аналоги адаптера, поставляемые другими фирмами:
Logical Systems: PA51-QD-03


Таблица соединений адаптера:

DIP-40TQFP-44
140
241
342
443
544
61
72
83
94
105
117
128
139
1410
1511
1612
1713
1814
1915
2016,17
2118
2219
2320
2421
2522
2623
2724
2825
2926
3027
3129
3230
3331
3432
3533
3634
3735
3836
3937
4038

AE-T44-i51/505


Увеличить

DIP40/QFP44 specialized adapter for microcontrollers.
Device package dimensions: body - 10.0 x 10.0 mm, 0.8 mm pitch.

Для просмотра списка микросхем, которые поддерживает программатор при наличии данного адаптера, выберите программатор из списка:


Таблица соединений адаптера:

DIP-40TQFP-44
140
241
342
443
544
61
72
83
94
105
117
128
139
1410
1511
1612
1713
1814
1915
2016,39
2118
2219
2320
2421
2522
2623
2724
2825
2926
3027
3129
3230
3331
3432
3533
3634
3735
3836
3937
4038,17

AE-T44-p16


Увеличить

DIP40/QFP44 specialized adapter for Microchip PIC devices.
Device package dimensions: body - 10.0 x 10.0 mm, 0.8 mm pitch.

Для просмотра списка микросхем, которые поддерживает программатор при наличии данного адаптера, выберите программатор из списка:

Аналоги адаптера, поставляемые другими фирмами:
Logical Systems: PA16C64-QD-03


Таблица соединений адаптера:

DIP-40QFP-44
118
219
320
421
522
623
724
825
926
1027
1128
1229
1330
1431
1532
1635
1736
1837
1938
2039
2140
2241
2342
2443
2544
261
272
283
294
305
316
327
338
349
3510
3611
3714
3815
3916
4017

AE-T44-p17


Увеличить

DIP40/QFP44 specialized adapter for Microchip PIC devices.
Device package dimensions: body - 10.0 x 10.0 mm, 0.8 mm pitch.

Для просмотра списка микросхем, которые поддерживает программатор при наличии данного адаптера, выберите программатор из списка:

Аналоги адаптера, поставляемые другими фирмами:
Logical Systems: PA1742-QD-03


Таблица соединений адаптера:

DIP-40QFP-44
116,17
219
320
421
522
623
724
825
926
1027,28
1129
1230
1331
1432
1533
1634
1735
1836
1937
2038
2139
2240
2341
2442
2543
2644
271
282
293
304
315,6
327
338
349
3510
3611
3712
3813
3914
4015

AE-TS28


Увеличить

DIP28/TSOP28 specialized adapter for Flash memory.
Device package dimensions: body width - 11.8 mm, 0.55 mm pitch.

Для просмотра списка микросхем, которые поддерживает программатор при наличии данного адаптера, выберите программатор из списка:

Аналоги адаптера, поставляемые другими фирмами:
Logical Systems: PA28TSOP3


Таблица соединений адаптера:

DIP-28TSOP-28
18
29
310
411
512
613
714
815
916
1017
1118
1219
1320
1421
1522
1623
1724
1825
1926
2027
2128
221
232
243
254
265
276
287

AE-TS28-45XX


Увеличить

DIP28/TSOP28 specialized adapter for Atmel AT45xx devices.
Device package dimensions: body width - 11.8 mm, 0.55 mm pitch.

Для просмотра списка микросхем, которые поддерживает программатор при наличии данного адаптера, выберите программатор из списка:


Таблица соединений адаптера:

DIP-28TSOP-2874AHC14C1, 0.1 uF
18  
29  
310  
4 1 
 114 
5 5 
 128 
6 13 
 1310 
714  
815  
916  
1017  
1118  
1219  
1320  
1421  
1522  
1623  
1724  
1825  
1926  
2027  
2128  
221  
232  
243  
254  
265  
276141
28772
  2,3 
  6,9 
  11,12 

AE-TS32N


Увеличить

DIP32/TSOP32 specialized adapter for Flash memory.
Device package dimensions: 8 x 14 mm, 0.5 mm pitch.

Для просмотра списка микросхем, которые поддерживает программатор при наличии данного адаптера, выберите программатор из списка:

Аналоги адаптера, поставляемые другими фирмами:
Logical Systems: PA32TS14-OT


Таблица соединений адаптера:

DIP-32TSOP-32
19
210
311
412
513
614
715
816
917
1018
1119
1220
1321
1422
1523
1624
1725
1826
1927
2028
2129
2230
2331
2432
251
262
273
284
295
306
317
328

AE-TS32N-CP49


Увеличить

DIP32/TSOP32 specialized adapter.
Device package dimensions: 8 x 14 mm, 0.5 mm pitch.

Для просмотра списка микросхем, которые поддерживает программатор при наличии данного адаптера, выберите программатор из списка:


Таблица соединений адаптера:

DIP-32TSOP-32
19
210
311
412
513
614
715
816
917
1018
1119
1220
1321
1422
1523
1624
1725
1826
1927
2028
2129
3230
2331
2432
321
162
323
164
295
306
317
328

AE-TS32W


Увеличить

DIP32/TSOP32 specialized adapter for Flash memory.
Device package dimensions: 8 x 20 mm, 0.5 mm pitch.

Для просмотра списка микросхем, которые поддерживает программатор при наличии данного адаптера, выберите программатор из списка:

Аналоги адаптера, поставляемые другими фирмами:
Logical Systems: PA32TS20-OT


Таблица соединений адаптера:

DIP-32TSOP-32
19
210
311
412
513
614
715
816
917
1018
1119
1220
1321
1422
1523
1624
1725
1826
1927
2028
2129
2230
2331
2432
251
262
273
284
295
306
317
328

AE-TS40N


Увеличить

DIP40/TSOP40 universal adapter.
Device package dimensions: 10 x 14 mm, 0.5 mm pitch.

Для просмотра списка микросхем, которые поддерживает программатор при наличии данного адаптера, выберите программатор из списка:


Таблица соединений адаптера:

DIP-40TSOP-40
11
22
33
44
55
66
77
88
99
1010
1111
1212
1313
1414
1515
1616
1717
1818
1919
2020
2121
2222
2323
2424
2525
2626
2727
2828
2929
3030
3131
3232
3333
3434
3535
3636
3737
3838
3939
4040

AE-TS40N-1


Увеличить

DIP40/TSOP40 specialized adapter.
Device package dimensions: 10 x 14 mm, 0.5 mm pitch.

Для просмотра списка микросхем, которые поддерживает программатор при наличии данного адаптера, выберите программатор из списка:


Таблица соединений адаптера:

DIP-40TSOP-40
311
22
33
44
55
66
77
88
99
3910
1111
1212
1313
1414
1515
1616
1717
1818
1919
2320
2121
2222
2023
2424
2525
2626
2727
2828
2929
4030
131
3232
3333
3434
3535
3636
3737
3838
1039
3040

AE-TS40N-2


Увеличить

DIP40/TSOP40 specialized adapter.
Device package dimensions: 10 x 14 mm, 0.5 mm pitch.

Для просмотра списка микросхем, которые поддерживает программатор при наличии данного адаптера, выберите программатор из списка:


Таблица соединений адаптера:

DIP-40TSOP-40
11
22
33
44
55
66
77
88
99
1010
1111
1212
1313
1414
1515
1616
1717
1818
1919
2022
2121
2220
2323
2424
2525
2626
2727
2829
2928
3030
3132
3231
3333
3434
3535
3636
3737
3838
3940
4039

AE-TS40W


Увеличить

DIP40/TSOP40 universal adapter.
Device package dimensions: 10 x 20 mm, 0.5 mm pitch.

Для просмотра списка микросхем, которые поддерживает программатор при наличии данного адаптера, выберите программатор из списка:

Аналоги адаптера, поставляемые другими фирмами:
Logical Systems: PA40TS20-1OT


Таблица соединений адаптера:

DIP-40TSOP-40
11
22
33
44
55
66
77
88
99
1010
1111
1212
1313
1414
1515
1616
1717
1818
1919
2020
2121
2222
2323
2424
2525
2626
2727
2828
2929
3030
3131
3232
3333
3434
3535
3636
3737
3838
3939
4040

AE-TS40W-1


Увеличить

DIP40/TSOP40 specialized adapter.
Device package dimensions: 10 x 20 mm, 0.5 mm pitch.

Для просмотра списка микросхем, которые поддерживает программатор при наличии данного адаптера, выберите программатор из списка:


Таблица соединений адаптера:

DIP-40TSOP-40
311
22
33
44
55
66
77
88
99
3910
1111
1212
1313
1414
1515
1616
1717
1818
1919
2320
2121
2222
2023
2424
2525
2626
2727
2828
2929
4030
131
3232
3333
3434
3535
3636
3737
3838
1039
3040

AE-TS40W-2


Увеличить

DIP40/TSOP40 specialized adapter.
Device package dimensions: 10 x 20 mm, 0.5 mm pitch.

Для просмотра списка микросхем, которые поддерживает программатор при наличии данного адаптера, выберите программатор из списка:


Таблица соединений адаптера:

DIP-40TSOP-40
11
22
33
44
55
66
77
88
99
1010
1111
1212
1313
1414
1515
1616
1717
1818
1919
2022
2121
2220
2323
2424
2525
2626
2727
2829
2928
3030
3132
3231
3333
3434
3535
3636
3737
3838
3940
4039

AE-TS40W-CP49


Увеличить

DIP40/TSOP40 specialized adapter.
Device package dimensions: 10 x 20 mm, 0.5 mm pitch.

Для просмотра списка микросхем, которые поддерживает программатор при наличии данного адаптера, выберите программатор из списка:


Таблица соединений адаптера:

DIP-40TSOP-40
1-
22
33
44
55
66
77
88
99
4010
111
1212
1313
1414
1515
1616
1717
1818
1919
2020
2121
2222
2323
2424
2525
2626
2727
2828
1029
1030
4031
3232
3333
3434
3535
3636
3737
3838
4039
1040

AE-TS44Am


Увеличить

DIP40/TSOP-II-44 specialized adapter.
Device package dimensions: 10 x 18.5 mm, 0.8 mm pitch.

Для просмотра списка микросхем, которые поддерживает программатор при наличии данного адаптера, выберите программатор из списка:


Таблица соединений адаптера:

DIP-40TSOP-II-44
11
22
33
44
55
66
77
88
99
1010
 11
 12
1113
1214
1315
1416
1517
1618
1719
1820
1921
2022
2123
2224
2325
2426
2527
2628
2729
2830
2931
3032
 33
 34
3135
3236
3337
3438
3539
3640
3741
3842
3943
4044

AE-TS48-16


Увеличить

DIP40/TSOP48 specialized adapter.
Device package dimensions: 12 x 20 mm, 0.5 mm pitch.

Для просмотра списка микросхем, которые поддерживает программатор при наличии данного адаптера, выберите программатор из списка:


Таблица соединений адаптера:

DIP-40TSOP-4874HC573C1, 150пФC2, 0.1мкФ
147   
217   
316   
428   
510   
6184  
7 111 
811   
934   
10207  
1114   
1212   
13243  
1429   
1539   
1642   
1744   
1843   
1932   
2027.461,1021
2130   
2245   
23238  
24259  
2538   
2641   
2740   
28226  
2913   
3015   
3136   
3231   
33195  
3433   
35212  
3648   
3735   
389   
3926   
403720 2
 117  
 216  
 314  
 419  
 515  
 613  
 718  
 812  

AE-TS48-16AT1024


Увеличить

DIP40/TSOP48 specialized adapter.
Device package dimensions: 12 x 20 mm, 0.5 mm pitch.

Для просмотра списка микросхем, которые поддерживает программатор при наличии данного адаптера, выберите программатор из списка:


Таблица соединений адаптера:

DIP-40TSOP-48
11N.C.
227CE
328D15
429D14
530D13
631D12
732D11
834D10
935D9
1036D8
1137GND
1238D7
1339D6
1440D5
1542D4
1643D3
1744D2
1845D1
1946D0
2047OE
212A0
223A1
234A2
245A3
256A4
267A5
279A6
2810A7
2911A8
3012GND
3113A9
3214A10
3315A11
3417A12
3518A13
3619A14
3720A15
3821N.C.
3922WE
4023Vcc

AE-TS48-16Am


Увеличить

DIP40/TSOP48 specialized adapter.
Device package dimensions: 12 x 20 mm, 0.5 mm pitch.

Для просмотра списка микросхем, которые поддерживает программатор при наличии данного адаптера, выберите программатор из списка:


Таблица соединений адаптера:

DIP-40TSOP-4874HC573C1, 150пФC2, 0.1мкФ
 116  
 217  
 318  
 419  
125   
116   
107   
98   
 912  
1310   
1511   
1412   
1713   
1814   
1615   
 1613  
 1714  
8189  
7198  
6207  
5216  
4225  
3234  
2243  
1252  
3726   
20271  
3828   
2129   
2930   
2231   
3032   
2333   
3134   
2435   
3236   
403720 1
2538   
3339   
2640   
3441   
2742   
3543   
2844   
3645   
20461012
3947   
 4815  
19 112 

AE-TS48-8Am-1


Увеличить

DIP40/TSOP48 specialized adapter.
Device package dimensions: 12 x 20 mm, 0.5 mm pitch.

Для просмотра списка микросхем, которые поддерживает программатор при наличии данного адаптера, выберите программатор из списка:


Таблица соединений адаптера:

DIP-40TSOP-48
13
24
35
46
57
68
79
810
911
1012
1113
1214
1315
1416
1517
1618
1719
1820
1921
2022
2127
2228
2329
2430
2531
2632
2733
2834
2935
3036
3137
3238
3339
3440
3541
3642
3743
3844
3945
4046

AE-TS48-8Am-2


Увеличить

DIP40/TSOP48 specialized adapter.
Device package dimensions:12 x 20 mm, 0.5 mm pitch.

Для просмотра списка микросхем, которые поддерживает программатор при наличии данного адаптера, выберите программатор из списка:


Таблица соединений адаптера:

DIP-40TSOP-48
13
24
35
46
57
68
79
810
911
1012
1113
1214
1315
1416
1517
1618
1719
1820
1921
2022
2127
2228
2329,45
2430
2531
2632
2733
2834
2935
3036
3137
3238
3339
3440
3541
3642
3743
3844
392
4046

AE-TS48-NAND-2


Увеличить

DIP40/TSOP48 specialized adapter for NAND Flash devices.
Device package dimensions:12 x 20 mm, 0.5 mm pitch.

Для просмотра списка микросхем, которые поддерживает программатор при наличии данного адаптера, выберите программатор из списка:


Таблица соединений адаптера:

DIP-40TSOP-4874AHC14C1, 0.1 uF
135  
2   
3   
44  
55  
66  
77  
8 1 
 84 
99  
1010  
1114  
1215  
13   
14   
1520  
1616  
1717  
18 13 
 1810 
1919  
2013,25,36,4871
2126  
2227  
2328  
2429  
2530  
2631  
2732  
2833  
2940  
3041  
3142  
3243  
3344  
3445  
3546  
3647  
37   
38   
3938  
4012,37142
  2,3 
  11,12 

AE-TS48U


Увеличить

DIP48/TSOP48 universal adapter.
Device package dimensions: 12 x 20 mm, 0.5 mm pitch.

Для просмотра списка микросхем, которые поддерживает программатор при наличии данного адаптера, выберите программатор из списка:

Аналоги адаптера, поставляемые другими фирмами:
Logical Systems: PA48TS20-1OT


Таблица соединений адаптера:

DIP-48TSOP-48
11
22
33
44
55
66
77
88
99
1010
1111
1212
1313
1414
1515
1616
1717
1818
1919
2020
2121
2222
2323
2424
2525
2626
2727
2828
2929
3030
3131
3232
3333
3434
3535
3636
3737
3838
3939
4040
4141
4242
4343
4444
4545
4646
4747
4848

AE-TS56-16Am


Увеличить

DIP40/TSOP56 specialized adapter for FLASH memory.
Device package dimensions: 14 x 20 mm, 0.5 mm pitch.

Для просмотра списка микросхем, которые поддерживает программатор при наличии данного адаптера, выберите программатор из списка:


Таблица соединений адаптера:

DIP-40TSOP-56U1, 74HC573U2, 74HC573C1, 150пФC2, 0.1мкФ
129    
228    
3 11111 
414    
556    
655    
713    
817    
916    
1020    
1121    
1222    
1323    
1424    
1525    
1626    
1731    
1827    
1930    
2033.521, 101, 1022
2132    
2234    
23352   
2436 2  
25373   
2638 3  
27394   
2840 4  
29415   
3042 5  
31446   
3245 6  
33467   
3447 7  
35488   
3649 8  
37509   
3851 9  
3953    
40432020 1
 1 12  
 2 13  
 312   
 413   
 514   
 615   
 716   
 817   
 918   
 1019   
 11 16  
 12 15  
 15 14  
 18 17  
 19 18  
 54 19  

AE-TS56-16I


Увеличить

DIP40/TSOP56 specialized adapter for FLASH memory.
Device package dimensions: 14 x 20 mm, 0.5 mm pitch.

Для просмотра списка микросхем, которые поддерживает программатор при наличии данного адаптера, выберите программатор из списка:


Таблица соединений адаптера:

DIP-40TSOP-56U1, 74HC573U2, 74HC573C1, 150пФC2, 0.1мкФ
143    
22    
3 11111 
416    
755    
853    
915    
1020    
1122    
1223    
1324    
1425    
1526    
1627    
1728    
1832    
1929    
2021,42,481, 101, 1022
2114    
2254    
23332   
2434 2  
25353   
2636 3  
27384   
2839 4  
29405   
3041 5  
31446   
3245 6  
33467   
3447 7  
35498   
3650 8  
37519   
3852 9  
3931    
409.372020 1
 1 14  
 3 15  
 4 16  
 5 17  
 6 18  
 7 19  
 812   
 1013   
 1114   
 1215   
 1316   
 1717   
 1818   
 1919   
 30 13  
 56 12  

AE-TS56-16I-2


Увеличить

DIP40/TSOP56 specialized adapter for FLASH memory.
Device package dimensions: 14 x 20 mm, 0.5 mm pitch.

Для просмотра списка микросхем, которые поддерживает программатор при наличии данного адаптера, выберите программатор из списка:


Таблица соединений адаптера:

DIP-40TSOP-5674HC573C1, 150пФC2, 0.1мкФ
138,54   
221   
320   
433   
510   
6224  
7 111 
815   
940   
10247  
1118   
1216   
13283  
1434   
1545   
1649   
1751   
1850   
1937   
2011,32,48,531, 1021
2135   
2252   
23278  
24309  
2544   
2647   
2746   
28266  
2917   
3019   
3142   
3236   
33235  
3439   
35252  
3655   
3741   
3812   
3931   
4014,4320 2
 117  
 216  
 314  
 419  
 515  
 613  
 718  
 812  

AE-TS56-16I-3


Увеличить

DIP40/TSOP56 specialized adapter for FLASH memory.
Device package dimensions: 14 x 20 mm, 0.5 mm pitch.

Для просмотра списка микросхем, которые поддерживает программатор при наличии данного адаптера, выберите программатор из списка:


Таблица соединений адаптера:

DIP-40TSOP-56U1, 74HC573U2, 74HC573C1, 150пФC2, 0.1мкФ
138    
2     
3 11111 
444    
527    
6     
714    
856    
943    
1019    
1120    
1221    
1322    
1423    
1524    
1625    
1729    
18     
19     
2012,28,31,45,461, 101, 1022
2130    
2232    
23342   
2435 2  
25363   
2637 3  
27394   
2840 4  
29415   
3042 5  
31476   
3248 6  
33497   
3450 7  
35518   
3652 8  
37539   
3854 9  
39     
4013,33,152020 1
 10 14  
 11 15  
 16 16  
 17 17  
 18 18  
 55 19  
 112   
 213   
 314   
 415   
 516   
 617   
 718   
 819   
 9 13  
 26 12  

AE-TS56-16I-4


Увеличить

DIP40/TSOP56 specialized adapter for FLASH memory.
Device package dimensions: 14 x 20 mm, 0.5 mm pitch.

Для просмотра списка микросхем, которые поддерживает программатор при наличии данного адаптера, выберите программатор из списка:


Таблица соединений адаптера:

DIP-40TSOP-56U1, 74HC573U2, 74HC573C1, 150пФC2, 0.1мкФ
138    
2     
3 11111 
444    
527    
628    
714    
856    
943    
1019    
1120    
1221    
1322    
1423    
1524    
1625    
1729    
1813    
19     
2012,31,45,461, 101, 1022
2130    
2232    
23342   
2435 2  
25363   
2637 3  
27394   
2840 4  
29415   
3042 5  
31476   
3248 6  
33497   
3450 7  
35518   
3652 8  
37539   
3854 9  
39     
4033,152020 1
 10 14  
 11 15  
 16 16  
 17 17  
 18 18  
 55 19  
 112   
 213   
 314   
 415   
 516   
 617   
 718   
 819   
 9 13  
 26 12  

AE-WS8-25XX-1


Увеличить

DIP8/WS8 specialized adapter for 25xx serial EEPROM, FLASH memory.
Device package dimensions: 6.0 x 5.0 mm, 1.27 mm pitch.

Для просмотра списка микросхем, которые поддерживает программатор при наличии данного адаптера, выберите программатор из списка:


Таблица соединений адаптера:

DIP-8WSON-874AHC14C1, 0.1мкФC2, 75пФ
11   
22   
33   
441,3,5,7,1311
55   
 68  
6 11 2
77   
88142 
  9,10  

AE-WS8-25XX-2


Увеличить

DIP8/WS8 specialized adapter for 25xx serial EEPROM, FLASH memory.
Device package dimensions: 8.0 x 6.0 mm, 1.27 mm pitch.

Для просмотра списка микросхем, которые поддерживает программатор при наличии данного адаптера, выберите программатор из списка:


Таблица соединений адаптера:

DIP-8WSON-874AHC14C1, 0.1мкФC2, 75пФ
11   
22   
33   
441,3,5,7,1311
55   
 68  
6 11 2
77   
88142 
  9,10  

AE-WS8-25XX-3


Увеличить

DIP8/WS8 specialized adapter for 25xx serial EEPROM, FLASH memory.
Device package dimensions: 4.0 x 4.0 mm, 0.8 mm pitch.

Для просмотра списка микросхем, которые поддерживает программатор при наличии данного адаптера, выберите программатор из списка:


Таблица соединений адаптера:

DIP-8WSON-874AHC14C1, 0.1мкФC2, 75пФ
11   
22   
33   
441,3,5,7,1311
55   
 68  
6 11 2
77   
88142 
  9,10  

AE-WS8-25XX-4


Увеличить

DIP8/WS8 specialized adapter for 25xx serial EEPROM, FLASH memory.
Device package dimensions: 3.0 x 2.0 mm, 0.5 mm pitch.

Для просмотра списка микросхем, которые поддерживает программатор при наличии данного адаптера, выберите программатор из списка:


Таблица соединений адаптера:

DIP-8WSON-874AHC14C1, 0.1мкФC2, 75пФ
11   
22   
33   
441,3,5,7,1311
55   
 68  
6 11 2
77   
88142 
  9,10  

AE-WS8-U1


Увеличить

DIP8/WSON8 universal adapter.
Device package dimensions: 6.0 x 5.0 mm, 1.27 mm pitch.

Для просмотра списка микросхем, которые поддерживает программатор при наличии данного адаптера, выберите программатор из списка:


Таблица соединений адаптера:

DIP-8WSON-8
11
22
33
44
55
66
77
88

AE-WS8-U2


Увеличить

DIP8/WSON8 universal adapter.
Device package dimensions: 8.0 x 6.0 mm, 1.27 mm pitch.

Для просмотра списка микросхем, которые поддерживает программатор при наличии данного адаптера, выберите программатор из списка:


Таблица соединений адаптера:

DIP-8WSON-8
11
22
33
44
55
66
77
88

AE-WS8-U3


Увеличить

DIP8/WSON8 universal adapter.
Device package dimensions: 4.0 x 4.0 mm, 0.8 mm pitch.

Для просмотра списка микросхем, которые поддерживает программатор при наличии данного адаптера, выберите программатор из списка:


Таблица соединений адаптера:

DIP-8WSON-8
11
22
33
44
55
66
77
88

AE-WS8-U4


Увеличить

DIP8/WSON8 universal adapter.
Device package dimensions: 3.0 x 2.0 mm, 0.5 mm pitch.

Для просмотра списка микросхем, которые поддерживает программатор при наличии данного адаптера, выберите программатор из списка:


Таблица соединений адаптера:

DIP-8WSON-8
11
22
33
44
55
66
77
88

AS-ISP-ARM


Увеличить

ChipProg-ISP BH14/BH20 specialized adapter for in system programming of ARM microcontrollers .

Для просмотра списка микросхем, которые поддерживает программатор при наличии данного адаптера, выберите программатор из списка:


Таблица соединений адаптера:

From Programmer Output Connector, BH-14To the Target Device, BH-20Status and Control Signals from ProgrammerSignal names
11,2 VCC
29 TCK
35 TDI
47 TMS
513 TDO
63 TRST
7- -
8- -
94,6,8,10,12,14,16,18,20 GND
1015 RESET
11 /Start 
12 /Error 
13 /Good 
14 /Busy 

Нагрузочная способность программатора:
    по цепи питания - 100 mA;
    по напряжению программирования - 50 mA;
    по логическим выходам - 5 mA.
Длина кабеля должна быть не более 30 см.
/Start - входной сигнал, активный уровень - 0. Этот вход эквивалентен кнопке Start на программаторе.
/Error, /Good, /Busy - логические выходы, активный уровень - 0. Эти сигналы индицируют состояние программатора и эквивалентны светодиодам на корпусе программатора.

Подсоединение к AS-ISP-ARM для микроконтроллеров семейства ARM/Cortex

Подсоединение к AS-ISP-ARM для микроконтроллеров семейства ARM/Cortex

Для просмотра списка микросхем, которые поддерживает программатор при наличии данного адаптера, выберите программатор из списка:

Схема подсоединения к адаптеру:

Подача питания на устройство пользователя может подаваться как от программатора, так и от внешнего источника питания. При подаче питания от внешнего источника, питание от программатора не должно подаваться на программируемое устройство.

Резисторы R1..R6 предназначены для изолирования программатора от устройтсва пользователя. Номинал этих резисторов должен быть не меньше 2к. Вместо резисторов можно использовать джамперы.


Таблица подсоединений выходного разъема адаптера к выводам микросхемы:

Выходной разъем адаптера, BH-20Микросхема ARM
1VCC
2VCC
3TRST
4GND
5TDI
6GND
7TMS
8GND
9TCK
10GND
11-
12GND
13TDO
14GND
15RESET
16GND
17-
18GND
19-
20GND

AS-ISP-CABLE


Увеличить

Standard ISP cable for ChipProg-ISP programmer.

Для просмотра списка микросхем, которые поддерживает программатор при наличии данного адаптера, выберите программатор из списка:


Таблица соединений адаптера:

BH-14IDC-14IDC-10Status and Control Signals from Programmer
111 
222 
333 
444 
555 
666 
777 
888 
999 
101010 
1111 /Start
1212 /Error
1313 /Good
1414 /Busy

Нагрузочная способность программатора:
    по цепи питания - 100 mA;
    по напряжению программирования - 50 mA;
    по логическим выходам - 5 mA.
Длина кабеля должна быть не более 30 см.
/Start - входной сигнал, активный уровень - 0. Этот вход эквивалентен кнопке Start на программаторе.
/Error, /Good, /Busy - логические выходы, активный уровень - 0. Эти сигналы индицируют состояние программатора и эквивалентны светодиодам на корпусе программатора.

Подсоединение к AS-ISP-Cable для Dallas iButton and 1-wire
Подсоединение к AS-ISP-Cable для LPC Flash and Firmware Hub
Подсоединение к AS-ISP-Cable для 24xx
Подсоединение к AS-ISP-Cable для 25xxx/AT26xxx
Подсоединение к AS-ISP-Cable для 93xx
Подсоединение к AS-ISP-Cable для AT45xxx
Подсоединение к AS-ISP-Cable для AT89LP21x
Подсоединение к AS-ISP-Cable для AT90/ATS89S/ATtiny/ATmega
Подсоединение к AS-ISP-Cable для ATXMega in PDI mode
Подсоединение к AS-ISP-Cable для ATmega103/128/1281/2561 AT90CAN128
Подсоединение к AS-ISP-Cable для ATtiny in High-Voltage mode
Подсоединение к AS-ISP-Cable для ATtiny10 in TPI mode
Подсоединение к AS-ISP-Cable для Cypress CY8C2xxxx
Подсоединение к AS-ISP-Cable для Dallas/Maxim DS89C420/430/440/450
Подсоединение к AS-ISP-Cable для Freescale HCS08, HCS12
Подсоединение к AS-ISP-Cable для Freescale MC68HC908JK1
Подсоединение к AS-ISP-Cable для Infineon XC886/888CLM
Подсоединение к AS-ISP-Cable для Microchip HCS101/HCS201/HCS360/HCS361/HCS362
Подсоединение к AS-ISP-Cable для Microchip HCS200/HCS300/HCS301/HCS320
Подсоединение к AS-ISP-Cable для Microchip MCP250XX
Подсоединение к AS-ISP-Cable для Microchip PIC10/PIC12
Подсоединение к AS-ISP-Cable для Microchip PIC16/PIC18
Подсоединение к AS-ISP-Cable для Microchip PIC16C505
Подсоединение к AS-ISP-Cable для Microchip PIC16Fxxx 14pins
Подсоединение к AS-ISP-Cable для Microchip PIC17
Подсоединение к AS-ISP-Cable для Microchip PIC18FxxJ
Подсоединение к AS-ISP-Cable для Microchip PIC24
Подсоединение к AS-ISP-Cable для Microchip dsPIC30F
Подсоединение к AS-ISP-Cable для Microchip dsPIC33FJ
Подсоединение к AS-ISP-Cable для NEC UPD78F9210,UPD78F9211
Подсоединение к AS-ISP-Cable для NVM3060
Подсоединение к AS-ISP-Cable для NXP/Philips LPC2100/LPC2200в режиме ISP
Подсоединение к AS-ISP-Cable для NXP/Philips LPC2300/LPC2400в режиме ISP
Подсоединение к AS-ISP-Cable для NXP/Philips P89LPC9xx в режиме ISP
Подсоединение к AS-ISP-Cable для NXP/Philips P89xxx в режиме ICP
Подсоединение к AS-ISP-Cable для STMicro STM32 в режиме BootLoader (BL)
Подсоединение к AS-ISP-Cable для STMicroelectronics M45Pxxx
Подсоединение к AS-ISP-Cable для STMicroelectronics STM8
Подсоединение к AS-ISP-Cable для TI MSP430 в режиме BSL с выводом TEST
Подсоединение к AS-ISP-Cable для TI MSP430F13x/14x в режиме BSL
Подсоединение к AS-ISP-Cable для TI MSP430F4xx в режиме BSL
Подсоединение к AS-ISP-Cable для Zilog Z8F

Подсоединение к AS-ISP-Cable для Dallas iButton and 1-wire

Для просмотра списка микросхем, которые поддерживает программатор при наличии данного адаптера, выберите программатор из списка:

Схема подсоединения к адаптеру:

Подача питания на устройство пользователя может подаваться как от программатора, так и от внешнего источника питания. При подаче питания от внешнего источника, питание от программатора не должно подаваться на программируемое устройство.

Резистор R1 предназначен для изолирования программатора от устройтсва пользователя. Номинал этого резистора должен быть не меньше 2к. Вместо резистора можно использовать джампер.


Таблица подсоединений выходного разъема адаптера к выводам микросхемы:

Выходной разъем адаптера, BH-10Микросхема AT26xxxTagret Device OneWire
1 Vcc
3  
5  
7  
9GndGnd
10  
8  
6  
4IODQ
2  

Подсоединение к AS-ISP-Cable для LPC Flash and Firmware Hub

Для просмотра списка микросхем, которые поддерживает программатор при наличии данного адаптера, выберите программатор из списка:

Схема подсоединения к адаптеру:

Подача питания на устройство пользователя может подаваться как от программатора, так и от внешнего источника питания. При подаче питания от внешнего источника, питание от программатора не должно подаваться на программируемое устройство.

Резисторы R1..R5 предназначены для изолирования программатора от устройтсва пользователя. Номинал этих резисторов должен быть не меньше 2к. Вместо резисторов можно использовать джамперы.


Таблица подсоединений выходного разъема адаптера к выводам микросхемы:

Выходной разъем адаптера, BH-14Микросхема LPC Flash or Firmware Hub
1LAD0
2LAD1
3LAD2
4LAD3
5LFRAME
6VCC
7,8,9GND
10LCLK

Подсоединение к AS-ISP-Cable для 24xx

Для просмотра списка микросхем, которые поддерживает программатор при наличии данного адаптера, выберите программатор из списка:

Схема подсоединения к адаптеру:

Подача питания на устройство пользователя может подаваться как от программатора, так и от внешнего источника питания. При подаче питания от внешнего источника, питание от программатора не должно подаваться на программируемое устройство.

Резисторы R1..R6 предназначены для изолирования программатора от устройтсва пользователя. Номинал этих резисторов должен быть не меньше 2к. Вместо резисторов можно использовать джамперы.


Таблица подсоединений выходного разъема адаптера к выводам микросхемы:

Выходной разъем адаптера, BH-14Микросхема 24xx
11
38
57
7-
94
105
8-
66
42
23

Подсоединение к AS-ISP-Cable для 25xxx/AT26xxx

Для просмотра списка микросхем, которые поддерживает программатор при наличии данного адаптера, выберите программатор из списка:

Схема подсоединения к адаптеру:

Подача питания на устройство пользователя может подаваться как от программатора, так и от внешнего источника питания. При подаче питания от внешнего источника, питание от программатора не должно подаваться на программируемое устройство.

Резисторы R1..R6 предназначены для изолирования программатора от устройтсва пользователя. Номинал этих резисторов должен быть не меньше 2к. Вместо резисторов можно использовать джамперы.


Таблица подсоединений выходного разъема адаптера к выводам микросхемы:

Выходной разъем адаптера, BH-14Микросхема AT26xxxМикросхема 25xxx, корпус 8 выводовМикросхема 25xxx, корпус 16 выводов
1117
3882
5339
7---
94410
105515
8228
66616
4771
2---

Подсоединение к AS-ISP-Cable для 93xx

Для просмотра списка микросхем, которые поддерживает программатор при наличии данного адаптера, выберите программатор из списка:

Схема подсоединения к адаптеру:

Подача питания на устройство пользователя может подаваться как от программатора, так и от внешнего источника питания. При подаче питания от внешнего источника, питание от программатора не должно подаваться на программируемое устройство.

Резисторы R1..R6 предназначены для изолирования программатора от устройтсва пользователя. Номинал этих резисторов должен быть не меньше 2к. Вместо резисторов можно использовать джамперы.


Таблица подсоединений выходного разъема адаптера к выводам микросхемы:

Выходной разъем адаптера, BH-14Микросхема 93xx
1DO
3CLK
5ORG*
7-
9GND
10PE*
8-
6CS
4DI
2Vcc

* Подсоединяется при отсутствии соединения в устройстве пользователя.

Подсоединение к AS-ISP-Cable для AT45xxx

Для просмотра списка микросхем, которые поддерживает программатор при наличии данного адаптера, выберите программатор из списка:

Схема подсоединения к адаптеру:

Подача питания на устройство пользователя может подаваться как от программатора, так и от внешнего источника питания. При подаче питания от внешнего источника, питание от программатора не должно подаваться на программируемое устройство.

Резисторы R1..R6 предназначены для изолирования программатора от устройства пользователя. Номинал этих резисторов должен быть не меньше 2к. Вместо резисторов можно использовать джамперы.
Конденсатор C2 необходимо устанавливать на устройстве пользователя между выводом CS и землей в случае нестабильной работы с микросхемой.


Таблица подсоединений выходного разъема адаптера к выводам микросхемы:

Выходной разъем адаптера, BH-14Микросхема AT45xxx
1CS
3VCC
5WP
7 
9GND
10SI
8SO
6SCK
4RESET
2GND

Подсоединение к AS-ISP-Cable для AT89LP21x

Для просмотра списка микросхем, которые поддерживает программатор при наличии данного адаптера, выберите программатор из списка:

Схема подсоединения к адаптеру:

Подача питания на устройство пользователя может подаваться как от программатора, так и от внешнего источника питания. При подаче питания от внешнего источника, питание от программатора не должно подаваться на программируемое устройство.

Резисторы R1..R5 предназначены для изолирования программатора от устройтсва пользователя. Номинал этих резисторов должен быть не меньше 2к. Вместо резисторов можно использовать джамперы.


Таблица подсоединений выходного разъема адаптера к выводам микросхемы:

Выходной разъем адаптера, BH-14Микросхема AT89LP21x
1MISO
3SCK
5RESET
7-
9GND
10SS
8-
6-
4MOSI
2Vcc

Подсоединение к AS-ISP-Cable для AT90/ATS89S/ATtiny/ATmega

Для просмотра списка микросхем, которые поддерживает программатор при наличии данного адаптера, выберите программатор из списка:

Схема подсоединения к адаптеру:

Подача питания на устройство пользователя может подаваться как от программатора, так и от внешнего источника питания. При подаче питания от внешнего источника, питание от программатора не должно подаваться на программируемое устройство.

Резисторы R1..R4 предназначены для изолирования программатора от устройтсва пользователя. Номинал этих резисторов должен быть не меньше 2к. Вместо резисторов можно использовать джамперы.


Таблица подсоединений выходного разъема адаптера к выводам микросхемы:

Выходной разъем адаптера, BH-14Микросхема AT90/AT89S (кроме AT90CAN128), ATtinyXX, ATmegaXXXX (кроме ATmega103, ATmega128, AT90CAN128, ATMega1281, ATMega2561)
1MISO
3SCK
5RESET
7-
9GND
10XTAL1*
8-
6-
4MOSI
2Vcc

* Подсоединяется при отсутствии внешнего генератора в устройстве пользователя.

Подсоединение к AS-ISP-Cable для ATXMega in PDI mode

Для просмотра списка микросхем, которые поддерживает программатор при наличии данного адаптера, выберите программатор из списка:

Схема подсоединения к адаптеру:

Подача питания на устройство пользователя может подаваться как от программатора, так и от внешнего источника питания. При подаче питания от внешнего источника, питание от программатора не должно подаваться на программируемое устройство.

Резисторы R1..R2 предназначены для изолирования программатора от устройтсва пользователя. Номинал этих резисторов должен быть не меньше 2к. Вместо резисторов можно использовать джамперы.


Таблица подсоединений выходного разъема адаптера к выводам микросхемы:

Выходной разъем адаптера, BH-10Микросхема ATtinyXX, высоковольтный режим
1DATA
2Vcc
3-
4-
5CLOCK
6GND
7-
8-
9-
10-

Подсоединение к AS-ISP-Cable для ATmega103/128/1281/2561 AT90CAN128

Для просмотра списка микросхем, которые поддерживает программатор при наличии данного адаптера, выберите программатор из списка:

Схема подсоединения к адаптеру:

Подача питания на устройство пользователя может подаваться как от программатора, так и от внешнего источника питания. При подаче питания от внешнего источника, питание от программатора не должно подаваться на программируемое устройство.

Резисторы R1..R4 предназначены для изолирования программатора от устройтсва пользователя. Номинал этих резисторов должен быть не меньше 2к. Вместо резисторов можно использовать джамперы.


Таблица подсоединений выходного разъема адаптера к выводам микросхемы:

Выходной разъем адаптера, BH-14Микросхема ATmega103, ATmega128, AT90CAN128, ATMega1281, ATMega2561
1TXD
3SCK
5RESET
7-
9GND
10XTAL1*
8-
6-
4RXD
2Vcc

* Подсоединяется при отсутствии внешнего генератора в устройстве пользователя.

Подсоединение к AS-ISP-Cable для ATtiny in High-Voltage mode

Для просмотра списка микросхем, которые поддерживает программатор при наличии данного адаптера, выберите программатор из списка:

Схема подсоединения к адаптеру:

Подача питания на устройство пользователя может подаваться как от программатора, так и от внешнего источника питания. При подаче питания от внешнего источника, питание от программатора не должно подаваться на программируемое устройство.

Резисторы R1..R5 предназначены для изолирования программатора от устройтсва пользователя. Номинал этих резисторов должен быть не меньше 2к. Вместо резисторов можно использовать джамперы.


Таблица подсоединений выходного разъема адаптера к выводам микросхемы:

Выходной разъем адаптера, BH-14Микросхема ATtinyXX в Высоковольтном режиме
1PB1
3PB2
5-
7PB5
9GND
10PB3
8-
6-
4PB0
2Vcc

Подсоединение к AS-ISP-Cable для ATtiny10 in TPI mode

Для просмотра списка микросхем, которые поддерживает программатор при наличии данного адаптера, выберите программатор из списка:

Схема подсоединения к адаптеру:

Подача питания на устройство пользователя может подаваться как от программатора, так и от внешнего источника питания. При подаче питания от внешнего источника, питание от программатора не должно подаваться на программируемое устройство.

Резисторы R1..R3 предназначены для изолирования программатора от устройтсва пользователя. Номинал этих резисторов должен быть не меньше 2к. Вместо резисторов можно использовать джамперы.


Таблица подсоединений выходного разъема адаптера к выводам микросхемы:

Выходной разъем адаптера, BH-10Микросхема ATtinyXX, высоковольтный режим
1-
2-
3DATA
4VCC
5CLOCK
6-
7RESET
8GND
9-
10-
11 
12 
13 
14 

Подсоединение к AS-ISP-Cable для Cypress CY8C2xxxx

Для просмотра списка микросхем, которые поддерживает программатор при наличии данного адаптера, выберите программатор из списка:

Схема подсоединения к адаптеру:

Подача питания на устройство пользователя может подаваться как от программатора, так и от внешнего источника питания. При подаче питания от внешнего источника, питание от программатора не должно подаваться на программируемое устройство.

Резисторы R1..R3 предназначены для изолирования программатора от устройтсва пользователя. Номинал этих резисторов должен быть не меньше 2к. Вместо резисторов можно использовать джамперы.


Таблица подсоединений выходного разъема адаптера к выводам микросхемы:

Выходной разъем адаптера, BH-14Микросхема CY8C2xxxx
1 
2DATA
3 
4SCLK
5 
6Xres
7 
8GND
9 
10Vcc

Подсоединение к AS-ISP-Cable для Dallas/Maxim DS89C420/430/440/450

Для просмотра списка микросхем, которые поддерживает программатор при наличии данного адаптера, выберите программатор из списка:

Схема подсоединения к адаптеру:

Подача питания на устройство пользователя может подаваться как от программатора, так и от внешнего источника питания. При подаче питания от внешнего источника, питание от программатора не должно подаваться на программируемое устройство.

Резисторы R1..R6 предназначены для изолирования программатора от устройтсва пользователя. Номинал этих резисторов должен быть не меньше 2к. Вместо резисторов можно использовать джамперы.


Таблица подсоединений выходного разъема адаптера к выводам микросхемы:

Выходной разъем адаптера, BH-14Микросхема DS89C4x0
140
311
531
7-
920
109
8-
619
410
229

Подсоединение к AS-ISP-Cable для Freescale HCS08, HCS12

Для просмотра списка микросхем, которые поддерживает программатор при наличии данного адаптера, выберите программатор из списка:

Схема подсоединения к адаптеру:

Подача питания на устройство пользователя может подаваться как от программатора, так и от внешнего источника питания. При подаче питания от внешнего источника, питание от программатора не должно подаваться на программируемое устройство.

Резисторы R1..R2 предназначены для изолирования программатора от устройтсва пользователя. Номинал этих резисторов должен быть не меньше 2к. Вместо резисторов можно использовать джамперы.


Таблица подсоединений выходного разъема адаптера к выводам микросхемы:

Выходной разъем адаптера, BH-14Микросхема HCS08, HCS12
1BKGD
2GND
3-
4RESET
5-
6VDD
7-
8-
9-
10 

Подсоединение к AS-ISP-Cable для Freescale MC68HC908JK1

Для просмотра списка микросхем, которые поддерживает программатор при наличии данного адаптера, выберите программатор из списка:

Схема подсоединения к адаптеру:

Подача питания на устройство пользователя может подаваться как от программатора, так и от внешнего источника питания. При подаче питания от внешнего источника, питание от программатора не должно подаваться на программируемое устройство.

Резисторы R1..R7 предназначены для изолирования программатора от устройтсва пользователя. Номинал этих резисторов должен быть не меньше 2к. Вместо резисторов можно использовать джамперы.


Таблица подсоединений выходного разъема адаптера к выводам микросхемы:

Выходной разъем адаптера, BH-14Микросхема MC68HC908JK1
15
212
315
414
513
63
71
8-
92
1020

Подсоединение к AS-ISP-Cable для Infineon XC886/888CLM

Для просмотра списка микросхем, которые поддерживает программатор при наличии данного адаптера, выберите программатор из списка:

Схема подсоединения к адаптеру:

Подача питания на устройство пользователя может подаваться как от программатора, так и от внешнего источника питания. При подаче питания от внешнего источника, питание от программатора не должно подаваться на программируемое устройство.

Резисторы R1..R5 предназначены для изолирования программатора от устройтсва пользователя. Номинал этих резисторов должен быть не меньше 2к. Вместо резисторов можно использовать джамперы.


Таблица подсоединений выходного разъема адаптера к выводам микросхемы:

Выходной разъем адаптера, BH-14Микросхема XC886/888CLM
1VDDP
3TXD
5TMS
7-
9GND
10-
8-
6RESET
4RXD
2MBC

Подсоединение к AS-ISP-Cable для Microchip HCS101/HCS201/HCS360/HCS361/HCS362

Для просмотра списка микросхем, которые поддерживает программатор при наличии данного адаптера, выберите программатор из списка:

Схема подсоединения к адаптеру:

Подача питания на устройство пользователя может подаваться как от программатора, так и от внешнего источника питания. При подаче питания от внешнего источника, питание от программатора не должно подаваться на программируемое устройство.

Резисторы R1..R3 предназначены для изолирования программатора от устройтсва пользователя. Номинал этих резисторов должен быть не меньше 2к. Вместо резисторов можно использовать джамперы.


Таблица подсоединений выходного разъема адаптера к выводам микросхемы:

Выходной разъем адаптера, BH-14Микросхема HCS101Микросхема HCS201Микросхема HCS360Микросхема HCS361Микросхема HCS362
1VddVddVddVddVdd
2VssVssVssVssVss
3S2S2S2S2S2
4     
5S1S1S1S1S1
6     
7     
8     
9     
10DataDataDataDataData

Подсоединение к AS-ISP-Cable для Microchip HCS200/HCS300/HCS301/HCS320

Для просмотра списка микросхем, которые поддерживает программатор при наличии данного адаптера, выберите программатор из списка:

Схема подсоединения к адаптеру:

Подача питания на устройство пользователя может подаваться как от программатора, так и от внешнего источника питания. При подаче питания от внешнего источника, питание от программатора не должно подаваться на программируемое устройство.

Резисторы R1..R3 предназначены для изолирования программатора от устройтсва пользователя. Номинал этих резисторов должен быть не меньше 2к. Вместо резисторов можно использовать джамперы.


Таблица подсоединений выходного разъема адаптера к выводам микросхемы:

Выходной разъем адаптера, BH-14Микросхема HCS200Микросхема HCS300Микросхема HCS301Микросхема HCS320
1VddVddVddVdd
2VssVssVssVss
3S2S2S2S2
4    
5S1S1S1S1
6    
7    
8    
9    
10PWMPWMPWMPWM

Подсоединение к AS-ISP-Cable для Microchip MCP250XX

Для просмотра списка микросхем, которые поддерживает программатор при наличии данного адаптера, выберите программатор из списка:

Схема подсоединения к адаптеру:

Подача питания на устройство пользователя может подаваться как от программатора, так и от внешнего источника питания. При подаче питания от внешнего источника, питание от программатора не должно подаваться на программируемое устройство.

Резисторы R2,R3 предназначены для изолирования программатора от устройтсва пользователя. Номинал этих резисторов должен быть не меньше 2к. Вместо резисторов можно использовать джамперы.


Таблица подсоединений выходного разъема адаптера к выводам микросхемы:

Выходной разъем адаптера, BH-14Микросхема MCP250XX
1Vdd
2GND
3CLOCK
4-
5-
6-
7RST/Vpp
8-
9GND
10DATA

Подсоединение к AS-ISP-Cable для Microchip PIC10/PIC12

Для просмотра списка микросхем, которые поддерживает программатор при наличии данного адаптера, выберите программатор из списка:

Схема подсоединения к адаптеру:

Подача питания на устройство пользователя может подаваться как от программатора, так и от внешнего источника питания. При подаче питания от внешнего источника, питание от программатора не должно подаваться на программируемое устройство.

Резисторы R2,R3 предназначены для изолирования программатора от устройтсва пользователя. Номинал этих резисторов должен быть не меньше 2к. Вместо резисторов можно использовать джамперы.


Таблица подсоединений выходного разъема адаптера к выводам микросхемы:

Выходной разъем адаптера, BH-14Микросхема PIC10/PIC12
1Vdd
2GND
3GP1
4-
5-
6-
7MCLR/Vpp
8-
9GND
10GP0

На все выводы питания микросхемы, включая AVdd, должно быть подано напряжение питания. Все выводы земли микросхемы, включая AVss, должны быть соединены между собой.

Подсоединение к AS-ISP-Cable для Microchip PIC16/PIC18

Для просмотра списка микросхем, которые поддерживает программатор при наличии данного адаптера, выберите программатор из списка:

Схема подсоединения к адаптеру:

Подача питания на устройство пользователя может подаваться как от программатора, так и от внешнего источника питания. При подаче питания от внешнего источника, питание от программатора не должно подаваться на программируемое устройство.

Резисторы R2,R3 предназначены для изолирования программатора от устройтсва пользователя. Номинал этих резисторов должен быть не меньше 2к. Вместо резисторов можно использовать джамперы.


Таблица подсоединений выходного разъема адаптера к выводам микросхемы:

Выходной разъем адаптера, BH-14Микросхема PIC16/PIC18
1Vdd
2GND
3RB6
4-
5-
6-
7MCLR/Vpp
8-
9GND
10RB7

На все выводы питания микросхемы, включая AVdd, должно быть подано напряжение питания. Все выводы земли микросхемы, включая AVss, должны быть соединены между собой.

Подсоединение к AS-ISP-Cable для Microchip PIC16C505

Для просмотра списка микросхем, которые поддерживает программатор при наличии данного адаптера, выберите программатор из списка:

Схема подсоединения к адаптеру:

Подача питания на устройство пользователя может подаваться как от программатора, так и от внешнего источника питания. При подаче питания от внешнего источника, питание от программатора не должно подаваться на программируемое устройство.

Резисторы R2,R3 предназначены для изолирования программатора от устройтсва пользователя. Номинал этих резисторов должен быть не меньше 2к. Вместо резисторов можно использовать джамперы.


Таблица подсоединений выходного разъема адаптера к выводам микросхемы:

Выходной разъем адаптера, BH-14Микросхема PIC16C505
1Vdd
2GND
3RB1
4-
5-
6-
7MCLR/Vpp
8-
9GND
10RB0

На все выводы питания микросхемы, включая AVdd, должно быть подано напряжение питания. Все выводы земли микросхемы, включая AVss, должны быть соединены между собой.

Подсоединение к AS-ISP-Cable для Microchip PIC16Fxxx 14pins

Для просмотра списка микросхем, которые поддерживает программатор при наличии данного адаптера, выберите программатор из списка:

Схема подсоединения к адаптеру:

Подача питания на устройство пользователя может подаваться как от программатора, так и от внешнего источника питания. При подаче питания от внешнего источника, питание от программатора не должно подаваться на программируемое устройство.

Резисторы R2,R3 предназначены для изолирования программатора от устройтсва пользователя. Номинал этих резисторов должен быть не меньше 2к. Вместо резисторов можно использовать джамперы.


Таблица подсоединений выходного разъема адаптера к выводам микросхемы:

Выходной разъем адаптера, BH-14Микросхема PIC16Fxxx, корпус 14 выводов
1Vdd
2GND
3RA1
4-
5-
6-
7MCLR/Vpp
8-
9GND
10RA0

Подсоединение к AS-ISP-Cable для Microchip PIC17

Для просмотра списка микросхем, которые поддерживает программатор при наличии данного адаптера, выберите программатор из списка:

Схема подсоединения к адаптеру:

Подача питания на устройство пользователя может подаваться как от программатора, так и от внешнего источника питания. При подаче питания от внешнего источника, питание от программатора не должно подаваться на программируемое устройство.

Резисторы R2..R4 предназначены для изолирования программатора от устройтсва пользователя. Номинал этих резисторов должен быть не меньше 2к. Вместо резисторов можно использовать джамперы.


Таблица подсоединений выходного разъема адаптера к выводам микросхемы:

Выходной разъем адаптера, BH-14Микросхема PIC17
1Vdd
2GND
3RA5
4-
5-
6RA1
7MCLR/Vpp
8TEST
9GND
10RA4

Подсоединение к AS-ISP-Cable для Microchip PIC18FxxJ

Для просмотра списка микросхем, которые поддерживает программатор при наличии данного адаптера, выберите программатор из списка:

Схема подсоединения к адаптеру:

Подача питания на устройство пользователя может подаваться как от программатора, так и от внешнего источника питания. При подаче питания от внешнего источника, питание от программатора не должно подаваться на программируемое устройство.

Резисторы R2,R3 предназначены для изолирования программатора от устройтсва пользователя. Номинал этих резисторов должен быть не меньше 2к. Вместо резисторов можно использовать джамперы.


Таблица подсоединений выходного разъема адаптера к выводам микросхемы:

Выходной разъем адаптера, BH-14Микросхема PIC18FxxJ
1Vdd
2GND
3RB6
4-
5-
6MCLR
7Vddcore
8-
9GND
10RB7

На все выводы питания микросхемы, включая AVdd, должно быть подано напряжение питания. Все выводы земли микросхемы, включая AVss, должны быть соединены между собой.

Подсоединение к AS-ISP-Cable для Microchip PIC24

Для просмотра списка микросхем, которые поддерживает программатор при наличии данного адаптера, выберите программатор из списка:

Схема подсоединения к адаптеру:

Подача питания на устройство пользователя может подаваться как от программатора, так и от внешнего источника питания. При подаче питания от внешнего источника, питание от программатора не должно подаваться на программируемое устройство.

Резисторы R2,R3 предназначены для изолирования программатора от устройтсва пользователя. Номинал этих резисторов должен быть не меньше 2к. Вместо резисторов можно использовать джамперы.


Таблица подсоединений выходного разъема адаптера к выводам микросхемы:

Выходной разъем адаптера, BH-14Микросхема dsPIC33FJ
1Vdd
2GND
3PGC
4 
5 
6MCLR
7Vddcore
8 
9GND
10PGD

На все выводы питания микросхемы, включая AVdd, должно быть подано напряжение питания. Все выводы земли микросхемы, включая AVss, должны быть соединены между собой.

Подсоединение к AS-ISP-Cable для Microchip dsPIC30F

Для просмотра списка микросхем, которые поддерживает программатор при наличии данного адаптера, выберите программатор из списка:

Схема подсоединения к адаптеру:

Подача питания на устройство пользователя может подаваться как от программатора, так и от внешнего источника питания. При подаче питания от внешнего источника, питание от программатора не должно подаваться на программируемое устройство.

Резисторы R2,R3 предназначены для изолирования программатора от устройтсва пользователя. Номинал этих резисторов должен быть не меньше 2к. Вместо резисторов можно использовать джамперы.


Таблица подсоединений выходного разъема адаптера к выводам микросхемы:

Выходной разъем адаптера, BH-14Микросхема dsPIC30F
1Vdd
2GND
3PGC
4 
5 
6 
7MCLR/Vpp
8 
9GND
10PGD

На все выводы питания микросхемы, включая AVdd, должно быть подано напряжение питания. Все выводы земли микросхемы, включая AVss, должны быть соединены между собой.

Подсоединение к AS-ISP-Cable для Microchip dsPIC33FJ

Для просмотра списка микросхем, которые поддерживает программатор при наличии данного адаптера, выберите программатор из списка:

Схема подсоединения к адаптеру:

Подача питания на устройство пользователя может подаваться как от программатора, так и от внешнего источника питания. При подаче питания от внешнего источника, питание от программатора не должно подаваться на программируемое устройство.

Резисторы R2,R3 предназначены для изолирования программатора от устройтсва пользователя. Номинал этих резисторов должен быть не меньше 2к. Вместо резисторов можно использовать джамперы.


Таблица подсоединений выходного разъема адаптера к выводам микросхемы:

Выходной разъем адаптера, BH-14Микросхема dsPIC33FJ
1Vdd
2GND
3PGC
4 
5 
6MCLR
7Vddcore
8 
9GND
10PGD

На все выводы питания микросхемы, включая AVdd, должно быть подано напряжение питания. Все выводы земли микросхемы, включая AVss, должны быть соединены между собой.

Подсоединение к AS-ISP-Cable для NEC UPD78F9210,UPD78F9211

Для просмотра списка микросхем, которые поддерживает программатор при наличии данного адаптера, выберите программатор из списка:

Схема подсоединения к адаптеру:

Подача питания на устройство пользователя может подаваться как от программатора, так и от внешнего источника питания. При подаче питания от внешнего источника, питание от программатора не должно подаваться на программируемое устройство.

Резисторы R1..R4 предназначены для изолирования программатора от устройтсва пользователя. Номинал этих резисторов должен быть не меньше 2к. Вместо резисторов можно использовать джамперы.


Таблица подсоединений выходного разъема адаптера к выводам микросхемы:

Выходной разъем адаптера, BH-14Микросхема UPD78F9210Микросхема UPD78F9211
144
21212
388
455
599
6----
7  
899
9  
10--

Подсоединение к AS-ISP-Cable для NVM3060

Для просмотра списка микросхем, которые поддерживает программатор при наличии данного адаптера, выберите программатор из списка:

Схема подсоединения к адаптеру:

Подача питания на устройство пользователя может подаваться как от программатора, так и от внешнего источника питания. При подаче питания от внешнего источника, питание от программатора не должно подаваться на программируемое устройство.

Резисторы R1..R6 предназначены для изолирования программатора от устройтсва пользователя. Номинал этих резисторов должен быть не меньше 2к. Вместо резисторов можно использовать джамперы.


Таблица подсоединений выходного разъема адаптера к выводам микросхемы:

Выходной разъем адаптера, BH-14Микросхема NVM3060
1IM Bus Data Input/Output
3IM Bus Clock Input
5RESET
7-
9GND
10Option Input
8-
6Safe Input S
4IM Bus Ident Input
2Vcc

Подсоединение к AS-ISP-Cable для NXP/Philips LPC2100/LPC2200в режиме ISP

Для просмотра списка микросхем, которые поддерживает программатор при наличии данного адаптера, выберите программатор из списка:

Схема подсоединения к адаптеру:

Подача питания на устройство пользователя может подаваться как от программатора, так и от внешнего источника питания. При подаче питания от внешнего источника, питание от программатора не должно подаваться на программируемое устройство.

Резисторы R1..R4 предназначены для изолирования программатора от устройтсва пользователя. Номинал этих резисторов должен быть не меньше 2к. Вместо резисторов можно использовать джамперы.


Таблица подсоединений выходного разъема адаптера к выводам микросхемы:

Выходной разъем адаптера, BH-14Микросхема LPC21xx/LPC22xx
1-
3UART0.TXD
5UART0.RXD
7P0.14
9Vss
10-
8-
6-
4RESET
2Vdd

Подсоединение к AS-ISP-Cable для NXP/Philips LPC2300/LPC2400в режиме ISP

Для просмотра списка микросхем, которые поддерживает программатор при наличии данного адаптера, выберите программатор из списка:

Схема подсоединения к адаптеру:

Подача питания на устройство пользователя может подаваться как от программатора, так и от внешнего источника питания. При подаче питания от внешнего источника, питание от программатора не должно подаваться на программируемое устройство.

Резисторы R1..R4 предназначены для изолирования программатора от устройтсва пользователя. Номинал этих резисторов должен быть не меньше 2к. Вместо резисторов можно использовать джамперы.


Таблица подсоединений выходного разъема адаптера к выводам микросхемы:

Выходной разъем адаптера, BH-14Микросхема LPC23xx/LPC24xx
1-
3UART0.TXD
5UART0.RXD
7P2.10
9Vss
10-
8-
6-
4RESET
2Vdd

Подсоединение к AS-ISP-Cable для NXP/Philips P89LPC9xx в режиме ISP

Для просмотра списка микросхем, которые поддерживает программатор при наличии данного адаптера, выберите программатор из списка:

Схема подсоединения к адаптеру:

Подача питания на устройство пользователя может подаваться как от программатора, так и от внешнего источника питания. При подаче питания от внешнего источника, питание от программатора не должно подаваться на программируемое устройство.

Резисторы R1..R3 предназначены для изолирования программатора от устройтсва пользователя. Номинал этих резисторов должен быть не меньше 2к. Вместо резисторов можно использовать джамперы.


Таблица подсоединений выходного разъема адаптера к выводам микросхемы:

Выходной разъем адаптера, BH-14Микросхема P89LPC9xx
1VCC
3TXD
5 
7 
9GND
10XTAL1
8 
6RST
4RXD
2 

Подсоединение к AS-ISP-Cable для NXP/Philips P89xxx в режиме ICP

Для просмотра списка микросхем, которые поддерживает программатор при наличии данного адаптера, выберите программатор из списка:

Схема подсоединения к адаптеру:

Подача питания на устройство пользователя может подаваться как от программатора, так и от внешнего источника питания. При подаче питания от внешнего источника, питание от программатора не должно подаваться на программируемое устройство.

Резисторы R1..R3 предназначены для изолирования программатора от устройтсва пользователя. Номинал этих резисторов должен быть не меньше 2к. Вместо резисторов можно использовать джамперы.


Таблица подсоединений выходного разъема адаптера к выводам микросхемы:

Выходной разъем адаптера, BH-14Микросхема P89LPC9xxМикросхема P89V52X2
1VddVdd
3P0.5P0.5
5--
7--
9VssVss
10P0.4P0.4
8--
6RSTRST
4--
2VssVss

Подсоединение к AS-ISP-Cable для STMicro STM32 в режиме BootLoader (BL)

Для просмотра списка микросхем, которые поддерживает программатор при наличии данного адаптера, выберите программатор из списка:

Схема подсоединения к адаптеру:

Подача питания на устройство пользователя может подаваться как от программатора, так и от внешнего источника питания. При подаче питания от внешнего источника, питание от программатора не должно подаваться на программируемое устройство.

Резисторы R1..R5 предназначены для изолирования программатора от устройтсва пользователя. Номинал этих резисторов должен быть не меньше 2к. Вместо резисторов можно использовать джамперы.


Таблица подсоединений выходного разъема адаптера к выводам микросхемы:

Выходной разъем адаптера, BH-14Микросхема STM32Fxxx
1BOOT0
3UART0.TXD
5UART0.RXD
7-
9Vss
10-
8-
6BOOT1
4RESET
2Vdd

Подсоединение к AS-ISP-Cable для STMicroelectronics M45Pxxx

Для просмотра списка микросхем, которые поддерживает программатор при наличии данного адаптера, выберите программатор из списка:

Схема подсоединения к адаптеру:

Подача питания на устройство пользователя может подаваться как от программатора, так и от внешнего источника питания. При подаче питания от внешнего источника, питание от программатора не должно подаваться на программируемое устройство.

Резисторы R1..R6 предназначены для изолирования программатора от устройтсва пользователя. Номинал этих резисторов должен быть не меньше 2к. Вместо резисторов можно использовать джамперы.


Таблица подсоединений выходного разъема адаптера к выводам микросхемы:

Выходной разъем адаптера, BH-14Микросхема M45xxx, корпус 8 выводовМикросхема M45xxx, корпус 8 выводов
1410
3616
5515
7--
971
1017
882
628
439
2--

Подсоединение к AS-ISP-Cable для STMicroelectronics STM8

Для просмотра списка микросхем, которые поддерживает программатор при наличии данного адаптера, выберите программатор из списка:

Схема подсоединения к адаптеру:

Подача питания на устройство пользователя может подаваться как от программатора, так и от внешнего источника питания. При подаче питания от внешнего источника, питание от программатора не должно подаваться на программируемое устройство.

Резисторы R1..R2 предназначены для изолирования программатора от устройтсва пользователя. Номинал этих резисторов должен быть не меньше 2к. Вместо резисторов можно использовать джамперы.


Таблица подсоединений выходного разъема адаптера к выводам микросхемы:

Выходной разъем адаптера, BH-10Микросхема STM8
1VDD
3SWIM
5GND
7RESET
9-
10-
8-
6-
4-
2-

Подсоединение к AS-ISP-Cable для TI MSP430 в режиме BSL с выводом TEST

Для просмотра списка микросхем, которые поддерживает программатор при наличии данного адаптера, выберите программатор из списка:

Схема подсоединения к адаптеру:

Подача питания на устройство пользователя может подаваться как от программатора, так и от внешнего источника питания. При подаче питания от внешнего источника, питание от программатора не должно подаваться на программируемое устройство.

Резисторы R1..R4 предназначены для изолирования программатора от устройтсва пользователя. Номинал этих резисторов должен быть не меньше 2к. Вместо резисторов можно использовать джамперы.


Таблица подсоединений выходного разъема адаптера к выводам микросхемы:

Выходной разъем адаптера, BH-14Микросхема MSP430 with TEST pin
1P1.1
2-
3P2.2
4RST/NMI
5GND
6VCC
7TEST
8-
9-
10-

Подсоединение к AS-ISP-Cable для TI MSP430F13x/14x в режиме BSL

Для просмотра списка микросхем, которые поддерживает программатор при наличии данного адаптера, выберите программатор из списка:

Схема подсоединения к адаптеру:

Подача питания на устройство пользователя может подаваться как от программатора, так и от внешнего источника питания. При подаче питания от внешнего источника, питание от программатора не должно подаваться на программируемое устройство.

Резисторы R1..R4 предназначены для изолирования программатора от устройтсва пользователя. Номинал этих резисторов должен быть не меньше 2к. Вместо резисторов можно использовать джамперы.


Таблица подсоединений выходного разъема адаптера к выводам микросхемы:

Выходной разъем адаптера, BH-14Микросхема MSP430F13x, MSP430F14x
1P1.1
2TCK
3P2.2
4RST/NMI
5GND
6VCC
7-
8-
9-
10-

Подсоединение к AS-ISP-Cable для TI MSP430F4xx в режиме BSL

Для просмотра списка микросхем, которые поддерживает программатор при наличии данного адаптера, выберите программатор из списка:

Схема подсоединения к адаптеру:

Подача питания на устройство пользователя может подаваться как от программатора, так и от внешнего источника питания. При подаче питания от внешнего источника, питание от программатора не должно подаваться на программируемое устройство.

Резисторы R1..R4 предназначены для изолирования программатора от устройтсва пользователя. Номинал этих резисторов должен быть не меньше 2к. Вместо резисторов можно использовать джамперы.


Таблица подсоединений выходного разъема адаптера к выводам микросхемы:

Выходной разъем адаптера, BH-14Микросхема MSP430F4xx
1P1.0
2TCK
3P1.1
4RST/NMI
5GND
6VCC
7-
8-
9-
10-

Подсоединение к AS-ISP-Cable для Zilog Z8F

Для просмотра списка микросхем, которые поддерживает программатор при наличии данного адаптера, выберите программатор из списка:

Схема подсоединения к адаптеру:

Подача питания на устройство пользователя может подаваться как от программатора, так и от внешнего источника питания. При подаче питания от внешнего источника, питание от программатора не должно подаваться на программируемое устройство.

Резисторы R1,R2 предназначены для изолирования программатора от устройтсва пользователя. Номинал этих резисторов должен быть не меньше 2к. Вместо резисторов можно использовать джамперы.


Таблица подсоединений выходного разъема адаптера к выводам микросхемы:

Выходной разъем адаптера, BH-14Микросхема Z8Fxxxx
1Vcc
2RESET
3GND
4DBG
5GND
6 
7 
8 
9 
10 

AS-ISP-EPM


Увеличить

ChipProg-ISP BH14/BH10 specialized adapter for in system programming of Altera EPM300A PLD family .

Для просмотра списка микросхем, которые поддерживает программатор при наличии данного адаптера, выберите программатор из списка:


Таблица соединений адаптера:

From Programmer Output Connector, BH-14To the Target DeviceStatus and Control Signals from Programmer
11 
22 
33 
44 
55 
66 
77 
88 
910 
109 
11 /Start
12 /Error
13 /Good
14 /Busy
Подсоединение к адаптеру AE-ISP-EPM для микросхем EPM300A

Подсоединение к адаптеру AE-ISP-EPM для микросхем EPM300A

Для просмотра списка микросхем, которые поддерживает программатор при наличии данного адаптера, выберите программатор из списка:

Подача питания на устройство пользователя может подаваться как от программатора, так и от внешнего источника питания. При подаче питания от внешнего источника, питание от программатора не должно подаваться на программируемое устройство.

Резисторы R1..R4 предназначены для изолирования программатора от устройтсва пользователя. Номинал этих резисторов должен быть не меньше 2к. Вместо резисторов можно использовать джамперы.


Таблица подсоединений выходного разъема адаптера к выводам микросхемы:

Выходной разъем адаптера, BH-14Микросхема EPM3xxx
1TCK
2GND
3TDO
4VCC
5TMS
6,7,8-
9TDI
10GND

AS-ISP-MSP430


Увеличить

ChipProg-ISP BH14/BH14 specialized adapter for in system programming of TI MSP430 microcontrollers in JTAG and SBW modes.

Для просмотра списка микросхем, которые поддерживает программатор при наличии данного адаптера, выберите программатор из списка:


Таблица соединений адаптера:

From Programmer Output Connector, BH-14To the Target DeviceStatus and Control Signals from Programmer
17 
22 
33 
44 
55 
66 
71 
88 
99 
1011 
11 /Start
12 /Error
13 /Good
14 /Busy
Подсоединение к адаптеру AS-ISP-MSP430 для Texas Instruments MSP430Fxxx в режиме JTAG
Подсоединение к адаптеру AS-ISP-MSP430 для Texas Instruments MSP430Fxxx в режиме SBW

Подсоединение к адаптеру AS-ISP-MSP430 для Texas Instruments MSP430Fxxx в режиме JTAG

Для просмотра списка микросхем, которые поддерживает программатор при наличии данного адаптера, выберите программатор из списка:

Подача питания на устройство пользователя может подаваться как от программатора, так и от внешнего источника питания. При подаче питания от внешнего источника, питание от программатора не должно подаваться на программируемое устройство.

Резисторы R1..R6 предназначены для изолирования программатора от устройтсва пользователя. Номинал этих резисторов должен быть не меньше 2к. Вместо резисторов можно использовать джамперы.


Таблица подсоединений выходного разъема адаптера к выводам микросхемы:

Выходной разъем адаптера, BH-14Микросхема MSP430Fxxx
1TDO
2VCC
3TDI
4-
5TMS
6-
7TCK
8TEST*
9GND
10-
11NRST
12-
13-
14-

* - Некоторые микроконтроллеры не имеют сигнал TEST.

Подсоединение к адаптеру AS-ISP-MSP430 для Texas Instruments MSP430Fxxx в режиме SBW

Для просмотра списка микросхем, которые поддерживает программатор при наличии данного адаптера, выберите программатор из списка:

Подача питания на устройство пользователя может подаваться как от программатора, так и от внешнего источника питания. При подаче питания от внешнего источника, питание от программатора не должно подаваться на программируемое устройство.

Резисторы R1..R2 предназначены для изолирования программатора от устройтсва пользователя. Номинал этих резисторов должен быть не меньше 2к. Вместо резисторов можно использовать джамперы.


Таблица подсоединений выходного разъема адаптера к выводам микросхемы:

Выходной разъем адаптера, BH-14Микросхема MSP430Fxxx
1-
2VCC
3-
4-
5-
6-
7-
8TEST/SBWTCK
9GND
10-
11RST/SBWTDIO
12-
13-
14-

AS-ISP-NEC


Увеличить

ChipProg-ISP BH14/BH16 specialized adapter for in system programming of NEC microcontrollers .

Для просмотра списка микросхем, которые поддерживает программатор при наличии данного адаптера, выберите программатор из списка:


Таблица соединений адаптера:

BH-14 from ProgrammerBH-16 to Device
12
25
33
47
54
68
712
814
91
109
11 
12 
13 
14 
Подсоединение к адаптеру AE-ISP-NEC для NEC микроконтроллеров по протоколу SPI
Подсоединение к адаптеру AE-ISP-NEC для NEC микроконтроллеров по UART протоколу
Подсоединение к адаптеру AE-ISP-NEC для NEC микроконтроллеров в режиме однопроводного UART

Подсоединение к адаптеру AE-ISP-NEC для NEC микроконтроллеров по протоколу SPI

Для просмотра списка микросхем, которые поддерживает программатор при наличии данного адаптера, выберите программатор из списка:

Подача питания на устройство пользователя может подаваться как от программатора, так и от внешнего источника питания. При подаче питания от внешнего источника, питание от программатора не должно подаваться на программируемое устройство.

Резисторы R1..R8 предназначены для изолирования программатора от устройтсва пользователя. Номинал этих резисторов должен быть не меньше 2к. Вместо резисторов можно использовать джамперы.


Таблица подсоединений выходного разъема адаптера к выводам микросхемы:

Adapter output connector BH16SPI protocol device target
1GND
2RESET
3SI
4Vdd
5SO
6 
7SCK
8H/S
9CLK
10 
11 
12FLMD1
13 
14FLMD0
15 
16 

Подсоединение к адаптеру AE-ISP-NEC для NEC микроконтроллеров по UART протоколу

Для просмотра списка микросхем, которые поддерживает программатор при наличии данного адаптера, выберите программатор из списка:

Подача питания на устройство пользователя может подаваться как от программатора, так и от внешнего источника питания. При подаче питания от внешнего источника, питание от программатора не должно подаваться на программируемое устройство.

Резисторы R1..R6 предназначены для изолирования программатора от устройтсва пользователя. Номинал этих резисторов должен быть не меньше 2к. Вместо резисторов можно использовать джамперы.


Таблица подсоединений выходного разъема адаптера к выводам микросхемы:

Adapter output connector BH16UART protocol device target
1GND
2RESET
3RXD
4Vdd
5TXD
6 
7 
8 
9CLK
10 
11 
12FLMD1
13 
14FLMD0
15 
16 

Подсоединение к адаптеру AE-ISP-NEC для NEC микроконтроллеров в режиме однопроводного UART

Для просмотра списка микросхем, которые поддерживает программатор при наличии данного адаптера, выберите программатор из списка:

Подача питания на устройство пользователя может подаваться как от программатора, так и от внешнего источника питания. При подаче питания от внешнего источника, питание от программатора не должно подаваться на программируемое устройство.

Резисторы R1..R5 предназначены для изолирования программатора от устройтсва пользователя. Номинал этих резисторов должен быть не меньше 2к. Вместо резисторов можно использовать джамперы.


Таблица подсоединений выходного разъема адаптера к выводам микросхемы:

Adapter output connector BH16One Wire UART protocol device target
1GND
2RESET
3 
4Vdd
5TOOL0
6 
7 
8 
9CLK
10 
11 
12FLMD1
13 
14FLMD0
15 
16 

AS-ISP-ST7


Увеличить

ChipProg-ISP BH14/BH10 specialized adapter for in system programming of STMicroelectronic ST7 microcontroller family .

Для просмотра списка микросхем, которые поддерживает программатор при наличии данного адаптера, выберите программатор из списка:


Таблица соединений адаптера:

From Programmer Output Connector, BH-14To the Target DeviceStatus and Control Signals from Programmer
11 
22 
33 
44 
57 
66 
7- 
88 
910 
109 
11 /Start
12 /Error
13 /Good
14 /Busy
Подсоединение к адаптеру AE-ISP-ST7 для микроконтроллеров ST7

Подсоединение к адаптеру AE-ISP-ST7 для микроконтроллеров ST7

Для просмотра списка микросхем, которые поддерживает программатор при наличии данного адаптера, выберите программатор из списка:

Схема подсоединения к адаптеру:

Подача питания на устройство пользователя может подаваться как от программатора, так и от внешнего источника питания. При подаче питания от внешнего источника, питание от программатора не должно подаваться на программируемое устройство.

Резисторы R1..R4 предназначены для изолирования программатора от устройтсва пользователя. Номинал этих резисторов должен быть не меньше 2к. Вместо резисторов можно использовать джамперы.


Таблица подсоединений выходного разъема адаптера к выводам микросхемы:

Выходной разъем адаптера, BH-10Микросхема ST7
1GND
3-
5-
7VDD
9OSC1*
10GND
8ICCSEL/VPP
6RESET
4ICCCLK
2ICCDATA

COP8-PGMA-28CSP


Увеличить

COP8-PGMA адаптеры поставляются фирмой National Semiconductor www.national.com.

Для просмотра списка микросхем, которые поддерживает программатор при наличии данного адаптера, выберите программатор из списка:

COP8-PGMA-44CSF


Увеличить

COP8-PGMA адаптеры поставляются фирмой National Semiconductor www.national.com.

Для просмотра списка микросхем, которые поддерживает программатор при наличии данного адаптера, выберите программатор из списка:

COP8-PGMA-44CSP


Увеличить

COP8-PGMA адаптеры поставляются фирмой National Semiconductor www.national.com.

Для просмотра списка микросхем, которые поддерживает программатор при наличии данного адаптера, выберите программатор из списка:

COP8-PGMA-44PF1


Увеличить

COP8-PGMA адаптеры поставляются фирмой National Semiconductor www.national.com.

Для просмотра списка микросхем, которые поддерживает программатор при наличии данного адаптера, выберите программатор из списка:

COP8-PGMA-44QFP


Увеличить

COP8-PGMA адаптеры поставляются фирмой National Semiconductor www.national.com.

Для просмотра списка микросхем, которые поддерживает программатор при наличии данного адаптера, выберите программатор из списка:

COP8-PGMA-48TF1


Увеличить

COP8-PGMA адаптеры поставляются фирмой National Semiconductor www.national.com.

Для просмотра списка микросхем, которые поддерживает программатор при наличии данного адаптера, выберите программатор из списка:

COP8-PGMA-56TF1


Увеличить

COP8-PGMA адаптеры поставляются фирмой National Semiconductor www.national.com.

Для просмотра списка микросхем, которые поддерживает программатор при наличии данного адаптера, выберите программатор из списка:

COP8-PGMA-68PF1


Увеличить

COP8-PGMA адаптеры поставляются фирмой National Semiconductor www.national.com.

Для просмотра списка микросхем, которые поддерживает программатор при наличии данного адаптера, выберите программатор из списка:

M-P44-40x


Увеличить

DIP40/PLCC44 specialized adapter for Xilinx devices with open top socket.

Для просмотра списка микросхем, которые поддерживает программатор при наличии данного адаптера, выберите программатор из списка:


Таблица соединений адаптера:

DIP-40PLCC-44C1, 0.1мкФC2, 0.1мкФ
11  
22  
33  
44  
57  
68  
79  
811  
912  
1013  
1114  
1215  
1316  
1417  
1518  
1619  
1720  
1822  
1924  
2023,5,6,10,31,39,40,4311
2125  
2226  
2327  
24   
25   
26   
2727  
2832.212 
2929  
3030  
3133  
3241 2
3334  
3435  
3536  
3637  
3738  
3842  
3944  
4028  

M-P84-40x


Увеличить

DIP40/PLCC84 specialized adapter for Xilinx devices with open top socket.

Для просмотра списка микросхем, которые поддерживает программатор при наличии данного адаптера, выберите программатор из списка:


Таблица соединений адаптера:

DIP-40PLCC-84C1, 0.1мкФC2, 0.1мкФ
11  
25  
36  
43  
54  
613  
714  
815  
917  
1018  
1119  
1220  
1321  
1436  
1531  
1632  
1733  
1837  
1939  
2042,47..63,2,7..12,23..30,74..79,81,8411
2140  
2241  
2343  
2443  
2544  
2645  
2746  
2864,22,38,732 
2965  
3066  
3167  
3278 2
3368  
3469  
3570  
3671  
3772  
3880  
3982  
4083  

NIIET88-DIP40G


Увеличить

DIP40/M88 specialized adapter for NIIET 1874BE86T microcontroller.

Для просмотра списка микросхем, которые поддерживает программатор при наличии данного адаптера, выберите программатор из списка:


Таблица соединений адаптера:

DIP-40M88
171
51
688
74
85
916
1068
1113
1221
1438
1610
1723
202,31,36,43,53,57,69,72,73,78,84
2144
2245
2347
2449
2550
2651
2752
2854
2959
3060
3161
3262
3363
3464
3565
3666
3830
403,46,74,34

NIIET88-DIP40T


Увеличить

DIP40/M88 specialized adapter for NIIET 1874BE76T microcontroller.

Для просмотра списка микросхем, которые поддерживает программатор при наличии данного адаптера, выберите программатор из списка:


Таблица соединений адаптера:

DIP-40M88
179
586
687
71
82
97
109
1110
1242
1437
1611,56
1730
203,4,6,12,32,35,36,53,55,57,64,75,76,71,80
2145
2246
2347
2448
2549
2650
2751
2852
2958
3059
3161
3262
3363
3465
3566
3667
3874
405,8,33,60,77,78,43